Hier finden Sie alle verfügbaren Teile und Zeichnungen der 'Hikoki CM5SB'. Von hier aus können Sie alle gewünschten Teile direkt bestellen. Viele Teile müssen je nach Marke beim Hersteller bestellt werden, dies dauert ein bis vier Wochen. Alle Informationen, die wir haben, befinden sich auf unserer Website. Wir können Sie nicht beraten, was Sie benötigen. Dazu müssen Sie die Maschine zur Reparatur zurücksenden. Bitte beachten Sie bei der Bestellung Folgendes:
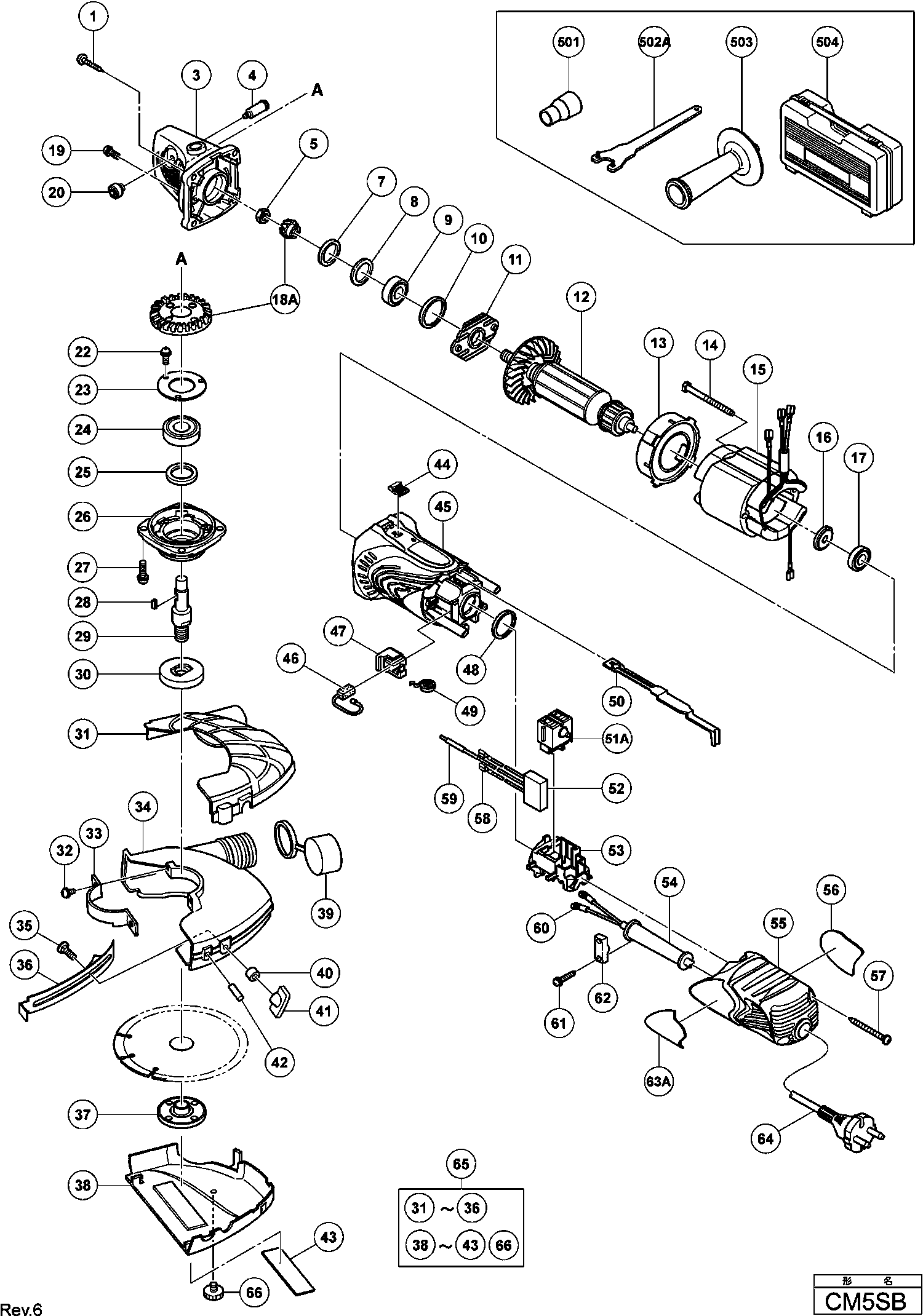
Zeichnungen der Hikoki CM5SB
Teileliste der Hikoki CM5SB
| Pos. | Beschreibung | Preis ohne MwSt | Preis inkl. MwSt | |
| Die angegebenen Preise enthalten die Mehrwertsteuer | ||||
| ANKER 110 VOLT | ||||
| *12 | 360734C | 46.04 | 54.79 | |
| ANKER 230-240 VOLT | ||||
| *12 | 360734E | 41.39 | 49.25 | |
| Stator 230 Volt, G13sb3, Cm5sb | ||||
| *15 | 340645E | 28.19 | 33.54 | |
| VELD 110 VOLT | ||||
| *15 | 340645C | 24.64 | 29.32 | |
| Gelenkwelle (a) | ||||
| *29 | 994301 | 14.25 | 16.96 | |
| Keine Informationen verfügbar, nicht bestellbar | ||||
| *30 | 937817Z | |||
| Hitachi Schild Nc40g, C8fse | ||||
| *43A | 328922 | 1.95 | 2.32 | |
| Keine Informationen verfügbar, nicht bestellbar | ||||
| *64 | 500439Z | |||
| Schraube D5x25 schwarz, Cm5sb | ||||
| 1 | 320523 | 1.35 | 1.61 | |
| Getriebedeckel kpl. G12se2/g13se2, Cm5sb Includ.4 | ||||
| 3 | 321737 | 36.44 | 43.36 | |
| Stift 2s1/g12sa2/g13yb1/g13v/ G13yd/g13sb2/g15yc/ | ||||
| 4 | 301943 | 1.65 | 1.96 | |
| Mutter M8 (10st) | ||||
| 5 | 949558 | 1.05 | 1.25 | |
| Dichtungsring (a) G12se/g13se u.a G12sa2, Cm5sb | ||||
| 7 | 308543 | 1.04 | 1.23 | |
| Unterlegscheibe (c) G12se/g12sa2/ G13sb2/g13yc/g1 | ||||
| 8 | 980866 | 1.04 | 1.23 | |
| Kugellager 629t12ddc3, Cm5sb | ||||
| 9 | 629T12 | 9.83 | 11.69 | |
| Gummiring (1) | ||||
| 10 | 321733 | 1.35 | 1.61 | |
| Lagerdeckel G12se2/g13se2, Cm5sb | ||||
| 11 | 321734 | 1.35 | 1.61 | |
| ANKER 110 VOLT | ||||
| 12 | 360734C | 46.04 | 54.79 | |
| ANKER 230-240 VOLT | ||||
| 12 | 360734E | 41.39 | 49.25 | |
| Ventilatorführung G12se2/g13se2, Cm5sb | ||||
| 13 | 321732 | 1.35 | 1.61 | |
| Sechskantschneidschraube D4x70, Cm5sb | ||||
| 14 | 982021 | 1.04 | 1.23 | |
| Stator 230 Volt, G13sb3, Cm5sb | ||||
| 15 | 340645E | 28.19 | 33.54 | |
| VELD 110 VOLT | ||||
| 15 | 340645C | 24.64 | 29.32 | |
| Staubdichtung G12s2/g12sa2/g13sd/ G13sb2/g12sa2, | ||||
| 16 | 315877 | 1.05 | 1.25 | |
| Kugellager 608 Vvm, C8fshe, Cm5sb, C8fse, H41mb | ||||
| 17 | 608VVM | 5.70 | 6.78 | |
| Antriebsritzel und Abzweigung, Cm5sb | ||||
| 18A | 329054 | 16.36 | 19.47 | |
| Dichtungsverschlussschraube M4X10 | ||||
| 19 | 303255 | 1.04 | 1.23 | |
| Arretierungsstift G12s1/g12sa2/ G13yb1/g13v/g13yd | ||||
| 20 | 301944 | 1.04 | 1.23 | |
| Kopfschraube M4x8 M.federring Selbstsichern, Cm5s | ||||
| 22 | 991207 | 1.04 | 1.23 | |
| Lagerdeckel (b) G12sa/g13se/u.a G12sa2, Cm5sb | ||||
| 23 | 936680 | 1.04 | 1.23 | |
| Kugellager 6201 Dd, Cm5sb | ||||
| 24 | 6201DD | 6.30 | 7.50 | |
| Filzdichtung G12se/g12sa2/g13se/ G13sb2/g12sa2, C | ||||
| 25 | 308546 | 1.04 | 1.23 | |
| Getriebedeckel G12se/g12sa2/g13se G13sb2/g12sa2, | ||||
| 26 | 308545 | 7.35 | 8.75 | |
| Kopfschraube 5x16 M.federring Selbstsichern, | ||||
| 27 | 307046 | 1.04 | 1.23 | |
| Keil 3x3x8 Dh22vb/g12sa/g12sa2/ G13sb2/g12sa2/dh4 | ||||
| 28 | 944109 | 1.70 | 2.02 | |
| Gelenkwelle (a) | ||||
| 29 | 994301 | 14.25 | 16.96 | |
| Spindel (b) | ||||
| 29 | 994302 | 13.89 | 16.53 | |
| Keine Informationen verfügbar, nicht bestellbar | ||||
| 30 | 937817Z | |||
| Abdeckung | ||||
| 31 | 328743 | 1.95 | 2.32 | |
| Kopfschraube M5x16 M.federring | ||||
| 32 | 308386 | 1.05 | 1.25 | |
| Ablagebügel G12sr | ||||
| 33 | 301949 | 1.04 | 1.23 | |
| Abdeckung für Staubabdeckung, Cm5sb | ||||
| 34 | 328741 | 24.61 | 29.29 | |
| Mutter | ||||
| 35 | 942808 | 1.05 | 1.25 | |
| Führungsbügel | ||||
| 36 | 328809 | 6.45 | 7.68 | |
| Keine Informationen verfügbar, nicht bestellbar | ||||
| 37 | 994324 | |||
| Keine Informationen verfügbar, nicht bestellbar | ||||
| 37A | 339579 | |||
| Abdeckung | ||||
| 38 | 328742 | 1.95 | 2.32 | |
| Staubkappe, Cm5sb, Cm9uby | ||||
| 39 | 324865 | 6.45 | 7.68 | |
| Abstandshülse, Cm5sb, Cm9by | ||||
| 40 | 328841 | 1.05 | 1.25 | |
| Flügelmutter, Cm5sb, Cm9by | ||||
| 41 | 314622 | 3.30 | 3.93 | |
| ROL PIN D6X16 (10 STUKS) | ||||
| 42 | 949785 | 1.74 | 2.07 | |
| Hitachi Schild Nc40g, C8fse | ||||
| 43 | 328922 | 1.95 | 2.32 | |
| Schiebeknopf G12sg/g13v/g13yd G13sb2/g12sa2, Cm5s | ||||
| 44 | 314428 | 1.04 | 1.23 | |
| Gehaeuse | ||||
| 45 | 325050 | 16.50 | 19.64 | |
| Kohlebürsten (paar), Cm5sb | ||||
| 46 | 999088 | 4.50 | 5.36 | |
| Kohlekasten Zsb | ||||
| 47 | 317810 | 4.80 | 5.71 | |
| Gummiring G12sa/g12se/g12sa2 G13sb2/g12sa2, Cm5sb | ||||
| 48 | 957754 | 1.20 | 1.43 | |
| Kohlenhalterfeder G12se/g13v G13yd/g13sb2/g12sa2 | ||||
| 49 | 308536 | 1.65 | 1.96 | |
| Zugstange | ||||
| 50 | 325051 | 1.05 | 1.25 | |
| Nicht mehr lieferbar, kein Ersatz | ||||
| 51A | 329057 | |||
| SCHAKELAAR | ||||
| 51B | 377478 | 6.84 | 8.14 | |
| Störungskondensator | ||||
| 52 | 317491 | 7.35 | 8.75 | |
| Schalterhalter G13sb3, Cm5sb | ||||
| 53 | 325054 | 1.05 | 1.25 | |
| Keine Informationen verfügbar, nicht bestellbar | ||||
| 54 | 953327 | |||
| Enddeckel G13sb3, Cm5sb | ||||
| 55 | 325052 | 10.35 | 12.32 | |
| Markenlabel | ||||
| 56A | 334347 | 1.05 | 1.25 | |
| Schneidschraube D4x45 M.flansch, Cm5sb | ||||
| 57 | 301815 | 1.05 | 1.25 | |
| Steckkontakt G13sb2/g12sa2, Cm5sb For Noise Suppr | ||||
| 58 | 319320 | 1.35 | 1.61 | |
| Erdungsklemme G12s2/g13sd/g13v G13yd/g13sb2/g12sa | ||||
| 59 | 314854 | 1.50 | 1.78 | |
| Anschlussklemme | ||||
| 60 | 980063 | 1.04 | 1.23 | |
| Keine Informationen verfügbar, nicht bestellbar | ||||
| 61 | 984750 | |||
| Kabelklemme Div.typen, C8fshe, Cm5sb, C8fse | ||||
| 62 | 937631 | 1.04 | 1.23 | |
| Schnur | ||||
| 64 | 500240Z | 13.18 | 15.68 | |
| Kabel 2,5 M C7mfa (cord Armor D8.8) For Gbr (110v | ||||
| 64 | 500237Z | 11.40 | 13.57 | |
| Keine Informationen verfügbar, nicht bestellbar | ||||
| 65 | 328740 | |||
| Drehbolzen M5, Cm5sb | ||||
| 66 | 329497 | 3.15 | 3.75 | |
| Keine Informationen verfügbar, nicht bestellbar | ||||
| 501 | 320994 | |||
| Keine Informationen verfügbar, nicht bestellbar | ||||
| 502A | 325491 | |||
| Keine Informationen verfügbar, nicht bestellbar | ||||
| 502B | 376127 | |||
| Keine Informationen verfügbar, nicht bestellbar | ||||
| 503 | 994322 | |||
| Keine Informationen verfügbar, nicht bestellbar | ||||
| 504 | 328845 | |||
| Keine Informationen verfügbar, nicht bestellbar | ||||
| 601 | 310338 | |||