Hier finden Sie alle verfügbaren Teile und Zeichnungen der 'Hikoki CM75EBP'. Von hier aus können Sie alle gewünschten Teile direkt bestellen. Viele Teile müssen je nach Marke beim Hersteller bestellt werden, dies dauert ein bis vier Wochen. Alle Informationen, die wir haben, befinden sich auf unserer Website. Wir können Sie nicht beraten, was Sie benötigen. Dazu müssen Sie die Maschine zur Reparatur zurücksenden. Bitte beachten Sie bei der Bestellung Folgendes:
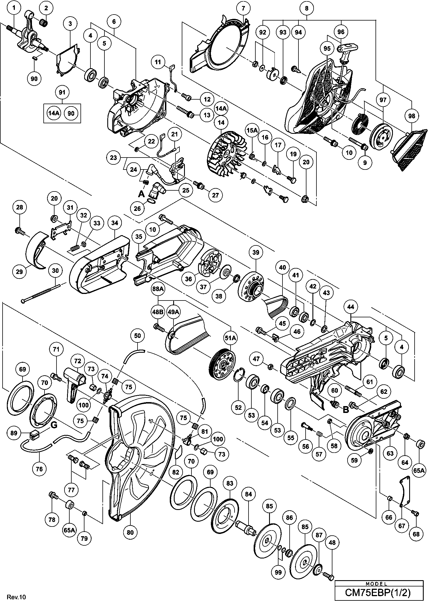
Zeichnungen der Hikoki CM75EBP
Teileliste der Hikoki CM75EBP
| Pos. | Beschreibung | Preis ohne MwSt | Preis inkl. MwSt | |
| Die angegebenen Preise enthalten die Mehrwertsteuer | ||||
| Keine Informationen verfügbar, nicht bestellbar | ||||
| 1 | 6699801 | |||
| Nadellager (a) | ||||
| 2 | 6699803 | 3.60 | 4.28 | |
| Kurbelgehäuseverpackung | ||||
| 3 | 6699800 | 1.04 | 1.23 | |
| Kugellager | ||||
| 4 | 6202C3 | 4.35 | 5.18 | |
| Öldichtung | ||||
| 5 | 6698914 | 3.15 | 3.75 | |
| Kurbelgehäuse (a) | ||||
| 6 | 6600364 | 94.60 | 112.57 | |
| Lüfterführung | ||||
| 7 | 6699875 | 3.15 | 3.75 | |
| Nicht mehr lieferbar, kein Ersatz | ||||
| 8 | 6699876 | |||
| Bolzen Set M5 | ||||
| 9 | 6600374 | 1.80 | 2.14 | |
| Set Schraube M5x25 | ||||
| 10 | 6699871 | 1.20 | 1.43 | |
| Keine Informationen verfügbar, nicht bestellbar | ||||
| 11 | 6699813 | |||
| Erdkabel | ||||
| 11A | 6696567 | 2.10 | 2.50 | |
| Inbusschraube M4x10 (10st) Till 12.2017 | ||||
| 12 | 949812 | 2.40 | 2.86 | |
| Siegel Verriegeln Sechskant-Steckschlüssel Bolzen | ||||
| 13 | 6600365 | 1.80 | 2.14 | |
| Keine Informationen verfügbar, nicht bestellbar | ||||
| 14 | 6699808 | |||
| Magneto-Rotor (alt 6699808) | ||||
| 14A | 6600458 | 12.90 | 15.35 | |
| Keine Informationen verfügbar, nicht bestellbar | ||||
| 15 | 6699810 | |||
| Starterklinkenfeder | ||||
| 15A | 6600477 | 1.05 | 1.25 | |
| Unterlegscheibe 0.8 | ||||
| 16 | 6696857 | 1.05 | 1.25 | |
| Starterklinke | ||||
| 17 | 6699811 | 1.04 | 1.23 | |
| Chim | ||||
| 18 | 6696434 | 1.04 | 1.23 | |
| Bolzen | ||||
| 19 | 6696878 | 1.05 | 1.25 | |
| MUTTER M8 | ||||
| 20 | 6698581 | 1.20 | 1.43 | |
| Kabel | ||||
| 21 | 6699812 | 1.04 | 1.23 | |
| Nicht mehr lieferbar, kein Ersatz | ||||
| 22 | 6698700 | |||
| Nicht mehr lieferbar, kein Ersatz | ||||
| 23 | 6699809 | |||
| Kabelsatz | ||||
| 24 | 6600434 | 11.25 | 13.39 | |
| Schildabdeckung | ||||
| 25 | 6699814 | 2.70 | 3.21 | |
| Abschirmabdeckungsring | ||||
| 26 | 6600373 | 1.80 | 2.14 | |
| Hex. Inbusschraube M4x18 (mit Unterlegscheiben) | ||||
| 27 | 6698388 | 1.05 | 1.25 | |
| Versiegelungsschraube, Sechskant innen, Knopf, M5x | ||||
| 28 | 6699909 | 1.20 | 1.43 | |
| Abdeckplatte (2 benötigt) | ||||
| 29 | 6699908 | 4.20 | 5.00 | |
| Spannbolzen | ||||
| 30 | 6699907 | 2.10 | 2.50 | |
| Spannplatte | ||||
| 31 | 6699904 | 2.10 | 2.50 | |
| Spannfeder | ||||
| 32 | 6699906 | 1.20 | 1.43 | |
| Spannmutter | ||||
| 33 | 6699905 | 1.20 | 1.43 | |
| Armabdeckung | ||||
| 34 | 6699903 | 6.60 | 7.85 | |
| Kupplungsabdeckung | ||||
| 35 | 6699878 | 8.85 | 10.53 | |
| Kupplung | ||||
| 36 | 6699823 | 20.90 | 24.87 | |
| Kupplungsflansch | ||||
| 37 | 6699822 | 4.20 | 5.00 | |
| Filzdichtung G12s1/g13yb1/fg12sa2 G13v/g13yd | ||||
| 38 | 301946 | 1.04 | 1.23 | |
| KUPPLUNGSGEHAEUSE | ||||
| 39 | 6699821 | 12.90 | 15.35 | |
| RIEMEN | ||||
| 40 | 6699877 | 10.65 | 12.67 | |
| Kugellager 6001 Dd | ||||
| 41 | 6001DD | 6.45 | 7.68 | |
| Keine Informationen verfügbar, nicht bestellbar | ||||
| 42 | 6696946 | |||
| Ring | ||||
| 43 | 6685072 | 1.15 | 1.37 | |
| Kurbelgehäuse (b) | ||||
| 44 | 6600366 | 128.01 | 152.33 | |
| Sechskant-Innenschraube M5x16 (mit Unterlegscheibe | ||||
| 45 | 6699826 | 1.05 | 1.25 | |
| Spannungsbasis | ||||
| 46 | 6699825 | 1.20 | 1.43 | |
| NUT M6 | ||||
| 47 | 6698449 | 1.00 | 1.19 | |
| Mutter M6 | ||||
| 47A | 329934 | 1.73 | 2.05 | |
| Bolzen M8 | ||||
| 48 | 6699902 | 1.20 | 1.43 | |
| Schraube (mit Flansch) M8x15,5 | ||||
| 48A | 320971 | 1.05 | 1.25 | |
| Keine Informationen verfügbar, nicht bestellbar | ||||
| 49A | 6699900 | |||
| Wasserzufuhrschlauch | ||||
| 50 | 6699910 | 1.20 | 1.43 | |
| Riemenscheibe (b) | ||||
| 51A | 6600436 | 12.15 | 14.46 | |
| Sicherungsring D40 Innen H41sa/h45ma/dh40mr | ||||
| 52 | 948391 | 1.65 | 1.96 | |
| Kugellager 6203 Dd | ||||
| 53 | 6203DD | 7.65 | 9.10 | |
| Bb Kragen | ||||
| 54 | 6699880 | 2.10 | 2.50 | |
| Filz (1) | ||||
| 55 | 6699879 | 1.20 | 1.43 | |
| Bolzen M5 (s) | ||||
| 56 | 6699896 | 1.20 | 1.43 | |
| Radabdeckungsfeder | ||||
| 57 | 6699895 | 1.20 | 1.43 | |
| Sicherungsmutter M5 (10st) | ||||
| 58 | 949566 | 1.04 | 1.23 | |
| Unterlegscheibe M6 (10st), C8fse | ||||
| 59 | 949425 | 1.05 | 1.25 | |
| Keine Informationen verfügbar, nicht bestellbar | ||||
| 60 | 6699850 | |||
| FEDERHALTER | ||||
| 60A | 6601390 | 2.85 | 3.39 | |
| Kettenstangenbolzen | ||||
| 61 | 6699881 | 2.10 | 2.50 | |
| Keine Informationen verfügbar, nicht bestellbar | ||||
| 62 | 6699176 | |||
| Arm | ||||
| 63 | 6600367 | 64.08 | 76.25 | |
| Stopperhalter | ||||
| 64 | 6699883 | 1.20 | 1.43 | |
| Stopper Gummi (2 Stk.) (alt 6600368) | ||||
| 65A | 6600442 | 2.10 | 2.50 | |
| Kragen | ||||
| 66 | 6699866 | 1.20 | 1.43 | |
| Armplatten | ||||
| 67 | 6600396 | 1.80 | 2.14 | |
| Sechskantsteckdose Hd. Schraube M5x12 (Vorbeschich | ||||
| 68 | 6696836 | 1.20 | 1.43 | |
| Platte (a) | ||||
| 69 | 6699885 | 2.10 | 2.50 | |
| DÄMPFER (A) | ||||
| 70 | 6699886 | 2.10 | 2.50 | |
| Satzschraube M5x16 | ||||
| 71 | 6699889 | 1.20 | 1.43 | |
| Griff (w) | ||||
| 72 | 6699888 | 2.10 | 2.50 | |
| Kapmuttern | ||||
| 73 | 6699892 | 2.10 | 2.50 | |
| Wasserzufuhr Gelenk (b) | ||||
| 74 | 6699891 | 1.20 | 1.43 | |
| KONTERMUTTER | ||||
| 75 | 6699912 | 1.20 | 1.43 | |
| Wasserzufuhrschlauch | ||||
| 76 | 6699911 | 1.20 | 1.43 | |
| Düsenbolzen | ||||
| 77 | 6699893 | 4.20 | 5.00 | |
| Bolzen | ||||
| 78 | 996399 | 1.04 | 1.23 | |
| Stopperhalter | ||||
| 79 | 6600375 | 1.80 | 2.14 | |
| Radschutz (14') | ||||
| 80 | 6699920 | 93.09 | 110.77 | |
| Wasserzufuhr Gelenk (a) | ||||
| 81 | 6699890 | 1.20 | 1.43 | |
| Radmarkierungsaufkleber (14") | ||||
| 82 | 6600377 | 1.80 | 2.14 | |
| Flansch (a) | ||||
| 83 | 6699894 | 18.56 | 22.09 | |
| Spindel (1) | ||||
| 84 | 6699882 | 11.85 | 14.10 | |
| Radunterlegscheibe | ||||
| 85 | 6699897 | 5.70 | 6.78 | |
| Spindelkragen | ||||
| 86 | 6699898 | 3.15 | 3.75 | |
| Flanschscheibe | ||||
| 87 | 6699901 | 1.20 | 1.43 | |
| Riemenscheibe (b) Set (alt 6699899) | ||||
| 88 | 6600438 | 14.70 | 17.49 | |
| Schlauchhalter | ||||
| 89 | 6600457 | 1.04 | 1.23 | |
| Nut-Feder | ||||
| 90 | 6600459 | 1.04 | 1.23 | |
| Magneto-Rotor-Set | ||||
| 91 | 6600460 | 13.65 | 16.24 | |
| Vollständiges Nockenset | ||||
| 92 | 6600469 | 7.05 | 8.39 | |
| Startertülle | ||||
| 93 | 6600471 | 5.85 | 6.96 | |
| Gewindeschneidschraube D4x16 | ||||
| 94 | 6600466 | 1.04 | 1.23 | |
| Starterseil | ||||
| 95 | 6600468 | 7.65 | 9.10 | |
| Nicht mehr lieferbar, kein Ersatz | ||||
| 96 | 6600467 | |||
| Vollständiges Spulensatz | ||||
| 97 | 6600470 | 21.04 | 25.03 | |
| Lüftergehäuseabdeckung | ||||
| 98 | 6600464 | 19.39 | 23.07 | |
| O-ring (s-12) Dv20v1/cs35b/u.a. Vb16y | ||||
| 99 | 875638 | 1.65 | 1.96 | |
| Riemenscheiben Unterlegscheibe | ||||
| 100 | 6600495 | 1.04 | 1.23 | |
| Tankdeckel | ||||
| 101 | 6600369 | 5.10 | 6.07 | |
| Tankkappen Verpackung | ||||
| 102 | 6685179 | 1.15 | 1.37 | |
| Keine Informationen verfügbar, nicht bestellbar | ||||
| 103 | 6699828 | |||
| Hauptpumpe | ||||
| 104 | 6685139 | 5.94 | 7.07 | |
| Kraftstoffleitung | ||||
| 105 | 6698722 | 9.75 | 11.60 | |
| Kraftstoffleitung (pink) | ||||
| 106 | 6699837 | 2.10 | 2.50 | |
| Kraftstoffleitung L220 | ||||
| 106A | 6601460 | 2.25 | 2.68 | |
| Schneidschraube D4x25 Mit Flansch Neue Art.nr. 30 | ||||
| 107 | 304035 | 1.04 | 1.23 | |
| Tank Markierungsetikett (25:1) | ||||
| 108 | 6698922 | 1.20 | 1.43 | |
| Schneidschraube D4x16 Mit Flansch (schwarz), Cm9b | ||||
| 109 | 305812 | 1.04 | 1.23 | |
| Lüftungsverschlusskappe | ||||
| 110 | 6699838 | 1.20 | 1.43 | |
| Keine Informationen verfügbar, nicht bestellbar | ||||
| 111 | 6600370 | |||
| Nicht mehr lieferbar, kein Ersatz | ||||
| 112 | 6698931 | |||
| Rückkehr Dichtung (alt 6684627) | ||||
| 113 | 6697846 | 1.04 | 1.23 | |
| Hintere Griff | ||||
| 114 | 6699827 | 26.68 | 31.74 | |
| Lange Mutter M6 | ||||
| 116 | 6699852 | 1.20 | 1.43 | |
| Vorderer Griff | ||||
| 117 | 6699842 | 22.83 | 27.16 | |
| Flansch-Tapschraube D6 | ||||
| 118 | 6696872 | 1.05 | 1.25 | |
| Innensechskantschraube M6x20 | ||||
| 119 | 881722 | 1.80 | 2.14 | |
| Anti-Vibrationsfeder | ||||
| 120 | 6699849 | 1.20 | 1.43 | |
| Front Adapter | ||||
| 121 | 6699847 | 14.25 | 16.96 | |
| Griffende (b) | ||||
| 122 | 6699844 | 1.20 | 1.43 | |
| Hex. Innensechskantschraube M6x50 | ||||
| 123 | 6699819 | 1.04 | 1.23 | |
| Auspuff | ||||
| 124 | 6699816 | 31.08 | 36.98 | |
| HITZESCHILD | ||||
| 125 | 6699815 | 1.80 | 2.14 | |
| Dichtungs-Schloss Sechskant. Steckdose Hd. Schraub | ||||
| 126 | 6698899 | 1.20 | 1.43 | |
| Ring | ||||
| 127 | 6685068 | 1.15 | 1.37 | |
| Auspuffrohr | ||||
| 128 | 6699818 | 1.04 | 1.23 | |
| Auspuffdichtung | ||||
| 129 | 6699817 | 1.04 | 1.23 | |
| Abzugssperre Kragen | ||||
| 130 | 6699836 | 1.20 | 1.43 | |
| Auslösesperre | ||||
| 131 | 6699835 | 1.20 | 1.43 | |
| NADELSTIFT D3 | ||||
| 132 | 6699834 | 1.20 | 1.43 | |
| Drosselhebelfeder | ||||
| 133 | 6699833 | 1.20 | 1.43 | |
| Drosselhebel | ||||
| 134 | 6699832 | 1.20 | 1.43 | |
| Gashebel | ||||
| 135 | 6699863 | 1.20 | 1.43 | |
| Zylinderabdeckung | ||||
| 136 | 6699865 | 9.15 | 10.89 | |
| Kraftstoffleitung | ||||
| 137 | 6698908 | 4.65 | 5.53 | |
| Keine Informationen verfügbar, nicht bestellbar | ||||
| 138 | 6685311 | |||
| Filterpumpen Gehäuse alte Art.nr.675-11657-90 | ||||
| 139 | 6692285 | 7.26 | 8.64 | |
| Federhalter | ||||
| 140 | 6699851 | 2.10 | 2.50 | |
| Anti-Vibrationsfeder | ||||
| 141 | 6699824 | 2.10 | 2.50 | |
| Keine Informationen verfügbar, nicht bestellbar | ||||
| 142 | 6699320 | |||
| Dekomp-Kappe | ||||
| 143 | 6600378 | 3.45 | 4.11 | |
| Ablass. | ||||
| 144 | 6698541 | 22.83 | 27.16 | |
| Griffende (a) | ||||
| 145 | 6699843 | 1.20 | 1.43 | |
| Keine Informationen verfügbar, nicht bestellbar | ||||
| 146 | 6600371 | |||
| Nicht mehr lieferbar, kein Ersatz | ||||
| 146A | 6600478 | |||
| Isolierklammer | ||||
| 147 | 6699862 | 1.20 | 1.43 | |
| Isolatorplatte | ||||
| 148 | 6699858 | 2.10 | 2.50 | |
| Nicht mehr lieferbar, kein Ersatz | ||||
| 149 | 6699860 | |||
| Kraftstoffleitung (fkm) | ||||
| 150 | 6699857 | 6.15 | 7.32 | |
| Vergaser Ass'y (c3m) | ||||
| 151 | 6699856 | 62.70 | 74.61 | |
| Schraube (d) | ||||
| 152 | 6600385 | 3.45 | 4.11 | |
| Pumpendeckel | ||||
| 153 | 6600386 | 10.35 | 12.32 | |
| Pumpendichtung | ||||
| 154 | 6600387 | 3.45 | 4.11 | |
| Pumpenmembran | ||||
| 155 | 6600388 | 3.45 | 4.11 | |
| SIEB f.SPRITZ-+SPRUEHGERAET | ||||
| 156 | 6600389 | 5.10 | 6.07 | |
| Schraube (e) | ||||
| 157 | 6600390 | 3.45 | 4.11 | |
| Stift (1) | ||||
| 158 | 6699082 | 1.05 | 1.25 | |
| Messenhebelfeder | ||||
| 159 | 6600391 | 3.45 | 4.11 | |
| Einlassnadelventil | ||||
| 160 | 6699081 | 7.05 | 8.39 | |
| Dosierhebel | ||||
| 161 | 6699084 | 1.65 | 1.96 | |
| Dichtung der Messkammer | ||||
| 162 | 6600392 | 5.10 | 6.07 | |
| Messmembran | ||||
| 163 | 6600393 | 9.75 | 11.60 | |
| Deckel der Messkammer | ||||
| 164 | 6600394 | 42.76 | 50.89 | |
| Einstellschraube (c) | ||||
| 165 | 6699094 | 1.05 | 1.25 | |
| Nicht mehr lieferbar, kein Ersatz | ||||
| 166 | 6698873 | |||
| Quadratmutter (b) M5 | ||||
| 167 | 6699859 | 1.20 | 1.43 | |
| Inbusschraube M6x25 M.flansch | ||||
| 168 | 991712 | 1.05 | 1.25 | |
| Zylinderpackung | ||||
| 169 | 6600397 | 3.45 | 4.11 | |
| KOLBENRING | ||||
| 170 | 6699806 | 2.10 | 2.50 | |
| Sicherungsring | ||||
| 171 | 6699805 | 1.04 | 1.23 | |
| Nicht mehr lieferbar, kein Ersatz | ||||
| 172 | 6699804 | |||
| Kolbenstift | ||||
| 173 | 6699802 | 1.65 | 1.96 | |
| Wasserversorgungsstecker | ||||
| 174 | 6699913 | 9.60 | 11.42 | |
| Nicht mehr lieferbar, kein Ersatz | ||||
| 175 | 6699914 | |||
| Keine Informationen verfügbar, nicht bestellbar | ||||
| 176 | 6699915 | |||
| VALVE (OLD 6699915) | ||||
| 176A | 6601657 | 33.55 | 39.92 | |
| Kuppler | ||||
| 177 | 6699916 | 3.15 | 3.75 | |
| TÜLLE | ||||
| 178 | 6698787 | 1.80 | 2.14 | |
| Sperrstift für Gasgriff | ||||
| 179 | 6699829 | 1.20 | 1.43 | |
| Vergaserdichtung | ||||
| 180 | 6699855 | 1.20 | 1.43 | |
| Vergaserhalterung | ||||
| 181 | 6699854 | 4.20 | 5.00 | |
| Vorfilter | ||||
| 182 | 6699872 | 5.10 | 6.07 | |
| Achtung Label (eng) | ||||
| 183 | 6600382 | 3.45 | 4.11 | |
| Reinigerknopf | ||||
| 184 | 6699874 | 2.10 | 2.50 | |
| Knopfverpackung | ||||
| 185 | 6698570 | 1.20 | 1.43 | |
| Startetikett (cm75) (ex) | ||||
| 186 | 6600381 | 1.80 | 2.14 | |
| Reiniger Box (b) | ||||
| 187 | 6699873 | 10.20 | 12.14 | |
| Gummiseil | ||||
| 188 | 6699870 | 2.10 | 2.50 | |
| Reinigungsbox (a) | ||||
| 189 | 6699869 | 14.25 | 16.96 | |
| GUMMISTIFT | ||||
| 190 | 931701 | 1.05 | 1.25 | |
| Würgknopf | ||||
| 191 | 6699864 | 1.20 | 1.43 | |
| Gummi f.drosselgestell | ||||
| 192 | 6685369 | 1.05 | 1.25 | |
| PAPIERFILTER/EXZENTERSCHLEIFER | ||||
| 193 | 6699868 | 6.90 | 8.21 | |
| Nylon Filter | ||||
| 194 | 6699867 | 4.20 | 5.00 | |
| Sechskantschraube (mit Unterlegscheiben) M5x55 | ||||
| 195 | 6699861 | 1.20 | 1.43 | |
| Keine Informationen verfügbar, nicht bestellbar | ||||
| 196 | 6696940 | |||
| Nicht mehr lieferbar, kein Ersatz | ||||
| 196A | 6601275 | |||
| Nicht mehr lieferbar, kein Ersatz | ||||
| 197 | 6698400 | |||
| Sperrstiftfeder für Gasgriff | ||||
| 198 | 6699830 | 1.20 | 1.43 | |
| Sperrstiftkappe für Gasgriff | ||||
| 199 | 6699831 | 1.20 | 1.43 | |
| Hinterer Fuß | ||||
| 200 | 6699839 | 2.10 | 2.50 | |
| Anti-Vibrationsfeder | ||||
| 201 | 6699840 | 1.20 | 1.43 | |
| Unterer Schutz | ||||
| 202 | 6699841 | 6.60 | 7.85 | |
| Auspuffschutz (alt 6600395) | ||||
| 203A | 6600443 | 42.49 | 50.56 | |
| Keine Informationen verfügbar, nicht bestellbar | ||||
| 204 | 6699845 | |||
| Keine Informationen verfügbar, nicht bestellbar | ||||
| 205 | 6699846 | |||
| VORDERER FUẞGUMMI (B) | ||||
| 205A | 6601393 | 1.50 | 1.78 | |
| Keine Informationen verfügbar, nicht bestellbar | ||||
| 206 | 6699848 | |||
| VORDERE FUẞPLATTE (B) | ||||
| 206A | 6601392 | 2.25 | 2.68 | |
| Hex. Einbaubolzen M5 (mit Unterlegscheiben) | ||||
| 207 | 6600372 | 1.80 | 2.14 | |
| Keine Informationen verfügbar, nicht bestellbar | ||||
| 207A | 6698386 | |||
| Leerlaufschwamm | ||||
| 208 | 6600056 | 1.05 | 1.25 | |
| BAND | ||||
| 209 | 6698943 | 1.20 | 1.43 | |
| Erdungsleitungssatz | ||||
| 210 | 6601373 | 1.35 | 1.61 | |
| FEDERHALTER | ||||
| 211 | 6601391 | 3.75 | 4.46 | |
| Scheibe (b) Ds9dva/ds12dva/ds14dv Ds14dva/ds14dvb | ||||
| 212 | 6699112 | 1.04 | 1.23 | |
| Front Fußhalter (alt 6601365) | ||||
| 213 | 6601394 | 6.15 | 7.32 | |
| Keine Informationen verfügbar, nicht bestellbar | ||||
| 501 | 6698582 | |||
| Keine Informationen verfügbar, nicht bestellbar | ||||
| 502 | 6699918 | |||
| Keine Informationen verfügbar, nicht bestellbar | ||||
| 503 | 875769 | |||
| Adapterkragen | ||||
| 504 | 6699919 | 6.30 | 7.50 | |
| Keine Informationen verfügbar, nicht bestellbar | ||||
| 505 | 402328 | |||