Hier finden Sie alle verfügbaren Teile und Zeichnungen der 'Hikoki CR13V'. Von hier aus können Sie alle gewünschten Teile direkt bestellen. Viele Teile müssen je nach Marke beim Hersteller bestellt werden, dies dauert ein bis vier Wochen. Alle Informationen, die wir haben, befinden sich auf unserer Website. Wir können Sie nicht beraten, was Sie benötigen. Dazu müssen Sie die Maschine zur Reparatur zurücksenden. Bitte beachten Sie bei der Bestellung Folgendes:
Zeichnungen der Hikoki CR13V
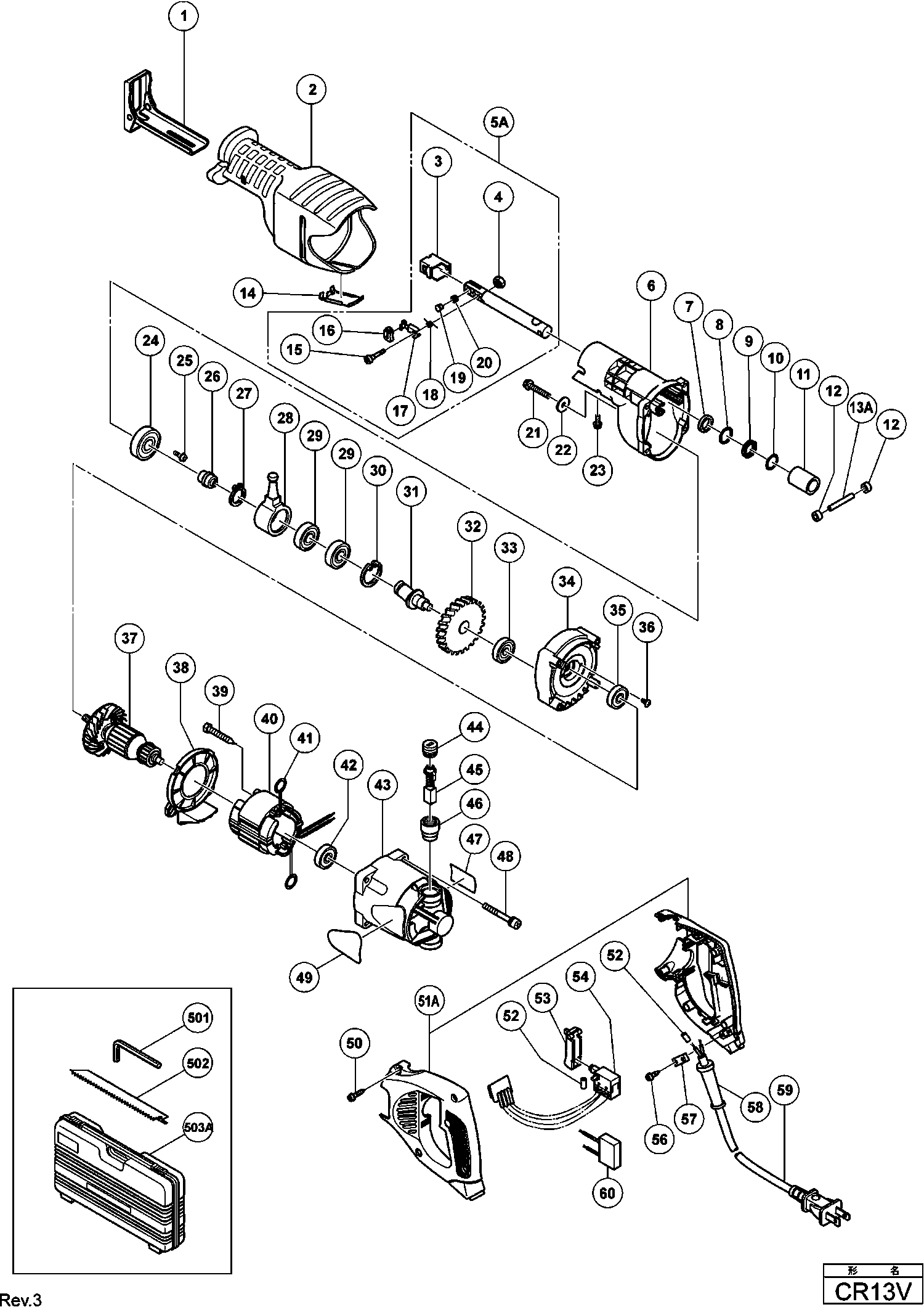
Teileliste der Hikoki CR13V
| Pos. | Beschreibung | Preis ohne MwSt | Preis inkl. MwSt | |
| Die angegebenen Preise enthalten die Mehrwertsteuer | ||||
| ARMATUR BEMESSUNG 120 VOLT | ||||
| *37 | 360616U | 78.79 | 93.76 | |
| Anker 230v | ||||
| *37 | 360616E | 45.30 | 53.91 | |
| ANKER 110-115 VOLT | ||||
| *37 | 360616C | 42.35 | 50.40 | |
| VELD 110-115 VOLT | ||||
| *40 | 340563H | 32.40 | 38.56 | |
| Stator 220-230v kpl. Cr13v Includ.61 | ||||
| *40 | 340563J | 31.55 | 37.54 | |
| Keine Informationen verfügbar, nicht bestellbar | ||||
| *54 | 327130 | |||
| Keine Informationen verfügbar, nicht bestellbar | ||||
| *59 | 500455Z | |||
| Grundplatte Cr13vc | ||||
| 1 | 321116 | 9.69 | 11.53 | |
| Vorderes Gehäuse | ||||
| 2 | 321125 | 24.61 | 29.29 | |
| Messerhalter (a) Cr13vc | ||||
| 3 | 321132 | 15.95 | 18.98 | |
| Mutter M4 (10 Stück) | ||||
| 4 | 949554 | 1.05 | 1.25 | |
| Stößel (b) Versammlung Inkl.3,14a,15-19,62 | ||||
| 5A | 333738 | 91.30 | 108.65 | |
| Getriebedeckel (b) Cr13vc | ||||
| 6 | 321123 | 37.95 | 45.16 | |
| Filzdichtung Cr13va | ||||
| 7 | 318458 | 1.65 | 1.96 | |
| Ring | ||||
| 8 | 321117 | 1.35 | 1.61 | |
| V-ring Cr13va | ||||
| 9 | 318459 | 1.65 | 1.96 | |
| O-ring Cr13vc | ||||
| 10 | 321118 | 1.65 | 1.96 | |
| Metall (b) Cr13vc | ||||
| 11 | 321214 | 4.80 | 5.71 | |
| Schwungrolle Cr13vc | ||||
| 12 | 321136 | 1.65 | 1.96 | |
| STIFT D6 (ALT 318491) | ||||
| 13A | 326585 | 3.15 | 3.75 | |
| Clip | ||||
| 14 | 321126 | 5.71 | 6.80 | |
| Spezialbolzen M4 | ||||
| 15 | 322134 | 1.65 | 1.96 | |
| Kappe Cr13vc | ||||
| 16 | 321130 | 1.35 | 1.61 | |
| Hebel (a) Cr13vc | ||||
| 17 | 321131 | 9.69 | 11.53 | |
| Feder (d) Cr13vc | ||||
| 18 | 321135 | 2.55 | 3.03 | |
| Haltestift (b) Cr13vc | ||||
| 19 | 321134 | 12.45 | 14.82 | |
| Feder (b) Cr13va/cr24dv | ||||
| 20 | 318483 | 1.20 | 1.43 | |
| Inbusschraube M6x35 M.flansch Selbstsichernd Cr13 | ||||
| 21 | 318451 | 1.65 | 1.96 | |
| Scheibe (g) Cr13va | ||||
| 22 | 318452 | 1.20 | 1.43 | |
| Sechskantschraube M5x12 | ||||
| 23 | 322142 | 1.65 | 1.96 | |
| Kugellager 6002 Dd | ||||
| 24 | 6002DD | 7.05 | 8.39 | |
| NYLOCK Schraube M4X12 | ||||
| 25 | 317196 | 1.65 | 1.96 | |
| Tauchkolben | ||||
| 26 | 322119 | 2.10 | 2.50 | |
| Ring | ||||
| 27 | 967261 | 1.05 | 1.25 | |
| Pendel-platte Cr13v | ||||
| 28 | 322118 | 13.35 | 15.89 | |
| Kugellager 6003 Vv | ||||
| 29 | 6003VV | 7.65 | 9.10 | |
| Sicherungsring D35 (innen) 10st | ||||
| 30 | 939556 | 10.20 | 12.14 | |
| Zweite Welle (b) Cr13vc | ||||
| 31 | 321128 | 22.31 | 26.55 | |
| Zahnrad Cr13va | ||||
| 32 | 318473 | 14.03 | 16.69 | |
| Kugellager 608 Vvm, C8fshe, Cm5sb, C8fse, H41mb | ||||
| 33 | 608VVM | 5.70 | 6.78 | |
| Innendeckel | ||||
| 34 | 321124 | 18.98 | 22.58 | |
| Kugellager 6001 Vv | ||||
| 35 | 6001VV | 6.60 | 7.85 | |
| Kopfschraube M4x10 Selbsts. G12sr | ||||
| 36 | 314430 | 1.05 | 1.25 | |
| ARMATUR BEMESSUNG 120 VOLT | ||||
| 37 | 360616U | 78.79 | 93.76 | |
| Anker 230v | ||||
| 37 | 360616E | 45.30 | 53.91 | |
| ANKER 110-115 VOLT | ||||
| 37 | 360616C | 42.35 | 50.40 | |
| Ventilatorführung Cr13vc | ||||
| 38 | 321122 | 2.55 | 3.03 | |
| Schneidschraube D5x55 | ||||
| 39 | 953174 | 1.04 | 1.23 | |
| VELD 110-115 VOLT | ||||
| 40 | 340563H | 32.40 | 38.56 | |
| Stator 220-230v kpl. Cr13v Includ.61 | ||||
| 40 | 340563J | 31.55 | 37.54 | |
| Kohlenhalterklemme Dh28y u.a. H30pv/vb16y/dh30pc/ | ||||
| 41 | 930703 | 2.40 | 2.86 | |
| Kugellager 608 Vvm, C8fshe, Cm5sb, C8fse, H41mb | ||||
| 42 | 608VVM | 5.70 | 6.78 | |
| Gehaeuse | ||||
| 43 | 322120 | 9.60 | 11.42 | |
| Kohlenkappe C6u/c7u u.a. H30pv/dh30pc/ H41mb/ G23 | ||||
| 44 | 945161 | 1.20 | 1.43 | |
| Kohlenbürsten (paar) H41mb | ||||
| 45 | 999043 | 4.50 | 5.36 | |
| Kohlekasten Zsb | ||||
| 46 | 958900 | 6.45 | 7.68 | |
| Kopfschraube M5x60 M.u-scheibe (schwarz) | ||||
| 48 | 307224 | 1.05 | 1.25 | |
| Schneidschraube D4x25 Mit Flansch (schwarz), H41m | ||||
| 50 | 307028 | 1.05 | 1.25 | |
| Handgrif (c+d) Cr13v | ||||
| 51A | 324823 | 11.85 | 14.10 | |
| Kanalhülse für Kabel (d) Div.typen, Cm9uby, G23ss | ||||
| 52 | 981373 | 1.05 | 1.25 | |
| Schalterknopf Cr13v | ||||
| 53 | 322133 | 1.05 | 1.25 | |
| Schalter | ||||
| 54 | 322135 | 46.75 | 55.63 | |
| Keine Informationen verfügbar, nicht bestellbar | ||||
| 56 | 984750 | |||
| Kabelklemme Div.typen, C8fshe, Cm5sb, C8fse | ||||
| 57 | 937631 | 1.04 | 1.23 | |
| Keine Informationen verfügbar, nicht bestellbar | ||||
| 58 | 953327 | |||
| Keine Informationen verfügbar, nicht bestellbar | ||||
| 59 | 500434Z | |||
| NOISE SUPPRESSOR | ||||
| 60 | 334380 | 1.00 | 1.19 | |
| Keine Informationen verfügbar, nicht bestellbar | ||||
| 501 | 944458 | |||
| Keine Informationen verfügbar, nicht bestellbar | ||||
| 502 | 318621 | |||
| Keine Informationen verfügbar, nicht bestellbar | ||||
| 503A | 327054 | |||
| Keine Informationen verfügbar, nicht bestellbar | ||||
| 602 | 958182 | |||
| Keine Informationen verfügbar, nicht bestellbar | ||||
| 603 | 958183 | |||
| Keine Informationen verfügbar, nicht bestellbar | ||||
| 604 | 959611 | |||
| Keine Informationen verfügbar, nicht bestellbar | ||||
| 605 | 958185 | |||
| Keine Informationen verfügbar, nicht bestellbar | ||||
| 606 | 958188 | |||
| Keine Informationen verfügbar, nicht bestellbar | ||||
| 607 | 996427 | |||
| Keine Informationen verfügbar, nicht bestellbar | ||||
| 608 | 318611 | |||
| Keine Informationen verfügbar, nicht bestellbar | ||||
| 609 | 318612 | |||
| Keine Informationen verfügbar, nicht bestellbar | ||||
| 610 | 318613 | |||
| Keine Informationen verfügbar, nicht bestellbar | ||||
| 611 | 318614 | |||
| Keine Informationen verfügbar, nicht bestellbar | ||||
| 612 | 324818 | |||
| Keine Informationen verfügbar, nicht bestellbar | ||||
| 613 | 324819 | |||
| Keine Informationen verfügbar, nicht bestellbar | ||||
| 614 | 318617 | |||
| Keine Informationen verfügbar, nicht bestellbar | ||||
| 615 | 318618 | |||
| Keine Informationen verfügbar, nicht bestellbar | ||||
| 616 | 318619 | |||
| Keine Informationen verfügbar, nicht bestellbar | ||||
| 617 | 318620 | |||
| Keine Informationen verfügbar, nicht bestellbar | ||||
| 618 | 321113 | |||
| LEVER | ||||
| 619 | 996423 | 3.72 | 4.43 | |
| BOUT | ||||
| 620 | 996422 | 15.51 | 18.46 | |
| GELEIDBAR | ||||
| 621 | 996421 | 6.66 | 7.93 | |
| GLIJPLAAT | ||||
| 622 | 996424 | 20.90 | 24.87 | |
| Inbusschraube M6x16 (10st), Nr90aa | ||||
| 623 | 949755 | 3.00 | 3.57 | |
| Grundplatte Cr13vc | ||||
| 624 | 321116 | 9.69 | 11.53 | |
| Platte (b) Cr13v | ||||
| 625 | 321427 | 21.04 | 25.03 | |
| Keine Informationen verfügbar, nicht bestellbar | ||||
| 626 | 321428 | |||
| Inbusschraube M5x14 (10st) | ||||
| 627 | 949665 | 2.10 | 2.50 | |
| Inbusschraube M6x16 (10st), Nr90aa | ||||
| 628 | 949755 | 3.00 | 3.57 | |
| Unterlegscheibe M6 (10st), C8fse | ||||
| 629 | 949425 | 1.05 | 1.25 | |
| Keine Informationen verfügbar, nicht bestellbar | ||||
| 630 | 944458 | |||
| Keine Informationen verfügbar, nicht bestellbar | ||||
| 631 | 944459 | |||