Hier finden Sie alle verfügbaren Teile und Zeichnungen der 'Hikoki CR17Y'. Von hier aus können Sie alle gewünschten Teile direkt bestellen. Viele Teile müssen je nach Marke beim Hersteller bestellt werden, dies dauert ein bis vier Wochen. Alle Informationen, die wir haben, befinden sich auf unserer Website. Wir können Sie nicht beraten, was Sie benötigen. Dazu müssen Sie die Maschine zur Reparatur zurücksenden. Bitte beachten Sie bei der Bestellung Folgendes:
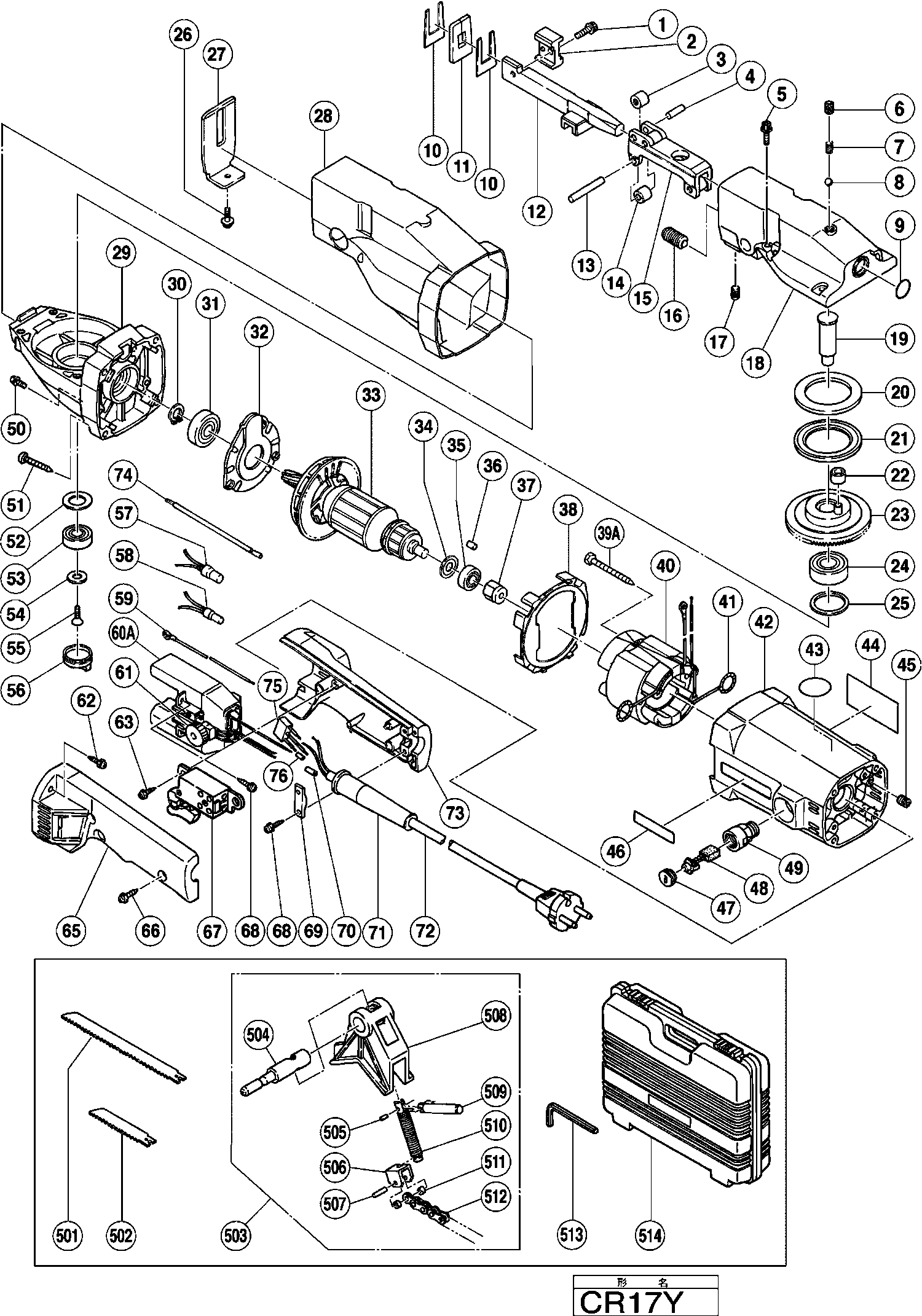
Zeichnungen der Hikoki CR17Y
Teileliste der Hikoki CR17Y
| Pos. | Beschreibung | Preis ohne MwSt | Preis inkl. MwSt | |
| Die angegebenen Preise enthalten die Mehrwertsteuer | ||||
| Keine Informationen verfügbar, nicht bestellbar | ||||
| *40 | 340246E | |||
| Keine Informationen verfügbar, nicht bestellbar | ||||
| *60 | 307842 | |||
| Schalter | ||||
| *67 | 953178 | 37.95 | 45.16 | |
| Schalter | ||||
| *67 | 960280Z | 21.31 | 25.36 | |
| Kabelknickschutz D10.7 Div.typen, Cm9by, H41mb, G | ||||
| *71 | 940778 | 2.10 | 2.50 | |
| Kabelknickschutz D8.2 Div.typen H41mb, G23ss | ||||
| *71 | 958049 | 1.04 | 1.23 | |
| Inbusschraube M5x16 M.federring | ||||
| 1 | 305574 | 1.05 | 1.25 | |
| Keine Informationen verfügbar, nicht bestellbar | ||||
| 2 | 307121 | |||
| Nadellager (a) Nk6/10t2 | ||||
| 3 | 984232 | 13.65 | 16.24 | |
| Stift (1) | ||||
| 4 | 305581 | 1.04 | 1.23 | |
| PIN (OLD 305581) | ||||
| 4 | 951534 | 1.00 | 1.19 | |
| Keine Informationen verfügbar, nicht bestellbar | ||||
| 5 | 305583 | |||
| Keine Informationen verfügbar, nicht bestellbar | ||||
| 6 | 305577 | |||
| Keine Informationen verfügbar, nicht bestellbar | ||||
| 7 | 305571 | |||
| Stahlkugel D6,35 (10st) | ||||
| 8 | 959150 | 1.35 | 1.61 | |
| O-ring (s-18) Cr17y/nv65ad2, Nr90aa | ||||
| 9 | 878885 | 1.05 | 1.25 | |
| Dichtungsplatte Cr17y | ||||
| 10 | 305575 | 1.80 | 2.14 | |
| Dichtung | ||||
| 11 | 305576 | 1.95 | 2.32 | |
| Stoessel | ||||
| 12A | 305572 | 145.89 | 173.61 | |
| Stift D6 Cr10v/cr17y | ||||
| 13 | 983564 | 3.00 | 3.57 | |
| Hülse | ||||
| 14 | 305582 | 7.65 | 9.10 | |
| Tauchkolbengehäuse Cr17y Includ.3,4 | ||||
| 15 | 305580 | 192.50 | 229.08 | |
| Keine Informationen verfügbar, nicht bestellbar | ||||
| 16 | 305563 | |||
| Inbusstiftschraube M5x8, C8fshe, C8fse, H41mb,g23 | ||||
| 17 | 938477 | 1.05 | 1.25 | |
| Obergetriebegehäuse Cr17y nicht mehr lieferbar! | ||||
| 18 | 305570 | 52.53 | 62.50 | |
| Gelenkwelle (a) | ||||
| 19 | 305565 | 19.94 | 23.73 | |
| Ring | ||||
| 20 | 305578 | 14.70 | 17.49 | |
| Nadellager | ||||
| 21 | 305579 | 9.60 | 11.42 | |
| Verbinderteil Cr17y | ||||
| 22 | 305567 | 9.60 | 11.42 | |
| Zahnrad Cr17y | ||||
| 23 | 305566 | 93.36 | 111.10 | |
| Kugellager 6202 Vv | ||||
| 24 | 6202VV | 7.05 | 8.39 | |
| Keine Informationen verfügbar, nicht bestellbar | ||||
| 25 | 305719 | |||
| Keine Informationen verfügbar, nicht bestellbar | ||||
| 26 | 306017 | |||
| Grundplatte | ||||
| 27 | 305585 | 3.90 | 4.64 | |
| Gummiabdeckung Cr17y | ||||
| 28 | 305584 | 26.40 | 31.42 | |
| Keine Informationen verfügbar, nicht bestellbar | ||||
| 29 | 305562 | |||
| Sicherungsring D12 (10st), G23ss | ||||
| 30 | 939542 | 1.50 | 1.78 | |
| Kugellager 6201 Dd, Cm5sb | ||||
| 31 | 6201DD | 6.30 | 7.50 | |
| Keine Informationen verfügbar, nicht bestellbar | ||||
| 32 | 305564 | |||
| Anker 230v-240v Cr17y | ||||
| 33 | 360272E | 157.44 | 187.35 | |
| Unterlegscheibe (a) Cr17y/dh20pb H30pv/dh30pc/h45 | ||||
| 34 | 982631 | 1.04 | 1.23 | |
| Kugellager 608 Vvm, C8fshe, Cm5sb, C8fse, H41mb | ||||
| 35 | 608VVM | 5.70 | 6.78 | |
| GUMMISTIFT | ||||
| 36 | 931701 | 1.05 | 1.25 | |
| Magnet | ||||
| 37 | 305559 | 12.75 | 15.17 | |
| Nicht mehr lieferbar, kein Ersatz | ||||
| 38 | 305561 | |||
| Schneidschraube D5x60, G23ss | ||||
| 39A | 961501 | 1.04 | 1.23 | |
| STATOR ASS'Y 110V | ||||
| 40 | 340246J | 31.08 | 36.99 | |
| Kohlenhalterklemme Dh28y u.a. H30pv/vb16y/dh30pc/ | ||||
| 41 | 930703 | 2.40 | 2.86 | |
| HUIS (GROENE GEDEELTE) | ||||
| 42 | 996078 | 38.44 | 45.74 | |
| Keine Informationen verfügbar, nicht bestellbar | ||||
| 43 | 986914 | |||
| Inbusstiftschraube M4x6 Since 3.1986 | ||||
| 45 | 985114 | 1.05 | 1.25 | |
| Keine Informationen verfügbar, nicht bestellbar | ||||
| 46 | 957561 | |||
| Kohlenkappe C6u/c7u u.a. H30pv/dh30pc/ H41mb/ G23 | ||||
| 47 | 945161 | 1.20 | 1.43 | |
| Kohlenbürsten (paar) H41mb | ||||
| 48 | 999043 | 4.50 | 5.36 | |
| Kohlekasten Zsb | ||||
| 49 | 958900 | 6.45 | 7.68 | |
| Kopfschraube M4x12 M.federring Selbstsichernd | ||||
| 50 | 987203 | 1.05 | 1.25 | |
| Schneidschraube D5x30 | ||||
| 51 | 957580 | 1.05 | 1.25 | |
| Ring | ||||
| 52 | 944525 | 1.05 | 1.25 | |
| Kugellager 6000 Vv, Cm9by, C8fse, G23ss | ||||
| 53 | 6000VV | 6.15 | 7.32 | |
| SLUITRING | ||||
| 54 | 953338 | 1.26 | 1.50 | |
| DICHTUNGSSPERR HD SCHRAUBE M5X12 | ||||
| 55 | 305568 | 1.05 | 1.25 | |
| Lagerkappe Cr17y | ||||
| 56 | 305569 | 2.25 | 2.68 | |
| Verbinder 50092 (10st) Div.typen (usa, Can), C8fs | ||||
| 57 | 959141 | 3.75 | 4.46 | |
| Verbinder 50091 (10st) Div.typen | ||||
| 58 | 959140 | 3.30 | 3.93 | |
| Nicht mehr lieferbar, kein Ersatz | ||||
| 59 | 985289 | |||
| Keine Informationen verfügbar, nicht bestellbar | ||||
| 60 | 307842 | |||
| Steuergerät (a) 220v-240v einschließlich 61,75,76 | ||||
| 60A | 319948 | 134.20 | 159.70 | |
| Drehzahlregler Cr17y | ||||
| 61 | 305699 | 23.93 | 28.47 | |
| Schneidschraube D5x25 M.flansch (schwarz), C8fshe | ||||
| 62 | 305558 | 1.04 | 1.23 | |
| Schneidschraube D4x12, Cm9uby For Sin,hkg,chn | ||||
| 63 | 305720 | 1.05 | 1.25 | |
| Keine Informationen verfügbar, nicht bestellbar | ||||
| 65 | 308100 | |||
| Schneidschraube D4x20 Mit Flansch (schwarz), C8fs | ||||
| 66 | 301653 | 1.04 | 1.23 | |
| Schalter | ||||
| 67 | 953178 | 37.95 | 45.16 | |
| Schalter | ||||
| 67 | 960280Z | 21.31 | 25.36 | |
| Keine Informationen verfügbar, nicht bestellbar | ||||
| 68 | 984750 | |||
| Kabelklemme Div.typen, Cm9uby, G23ss | ||||
| 69 | 960266 | 1.04 | 1.23 | |
| Kanalhülse für Kabel (d) Div.typen, Cm9uby, G23ss | ||||
| 70 | 981373 | 1.05 | 1.25 | |
| Kabelknickschutz D10.7 Div.typen, Cm9by, H41mb, G | ||||
| 71 | 940778 | 2.10 | 2.50 | |
| Kabelknickschutz D8.2 Div.typen H41mb, G23ss | ||||
| 71 | 958049 | 1.04 | 1.23 | |
| Keine Informationen verfügbar, nicht bestellbar | ||||
| 72 | 500234Z | |||
| Keine Informationen verfügbar, nicht bestellbar | ||||
| 73 | 305557 | |||
| Keine Informationen verfügbar, nicht bestellbar | ||||
| 74 | 307770 | |||
| Kondensator Div.typen | ||||
| 75 | 994273 | 4.29 | 5.10 | |
| Kanalhülse für Kabel (d) Div.typen, Cm9uby, G23ss | ||||
| 76 | 981373 | 1.05 | 1.25 | |
| Keine Informationen verfügbar, nicht bestellbar | ||||
| 501 | 306980 | |||
| Keine Informationen verfügbar, nicht bestellbar | ||||
| 503 | 305587 | |||
| Keine Informationen verfügbar, nicht bestellbar | ||||
| 504 | 305589 | |||
| ROL PIN D4 X10 (10 STUKS) | ||||
| 505 | 949869 | 2.10 | 2.50 | |
| Keine Informationen verfügbar, nicht bestellbar | ||||
| 506 | 305591 | |||
| Nadelrolle D5x19,8 Cr17y/cj65v2/ Cj65va2/cj110v/c | ||||
| 507 | 305592 | 1.04 | 1.23 | |
| Keine Informationen verfügbar, nicht bestellbar | ||||
| 509 | 305594 | |||
| Keine Informationen verfügbar, nicht bestellbar | ||||
| 510 | 305593 | |||
| Distanzbuchse | ||||
| 511 | 990561 | 1.95 | 2.32 | |
| Keine Informationen verfügbar, nicht bestellbar | ||||
| 512 | 305590 | |||
| Keine Informationen verfügbar, nicht bestellbar | ||||
| 513 | 944458 | |||
| Keine Informationen verfügbar, nicht bestellbar | ||||
| 601 | 305587 | |||
| Keine Informationen verfügbar, nicht bestellbar | ||||
| 602 | 305588 | |||
| Keine Informationen verfügbar, nicht bestellbar | ||||
| 603 | 305589 | |||
| Keine Informationen verfügbar, nicht bestellbar | ||||
| 604 | 305590 | |||
| Keine Informationen verfügbar, nicht bestellbar | ||||
| 605 | 305591 | |||
| Distanzbuchse | ||||
| 606 | 990561 | 1.95 | 2.32 | |
| Nadelrolle D5x19,8 Cr17y/cj65v2/ Cj65va2/cj110v/c | ||||
| 607 | 305592 | 1.04 | 1.23 | |
| Keine Informationen verfügbar, nicht bestellbar | ||||
| 608 | 305593 | |||
| Keine Informationen verfügbar, nicht bestellbar | ||||
| 609 | 305594 | |||
| ROL PIN D4 X10 (10 STUKS) | ||||
| 610 | 949869 | 2.10 | 2.50 | |
| Klingenträger (a) für dünne Messer | ||||
| 611 | 305700 | 19.39 | 23.07 | |
| Keine Informationen verfügbar, nicht bestellbar | ||||
| 613 | 958182 | |||
| Keine Informationen verfügbar, nicht bestellbar | ||||
| 614 | 958183 | |||
| Keine Informationen verfügbar, nicht bestellbar | ||||
| 615 | 959611 | |||
| Keine Informationen verfügbar, nicht bestellbar | ||||
| 616 | 958185 | |||
| Keine Informationen verfügbar, nicht bestellbar | ||||
| 617 | 958186 | |||
| Keine Informationen verfügbar, nicht bestellbar | ||||
| 618 | 958187 | |||
| Keine Informationen verfügbar, nicht bestellbar | ||||
| 619 | 958188 | |||
| Keine Informationen verfügbar, nicht bestellbar | ||||
| 620 | 996427 | |||
| Keine Informationen verfügbar, nicht bestellbar | ||||
| 621 | 959799 | |||
| Keine Informationen verfügbar, nicht bestellbar | ||||
| 622 | 959800 | |||
| Keine Informationen verfügbar, nicht bestellbar | ||||
| 623A | 318614 | |||
| Keine Informationen verfügbar, nicht bestellbar | ||||
| 624A | 318613 | |||
| Keine Informationen verfügbar, nicht bestellbar | ||||
| 625 | 310314 | |||