Hier finden Sie alle verfügbaren Teile und Zeichnungen der 'Hikoki CS33EDT'. Von hier aus können Sie alle gewünschten Teile direkt bestellen. Viele Teile müssen je nach Marke beim Hersteller bestellt werden, dies dauert ein bis vier Wochen. Alle Informationen, die wir haben, befinden sich auf unserer Website. Wir können Sie nicht beraten, was Sie benötigen. Dazu müssen Sie die Maschine zur Reparatur zurücksenden. Bitte beachten Sie bei der Bestellung Folgendes:
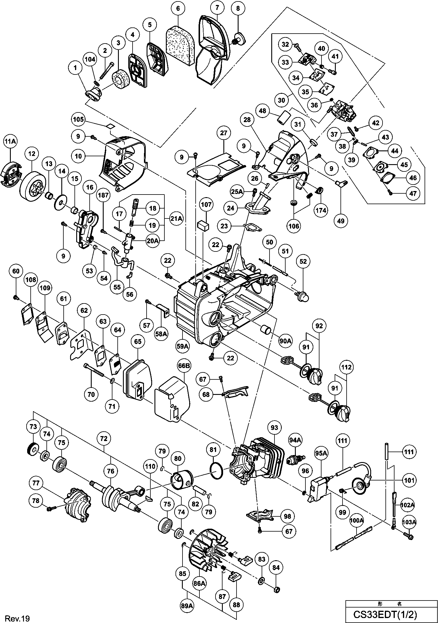
Zeichnungen der Hikoki CS33EDT
Teileliste der Hikoki CS33EDT
| Pos. | Beschreibung | Preis ohne MwSt | Preis inkl. MwSt | |
| Die angegebenen Preise enthalten die Mehrwertsteuer | ||||
| Keine Informationen verfügbar, nicht bestellbar | ||||
| *148A | 6697854 | |||
| Keine Informationen verfügbar, nicht bestellbar | ||||
| *149 | 6696991 | |||
| Keine Informationen verfügbar, nicht bestellbar | ||||
| *501 | 6685439 | |||
| Luftfilter | ||||
| 1 | 6685225 | 1.15 | 1.37 | |
| Inbusschraube M5x45 (10st), Nr90aa | ||||
| 2 | 949824 | 3.90 | 4.64 | |
| Keine Informationen verfügbar, nicht bestellbar | ||||
| 3 | 6685229 | |||
| Filter Element | ||||
| 4 | 6685230 | 3.30 | 3.93 | |
| Filter Element | ||||
| 5 | 6685231 | 3.30 | 3.93 | |
| Filterschwamm | ||||
| 6 | 6696825 | 1.20 | 1.43 | |
| Filterabdeckung | ||||
| 7 | 6696785 | 4.20 | 5.00 | |
| Reinigerknopf | ||||
| 8 | 6696786 | 1.20 | 1.43 | |
| Schneidschraube D4x16 Mit Flansch (schwarz), Cm9b | ||||
| 9 | 305812 | 1.04 | 1.23 | |
| Schalldämpferabdeckung | ||||
| 10 | 6696821 | 7.95 | 9.46 | |
| Keine Informationen verfügbar, nicht bestellbar | ||||
| 11A | 6600316 | |||
| KUPPLUNGSGEHAEUSE | ||||
| 12 | 6698856 | 14.25 | 16.96 | |
| Nadellager | ||||
| 13 | 6685361 | 4.05 | 4.82 | |
| Ring | ||||
| 14 | 6685414 | 1.05 | 1.25 | |
| Nicht mehr lieferbar, kein Ersatz | ||||
| 15 | 6685360 | |||
| Ölpumpendeckel | ||||
| 16A | 6699610 | 2.80 | 3.33 | |
| Nadelrolle | ||||
| 17 | 6685356 | 1.05 | 1.25 | |
| Pumpengetriebe | ||||
| 18 | 6685354 | 2.10 | 2.50 | |
| Pumpengetriebefeder | ||||
| 19 | 6685355 | 1.05 | 1.25 | |
| Pumpengehäuse (alt 6685353) | ||||
| 20A | 6699119 | 7.50 | 8.92 | |
| Pumpenbaugruppe (alt 6696788) | ||||
| 21A | 6699120 | 9.30 | 11.07 | |
| Kopfschraubenbolzen | ||||
| 22 | 6685136 | 1.15 | 1.37 | |
| Keine Informationen verfügbar, nicht bestellbar | ||||
| 23 | 6698849 | |||
| Ansaugung | ||||
| 24 | 6696794 | 4.20 | 5.00 | |
| Sechskantlochschraube M4 | ||||
| 25A | 6698792 | 1.20 | 1.43 | |
| Ansaugkrümmer | ||||
| 26 | 6685203 | 1.15 | 1.37 | |
| Motorhausabdeckung | ||||
| 27 | 6696812 | 3.15 | 3.75 | |
| Reinigerkörper | ||||
| 28 | 6696792 | 4.65 | 5.53 | |
| Vergaser Ass'y | ||||
| 30 | 6696795 | 83.60 | 99.48 | |
| Einlassabstandhalter | ||||
| 31 | 6698857 | 1.20 | 1.43 | |
| Schraube | ||||
| 32 | 6685210 | 1.15 | 1.37 | |
| Keine Informationen verfügbar, nicht bestellbar | ||||
| 33 | 6685211 | |||
| Pumpendichtung | ||||
| 34 | 6685212 | 2.31 | 2.75 | |
| Pumpen Membrane | ||||
| 35 | 6685213 | 4.45 | 5.30 | |
| Schutzsieb Cg24ekb | ||||
| 36 | 6684700 | 4.29 | 5.10 | |
| Nadelventil alte Art.nr. 603-25012-20 | ||||
| 37 | 6685215 | 5.28 | 6.28 | |
| Ventilfeder | ||||
| 38 | 6685216 | 2.31 | 2.75 | |
| Kontrollhebel | ||||
| 39 | 6685217 | 3.30 | 3.93 | |
| Justierschraube | ||||
| 40 | 6685297 | 2.31 | 2.75 | |
| Justierschraube | ||||
| 41 | 6685298 | 2.31 | 2.75 | |
| Gelenkwellenset | ||||
| 42 | 6685218 | 2.31 | 2.75 | |
| Gelenkwelle | ||||
| 43 | 6685219 | 1.15 | 1.37 | |
| Nicht mehr lieferbar, kein Ersatz | ||||
| 44 | 6685220 | |||
| Nicht mehr lieferbar, kein Ersatz | ||||
| 45 | 6684690 | |||
| Membranabdeckung | ||||
| 46 | 6685222 | 4.45 | 5.30 | |
| Schraube | ||||
| 47 | 6685223 | 1.15 | 1.37 | |
| Idol Schwamm | ||||
| 48 | 6696793 | 1.20 | 1.43 | |
| Drosselklappenhebel | ||||
| 49 | 6685206 | 1.15 | 1.37 | |
| Schutzspule | ||||
| 50 | 6698699 | 1.20 | 1.43 | |
| Keine Informationen verfügbar, nicht bestellbar | ||||
| 51 | 6698850 | |||
| Hauptpumpe | ||||
| 52 | 6685139 | 5.94 | 7.07 | |
| Keine Informationen verfügbar, nicht bestellbar | ||||
| 53 | 6685371 | |||
| Entlüftungsventil | ||||
| 54 | 6685370 | 2.10 | 2.50 | |
| Ölleitung | ||||
| 55 | 6696811 | 2.10 | 2.50 | |
| Rohrverbindung | ||||
| 56 | 6685358 | 1.05 | 1.25 | |
| Flanschblechschraube D5x15 | ||||
| 57 | 6698456 | 1.05 | 1.25 | |
| Kettenfänger | ||||
| 58A | 6699950 | 1.04 | 1.23 | |
| Motorgehäuse | ||||
| 59A | 6696807 | 34.24 | 40.74 | |
| Kopfschraube M4x12 M.u-scheibe (schwarz), C 8fshe | ||||
| 60 | 935196 | 1.04 | 1.23 | |
| Auspuffrohr | ||||
| 61 | 6696816 | 1.20 | 1.43 | |
| Spezielle Dämpferverpackung | ||||
| 62 | 6696818 | 1.20 | 1.43 | |
| Gitter-Fixierplatte | ||||
| 63 | 6696817 | 1.20 | 1.43 | |
| Auslassgitter | ||||
| 64 | 6696815 | 1.20 | 1.43 | |
| SCHALLD MPFER | ||||
| 65 | 6696814 | 8.40 | 10.00 | |
| Keine Informationen verfügbar, nicht bestellbar | ||||
| 66B | 6600445 | |||
| Inbusschraube M4x10 (10st) Till 12.2017 | ||||
| 67 | 949812 | 2.40 | 2.86 | |
| Keine Informationen verfügbar, nicht bestellbar | ||||
| 68 | 6696766 | |||
| Keine Informationen verfügbar, nicht bestellbar | ||||
| 70 | 6696819 | |||
| Unterlegscheibe M6 (10st), C 8fshe, C8fse, Cg18dl | ||||
| 71 | 949432 | 1.05 | 1.25 | |
| Kurbelseil Includ.63-66 | ||||
| 72 | 6698853 | 66.55 | 79.19 | |
| Schneckengetriebe | ||||
| 73 | 6685330 | 4.50 | 5.36 | |
| Ölsieb | ||||
| 74 | 6685329 | 2.10 | 2.50 | |
| Kugellager | ||||
| 75 | 6685328 | 3.00 | 3.57 | |
| Keine Informationen verfügbar, nicht bestellbar | ||||
| 76 | 6696762 | |||
| Kurbelgehäuse | ||||
| 77 | 6696767 | 5.70 | 6.78 | |
| Keine Informationen verfügbar, nicht bestellbar | ||||
| 78 | 6698386 | |||
| Sicherungsring | ||||
| 79 | 6685326 | 1.05 | 1.25 | |
| Kolben | ||||
| 80 | 6698806 | 13.36 | 15.90 | |
| Kolbenring | ||||
| 81 | 6685331 | 4.05 | 4.82 | |
| Kolben Bolzen (alt 6685079) | ||||
| 82 | 6696764 | 1.20 | 1.43 | |
| Ring | ||||
| 83 | 6685103 | 1.15 | 1.37 | |
| Mutter f. Schwungrad | ||||
| 84 | 6685104 | 1.15 | 1.37 | |
| Sicherungsring | ||||
| 85 | 6685336 | 1.05 | 1.25 | |
| Magneto Rotor Comp. | ||||
| 86A | 6600053 | 8.85 | 10.53 | |
| Startersperrfeder | ||||
| 87 | 6685335 | 1.05 | 1.25 | |
| Startersperre | ||||
| 88 | 6685334 | 1.05 | 1.25 | |
| Magneto Unterassemblage | ||||
| 89A | 6600090 | 36.71 | 43.69 | |
| innerer Tankdeckel | ||||
| 90A | 6685351 | 4.50 | 5.36 | |
| Tankkappen Verpackung | ||||
| 91 | 6685179 | 1.15 | 1.37 | |
| Keine Informationen verfügbar, nicht bestellbar | ||||
| 92 | 6698854 | |||
| Zylinder | ||||
| 93A | 6601440 | 44.55 | 53.01 | |
| Keine Informationen verfügbar, nicht bestellbar | ||||
| 94A | 6699320 | |||
| Zündspule | ||||
| 95A | 6699999 | 38.64 | 45.98 | |
| Nicht mehr lieferbar, kein Ersatz | ||||
| 96 | 6698700 | |||
| Keine Informationen verfügbar, nicht bestellbar | ||||
| 98 | 6696765 | |||
| Metallverschraubung des Steckerkappe (a) | ||||
| 99 | 6696772 | 1.20 | 1.43 | |
| Kabel (a) | ||||
| 100A | 6696787 | 1.20 | 1.43 | |
| SPARK PLUG CAP | ||||
| 101 | 6696771 | 1.98 | 2.36 | |
| Kabel (b) | ||||
| 102A | 6696791 | 1.20 | 1.43 | |
| Abzweigdosen Bolzen | ||||
| 103A | 6696326 | 1.20 | 1.43 | |
| Ring | ||||
| 104 | 6685226 | 1.15 | 1.37 | |
| Vorsichtsetikett (heiß) | ||||
| 105 | 6698864 | 1.20 | 1.43 | |
| TÜLLE | ||||
| 106 | 6698787 | 1.80 | 2.14 | |
| Schutzplatte | ||||
| 107 | 6698860 | 1.20 | 1.43 | |
| Verpackungsplatte | ||||
| 108 | 6698861 | 1.20 | 1.43 | |
| Spezielle Verpackungsdaemmung(s) | ||||
| 109 | 6698862 | 1.20 | 1.43 | |
| Scheibenfeder 3x13x4.5 alte Art.nr. 068-10100-20 | ||||
| 110 | 6684899 | 2.15 | 2.56 | |
| Keine Informationen verfügbar, nicht bestellbar | ||||
| 111 | 6698863 | |||
| Komplette Tankkappe | ||||
| 112 | 6698358 | 4.20 | 5.00 | |
| Zündspule Ass'y | ||||
| 113 | 6601441 | 32.59 | 38.78 | |
| Gewindeformschraube (mit Flansch) D5x40 | ||||
| 121A | 6699403 | 1.04 | 1.23 | |
| Keine Informationen verfügbar, nicht bestellbar | ||||
| 122 | 6698858 | |||
| Kragen 28.2 | ||||
| 123 | 6696800 | 2.10 | 2.50 | |
| Dämpfer | ||||
| 124 | 6696775 | 1.20 | 1.43 | |
| Hintere Griff | ||||
| 125 | 6696774 | 4.65 | 5.53 | |
| Gashebel | ||||
| 126A | 6685244 | 1.15 | 1.37 | |
| Drosseldraht Comp. | ||||
| 127 | 6696797 | 2.10 | 2.50 | |
| Keine Informationen verfügbar, nicht bestellbar | ||||
| 128 | 6696940 | |||
| Nicht mehr lieferbar, kein Ersatz | ||||
| 128A | 6601275 | |||
| NUT M6 | ||||
| 129 | 6698449 | 1.00 | 1.19 | |
| Drosselhebelfeder | ||||
| 130 | 6698691 | 1.20 | 1.43 | |
| Drosselklappendraht | ||||
| 131 | 6685242 | 1.15 | 1.37 | |
| Federhalter | ||||
| 132 | 6698409 | 2.10 | 2.50 | |
| Dämpferset | ||||
| 133 | 6698859 | 1.20 | 1.43 | |
| Anti-Vibrationsfeder | ||||
| 134 | 6698428 | 2.10 | 2.50 | |
| MUTTER M8 | ||||
| 136 | 6698581 | 1.20 | 1.43 | |
| Seitendeckel | ||||
| 137A | 6696776 | 10.65 | 12.67 | |
| Bremsstützplatte | ||||
| 138 | 6696782 | 4.20 | 5.00 | |
| Bremshebelfeder | ||||
| 139 | 6696783 | 1.20 | 1.43 | |
| Bremseisenabdeckung | ||||
| 140 | 6685388 | 4.05 | 4.82 | |
| Keine Informationen verfügbar, nicht bestellbar | ||||
| 141 | 6685140 | |||
| Nadelrolle | ||||
| 142 | 6685391 | 1.05 | 1.25 | |
| Bremsfeder | ||||
| 143 | 6685389 | 1.05 | 1.25 | |
| Nicht mehr lieferbar, kein Ersatz | ||||
| 144A | 6698986 | |||
| Führungsplatte (b) (alt 6685157) | ||||
| 145 | 6696784 | 2.10 | 2.50 | |
| Gewindeschraube D3 | ||||
| 146 | 696352 | 1.13 | 1.34 | |
| Schraube | ||||
| 147 | 958715 | 1.04 | 1.23 | |
| Keine Informationen verfügbar, nicht bestellbar | ||||
| 148A | 6697854 | |||
| Keine Informationen verfügbar, nicht bestellbar | ||||
| 149 | 6696991 | |||
| Kraftstoffleitung | ||||
| 150 | 6698715 | 9.75 | 11.60 | |
| Kraftstoffleitung (fkm) L240 | ||||
| 152 | 6698851 | 11.55 | 13.74 | |
| Kraftstoffleitung (fkm) L260 | ||||
| 154 | 6698852 | 12.05 | 14.34 | |
| Benzin Durchführung alte Art.nr. 701-72930-20 | ||||
| 155 | 6696167 | 1.15 | 1.37 | |
| Hintere Griff (a) | ||||
| 156 | 6696773 | 4.20 | 5.00 | |
| Keine Informationen verfügbar, nicht bestellbar | ||||
| 157A | 6600026 | |||
| Nicht mehr lieferbar, kein Ersatz | ||||
| 158A | 6696798 | |||
| Bremshebel (alt 6696778) | ||||
| 159 | 6698866 | 6.60 | 7.85 | |
| Bremseisenabdeckung | ||||
| 161 | 6696779 | 1.20 | 1.43 | |
| Pumpenfilter | ||||
| 162A | 6600351 | 2.70 | 3.21 | |
| Keine Informationen verfügbar, nicht bestellbar | ||||
| 163 | 6685311 | |||
| Ölfiltergehäuse | ||||
| 164 | 6685310 | 1.05 | 1.25 | |
| Keine Informationen verfügbar, nicht bestellbar | ||||
| 165 | 6696804 | |||
| Ring | ||||
| 166 | 6685407 | 1.05 | 1.25 | |
| Luftabweiser | ||||
| 167 | 6696790 | 2.10 | 2.50 | |
| Rückstoßstarter (s) | ||||
| 168B | 6699417 | 17.46 | 20.78 | |
| Schneidschraube D4x20 M.flansch (schwarz) Cg18dal | ||||
| 169 | 302086 | 1.05 | 1.25 | |
| Kabelisolationsschlauch | ||||
| 171 | 6698457 | 1.05 | 1.25 | |
| SPRING COVER | ||||
| 172 | 6698865 | 1.08 | 1.29 | |
| Kraftstoff Gummidichtung | ||||
| 173 | 6685308 | 1.05 | 1.25 | |
| Keine Informationen verfügbar, nicht bestellbar | ||||
| 174 | 6699404 | |||
| Schraube, nicht rost. Stahl | ||||
| 175 | 6699475 | 1.04 | 1.23 | |
| Keine Informationen verfügbar, nicht bestellbar | ||||
| 176 | 6699483 | |||
| Nicht mehr lieferbar, kein Ersatz | ||||
| 177 | 6699480 | |||
| Schraube, nicht rost. Stahl | ||||
| 178 | 6699476 | 1.04 | 1.23 | |
| Nicht mehr lieferbar, kein Ersatz | ||||
| 179 | 6699478 | |||
| Dämpferfeder | ||||
| 180 | 6699479 | 1.65 | 1.96 | |
| Rolle | ||||
| 181 | 6699484 | 2.40 | 2.86 | |
| Starterseil | ||||
| 182 | 6699469 | 1.04 | 1.23 | |
| Seilstopper | ||||
| 183 | 6699465 | 1.04 | 1.23 | |
| Starterknopf | ||||
| 184 | 6699467 | 1.95 | 2.32 | |
| Nicht mehr lieferbar, kein Ersatz | ||||
| 185 | 6699473 | |||
| Lüftergehäuse | ||||
| 186 | 6699490 | 10.35 | 12.32 | |
| Gewindeschneidschraube (mit Flansch) D4 | ||||
| 187 | 6699947 | 1.04 | 1.23 | |
| Keine Informationen verfügbar, nicht bestellbar | ||||
| 501 | 6685439 | |||
| Keine Informationen verfügbar, nicht bestellbar | ||||
| 502 | 6698582 | |||