Hier finden Sie alle verfügbaren Teile und Zeichnungen der 'Hikoki CS40Y'. Von hier aus können Sie alle gewünschten Teile direkt bestellen. Viele Teile müssen je nach Marke beim Hersteller bestellt werden, dies dauert ein bis vier Wochen. Alle Informationen, die wir haben, befinden sich auf unserer Website. Wir können Sie nicht beraten, was Sie benötigen. Dazu müssen Sie die Maschine zur Reparatur zurücksenden. Bitte beachten Sie bei der Bestellung Folgendes:
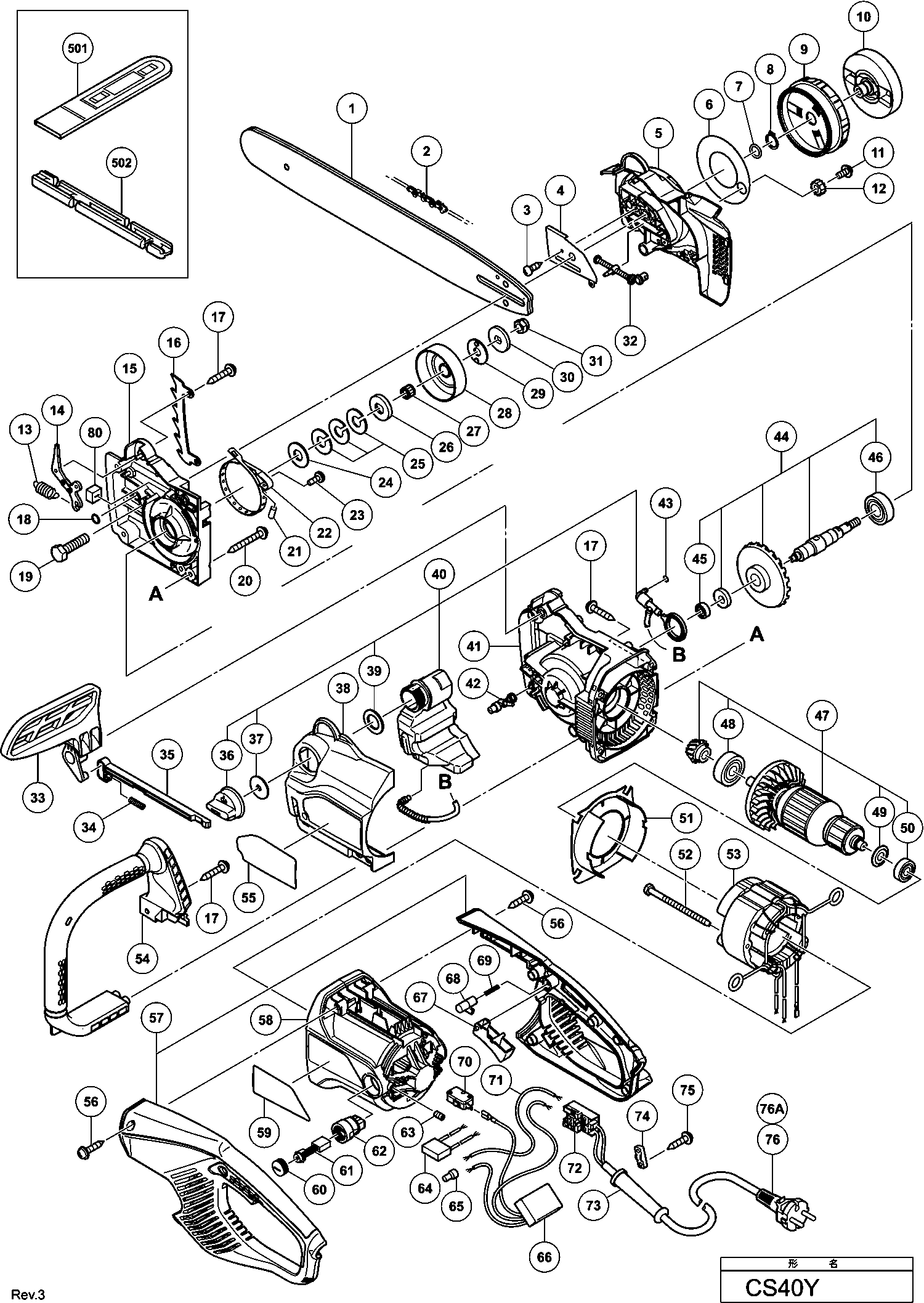
Zeichnungen der Hikoki CS40Y
Teileliste der Hikoki CS40Y
| Pos. | Beschreibung | Preis ohne MwSt | Preis inkl. MwSt | |
| Die angegebenen Preise enthalten die Mehrwertsteuer | ||||
| Anker und Ritzel Satz 220-230v | ||||
| *47 | 360957E | 55.69 | 66.27 | |
| Stator 220v-230v H90sa Includ.103 Für Nzl,saf | ||||
| *53 | 340864E | 37.81 | 45.00 | |
| Vorsichtsetikett | ||||
| *55 | 335466 | 1.05 | 1.25 | |
| Kohlenbürsten C10fch | ||||
| *61 | 999065 | 7.95 | 9.46 | |
| Controller 100v-127v | ||||
| *66 | 335454 | 31.63 | 37.63 | |
| Regler 200v-240v | ||||
| *66 | 335455 | 25.44 | 30.27 | |
| Kabelknickschutz D8.8 Div.typen, Cm5sb | ||||
| *73 | 380090 | 1.04 | 1.24 | |
| Kabelknickschutz D10.1 Div.typen, C8fshe, C8fse | ||||
| *73 | 938051 | 1.04 | 1.23 | |
| Schnur (hol) L5030 Für Rus | ||||
| *76A | 337723 | 13.80 | 16.42 | |
| Keine Informationen verfügbar, nicht bestellbar | ||||
| 1 | 6696992 | |||
| Keine Informationen verfügbar, nicht bestellbar | ||||
| 2 | 6697889 | |||
| Gewindeschraube D3 | ||||
| 3 | 696352 | 1.13 | 1.34 | |
| Führungsplatte | ||||
| 4 | 335471 | 1.04 | 1.23 | |
| Seitendeckel (r) | ||||
| 5 | 335470 | 1.04 | 1.23 | |
| Staubschutz | ||||
| 6 | 335688 | 1.04 | 1.23 | |
| O-ring (1ap12) Cr12v/cr24dv, C8fse | ||||
| 7 | 996407 | 1.05 | 1.25 | |
| Sicherungsring D14 (10st) | ||||
| 8 | 939543 | 2.55 | 3.03 | |
| Schaltnetzteil, C 8fshe | ||||
| 9 | 335150 | 2.40 | 2.86 | |
| Knopf | ||||
| 10 | 335151 | 6.75 | 8.03 | |
| Maschinenschraube M4x8 Selbsts. (schwarz) | ||||
| 11 | 315500 | 1.35 | 1.61 | |
| Getriebe | ||||
| 12 | 335152 | 1.35 | 1.61 | |
| Bremsfeder | ||||
| 13 | 6685389 | 1.05 | 1.25 | |
| Bremsverbindung | ||||
| 14 | 6698587 | 4.65 | 5.53 | |
| Innendeckel | ||||
| 15 | 335472 | 12.90 | 15.35 | |
| Spitzenleiste | ||||
| 16 | 335482 | 1.04 | 1.23 | |
| Schneidschraube D5x25 M.flansch (schwarz), C8fshe | ||||
| 17 | 305558 | 1.04 | 1.23 | |
| O-ring (s-6) C8fc | ||||
| 18 | 997218 | 1.05 | 1.25 | |
| Schraube M8x35 (10stk), C8fshe, C8fse | ||||
| 19 | 949678 | 2.55 | 3.03 | |
| Nicht mehr lieferbar, kein Ersatz | ||||
| 20 | 325336 | |||
| Nadelrolle | ||||
| 21 | 6685391 | 1.05 | 1.25 | |
| Bremsband | ||||
| 22 | 6685390 | 4.05 | 4.82 | |
| Kopfschraube M4x12 M.u-scheibe (schwarz), C 8fshe | ||||
| 23 | 935196 | 1.04 | 1.23 | |
| Unterlegscheibe (e) | ||||
| 24 | 335484 | 1.04 | 1.23 | |
| Federscheibe | ||||
| 25 | 335485 | 1.04 | 1.23 | |
| Scheibe (b) Ds9dva/ds12dva/ds14dv Ds14dva/ds14dvb | ||||
| 26 | 335486 | 3.15 | 3.75 | |
| Nadellager | ||||
| 27 | 6685361 | 4.05 | 4.82 | |
| Kupplungsgehäuse | ||||
| 28 | 6685403 | 10.20 | 12.14 | |
| Unterlegscheibe (C) | ||||
| 29 | 335487 | 1.04 | 1.23 | |
| Unterlegscheibe (d) | ||||
| 30 | 335488 | 1.60 | 1.90 | |
| Keine Informationen verfügbar, nicht bestellbar | ||||
| 31 | 975348 | |||
| Kettenzieher | ||||
| 32 | 335966 | 6.15 | 7.32 | |
| Bremsgriff | ||||
| 33 | 335479 | 2.70 | 3.21 | |
| Feder (c) | ||||
| 34 | 335483 | 1.04 | 1.23 | |
| Zugstange | ||||
| 35 | 335480 | 1.04 | 1.23 | |
| Tankdeckel | ||||
| 36 | 335144 | 1.04 | 1.23 | |
| Tankdeckeldichtung | ||||
| 37 | 335691 | 1.04 | 1.23 | |
| Seitenabdeckung (l) | ||||
| 38 | 335477 | 4.05 | 4.82 | |
| Dichtung | ||||
| 39 | 335490 | 1.04 | 1.23 | |
| Ölpumpe | ||||
| 40 | 335474 | 10.35 | 12.32 | |
| Getriebegehaeuse | ||||
| 41 | 335476 | 10.65 | 12.67 | |
| Einstellbolzen | ||||
| 42 | 335967 | 3.30 | 3.93 | |
| O-RING (S-4) | ||||
| 43 | 981317 | 1.05 | 1.25 | |
| Spindelgetriebe Ass'y Inkl.45,46 | ||||
| 44 | 335473 | 18.43 | 21.93 | |
| Spindelgetriebe Ass'y Inkl.45,46 | ||||
| 44A | 371353 | 21.86 | 26.02 | |
| Kugellager 606zzm, C8fse | ||||
| 45 | 606ZZM | 15.40 | 18.33 | |
| Kugellager 6202 Vv | ||||
| 46 | 6202VV | 7.05 | 8.39 | |
| Anker und Ritzel Satz 220-230v | ||||
| 47 | 360957E | 55.69 | 66.27 | |
| Kugellager 6301vv, Cm9uby, G23ss | ||||
| 48 | 6301VV | 8.55 | 10.17 | |
| Ring | ||||
| 49 | 302428 | 1.04 | 1.23 | |
| Kugellager 6000 Vv, Cm9by, C8fse, G23ss | ||||
| 50 | 6000VV | 6.15 | 7.32 | |
| Lüfterführung | ||||
| 51 | 335481 | 1.04 | 1.23 | |
| Sechskantschneidschraube D5x50 | ||||
| 52 | 953121 | 1.04 | 1.23 | |
| Stator 220v-230v H90sa Includ.103 Für Nzl,saf | ||||
| 53 | 340864E | 37.81 | 45.00 | |
| Bügelgriff | ||||
| 54 | 335478 | 11.55 | 13.74 | |
| Vorsichtsetikett | ||||
| 55 | 335466 | 1.05 | 1.25 | |
| Keine Informationen verfügbar, nicht bestellbar | ||||
| 56 | 307811 | |||
| Griffabdeckung | ||||
| 57 | 335475 | 15.40 | 18.33 | |
| Griffabdeckung | ||||
| 57A | 335475 | 15.40 | 18.33 | |
| Gehaeuse | ||||
| 58 | 335469 | 14.55 | 17.31 | |
| Kohlenkappe C6u/c7u u.a. H30pv/dh30pc/ H41mb/ G23 | ||||
| 60 | 945161 | 1.20 | 1.43 | |
| Kohlenbürsten (paar) G23ss | ||||
| 61 | 999038 | 9.30 | 11.07 | |
| Kohlenbürsten C10fch | ||||
| 61 | 999065 | 7.95 | 9.46 | |
| Kohlenhalter Bm25y/p20sd/p50/ G23ss | ||||
| 62 | 938241 | 6.45 | 7.68 | |
| Inbusstiftschraube M5x8, C8fshe, C8fse, H41mb,g23 | ||||
| 63 | 938477 | 1.05 | 1.25 | |
| Geräuschunterdrückung | ||||
| 64 | 335462 | 1.04 | 1.23 | |
| Verbinder 50092 (10st) Div.typen (usa, Can), C8fs | ||||
| 65 | 959141 | 3.75 | 4.46 | |
| Controller 100v-127v | ||||
| 66 | 335454 | 31.63 | 37.63 | |
| Regler 200v-240v | ||||
| 66 | 335455 | 25.44 | 30.27 | |
| Schaltgriff | ||||
| 67 | 335463 | 1.04 | 1.23 | |
| Aussperrknopf | ||||
| 68 | 335464 | 1.04 | 1.23 | |
| Feder (a) Dh18vb | ||||
| 69 | 335465 | 1.04 | 1.23 | |
| Microschalter | ||||
| 70 | 335460 | 1.95 | 2.32 | |
| Keine Informationen verfügbar, nicht bestellbar | ||||
| 71 | 335461 | |||
| Schalter | ||||
| 72 | 335453 | 13.20 | 15.71 | |
| Kabelknickschutz D8.8 Div.typen, Cm5sb | ||||
| 73 | 380090 | 1.04 | 1.24 | |
| Kabelknickschutz D10.1 Div.typen, C8fshe, C8fse | ||||
| 73 | 938051 | 1.04 | 1.23 | |
| Kabelklemme Div.typen, C8fshe, Cm5sb, C8fse | ||||
| 74 | 937631 | 1.04 | 1.23 | |
| Keine Informationen verfügbar, nicht bestellbar | ||||
| 75 | 984750 | |||
| Keine Informationen verfügbar, nicht bestellbar | ||||
| 76 | 336381 | |||
| Schnur (hol) L5030 Für Rus | ||||
| 76A | 337723 | 13.80 | 16.42 | |
| Schnur (hol) | ||||
| 76A | 337722 | 3.00 | 3.57 | |
| Keine Informationen verfügbar, nicht bestellbar | ||||
| 501 | 6699115 | |||
| Keine Informationen verfügbar, nicht bestellbar | ||||
| 501A | 6685440 | |||
| Steckerclip außer für Rus | ||||
| 502 | 309686 | 4.05 | 4.82 | |