Hier finden Sie alle verfügbaren Teile und Zeichnungen der 'Hikoki CV14DBL'. Von hier aus können Sie alle gewünschten Teile direkt bestellen. Viele Teile müssen je nach Marke beim Hersteller bestellt werden, dies dauert ein bis vier Wochen. Alle Informationen, die wir haben, befinden sich auf unserer Website. Wir können Sie nicht beraten, was Sie benötigen. Dazu müssen Sie die Maschine zur Reparatur zurücksenden. Bitte beachten Sie bei der Bestellung Folgendes:
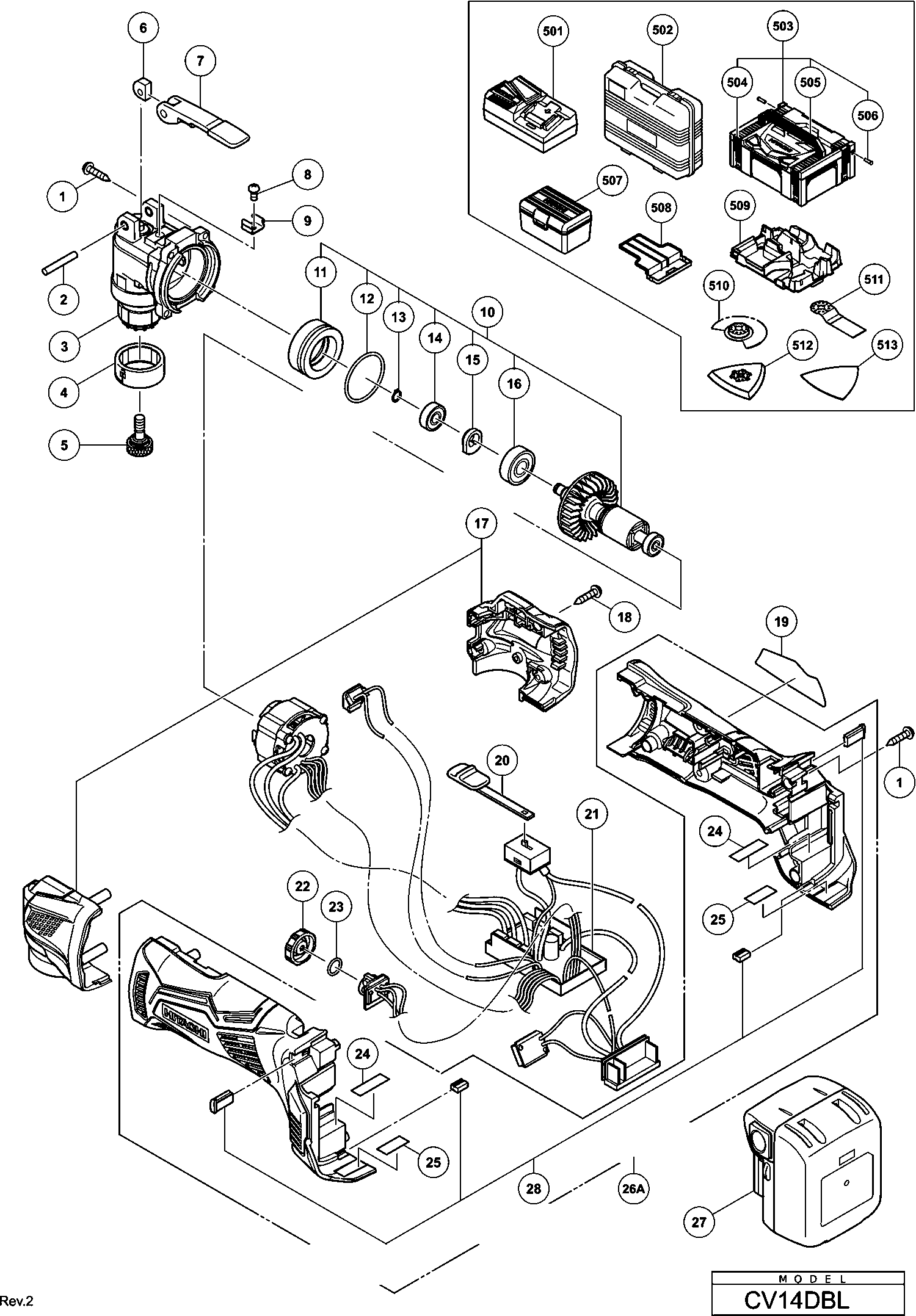
Zeichnungen der Hikoki CV14DBL
Teileliste der Hikoki CV14DBL
| Pos. | Beschreibung | Preis ohne MwSt | Preis inkl. MwSt | |
| Die angegebenen Preise enthalten die Mehrwertsteuer | ||||
| Schneidschraube D4x20 Mit Flansch (schwarz), C8fs | ||||
| 1 | 301653 | 1.04 | 1.23 | |
| Nadelrolle Wr14dh | ||||
| 2 | 337668 | 1.04 | 1.23 | |
| Kopfgehäuse | ||||
| 3 | 338437 | 105.74 | 125.83 | |
| Hülsenkappe | ||||
| 4 | 337665 | 1.05 | 1.25 | |
| Keine Informationen verfügbar, nicht bestellbar | ||||
| 5 | 337671 | |||
| WERKZEUGWELLE (ALT 337671) | ||||
| 5A | 375113 | 3.45 | 4.11 | |
| Drückstück | ||||
| 6 | 337667 | 1.04 | 1.23 | |
| Keine Informationen verfügbar, nicht bestellbar | ||||
| 7 | 337666 | |||
| Hebelset Inkl.45 | ||||
| 7A | 370673 | 3.60 | 4.28 | |
| Dichtungsschraube M4x6 | ||||
| 8 | 337670 | 1.04 | 1.23 | |
| Hebelanleitung | ||||
| 9 | 337669 | 1.04 | 1.23 | |
| Rotorbaugruppe Inkl.23 | ||||
| 10 | 337398 | 68.61 | 81.65 | |
| Lagerschale | ||||
| 11 | 337663 | 3.75 | 4.46 | |
| O-Ring (s-35) | ||||
| 12 | 337664 | 1.04 | 1.23 | |
| Sicherungsring D7 Fcj55v/fcj65v | ||||
| 13 | 994251 | 1.05 | 1.25 | |
| Kugellager-r 607dd | ||||
| 14 | 337674 | 2.85 | 3.39 | |
| Ausgleicher | ||||
| 15 | 337402 | 1.04 | 1.23 | |
| Kugellager 6000 Vv, Cm9by, C8fse, G23ss | ||||
| 16 | 6000VV | 6.15 | 7.32 | |
| Kopfabdeckungsset (a+b) | ||||
| 17 | 337395 | 5.10 | 6.07 | |
| Schneidschraube D3x16 Mit Flansch (schwarz) Dv18d | ||||
| 18 | 313687 | 1.04 | 1.23 | |
| Schalterknopf | ||||
| 20 | 337396 | 1.05 | 1.25 | |
| Verkabelung inkl. 37,40,50 bis 6.2012 außer F | ||||
| 21 | 337401 | 159.23 | 189.48 | |
| Zifferblatt | ||||
| 22 | 337397 | 1.50 | 1.78 | |
| O-ring (s-10) D6sh | ||||
| 23 | 987105 | 1.05 | 1.25 | |
| Gummikissen | ||||
| 24 | 338435 | 1.04 | 1.23 | |
| Gummipuffer (b) | ||||
| 25 | 338434 | 1.04 | 1.23 | |
| Gummipuffer (b) | ||||
| 25A | 376695 | 1.04 | 1.23 | |
| Keine Informationen verfügbar, nicht bestellbar | ||||
| 26 | 338433 | |||
| Gehäuse (a)+(b) Satz Inkl.24,25,28 | ||||
| 26A | 339255 | 14.03 | 16.69 | |
| Gehäuse (a)+(b) Satz Inkl.24,25,28 | ||||
| 26D | 339255 | 14.03 | 16.69 | |
| Keine Informationen verfügbar, nicht bestellbar | ||||
| 27 | 335786 | |||
| Keine Informationen verfügbar, nicht bestellbar | ||||
| 27A | 338887 | |||
| Keine Informationen verfügbar, nicht bestellbar | ||||
| 27B | 334418 | |||
| Stoßstangensatz | ||||
| 28 | 339256 | 2.40 | 2.86 | |
| Huelse (1) | ||||
| 29 | 370674 | 1.65 | 1.96 | |
| Keine Informationen verfügbar, nicht bestellbar | ||||
| 502 | 337684 | |||
| Keine Informationen verfügbar, nicht bestellbar | ||||
| 503 | 336471 | |||
| Keine Informationen verfügbar, nicht bestellbar | ||||
| 504 | 336472 | |||
| Keine Informationen verfügbar, nicht bestellbar | ||||
| 505 | 336473 | |||
| Keine Informationen verfügbar, nicht bestellbar | ||||
| 506 | 336474 | |||
| Keine Informationen verfügbar, nicht bestellbar | ||||
| 507 | 337685 | |||
| Abdeckkappe für Batterie | ||||
| 508 | 329897 | 1.80 | 2.14 | |
| Keine Informationen verfügbar, nicht bestellbar | ||||
| 509 | 337937 | |||
| Keine Informationen verfügbar, nicht bestellbar | ||||
| 510 | 335868 | |||
| Keine Informationen verfügbar, nicht bestellbar | ||||
| 511 | 335881 | |||
| Keine Informationen verfügbar, nicht bestellbar | ||||
| 512 | 335903 | |||
| Keine Informationen verfügbar, nicht bestellbar | ||||
| 513 | 338257 | |||
| Keine Informationen verfügbar, nicht bestellbar | ||||
| 601 | 335873 | |||
| Keine Informationen verfügbar, nicht bestellbar | ||||
| 602 | 335872 | |||
| Keine Informationen verfügbar, nicht bestellbar | ||||
| 603 | 335871 | |||
| Keine Informationen verfügbar, nicht bestellbar | ||||
| 604 | 335870 | |||
| Keine Informationen verfügbar, nicht bestellbar | ||||
| 605 | 335875 | |||
| Keine Informationen verfügbar, nicht bestellbar | ||||
| 606 | 335876 | |||
| Keine Informationen verfügbar, nicht bestellbar | ||||
| 607 | 335878 | |||
| Keine Informationen verfügbar, nicht bestellbar | ||||
| 608 | 335880 | |||
| Keine Informationen verfügbar, nicht bestellbar | ||||
| 609 | 335879 | |||
| Keine Informationen verfügbar, nicht bestellbar | ||||
| 610 | 335882 | |||
| Keine Informationen verfügbar, nicht bestellbar | ||||
| 611 | 335869 | |||
| Keine Informationen verfügbar, nicht bestellbar | ||||
| 612 | 335885 | |||
| Keine Informationen verfügbar, nicht bestellbar | ||||
| 613 | 335884 | |||
| Keine Informationen verfügbar, nicht bestellbar | ||||
| 614 | 335883 | |||
| Keine Informationen verfügbar, nicht bestellbar | ||||
| 615 | 335887 | |||
| Keine Informationen verfügbar, nicht bestellbar | ||||
| 616 | 335886 | |||
| Keine Informationen verfügbar, nicht bestellbar | ||||
| 617 | 335889 | |||
| Keine Informationen verfügbar, nicht bestellbar | ||||
| 618 | 335888 | |||
| Keine Informationen verfügbar, nicht bestellbar | ||||
| 619 | 335896 | |||
| Keine Informationen verfügbar, nicht bestellbar | ||||
| 620 | 335898 | |||
| Keine Informationen verfügbar, nicht bestellbar | ||||
| 621 | 335893 | |||
| Keine Informationen verfügbar, nicht bestellbar | ||||
| 622 | 335892 | |||
| Keine Informationen verfügbar, nicht bestellbar | ||||
| 623 | 335901 | |||
| Keine Informationen verfügbar, nicht bestellbar | ||||
| 624 | 335902 | |||
| Keine Informationen verfügbar, nicht bestellbar | ||||
| 625 | 335900 | |||
| Keine Informationen verfügbar, nicht bestellbar | ||||
| 626 | 335897 | |||
| Keine Informationen verfügbar, nicht bestellbar | ||||
| 627 | 335899 | |||
| Keine Informationen verfügbar, nicht bestellbar | ||||
| 628 | 335877 | |||
| Keine Informationen verfügbar, nicht bestellbar | ||||
| 629 | 335904 | |||
| Keine Informationen verfügbar, nicht bestellbar | ||||
| 630 | 335905 | |||
| Keine Informationen verfügbar, nicht bestellbar | ||||
| 631 | 335890 | |||
| Keine Informationen verfügbar, nicht bestellbar | ||||
| 632 | 335891 | |||
| Keine Informationen verfügbar, nicht bestellbar | ||||
| 633 | 335895 | |||
| Keine Informationen verfügbar, nicht bestellbar | ||||
| 634 | 335894 | |||
| Keine Informationen verfügbar, nicht bestellbar | ||||
| 635 | 323968 | |||
| Keine Informationen verfügbar, nicht bestellbar | ||||
| 636 | 323969 | |||
| Keine Informationen verfügbar, nicht bestellbar | ||||
| 637 | 323970 | |||
| Keine Informationen verfügbar, nicht bestellbar | ||||
| 638 | 338251 | |||
| Keine Informationen verfügbar, nicht bestellbar | ||||
| 639 | 338256 | |||
| Keine Informationen verfügbar, nicht bestellbar | ||||
| 640 | 338258 | |||
| Keine Informationen verfügbar, nicht bestellbar | ||||
| 641 | 337936 | |||
| Filz Verpackung (10 Stk.) | ||||
| 642 | 370534 | 9.30 | 11.07 | |