Hier finden Sie alle verfügbaren Teile und Zeichnungen der 'Hikoki D10VH'. Von hier aus können Sie alle gewünschten Teile direkt bestellen. Viele Teile müssen je nach Marke beim Hersteller bestellt werden, dies dauert ein bis vier Wochen. Alle Informationen, die wir haben, befinden sich auf unserer Website. Wir können Sie nicht beraten, was Sie benötigen. Dazu müssen Sie die Maschine zur Reparatur zurücksenden. Bitte beachten Sie bei der Bestellung Folgendes:
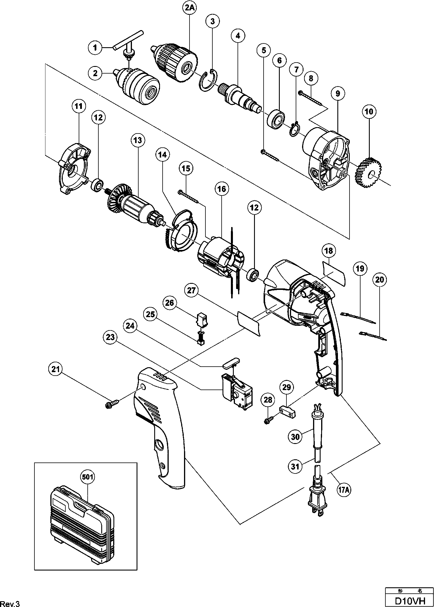
Zeichnungen der Hikoki D10VH
Teileliste der Hikoki D10VH
| Pos. | Beschreibung | Preis ohne MwSt | Preis inkl. MwSt | |
| Die angegebenen Preise enthalten die Mehrwertsteuer | ||||
| Keine Informationen verfügbar, nicht bestellbar | ||||
| 1 | 980057 | |||
| Keine Informationen verfügbar, nicht bestellbar | ||||
| 2 | 950292 | |||
| Keine Informationen verfügbar, nicht bestellbar | ||||
| 2A | 323250 | |||
| Sicherungsring D32 Innen | ||||
| 3 | 948001 | 1.20 | 1.43 | |
| Gelenkwelle (a) | ||||
| 4 | 321626 | 5.46 | 6.50 | |
| Schneidschraube D4x30 M.flansch (schwarz) | ||||
| 5 | 305490 | 1.04 | 1.23 | |
| Kugellager 6002 Vv C7mfa | ||||
| 6 | 6002VV | 7.35 | 8.75 | |
| Sicherungsring D15 (10st) | ||||
| 7 | 939544 | 2.13 | 2.53 | |
| Schneidschraube D4x45 M.flansch, Cm5sb | ||||
| 8 | 301815 | 1.05 | 1.25 | |
| Getriebedeckel D10vc2 | ||||
| 9 | 321625 | 9.98 | 11.87 | |
| Getriebe D10vc2 | ||||
| 10 | 321627 | 10.43 | 12.41 | |
| Innengehäuse D10vc2 | ||||
| 11 | 321624 | 6.15 | 7.32 | |
| Kugellager 608 Vvm, C8fshe, Cm5sb, C8fse, H41mb | ||||
| 12 | 608VVM | 5.70 | 6.78 | |
| Keine Informationen verfügbar, nicht bestellbar | ||||
| 13 | 360597U | |||
| Ventilatorführung D10vc2 | ||||
| 14 | 321623 | 1.50 | 1.78 | |
| SCHROEF D4X45 | ||||
| 15 | 991031 | 1.00 | 1.19 | |
| Keine Informationen verfügbar, nicht bestellbar | ||||
| 16 | 340548D | |||
| Gehäusegriff Abdeckungsset | ||||
| 17A | 331661 | 32.53 | 38.70 | |
| Innenkabel (braun) 100l Für Kuw,ina,sau,sin | ||||
| 19 | 321630 | 3.30 | 3.93 | |
| Innenkabel (blau) 55l Für Kuw,ina,sau,sin | ||||
| 20 | 321631 | 3.30 | 3.93 | |
| Schneidschraube D4x20 Mit Flansch (schwarz), C8fs | ||||
| 21 | 301653 | 1.04 | 1.23 | |
| Schalter D10vc2 | ||||
| 23 | 321632 | 29.29 | 34.85 | |
| Druckknopf D10vc2 | ||||
| 24 | 321628 | 1.65 | 1.96 | |
| Kohlenbürsten (paar)cj65v3 | ||||
| 25 | 999041 | 4.50 | 5.36 | |
| Kohlekasten Zsb | ||||
| 26 | 955203 | 2.40 | 2.86 | |
| Keine Informationen verfügbar, nicht bestellbar | ||||
| 28 | 984750 | |||
| Kabelklemme Div.typen, C8fshe, Cm5sb, C8fse | ||||
| 29 | 937631 | 1.04 | 1.23 | |
| Kabelknickschutz D8.8 Div.typen, Cm5sb | ||||
| 30 | 380090 | 1.04 | 1.24 | |
| Schnur | ||||
| 31 | 500240Z | 13.18 | 15.68 | |
| Keine Informationen verfügbar, nicht bestellbar | ||||
| 501 | 321635 | |||
| Keine Informationen verfügbar, nicht bestellbar | ||||
| 601 | 982593 | |||
| Keine Informationen verfügbar, nicht bestellbar | ||||
| 602 | 321612 | |||
| Seitengriff C13u/d13/dv24dv | ||||
| 603 | 981205 | 5.85 | 6.96 | |
| Keine Informationen verfügbar, nicht bestellbar | ||||
| 604 | 873929 | |||