Hier finden Sie alle verfügbaren Teile und Zeichnungen der 'Hikoki D10VJ'. Von hier aus können Sie alle gewünschten Teile direkt bestellen. Viele Teile müssen je nach Marke beim Hersteller bestellt werden, dies dauert ein bis vier Wochen. Alle Informationen, die wir haben, befinden sich auf unserer Website. Wir können Sie nicht beraten, was Sie benötigen. Dazu müssen Sie die Maschine zur Reparatur zurücksenden. Bitte beachten Sie bei der Bestellung Folgendes:
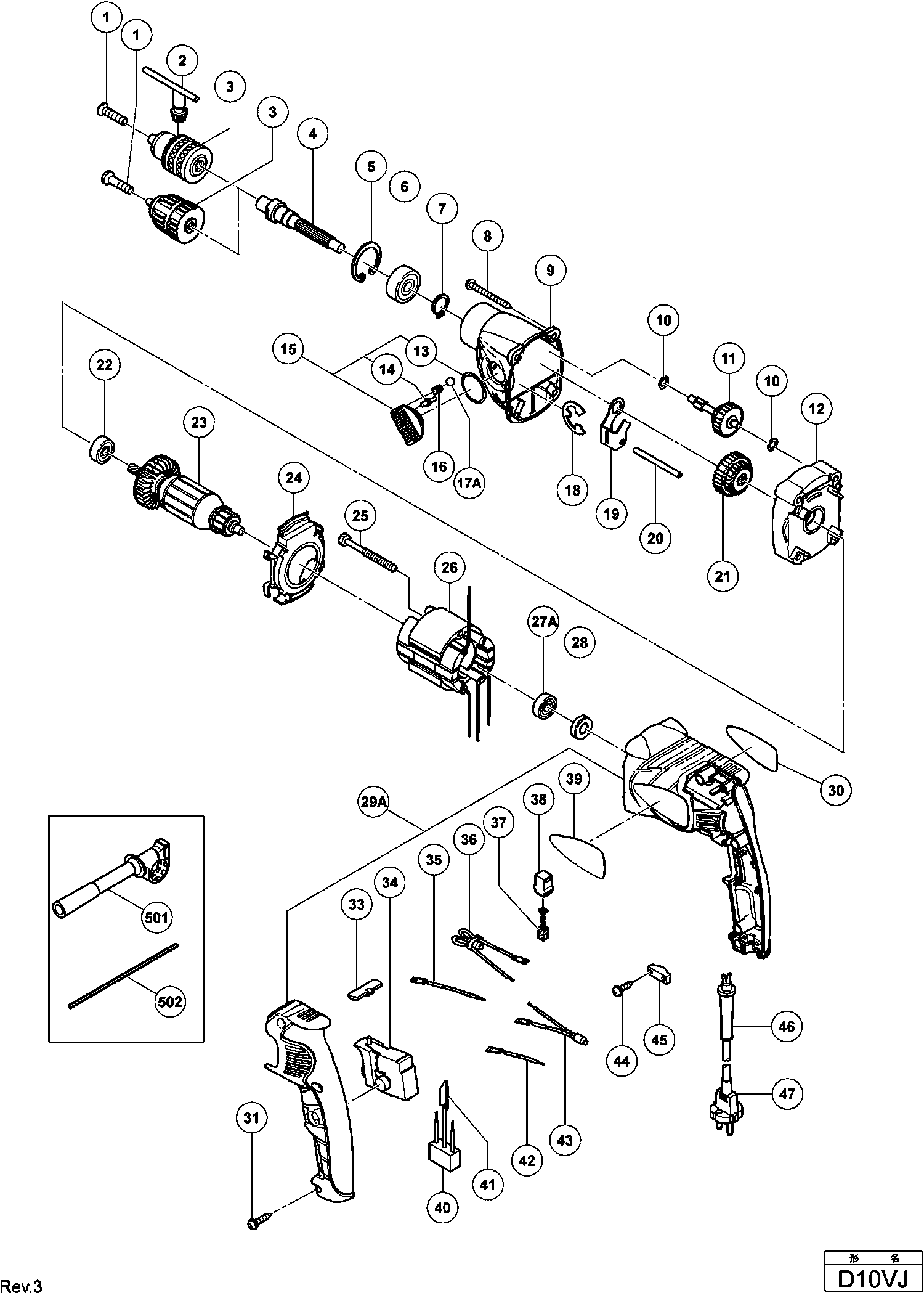
Zeichnungen der Hikoki D10VJ
Teileliste der Hikoki D10VJ
| Pos. | Beschreibung | Preis ohne MwSt | Preis inkl. MwSt | |
| Die angegebenen Preise enthalten die Mehrwertsteuer | ||||
| Linksgewindeschraube M6x23/ds18dv Ds9dva/ds10dv2/ | ||||
| 1 | 311959 | 1.50 | 1.78 | |
| Keine Informationen verfügbar, nicht bestellbar | ||||
| 2 | 987575 | |||
| Keine Informationen verfügbar, nicht bestellbar | ||||
| 3 | 322581 | |||
| Spindel (e) | ||||
| 4 | 323956 | 16.91 | 20.13 | |
| Sicherungsring D35 (innen) 10st | ||||
| 5 | 939556 | 10.20 | 12.14 | |
| Kugellager 6202 Dd | ||||
| 6 | 6202DD | 6.75 | 8.03 | |
| Sicherungsring D15 (10st) | ||||
| 7 | 939544 | 2.13 | 2.53 | |
| Schraube D5x45 | ||||
| 8 | 316321 | 1.65 | 1.96 | |
| Getriebegehäuse D13vb3 | ||||
| 9 | 323959 | 20.90 | 24.87 | |
| Unterlegscheibe (b) Dv18v | ||||
| 10 | 322852 | 1.05 | 1.25 | |
| Zweites Ritzel und Getriebe Set Dv18v | ||||
| 11 | 322858 | 23.51 | 27.98 | |
| Keine Informationen verfügbar, nicht bestellbar | ||||
| 12 | 323958 | |||
| O-ring (s-22) H30pv | ||||
| 13 | 306353 | 1.04 | 1.23 | |
| Schiebestift Dv18v | ||||
| 14 | 322848 | 1.05 | 1.25 | |
| Schiebehebel kpl. Dv18v | ||||
| 15 | 322847 | 3.00 | 3.57 | |
| Feder (h) Dh15d/dh20dv/dv20v1 u.a Dh20pb | ||||
| 16 | 981328 | 1.05 | 1.25 | |
| Stahlkugel D3.5 (10 Stk.) | ||||
| 17A | 335299 | 1.04 | 1.23 | |
| Sicherungsring (E-Typ) für D15 Welle | ||||
| 18 | 323048 | 1.35 | 1.61 | |
| Schiebearm Dv18v | ||||
| 19 | 322849 | 1.05 | 1.25 | |
| Pin D5 Dv18v | ||||
| 20 | 322860 | 1.05 | 1.25 | |
| Getriebe-set Dv18v | ||||
| 21 | 322846 | 20.90 | 24.87 | |
| Kugellager 608ddm | ||||
| 22 | 608DDM | 5.55 | 6.60 | |
| Anker 230v | ||||
| 23 | 360655E | 36.16 | 43.03 | |
| ANKER 110 VOLT | ||||
| 23 | 360655C | 33.77 | 40.19 | |
| Ventilatorführung Dv18v | ||||
| 24 | 322843 | 2.10 | 2.50 | |
| Sechskantschneidschraube D4x45 | ||||
| 25 | 981824 | 1.05 | 1.25 | |
| Stator 220v-230v Dv18v | ||||
| 26 | 340589E | 16.36 | 19.47 | |
| VELD 110 VOLT | ||||
| 26 | 340589C | 15.29 | 18.20 | |
| Keine Informationen verfügbar, nicht bestellbar | ||||
| 27A | 698VVC | |||
| Gummiring (1) | ||||
| 28 | 309929 | 1.04 | 1.23 | |
| Griff + Deckel (alt 322861+322862) | ||||
| 29A | 331663 | 44.00 | 52.36 | |
| Schneidschraube D4x20 Mit Flansch (schwarz), C8fs | ||||
| 31 | 301653 | 1.04 | 1.23 | |
| Druckknopf Dv18v | ||||
| 33 | 322853 | 1.05 | 1.25 | |
| Schalter | ||||
| 34 | 322854 | 20.90 | 24.87 | |
| Innenkabel (braun) 100l Für Kuw,ina,sau,sin | ||||
| 35 | 321630 | 3.30 | 3.93 | |
| Drosselspule Dv18v Except For Sin,usa,can | ||||
| 36 | 322517 | 7.65 | 9.10 | |
| SMOORSPOEL BRUIN 110 VOLT | ||||
| 36 | 322518 | 7.14 | 8.50 | |
| Kohlenbürsten (paar)cj65v3 | ||||
| 37 | 999041 | 4.50 | 5.36 | |
| Kohlekasten Zsb | ||||
| 38 | 955203 | 2.40 | 2.86 | |
| Kondensator Div.typen | ||||
| 40 | 994273 | 4.29 | 5.10 | |
| Erdklemme Dw15y/sv12v u.a. Cl10sa | ||||
| 41 | 992635 | 1.05 | 1.25 | |
| Innenkabel (blau) 55l Für Kuw,ina,sau,sin | ||||
| 42 | 321631 | 3.30 | 3.93 | |
| Funkentstoerdrossel | ||||
| 43 | 321634 | 6.15 | 7.32 | |
| SMOORSPOEL BLAUW 110 VOLT | ||||
| 43 | 322519 | 5.46 | 6.50 | |
| Keine Informationen verfügbar, nicht bestellbar | ||||
| 44 | 984750 | |||
| Kabelklemme Div.typen, C8fshe, Cm5sb, C8fse | ||||
| 45 | 937631 | 1.04 | 1.23 | |
| Keine Informationen verfügbar, nicht bestellbar | ||||
| 46 | 953327 | |||
| Anschlusskabel (cord Armor D8.8) For Pan | ||||
| 47 | 500447Z | 6.60 | 7.85 | |
| Seitengriff | ||||
| 501 | 323050 | 28.53 | 33.94 | |
| Keine Informationen verfügbar, nicht bestellbar | ||||
| 502 | 303709 | |||
| Keine Informationen verfügbar, nicht bestellbar | ||||
| 601 | 322370 | |||