Hier finden Sie alle verfügbaren Teile und Zeichnungen der 'Hikoki D13'. Von hier aus können Sie alle gewünschten Teile direkt bestellen. Viele Teile müssen je nach Marke beim Hersteller bestellt werden, dies dauert ein bis vier Wochen. Alle Informationen, die wir haben, befinden sich auf unserer Website. Wir können Sie nicht beraten, was Sie benötigen. Dazu müssen Sie die Maschine zur Reparatur zurücksenden. Bitte beachten Sie bei der Bestellung Folgendes:
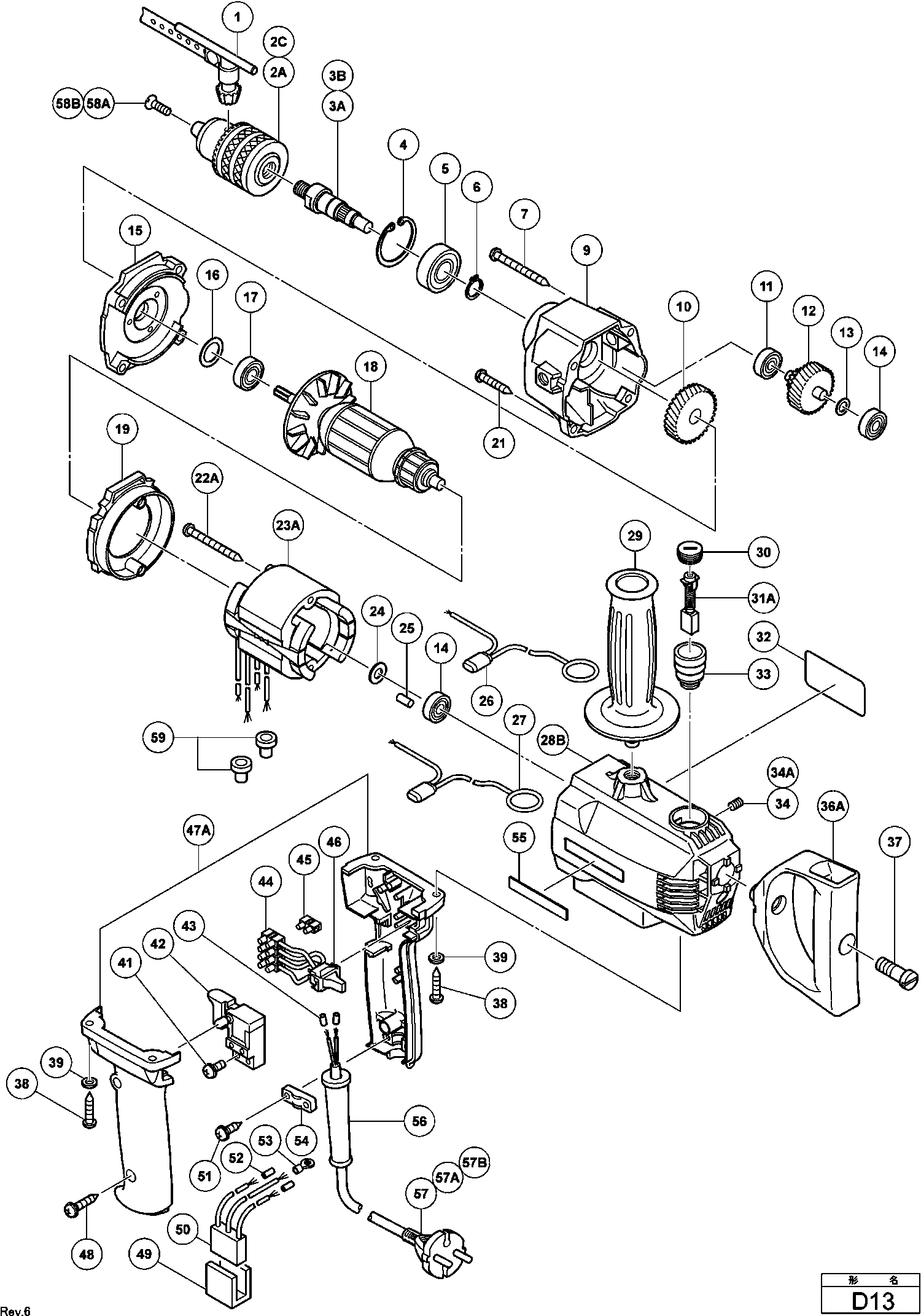
Zeichnungen der Hikoki D13
Teileliste der Hikoki D13
| Pos. | Beschreibung | Preis ohne MwSt | Preis inkl. MwSt | |
| Die angegebenen Preise enthalten die Mehrwertsteuer | ||||
| Keine Informationen verfügbar, nicht bestellbar | ||||
| 1 | 930515 | |||
| Keine Informationen verfügbar, nicht bestellbar | ||||
| 2A | 321810 | |||
| Keine Informationen verfügbar, nicht bestellbar | ||||
| 2C | 321814 | |||
| Gelenkwelle (a) | ||||
| 3A | 981651Z | 19.39 | 23.07 | |
| Gelenkwelle (a) | ||||
| 3B | 981667 | 32.18 | 38.29 | |
| Sicherungsring D35 (innen) 10st | ||||
| 4 | 939556 | 10.20 | 12.14 | |
| Kugellager 6202 Vv | ||||
| 5 | 6202VV | 7.05 | 8.39 | |
| Sicherungsring D15 (10st) | ||||
| 6 | 939544 | 2.13 | 2.53 | |
| Schneidschraube D5x70 | ||||
| 7 | 957725 | 1.04 | 1.23 | |
| Zahnradabdeckung (Alt 981650Z) | ||||
| 9 | 981650 | 31.90 | 37.96 | |
| Endzahnrad D13/d13v | ||||
| 10 | 983448 | 16.09 | 19.14 | |
| Kugellager 627 Vvm | ||||
| 11 | 627VVM | 5.55 | 6.60 | |
| Zweites Ritzel D13 | ||||
| 12 | 981652Z | 19.11 | 22.74 | |
| Unterlegscheibe M8 (10st) | ||||
| 13 | 949426 | 1.05 | 1.25 | |
| Kugellager 608 Vvm, C8fshe, Cm5sb, C8fse, H41mb | ||||
| 14 | 608VVM | 5.70 | 6.78 | |
| Innendeckel D13 (inkl.pos.14,16,17) Includ.27-29 | ||||
| 15 | 982791 | 41.11 | 48.92 | |
| Ring | ||||
| 16 | 984357 | 1.05 | 1.25 | |
| Kugellager 609 Vvm | ||||
| 17 | 609VVM | 6.00 | 7.14 | |
| Anker 240v | ||||
| 18 | 981657F | 92.13 | 109.63 | |
| Anker 220-230 Volt | ||||
| 18 | 981657E | 91.16 | 108.48 | |
| Luftführung Cr10v/cr12v u.a. | ||||
| 19 | 981562 | 2.55 | 3.03 | |
| Schneidschraube D5x35 | ||||
| 21 | 931875 | 1.05 | 1.25 | |
| Schneidschraube D5x60 | ||||
| 22A | 991007 | 1.35 | 1.61 | |
| Stator 230v-240v D13 | ||||
| 23A | 982797F | 24.75 | 29.45 | |
| Unterlegscheibe (c) Dh24pb2 | ||||
| 24 | 984367 | 1.05 | 1.25 | |
| GUMMISTIFT (ALT 976441) | ||||
| 25 | 946362 | 1.05 | 1.25 | |
| Kohlenhalterklemme M.drossel D13 Sui,fra,ita,aus | ||||
| 26 | 982800Z | 9.60 | 11.42 | |
| Kohlebürste Terminal | ||||
| 26 | 982798Z | 2.40 | 2.86 | |
| Kohlenhalterklemme M.drossel D13 Sui,fra,ita,aus | ||||
| 27 | 982801Z | 10.20 | 12.14 | |
| Bürstenterminal | ||||
| 27 | 982799Z | 2.55 | 3.03 | |
| Keine Informationen verfügbar, nicht bestellbar | ||||
| 28A | 317447 | |||
| Gehaeuse | ||||
| 28B | 332082 | 32.31 | 38.45 | |
| Seitengriff C13u/d13/dv24dv | ||||
| 29 | 981205 | 5.85 | 6.96 | |
| Kohlenkappe C6u/cr12v u.a.. | ||||
| 30 | 961781 | 2.55 | 3.03 | |
| Kohlebürsten Selbstabsch.(paar) H41mb | ||||
| 31A | 999073 | 14.40 | 17.14 | |
| Kohlekasten Zsb | ||||
| 33 | 981586 | 6.45 | 7.68 | |
| Inbusschraube M5x6 Cm6/d13/u.a. Till 2.1986 | ||||
| 34 | 962782 | 1.04 | 1.23 | |
| Inbusstiftschraube M4x6 Since 3.1986 | ||||
| 34A | 985114 | 1.05 | 1.25 | |
| Griff | ||||
| 36A | 982794Z | 21.31 | 25.36 | |
| Spezialschraube M10 | ||||
| 37 | 982796Z | 2.40 | 2.86 | |
| Keine Informationen verfügbar, nicht bestellbar | ||||
| 38 | 937807 | |||
| Unterlegscheibe M5 (10st) | ||||
| 39 | 949424 | 1.05 | 1.25 | |
| Kopfschraube M3,5x5 M.u-scheibe | ||||
| 41 | 980060 | 1.05 | 1.25 | |
| Schalter | ||||
| 42 | 971667Z | 20.21 | 24.05 | |
| Schalter | ||||
| 42 | 957747 | 14.03 | 16.69 | |
| Schraubklemme (b) 4-reihig D13 For Usa,can | ||||
| 44 | 982804Z | 7.65 | 9.10 | |
| Schraubklemme (b) 1-reihig Till 10.1999 | ||||
| 45 | 982805Z | 2.55 | 3.03 | |
| R/l-schalter D13 Includ.44 | ||||
| 46 | 982802Z | 28.05 | 33.38 | |
| Griffset (alt 984360+984361) | ||||
| 47A | 331660 | 20.08 | 23.89 | |
| Schneidschraube D4x20 M.u-scheibe | ||||
| 48 | 982095 | 1.04 | 1.23 | |
| Gummi | ||||
| 49 | 930153 | 1.04 | 1.23 | |
| Kondensator Dh20v/d13/say150a For Nzl,saf | ||||
| 50 | 971828 | 7.05 | 8.39 | |
| Kondensator Div.typen | ||||
| 50 | 994273 | 4.29 | 5.10 | |
| Keine Informationen verfügbar, nicht bestellbar | ||||
| 51 | 930446 | |||
| Kanalhülse für Kabel (d) Div.typen, Cm9uby, G23ss | ||||
| 52 | 981373 | 1.05 | 1.25 | |
| Kabelschuh 50061 (10st) For Nzl | ||||
| 53 | 959146 | 4.50 | 5.36 | |
| Klemme Cm6/cs35b/d13/u.a. Except For Usa,can,ven, | ||||
| 53 | 961419Z | 1.04 | 1.23 | |
| Kabelklemme Div.typen, Cm9uby, G23ss | ||||
| 54 | 960266 | 1.04 | 1.23 | |
| Keine Informationen verfügbar, nicht bestellbar | ||||
| 55 | 957561 | |||
| Kabelknickschutz D8.8 Div.typen, Cm5sb | ||||
| 56 | 380090 | 1.04 | 1.24 | |
| Kabelknickschutz D10.1 Div.typen, C8fshe, C8fse | ||||
| 56 | 938051 | 1.04 | 1.23 | |
| Kabel | ||||
| 57 | 930051 | 14.30 | 17.02 | |
| Schnur | ||||
| 57 | 500240Z | 13.18 | 15.68 | |
| Anschlusskabel (cord Armor D8.8) For Pan | ||||
| 57 | 500447Z | 6.60 | 7.85 | |
| SNOER 10.7 (USE 714500=2X1 5M) | ||||
| 57 | 500247Z | 6.18 | 7.35 | |
| SNOER 2.5M 2 X 1.0 H05VV-F W/PLUG 13A/250V (OLD 50 | ||||
| 57A | 500423Z | 12.87 | 15.32 | |
| Nicht mehr lieferbar, kein Ersatz | ||||
| 57B | 500435Z | |||
| Senkkopfschraube M6x22 Linksgew. | ||||
| 58 | 981122 | 1.35 | 1.61 | |
| Keine Informationen verfügbar, nicht bestellbar | ||||
| 58A | 995344 | |||
| Flachkopfschraube (linke Hand) M6x20 | ||||
| 58B | 331966 | 6.75 | 8.03 | |
| Verbinder 50091 (10st) Div.typen | ||||
| 59 | 959140 | 3.30 | 3.93 | |
| Keine Informationen verfügbar, nicht bestellbar | ||||
| 601 | 930886 | |||
| Keine Informationen verfügbar, nicht bestellbar | ||||
| 602 | 981655Z | |||