Hier finden Sie alle verfügbaren Teile und Zeichnungen der 'Hikoki D13Y'. Von hier aus können Sie alle gewünschten Teile direkt bestellen. Viele Teile müssen je nach Marke beim Hersteller bestellt werden, dies dauert ein bis vier Wochen. Alle Informationen, die wir haben, befinden sich auf unserer Website. Wir können Sie nicht beraten, was Sie benötigen. Dazu müssen Sie die Maschine zur Reparatur zurücksenden. Bitte beachten Sie bei der Bestellung Folgendes:
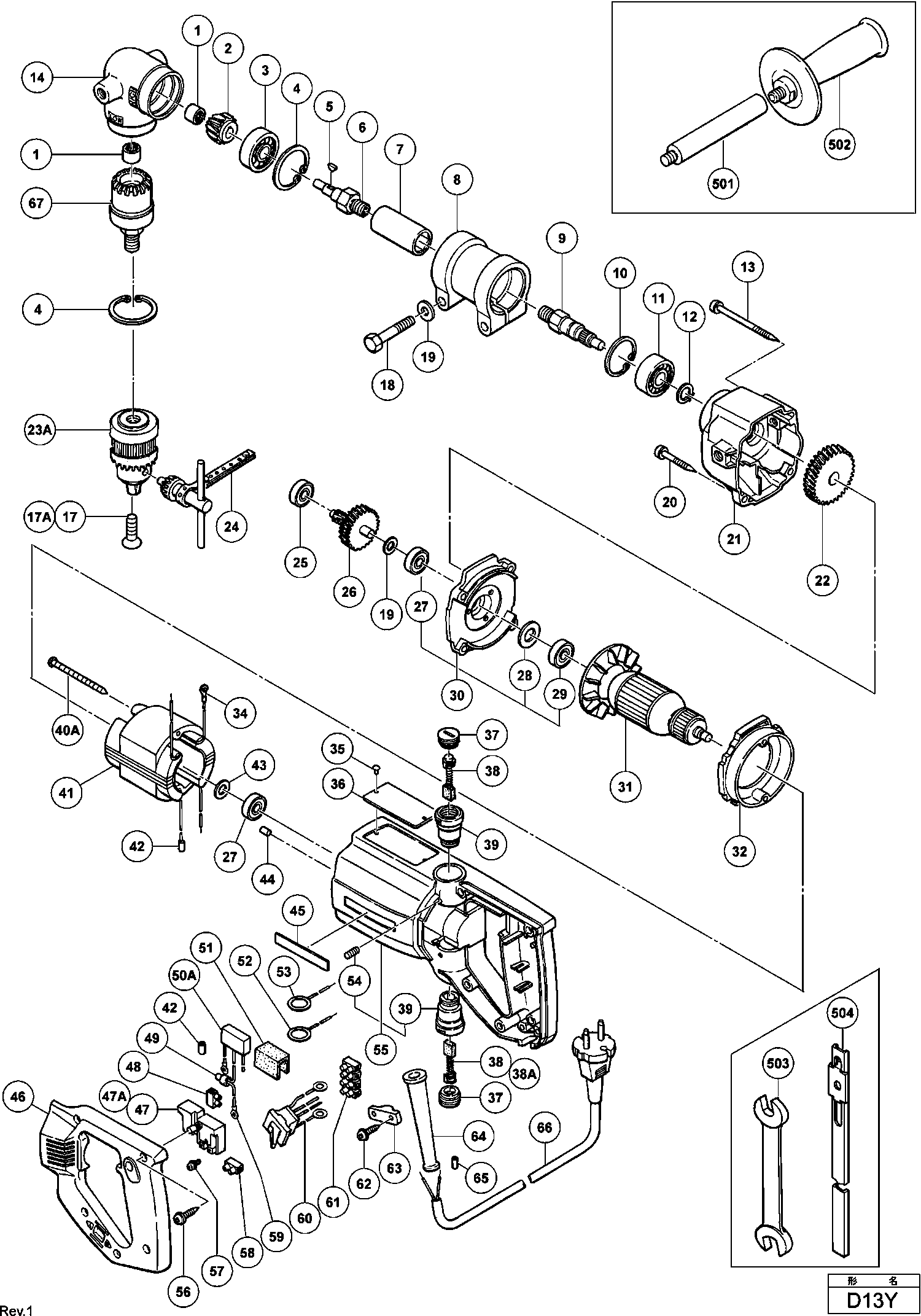
Zeichnungen der Hikoki D13Y
Teileliste der Hikoki D13Y
| Pos. | Beschreibung | Preis ohne MwSt | Preis inkl. MwSt | |
| Die angegebenen Preise enthalten die Mehrwertsteuer | ||||
| Nadellager Hk 0810 W6ve/w6vf/ H30pv/dv24dv/dh30pc | ||||
| 1 | 670714 | 6.45 | 7.68 | |
| TANDWIEL | ||||
| 2 | 986149 | 19.69 | 23.43 | |
| Kugellager 6301vv, Cm9uby, G23ss | ||||
| 3 | 6301VV | 8.55 | 10.17 | |
| Ring | ||||
| 4 | 986147 | 1.05 | 1.25 | |
| INLEGSPIE 3X10 *TD5-1-2* | ||||
| 5 | 932819 | 1.26 | 1.50 | |
| AS | ||||
| 6 | 986146 | 26.46 | 31.49 | |
| Verbinder | ||||
| 7 | 986143 | 6.75 | 8.03 | |
| Keine Informationen verfügbar, nicht bestellbar | ||||
| 8 | 986142 | |||
| Gelenkwelle (a) | ||||
| 9 | 981667 | 32.18 | 38.29 | |
| Sicherungsring D35 (innen) 10st | ||||
| 10 | 939556 | 10.20 | 12.14 | |
| Kugellager 6202 Vv | ||||
| 11 | 6202VV | 7.05 | 8.39 | |
| Sicherungsring D15 (10st) | ||||
| 12 | 939544 | 2.13 | 2.53 | |
| TAPPING SCREW (W/SP.WASHER) D5X70 | ||||
| 13 | 986141 | 1.00 | 1.19 | |
| TANDWIELHUIS + NAALDLAGER | ||||
| 14 | 986144 | 40.70 | 48.43 | |
| Senkkopfschraube M6x22 Linksgew. | ||||
| 17 | 981122 | 1.35 | 1.61 | |
| Flachkopfschraube (linke Hand) M6x20 | ||||
| 17A | 331966 | 6.75 | 8.03 | |
| BOUT M8X45 (10 STUKS) | ||||
| 18 | 949632 | 2.34 | 2.78 | |
| Unterlegscheibe M8 (10st) | ||||
| 19 | 949426 | 1.05 | 1.25 | |
| Schneidschraube D5x35 M..scheibe | ||||
| 20 | 986140 | 1.05 | 1.25 | |
| Zahnradabdeckung (Alt 981650Z) | ||||
| 21 | 981650 | 31.90 | 37.96 | |
| Endzahnrad D13/d13v | ||||
| 22 | 983448 | 16.09 | 19.14 | |
| Keine Informationen verfügbar, nicht bestellbar | ||||
| 23A | 321814 | |||
| Keine Informationen verfügbar, nicht bestellbar | ||||
| 24 | 930515 | |||
| Kugellager 627 Vvm | ||||
| 25 | 627VVM | 5.55 | 6.60 | |
| Zweites Ritzel D13 | ||||
| 26 | 981652Z | 19.11 | 22.74 | |
| Kugellager 608 Vvm, C8fshe, Cm5sb, C8fse, H41mb | ||||
| 27 | 608VVM | 5.70 | 6.78 | |
| Ring | ||||
| 28 | 984357 | 1.05 | 1.25 | |
| Kugellager 609 Vvm | ||||
| 29 | 609VVM | 6.00 | 7.14 | |
| Innendeckel D13 (inkl.pos.14,16,17) Includ.27-29 | ||||
| 30 | 982791 | 41.11 | 48.92 | |
| Anker 240v | ||||
| 31 | 981657F | 92.13 | 109.63 | |
| Anker 220-230 Volt | ||||
| 31 | 981657E | 91.16 | 108.48 | |
| Luftführung Cr10v/cr12v u.a. | ||||
| 32 | 981562 | 2.55 | 3.03 | |
| Kabelschuh (a) M3,5 (10st) Cj65v3 | ||||
| 34 | 960356 | 3.00 | 3.57 | |
| Kohlenkappe C6u/cr12v u.a.. | ||||
| 37 | 961781 | 2.55 | 3.03 | |
| Kohlenbürsten (paar) H41mb | ||||
| 38 | 999043 | 4.50 | 5.36 | |
| Kohlebürsten Selbstabsch.(paar) H41mb | ||||
| 38A | 999073 | 14.40 | 17.14 | |
| Kohlekasten Zsb | ||||
| 39 | 981586 | 6.45 | 7.68 | |
| Schneidschraube D5x60 | ||||
| 40A | 991007 | 1.35 | 1.61 | |
| Feld | ||||
| 41 | 981656G | 26.13 | 31.09 | |
| Kanalhülse für Kabel (d) Div.typen, Cm9uby, G23ss | ||||
| 42 | 981373 | 1.05 | 1.25 | |
| Unterlegscheibe (c) Dh24pb2 | ||||
| 43 | 984367 | 1.05 | 1.25 | |
| GUMMISTIFT (ALT 976441) | ||||
| 44 | 946362 | 1.05 | 1.25 | |
| Keine Informationen verfügbar, nicht bestellbar | ||||
| 45 | 957561 | |||
| HANDGREEPDEKSEL | ||||
| 46 | 981661 | 14.02 | 16.68 | |
| Schraubklemme (b) 1-reihig Till 10.1999 | ||||
| 48 | 982805Z | 2.55 | 3.03 | |
| Verbinder 50091 (10st) Div.typen | ||||
| 49 | 959140 | 3.30 | 3.93 | |
| Kondensator Div.typen | ||||
| 50A | 994273 | 4.29 | 5.10 | |
| Gummi | ||||
| 51 | 930153 | 1.04 | 1.23 | |
| Inbusschraube M4x5 | ||||
| 54 | 961681 | 1.04 | 1.23 | |
| Gehaeuse | ||||
| 55 | 981560 | 43.86 | 52.20 | |
| Schneidschraube D4x20 M.u-scheibe | ||||
| 56 | 982095 | 1.04 | 1.23 | |
| Kopfschraube M3,5x5 M.u-scheibe | ||||
| 57 | 980060 | 1.05 | 1.25 | |
| Verbinderkabel Dh20v/dh25v u.a. H70sa For Sui,gbr | ||||
| 59 | 986277 | 1.04 | 1.23 | |
| Schalter (r+l) | ||||
| 60 | 981658Z | 14.30 | 17.02 | |
| Keine Informationen verfügbar, nicht bestellbar | ||||
| 61 | 981666Z | |||
| Keine Informationen verfügbar, nicht bestellbar | ||||
| 62 | 984750 | |||
| Kabelklemme Div.typen, Cm9uby, G23ss | ||||
| 63 | 960266 | 1.04 | 1.23 | |
| Kabelknickschutz D8.8 Div.typen, Cm5sb | ||||
| 64 | 380090 | 1.04 | 1.24 | |
| Kabelknickschutz D10.1 Div.typen, C8fshe, C8fse | ||||
| 64 | 938051 | 1.04 | 1.23 | |
| Kanalhülse für Kabel (d) Div.typen, Cm9uby, G23ss | ||||
| 65 | 981373 | 1.05 | 1.25 | |
| SNOER 10.7 (USE 714500=2X1 5M) | ||||
| 66 | 500247Z | 6.18 | 7.35 | |
| AS EN TANDWIELSET | ||||
| 67 | 986156 | 64.52 | 76.78 | |
| Keine Informationen verfügbar, nicht bestellbar | ||||
| 501 | 930886 | |||
| Keine Informationen verfügbar, nicht bestellbar | ||||
| 502 | 956633 | |||
| Keine Informationen verfügbar, nicht bestellbar | ||||
| 503 | 949168 | |||
| Keine Informationen verfügbar, nicht bestellbar | ||||
| 504 | 981655Z | |||
| Keine Informationen verfügbar, nicht bestellbar | ||||
| 601A | 312831 | |||
| Keine Informationen verfügbar, nicht bestellbar | ||||
| 602A | 931161 | |||