Hier finden Sie alle verfügbaren Teile und Zeichnungen der 'Hikoki D28770'. Von hier aus können Sie alle gewünschten Teile direkt bestellen. Viele Teile müssen je nach Marke beim Hersteller bestellt werden, dies dauert ein bis vier Wochen. Alle Informationen, die wir haben, befinden sich auf unserer Website. Wir können Sie nicht beraten, was Sie benötigen. Dazu müssen Sie die Maschine zur Reparatur zurücksenden. Bitte beachten Sie bei der Bestellung Folgendes:
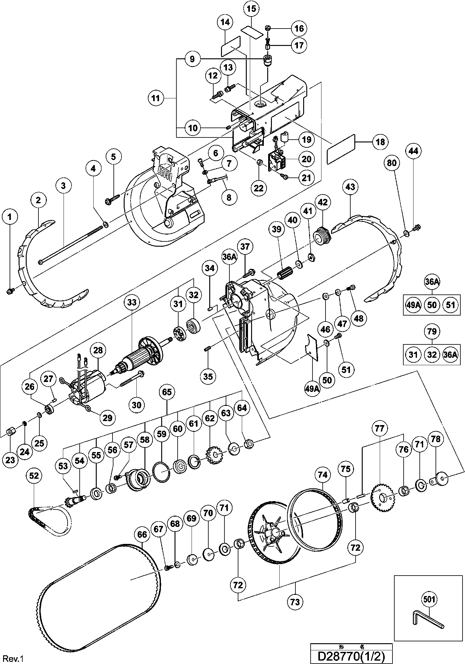
Zeichnungen der Hikoki D28770
Teileliste der Hikoki D28770
| Pos. | Beschreibung | Preis ohne MwSt | Preis inkl. MwSt | |
| Die angegebenen Preise enthalten die Mehrwertsteuer | ||||
| Kopfschraube M4x10 M.u-scheibe (schwarz) | ||||
| 1 | 304043 | 1.05 | 1.25 | |
| Keine Informationen verfügbar, nicht bestellbar | ||||
| 2 | 322698 | |||
| Keine Informationen verfügbar, nicht bestellbar | ||||
| 3 | 319161 | |||
| Federscheibe M5 (10st), C8fshe, C8fse | ||||
| 4 | 949454 | 1.04 | 1.23 | |
| Schneidschraube D5x35, Cm9uby, G23ss | ||||
| 5 | 323209 | 1.35 | 1.61 | |
| Maschinenschraube M4x10 (10 Stück) (ALT 949216Z) | ||||
| 6 | 949216 | 1.05 | 1.25 | |
| Federscheibe M4 (10st) | ||||
| 7 | 949453 | 1.05 | 1.25 | |
| Keine Informationen verfügbar, nicht bestellbar | ||||
| 8 | 323044 | |||
| BRUSH HOLDER | ||||
| 9 | 937701 | 1.74 | 2.07 | |
| INBUSSTELSCHROEF M4X6 | ||||
| 10 | 308073 | 1.00 | 1.19 | |
| Keine Informationen verfügbar, nicht bestellbar | ||||
| 11 | 322674 | |||
| Inbusschraube G13va M5x20 mit Scheiben | ||||
| 12 | 316107 | 1.80 | 2.14 | |
| Inbusschraube G13va M5x20 mit Scheiben | ||||
| 13 | 316107 | 1.80 | 2.14 | |
| Keine Informationen verfügbar, nicht bestellbar | ||||
| 15 | 323201 | |||
| Kohlenkappe D10yb | ||||
| 16 | 936551 | 1.05 | 1.25 | |
| Nicht mehr lieferbar, kein Ersatz | ||||
| 17 | 999021 | |||
| Keine Informationen verfügbar, nicht bestellbar | ||||
| 18 | 323202 | |||
| Keine Informationen verfügbar, nicht bestellbar | ||||
| 19 | 323203 | |||
| Keine Informationen verfügbar, nicht bestellbar | ||||
| 20 | 326660 | |||
| Keine Informationen verfügbar, nicht bestellbar | ||||
| 21 | 319531 | |||
| Sicherungsmutter M5 (10st) | ||||
| 22 | 949566 | 1.04 | 1.23 | |
| Keine Informationen verfügbar, nicht bestellbar | ||||
| 23 | 309817 | |||
| Federscheibe M6 P50 Single-phase | ||||
| 24 | 948167 | 1.04 | 1.23 | |
| Unterlegscheibe M6 (10st), C 8fshe, C8fse, Cg18dl | ||||
| 25 | 949432 | 1.05 | 1.25 | |
| Kugellager 608 Vvm, C8fshe, Cm5sb, C8fse, H41mb | ||||
| 26 | 608VVM | 5.70 | 6.78 | |
| GUMMISTIFT (ALT 976441) | ||||
| 27 | 946362 | 1.05 | 1.25 | |
| Keine Informationen verfügbar, nicht bestellbar | ||||
| 28 | 340579D | |||
| Kohlenhalterklemme Fg12sa u.a., C8fshe, C8fse | ||||
| 29 | 931867 | 1.05 | 1.25 | |
| Keine Informationen verfügbar, nicht bestellbar | ||||
| 30 | 319358 | |||
| Keine Informationen verfügbar, nicht bestellbar | ||||
| 31 | 322676 | |||
| Kugellager 6300 Vv | ||||
| 32 | 6300VV | 8.25 | 9.82 | |
| Keine Informationen verfügbar, nicht bestellbar | ||||
| 33 | 360638U | |||
| PIN D4X10 (10 STUKS) | ||||
| 34 | 949891 | 1.98 | 2.36 | |
| Inbusstiftschraube M5x16 | ||||
| 35 | 971884 | 1.05 | 1.25 | |
| Keine Informationen verfügbar, nicht bestellbar | ||||
| 36A | 326272 | |||
| Schneidschraube D5x25 M.flansch (schwarz), C8fshe | ||||
| 37 | 305558 | 1.04 | 1.23 | |
| Keine Informationen verfügbar, nicht bestellbar | ||||
| 38 | 323204 | |||
| Keine Informationen verfügbar, nicht bestellbar | ||||
| 39 | 319146 | |||
| Bolzenscheibe H65sd2 | ||||
| 40 | 323212 | 1.05 | 1.25 | |
| Klemmutter M8 (10st) | ||||
| 41 | 949568 | 1.50 | 1.78 | |
| Keine Informationen verfügbar, nicht bestellbar | ||||
| 42 | 319147 | |||
| Keine Informationen verfügbar, nicht bestellbar | ||||
| 43 | 322697 | |||
| Kopfschraube M4x10 M.u-scheibe (schwarz) | ||||
| 44 | 304043 | 1.05 | 1.25 | |
| Ring (h) | ||||
| 46 | 322677 | 1.65 | 1.96 | |
| Federscheibe M6 (10st), C8fshe, C8fse, Cg18dal, C | ||||
| 47 | 949455 | 1.05 | 1.25 | |
| Inbusschraube M6x20 (10st) | ||||
| 48 | 949660 | 3.30 | 3.93 | |
| Keine Informationen verfügbar, nicht bestellbar | ||||
| 49A | 326273 | |||
| Bolzenscheibe M4 (schwarz) für 220v-240v | ||||
| 50 | 323210 | 1.05 | 1.25 | |
| Maschinenschraube Ch10dl | ||||
| 51 | 323211 | 1.05 | 1.25 | |
| Keine Informationen verfügbar, nicht bestellbar | ||||
| 52 | 325372 | |||
| Keil 4x4x12 Bm25y/h90sc/se/h30pv | ||||
| 53 | 931008 | 1.05 | 1.25 | |
| Keine Informationen verfügbar, nicht bestellbar | ||||
| 54 | 319149 | |||
| Keine Informationen verfügbar, nicht bestellbar | ||||
| 55 | 977102 | |||
| NAALDLAGER | ||||
| 56 | 319150 | 5.52 | 6.57 | |
| Maschinenschraube M5X16 (10 Stücke) | ||||
| 57 | 949239 | 1.05 | 1.25 | |
| Keine Informationen verfügbar, nicht bestellbar | ||||
| 58 | 319151 | |||
| Keine Informationen verfügbar, nicht bestellbar | ||||
| 59 | 977100 | |||
| Kugellager 6201 Vv | ||||
| 60 | 6201VV | 6.45 | 7.68 | |
| Sicherungsring D32 Innen | ||||
| 61 | 948001 | 1.20 | 1.43 | |
| Keine Informationen verfügbar, nicht bestellbar | ||||
| 62 | 323240 | |||
| Federscheibe M10 (10st) | ||||
| 63 | 949458 | 1.05 | 1.25 | |
| Mutter M10 (selbstsichernd) 10st | ||||
| 64 | 949572 | 2.40 | 2.86 | |
| Keine Informationen verfügbar, nicht bestellbar | ||||
| 65 | 325412 | |||
| Inbusschraube M6x20 (10st) | ||||
| 67 | 949660 | 3.30 | 3.93 | |
| Federscheibe M6 (10st), C8fshe, C8fse, Cg18dal, C | ||||
| 68 | 949455 | 1.05 | 1.25 | |
| Keine Informationen verfügbar, nicht bestellbar | ||||
| 69 | 977109 | |||
| RING (B) | ||||
| 70 | 936311 | 1.00 | 1.19 | |
| PLASTIC RING | ||||
| 71 | 977108 | 1.00 | 1.19 | |
| NAALDLAGER | ||||
| 72 | 319150 | 5.52 | 6.57 | |
| Keine Informationen verfügbar, nicht bestellbar | ||||
| 73 | 322678 | |||
| RUBBERWIEL | ||||
| 74 | 977110 | 7.50 | 8.92 | |
| RUBBER BUSHING | ||||
| 75 | 319157 | 1.50 | 1.78 | |
| NAALDLAGER | ||||
| 76 | 319150 | 5.52 | 6.57 | |
| Keine Informationen verfügbar, nicht bestellbar | ||||
| 77 | 325371 | |||
| Keine Informationen verfügbar, nicht bestellbar | ||||
| 78 | 319152 | |||
| Keine Informationen verfügbar, nicht bestellbar | ||||
| 79 | 323207 | |||
| Bolzenscheibe M4 (schwarz) für 220v-240v | ||||
| 80 | 323210 | 1.05 | 1.25 | |
| Keine Informationen verfügbar, nicht bestellbar | ||||
| 81 | 322704 | |||
| Maschinenschraube M5X16 (10 Stücke) | ||||
| 82 | 949239 | 1.05 | 1.25 | |
| Unterlegscheibe M5 (10st) | ||||
| 83 | 949431 | 1.04 | 1.23 | |
| Keine Informationen verfügbar, nicht bestellbar | ||||
| 84 | 322682 | |||
| Anschlussklemme | ||||
| 85 | 980063 | 1.04 | 1.23 | |
| Kabelklemme Div.typen, C8fshe, Cm5sb, C8fse | ||||
| 86 | 937631 | 1.04 | 1.23 | |
| Keine Informationen verfügbar, nicht bestellbar | ||||
| 87 | 984750 | |||
| Keine Informationen verfügbar, nicht bestellbar | ||||
| 88 | 981276 | |||
| Bolzenscheibe M4 (schwarz) für 220v-240v | ||||
| 89 | 323210 | 1.05 | 1.25 | |
| Keine Informationen verfügbar, nicht bestellbar | ||||
| 90 | 319505 | |||
| Keine Informationen verfügbar, nicht bestellbar | ||||
| 91 | 322684 | |||
| Schneidschraube D4x20 M.flansch (schwarz) Cg18dal | ||||
| 92 | 302086 | 1.05 | 1.25 | |
| Schneidschraube D4x25 Mit Flansch Neue Art.nr. 30 | ||||
| 93 | 304035 | 1.04 | 1.23 | |
| Keine Informationen verfügbar, nicht bestellbar | ||||
| 94 | 322683 | |||
| Maschinenschraube M6x16 (10 St), C8fshe | ||||
| 95 | 949256 | 1.35 | 1.61 | |
| Keine Informationen verfügbar, nicht bestellbar | ||||
| 96 | 320504 | |||
| Verbinder 50091 (10st) Div.typen | ||||
| 97 | 959140 | 3.30 | 3.93 | |
| KABELKLEMME | ||||
| 98 | 975144 | 1.04 | 1.23 | |
| Keine Informationen verfügbar, nicht bestellbar | ||||
| 99 | 322703 | |||
| Keine Informationen verfügbar, nicht bestellbar | ||||
| 100 | 322699 | |||
| Federscheibe M6 (10st), C8fshe, C8fse, Cg18dal, C | ||||
| 101 | 949455 | 1.05 | 1.25 | |
| Inbusschraube M6x16 (10st), Nr90aa | ||||
| 102 | 949755 | 3.00 | 3.57 | |
| Maschinenschraube M5x10 (schwarz) | ||||
| 103 | 323040 | 1.05 | 1.25 | |
| BLADE COVER (C) | ||||
| 104 | 322694 | 1.86 | 2.21 | |
| HEX SOCKET HD FLAT SCREW M6X16 NEW | ||||
| 105 | 968771 | 1.00 | 1.19 | |
| GUIDE PLATE | ||||
| 106 | 319165 | 6.42 | 7.64 | |
| Mutter M6 | ||||
| 107 | 319166 | 1.80 | 2.14 | |
| Maschinenschraube M5x30 (schwarz) | ||||
| 108 | 323041 | 1.05 | 1.25 | |
| PIN D4X10 (10 STUKS) | ||||
| 109 | 949891 | 1.98 | 2.36 | |
| Keine Informationen verfügbar, nicht bestellbar | ||||
| 110 | 325375 | |||
| Unterlegscheibe M5 (10st) | ||||
| 111 | 949431 | 1.04 | 1.23 | |
| Keine Informationen verfügbar, nicht bestellbar | ||||
| 112 | 323042 | |||
| Unterlegscheibe M6 (10st), C 8fshe, C8fse, Cg18dl | ||||
| 113 | 949432 | 1.05 | 1.25 | |
| Federscheibe M6 (10st), C8fshe, C8fse, Cg18dal, C | ||||
| 114 | 949455 | 1.05 | 1.25 | |
| Lagerbolzen (b) | ||||
| 115 | 322681 | 1.20 | 1.43 | |
| Bolzenscheibe M4 (schwarz) für 220v-240v | ||||
| 116 | 323210 | 1.05 | 1.25 | |
| Rolle 604vv | ||||
| 117 | 323043 | 3.15 | 3.75 | |
| Lagerbolzen | ||||
| 118 | 322680 | 1.20 | 1.43 | |
| Keine Informationen verfügbar, nicht bestellbar | ||||
| 119 | 322679 | |||
| Inbusschraube M6x20 (10st) | ||||
| 120 | 949660 | 3.30 | 3.93 | |
| Federscheibe M6 (10st), C8fshe, C8fse, Cg18dal, C | ||||
| 121 | 949455 | 1.05 | 1.25 | |
| Keine Informationen verfügbar, nicht bestellbar | ||||
| 122 | 977109 | |||
| RING (B) | ||||
| 123 | 936311 | 1.00 | 1.19 | |
| PLASTIC RING | ||||
| 124 | 977108 | 1.00 | 1.19 | |
| NAALDLAGER | ||||
| 125 | 319150 | 5.52 | 6.57 | |
| BLADE PULLEY ASS'Y | ||||
| 126 | 322690 | 14.90 | 17.73 | |
| RUBBERWIEL | ||||
| 127 | 977110 | 7.50 | 8.92 | |
| PULLEY SHAFT (B) | ||||
| 128 | 322689 | 5.52 | 6.57 | |
| MOER | ||||
| 129 | 322686 | 1.00 | 1.19 | |
| Keine Informationen verfügbar, nicht bestellbar | ||||
| 130 | 322685 | |||
| SCHACHT | ||||
| 131 | 977116 | 10.86 | 12.92 | |
| Inbusschraube M6x16 (10st), Nr90aa | ||||
| 132 | 949755 | 3.00 | 3.57 | |
| SCHROEF (A) | ||||
| 133 | 977117 | 2.58 | 3.07 | |
| BORGRING | ||||
| 134 | 973040 | 1.74 | 2.07 | |
| SCHROEF (A) | ||||
| 135 | 977117 | 2.58 | 3.07 | |
| Federscheibe M6 (10st), C8fshe, C8fse, Cg18dal, C | ||||
| 136 | 949455 | 1.05 | 1.25 | |
| Unterlegscheibe M8 (10st) | ||||
| 137 | 949426 | 1.05 | 1.25 | |
| Keine Informationen verfügbar, nicht bestellbar | ||||
| 138 | 322688 | |||
| Splint D2x12 (10stk) | ||||
| 139 | 949531 | 1.05 | 1.25 | |
| CAM SHAFT (A) | ||||
| 140 | 322687 | 13.20 | 15.71 | |
| LAGERHOUDER (B) | ||||
| 141 | 320172 | 11.70 | 13.92 | |
| Unterlegscheibe M5 (10st) | ||||
| 142 | 949431 | 1.04 | 1.23 | |
| Keine Informationen verfügbar, nicht bestellbar | ||||
| 143 | 323042 | |||
| Unterlegscheibe M6 (10st), C 8fshe, C8fse, Cg18dl | ||||
| 144 | 949432 | 1.05 | 1.25 | |
| Federscheibe M6 (10st), C8fshe, C8fse, Cg18dal, C | ||||
| 145 | 949455 | 1.05 | 1.25 | |
| Lagerbolzen (b) | ||||
| 146 | 322681 | 1.20 | 1.43 | |
| Bolzenscheibe M4 (schwarz) für 220v-240v | ||||
| 147 | 323210 | 1.05 | 1.25 | |
| Rolle 604vv | ||||
| 148 | 323043 | 3.15 | 3.75 | |
| Lagerbolzen | ||||
| 149 | 322680 | 1.20 | 1.43 | |
| Keine Informationen verfügbar, nicht bestellbar | ||||
| 150 | 322691 | |||
| Keine Informationen verfügbar, nicht bestellbar | ||||
| 151 | 323205 | |||
| Keine Informationen verfügbar, nicht bestellbar | ||||
| 152 | 323045 | |||
| Keine Informationen verfügbar, nicht bestellbar | ||||
| 153 | 323046 | |||
| Lampe (12v 5w) C6dd | ||||
| 154 | 315229 | 9.30 | 11.07 | |
| Keine Informationen verfügbar, nicht bestellbar | ||||
| 155 | 317838 | |||
| Keine Informationen verfügbar, nicht bestellbar | ||||
| 156 | 319169 | |||
| Keine Informationen verfügbar, nicht bestellbar | ||||
| 157 | 322692 | |||
| Keine Informationen verfügbar, nicht bestellbar | ||||
| 158 | 322701 | |||
| Schneidschraube D5x25 M.flansch (schwarz), C8fshe | ||||
| 159 | 305558 | 1.04 | 1.23 | |
| Keine Informationen verfügbar, nicht bestellbar | ||||
| 160 | 323206 | |||
| Keine Informationen verfügbar, nicht bestellbar | ||||
| 161 | 322702 | |||
| Keine Informationen verfügbar, nicht bestellbar | ||||
| 162 | 319840 | |||
| Maschinenschraube M5x12 Schwarz | ||||
| 163 | 996247 | 1.05 | 1.25 | |
| Keine Informationen verfügbar, nicht bestellbar | ||||
| 164 | 323047 | |||
| ROLPIN D4X20 RVS | ||||
| 165 | 321956 | 1.50 | 1.78 | |
| Kugellager | ||||
| 166 | 322695 | 3.15 | 3.75 | |
| PIN D4X10 (10 STUKS) | ||||
| 167 | 949891 | 1.98 | 2.36 | |
| Federscheibe M6 (10st), C8fshe, C8fse, Cg18dal, C | ||||
| 168 | 949455 | 1.05 | 1.25 | |
| Inbusschraube M6x20 (10st) | ||||
| 169 | 949660 | 3.30 | 3.93 | |
| Keine Informationen verfügbar, nicht bestellbar | ||||
| 170 | 322693 | |||
| Keine Informationen verfügbar, nicht bestellbar | ||||
| 171 | 323208 | |||
| Keine Informationen verfügbar, nicht bestellbar | ||||
| 172 | 323038 | |||
| Bolzenscheibe H65sd2 | ||||
| 173 | 323212 | 1.05 | 1.25 | |
| Keine Informationen verfügbar, nicht bestellbar | ||||
| 174 | 323039 | |||
| ROL PIN D4X20 (10 STUKS) | ||||
| 175 | 949499 | 1.74 | 2.07 | |
| SPANNER | ||||
| 176 | 977119 | 20.79 | 24.74 | |
| Keine Informationen verfügbar, nicht bestellbar | ||||
| 501 | 944458 | |||