Hier finden Sie alle verfügbaren Teile und Zeichnungen der 'Hikoki DA300E'. Von hier aus können Sie alle gewünschten Teile direkt bestellen. Viele Teile müssen je nach Marke beim Hersteller bestellt werden, dies dauert ein bis vier Wochen. Alle Informationen, die wir haben, befinden sich auf unserer Website. Wir können Sie nicht beraten, was Sie benötigen. Dazu müssen Sie die Maschine zur Reparatur zurücksenden. Bitte beachten Sie bei der Bestellung Folgendes:
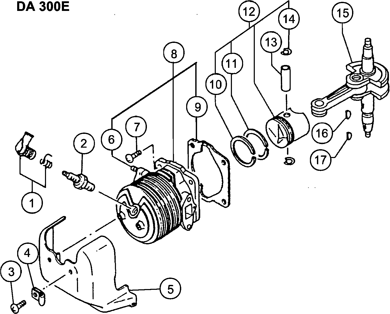
Zeichnungen der Hikoki DA300E
Teileliste der Hikoki DA300E
| Pos. | Beschreibung | Preis ohne MwSt | Preis inkl. MwSt | |
| Die angegebenen Preise enthalten die Mehrwertsteuer | ||||
| Zündkerzenkappe kpl. alte Art.nr. 157-01570-90 Ti | ||||
| 1 | 6687468 | 2.31 | 2.75 | |
| ZÜNDKERZE BMR6A | ||||
| 2 | 6699315 | 13.35 | 15.89 | |
| Schraube 5x10/p alte Art.nr. 994-13050-101 | ||||
| 3 | 6695319 | 1.15 | 1.37 | |
| Kabelklemme kpl. | ||||
| 4 | 6688009 | 1.15 | 1.37 | |
| Keine Informationen verfügbar, nicht bestellbar | ||||
| 5 | 6685695 | |||
| Bolzen 6x22 alte Art.nr. 100-02100-20 | ||||
| 6 | 6686771 | 1.15 | 1.37 | |
| Sechskantbolzen 6x18/s alte Art.nr. 994-61060-184 | ||||
| 7 | 6695495 | 1.15 | 1.37 | |
| Keine Informationen verfügbar, nicht bestellbar | ||||
| 8 | 6697742 | |||
| Zylinderdichtung alte Art.nr. 017-10200-21 | ||||
| 9 | 6685752 | 1.15 | 1.37 | |
| Kolbenring alte Art.nr. 040-01100-20 | ||||
| 10 | 6686051 | 7.10 | 8.45 | |
| Kolbenring alte Art.nr. 041-10100-20 | ||||
| 11 | 6686133 | 4.45 | 5.30 | |
| Keine Informationen verfügbar, nicht bestellbar | ||||
| 12 | 6685904 | |||
| Kolbenbolzen 10x35 alte Art.nr. 037-10100-20 | ||||
| 13 | 6686019 | 2.31 | 2.75 | |
| Sicherungsring f. Kolbenbolzen alte Art.nr. 039-0 | ||||
| 14 | 6686029 | 1.15 | 1.37 | |
| Keine Informationen verfügbar, nicht bestellbar | ||||
| 15 | 6686224 | |||
| Scheibenfeder 3x13x4.5 alte Art.nr. 068-10100-20 | ||||
| 16 | 6684899 | 2.15 | 2.56 | |
| Scheibenfeder 3x13x5 alte Art.nr. 068-02000-20 | ||||
| 17 | 6686457 | 1.15 | 1.37 | |
| Zwischenlegering 0.20 f. Kurbelwelle alte Art.nr. | ||||
| 31 | 6686472 | 1.15 | 1.37 | |
| Zwischenlegering 0.30 f. Kurbelwelle alte Art.nr. | ||||
| 31 | 6686473 | 1.15 | 1.37 | |
| kleine Mutter 10 alte Art.nr. 991-11100-013 | ||||
| 32 | 6695139 | 1.05 | 1.25 | |
| Ring | ||||
| 33 | 6684820 | 2.15 | 2.56 | |
| Starter Riemscheibe alte Art.nr. 798-10205-20 | ||||
| 34 | 6693409 | 6.93 | 8.24 | |
| Kurbelgehäuse kpl. alte Art.nr. 072-10243-91 | ||||
| 35 | 6686595 | 66.40 | 79.02 | |
| Dichtung f. Kurbelgehäuse alte Art.nr. 090-10200- | ||||
| 36 | 6686727 | 1.15 | 1.37 | |
| Öldichtung 15307 alte Art.nr. 999-66153-000 | ||||
| 37 | 6695641 | 2.31 | 2.75 | |
| Keine Informationen verfügbar, nicht bestellbar | ||||
| 38 | 6695557 | |||
| Keine Informationen verfügbar, nicht bestellbar | ||||
| 39 | 6695562 | |||
| Öldichtung Ue17307 alte Art.nr. 999-66173-066 | ||||
| 40 | 6695648 | 3.30 | 3.93 | |
| Keine Informationen verfügbar, nicht bestellbar | ||||
| 41 | 6695499 | |||
| Abflussdichtung alte Art.-nr.727-01040-20 | ||||
| 42 | 6692685 | 1.15 | 1.37 | |
| Schraube 6x10 alte Art.nr. 990-11060-102 | ||||
| 43 | 6694926 | 1.15 | 1.37 | |
| Keine Informationen verfügbar, nicht bestellbar | ||||
| 44 | 6689682 | |||
| Wellenregler | ||||
| 45 | 6689679 | 2.31 | 2.75 | |
| Schraube 3x6 alte Art.nr. 990-11030-061 | ||||
| 46 | 6694855 | 1.15 | 1.37 | |
| Öl Membran | ||||
| 47 | 6689175 | 1.15 | 1.37 | |
| Schraube 4x8 alte Art.nr. 990-11040-081 Till Z063 | ||||
| 48 | 6694861 | 1.15 | 1.37 | |
| Regler kpl. alte Art.nr. 114-10250-91 | ||||
| 49 | 6687057 | 22.24 | 26.46 | |
| Reglerplatte | ||||
| 50 | 6689780 | 2.31 | 2.75 | |
| Reglerbuchse | ||||
| 51 | 6689782 | 10.23 | 12.17 | |
| Anschlagring außen C-15 alte Art.nr. 993-50015-00 | ||||
| 52 | 6695285 | 1.15 | 1.37 | |
| Dichtung f. Reglerabdeckung | ||||
| 61 | 6689775 | 1.15 | 1.37 | |
| Keine Informationen verfügbar, nicht bestellbar | ||||
| 62 | 6689771 | |||
| Öldichtung Ud15257 alte Art.nr. 999-66152-564 | ||||
| 63 | 6695637 | 3.30 | 3.93 | |
| Schraube 4x10 alte Art.nr. 990-11040-101 | ||||
| 64 | 6694863 | 1.15 | 1.37 | |
| Magneto Rotor Comp. | ||||
| 65 | 6699709 | 45.23 | 53.82 | |
| Ring | ||||
| 66 | 6695198 | 1.15 | 1.37 | |
| Nuss 10 alte Art.nr.991-09100-00 | ||||
| 67 | 6695134 | 1.15 | 1.37 | |
| Keine Informationen verfügbar, nicht bestellbar | ||||
| 68 | 6695410 | |||
| Zündspule 255 alte Art.nr. 167-21954-81 | ||||
| 69 | 6695942 | 42.20 | 50.22 | |
| Lüftergehäuse | ||||
| 70 | 6687046 | 26.16 | 31.13 | |
| Keine Informationen verfügbar, nicht bestellbar | ||||
| 71 | 6688040 | |||
| Kabelklemme kpl. | ||||
| 72 | 6688004 | 1.15 | 1.37 | |
| Schraube 6x25/s alte Art.nr. 994-14060-251 | ||||
| 73 | 6695363 | 1.15 | 1.37 | |
| Bolzen 6x36 | ||||
| 74 | 6686772 | 1.15 | 1.37 | |
| Kabelstopper kpl. Till F061750 | ||||
| 75 | 6687826 | 2.31 | 2.75 | |
| Leine alte Art.nr. 178-10269-80 Since F061751 | ||||
| 75A | 6696371 | 3.30 | 3.93 | |
| Leine alte Art.nr. 178-10269-80 Since F061751 | ||||
| 76 | 6696371 | 3.30 | 3.93 | |
| Ansaugkrümmerdichtung | ||||
| 91 | 6689899 | 1.15 | 1.37 | |
| Keine Informationen verfügbar, nicht bestellbar | ||||
| 92 | 6689980 | |||
| Vergaserdichtung | ||||
| 93 | 6689826 | 1.15 | 1.37 | |
| Schraube 5x24ws alte Art.nr. 994-16050-241 | ||||
| 94 | 6695423 | 1.15 | 1.37 | |
| Drosselhebel alte Art.nr.495-04200-20 | ||||
| 95 | 6691004 | 1.15 | 1.37 | |
| Dünnstoffreiniger alte Art.nr. 423-1024a-20 | ||||
| 96 | 6696027 | 3.30 | 3.93 | |
| Manschette 5.8 alte Art.nr.659-00801-20 Till G103 | ||||
| 97 | 6692244 | 1.15 | 1.37 | |
| Schraube 5x55s alte Art.nr. 994-14050-551 | ||||
| 98 | 6695352 | 1.15 | 1.37 | |
| kleine Unterlegscheibe Rb24e | ||||
| 99 | 6684864 | 2.15 | 2.56 | |
| Schwamm | ||||
| 100 | 6690366 | 2.31 | 2.75 | |
| Filterkappe | ||||
| 101 | 6690158 | 3.30 | 3.93 | |
| Vergaser Set Hda178 Since B001001 For Europe | ||||
| 102 | 6690523 | 58.39 | 69.48 | |
| Gasgestänge alte Art.nr.490-10244-20 | ||||
| 103 | 6690964 | 1.15 | 1.37 | |
| Feder f.reglergestänge | ||||
| 104 | 6689714 | 1.15 | 1.37 | |
| Keine Informationen verfügbar, nicht bestellbar | ||||
| 105 | 6689719 | |||
| Keine Informationen verfügbar, nicht bestellbar | ||||
| 106 | 6689687 | |||
| Ring | ||||
| 107 | 6695219 | 1.15 | 1.37 | |
| Verschlussmutter Rb24e | ||||
| 108 | 6684872 | 2.15 | 2.56 | |
| Schraube 4x8/ps alte Art.nr. 994-15040-081 | ||||
| 109 | 6695368 | 1.15 | 1.37 | |
| Federhebel f. Wellenregler | ||||
| 110 | 6689697 | 1.15 | 1.37 | |
| Keine Informationen verfügbar, nicht bestellbar | ||||
| 111 | 6693590 | |||
| Schalthebel alte Art.nr.830-10250-90 | ||||
| 112 | 6693591 | 6.93 | 8.24 | |
| Schraube 5 x 10 Ws alte Art.nr. 994-16050-101 | ||||
| 113 | 6695413 | 1.15 | 1.37 | |
| Keine Informationen verfügbar, nicht bestellbar | ||||
| 114 | 6694056 | |||
| Draht-rückholfeder alte Art.nr.902-10243-20 | ||||
| 115 | 6694055 | 1.15 | 1.37 | |
| Gashebel-schaft Führung alte Art.nr.891-10244-20 | ||||
| 116 | 6694037 | 3.30 | 3.93 | |
| Stufen Bolzen Till F113110 | ||||
| 117 | 6689627 | 1.15 | 1.37 | |
| Draht-klemme alte Art.nr.903-10244-20 | ||||
| 118 | 6694057 | 1.15 | 1.37 | |
| Schraube 5 x 10 Ws alte Art.nr. 994-16050-101 | ||||
| 119 | 6695413 | 1.15 | 1.37 | |
| U-mutter alte Art.nr. 991-74060-010 | ||||
| 120 | 6695159 | 1.15 | 1.37 | |
| Schraube 6x8/s alte Art.nr. 994-14060-081 | ||||
| 131 | 6695356 | 1.15 | 1.37 | |
| Ring | ||||
| 132 | 6684639 | 2.15 | 2.56 | |
| Schalldämpferschutz alte Art.-nr.738-10244-20 | ||||
| 133 | 6692820 | 32.21 | 38.33 | |
| Schalldämpferstrebe alte Art.-nr.733-10244-20 | ||||
| 134 | 6692706 | 2.31 | 2.75 | |
| Schraube 6x12/ps alte Art.nr. 994-15060-121 | ||||
| 135 | 6695399 | 1.15 | 1.37 | |
| Keine Informationen verfügbar, nicht bestellbar | ||||
| 136 | 6697637 | |||
| Keine Informationen verfügbar, nicht bestellbar | ||||
| 137 | 6684792 | |||
| Ring | ||||
| 138 | 6695219 | 1.15 | 1.37 | |
| Schalldämpferdichtung alte Art.-nr.737-10100-20 | ||||
| 139 | 6692746 | 1.15 | 1.37 | |
| Schraube 5x18/ps alte Art.nr. 994-15050-181 | ||||
| 140 | 6695388 | 1.15 | 1.37 | |
| Keine Informationen verfügbar, nicht bestellbar | ||||
| 141 | 6691926 | |||
| Tank Wht (alt 6696381) | ||||
| 142A | 6601173 | 11.55 | 13.74 | |
| Behalter | ||||
| 142B | 6601177 | 8.58 | 10.20 | |
| Keine Informationen verfügbar, nicht bestellbar | ||||
| 143 | 6684620 | |||
| Schlauchklemme alte Art.-nr.680-0632s-90 Till F20 | ||||
| 144 | 6692316 | 3.30 | 3.93 | |
| Anschlagring E-6 alte Art.nr. 993-55060-000 | ||||
| 145 | 6695310 | 1.15 | 1.37 | |
| Ring | ||||
| 146 | 6695184 | 1.15 | 1.37 | |
| Haltegummi f. Pet-absperrhahn alte Art.nr.558-060 | ||||
| 147 | 6691333 | 1.15 | 1.37 | |
| Pet-absperrhahn alte Art:nr.592-06020-90 Till F20 | ||||
| 148 | 6691653 | 9.08 | 10.80 | |
| Keine Informationen verfügbar, nicht bestellbar | ||||
| 149 | 6692366 | |||
| Clip 7 alte Art.nr.680-04019-21 | ||||
| 150 | 6692312 | 1.15 | 1.37 | |
| Clipd6new | ||||
| 150A | 6685198 | 1.15 | 1.37 | |
| Keine Informationen verfügbar, nicht bestellbar | ||||
| 151 | 6692297 | |||
| Gummipuffer alte Art.nr.655-10244-20 | ||||
| 152 | 6692232 | 2.31 | 2.75 | |
| Keine Informationen verfügbar, nicht bestellbar | ||||
| 153 | 6691985 | |||
| Schraube 6x12/ps alte Art.nr. 994-15060-121 | ||||
| 154 | 6695399 | 1.15 | 1.37 | |
| Tankdeckel alte Art.nr.595-0144d-90 | ||||
| 155 | 6691740 | 7.59 | 9.03 | |
| Keine Informationen verfügbar, nicht bestellbar | ||||
| 156 | 6684625 | |||
| Ring | ||||
| 157 | 6689645 | 1.15 | 1.37 | |
| Kupplungshebel kpl. | ||||
| 158 | 6688617 | 8.25 | 9.82 | |
| Ring | ||||
| 159 | 6689638 | 1.15 | 1.37 | |
| Kupplungs Stufen Bolzen | ||||
| 160 | 6689633 | 2.31 | 2.75 | |
| Kupplungsfeder | ||||
| 161 | 6689434 | 1.15 | 1.37 | |
| Schutzrohr Montage | ||||
| 162 | 6601178 | 3.14 | 3.73 | |
| Kraftstoffleitung Rohrschlange alte Art.nr.702-30 | ||||
| 163 | 6692428 | 1.15 | 1.37 | |
| Kabelklemme kpl. | ||||
| 164 | 6688008 | 1.15 | 1.37 | |
| Seilzugstarter Gehäuse alte Art.nr. 762-10244-90 | ||||
| 181 | 6692995 | 30.25 | 36.00 | |
| Seilzugstarter Gehäuse alte Art.nr. 772-10244-20 | ||||
| 182 | 6693044 | 16.19 | 19.26 | |
| Rückholfeder alte Art.nr. 779-10205-20 | ||||
| 183 | 6693123 | 14.53 | 17.28 | |
| Seilhaspel Starter alte Art.nr. 774-10246-80 | ||||
| 184 | 6693085 | 8.58 | 10.20 | |
| Schnuranlasser alte Art.nr.783-10205-20 | ||||
| 185 | 6693176 | 4.45 | 5.30 | |
| Startersperre alte Art.nr. 788-10205-20 | ||||
| 186 | 6693322 | 3.30 | 3.93 | |
| Klemmfeder alte Art.nr. 836-10205-20 | ||||
| 187 | 6693617 | 2.31 | 2.75 | |
| Klemmplatte alte Art.nr. 837-10205-20 | ||||
| 188 | 6693630 | 5.94 | 7.07 | |
| Bolzen 6x12 alte Art.nr. 990-21060-121 | ||||
| 189 | 6694982 | 1.15 | 1.37 | |
| Kappe f. Startergriff alte Art.nr.835-10246-20 | ||||
| 190 | 6693610 | 1.15 | 1.37 | |
| Keine Informationen verfügbar, nicht bestellbar | ||||
| 191 | 6693383 | |||
| Startergriff alte Art.nr. 785-10118-20 alte Art.n | ||||
| 192 | 6693241 | 3.30 | 3.93 | |
| Seilführung alte Art.nr. 780-10108-20 | ||||
| 193 | 6693140 | 3.30 | 3.93 | |
| Schraube | ||||
| 211 | 6685210 | 1.15 | 1.37 | |
| Pumpengehäuse alte Art.nr.575-25012-20 | ||||
| 212 | 6691420 | 8.25 | 9.82 | |
| Pumpendichtung alte Art.nr.577-25012-20 | ||||
| 213 | 6691455 | 2.31 | 2.75 | |
| Pumpen Membrane alte Art.nr.576-25012-20 | ||||
| 214 | 6691446 | 5.28 | 6.28 | |
| Schutzsieb Cg24ekb | ||||
| 215 | 6684700 | 4.29 | 5.10 | |
| Leerlauf Justierschraube | ||||
| 216 | 6690736 | 3.30 | 3.93 | |
| Leerlauf Justierfede | ||||
| 217 | 6690766 | 2.31 | 2.75 | |
| Justierschraube | ||||
| 217 | 6685297 | 2.31 | 2.75 | |
| Ventilfeder | ||||
| 218 | 6690873 | 4.45 | 5.30 | |
| Schalthebel | ||||
| 219 | 6690819 | 4.45 | 5.30 | |
| Gelenkwelle | ||||
| 220 | 6685219 | 1.15 | 1.37 | |
| Gelenkwellenset | ||||
| 221 | 6685218 | 2.31 | 2.75 | |
| Nadelventil alte Art.nr. 603-25012-20 | ||||
| 222 | 6685215 | 5.28 | 6.28 | |
| Membran Dichtung alte Art.nr.475-25012-20 | ||||
| 223 | 6690838 | 2.31 | 2.75 | |
| Dosiermembrane alte Art.nr.474-25012-80 | ||||
| 224 | 6690828 | 11.88 | 14.13 | |
| Membranabdeckung | ||||
| 225 | 6690858 | 6.93 | 8.24 | |
| Schraube | ||||
| 226 | 6685223 | 1.15 | 1.37 | |
| Antriebswelle kpl. alte Art.nr. 030-32203-80 | ||||
| 241 | 6685911 | 36.15 | 43.02 | |
| Scheibenfeder 3x13x4.5 alte Art.nr. 068-10100-20 | ||||
| 242 | 6684899 | 2.15 | 2.56 | |
| Kettenkasten C alte Art.nr. 008-32250-20 | ||||
| 243 | 6685596 | 34.19 | 40.68 | |
| Federmutter 6 alte Art.nr. 994-40060-011 | ||||
| 244 | 6695475 | 1.15 | 1.37 | |
| Anschlagring innen C-32 alte Art.nr. 993-51032-00 | ||||
| 245 | 6695295 | 1.15 | 1.37 | |
| Kugellager #6002z | ||||
| 246 | 6695538 | 6.60 | 7.85 | |
| Anschlagring außen C-15 alte Art.nr. 993-50015-00 | ||||
| 247 | 6695285 | 1.15 | 1.37 | |
| Antriebsgehäuse alte Art.nr. 002-32250-81 | ||||
| 248 | 6696365 | 194.81 | 231.83 | |
| Ring | ||||
| 249 | 6695219 | 1.15 | 1.37 | |
| Sechskantbolzen 6x18 alte Art.nr. 990-51060-183 | ||||
| 250 | 6695059 | 1.15 | 1.37 | |
| KOMPLETTER SCHMIERNIPPEL (ALT 300-32250-80) | ||||
| 251 | 6688643 | 1.15 | 1.37 | |
| Schloss | ||||
| 252 | 6689987 | 17.40 | 20.71 | |
| Arretierbolzenfeder | ||||
| 253 | 6689905 | 2.31 | 2.75 | |
| Ring | ||||
| 254 | 6692944 | 1.15 | 1.37 | |
| O-ring P-7 alte Art.nr. 999-67007-000 | ||||
| 255 | 6695665 | 1.15 | 1.37 | |
| Schraube 5 x 16 Ws alte Art.nr. 994-16050-161 | ||||
| 256 | 6695417 | 1.15 | 1.37 | |
| Keine Informationen verfügbar, nicht bestellbar | ||||
| 257 | 6685606 | |||
| Begrenzungsring Cg24ekd | ||||
| 258 | 6684821 | 2.15 | 2.56 | |
| Anschlagring außen C-22 alte Art.nr. 993-50022-00 | ||||
| 259 | 6695288 | 1.15 | 1.37 | |
| Nicht mehr lieferbar, kein Ersatz | ||||
| 260 | 6685789 | |||
| Keine Informationen verfügbar, nicht bestellbar | ||||
| 261 | 6695557 | |||
| Zahnrad 2 alte Art.nr. 012-32250-20 | ||||
| 262 | 6685658 | 64.28 | 76.49 | |
| Keine Informationen verfügbar, nicht bestellbar | ||||
| 263 | 6685704 | |||
| Scheibenfeder 4x16x5 alte Art.nr. 068-12101-20 | ||||
| 264 | 6686460 | 1.15 | 1.37 | |
| Kugellager #6200 | ||||
| 265 | 6695551 | 5.94 | 7.07 | |
| Kettenkasten B | ||||
| 266 | 6685594 | 50.21 | 59.75 | |
| Ring | ||||
| 267 | 6695219 | 1.15 | 1.37 | |
| Plusbolzen 6x22 alte Art.nr. 990-23060-221 | ||||
| 268 | 6695021 | 1.15 | 1.37 | |
| Keine Informationen verfügbar, nicht bestellbar | ||||
| 269 | 6695523 | |||
| Lagerstopper | ||||
| 270 | 6686066 | 7.59 | 9.03 | |
| Kugellager #6205z | ||||
| 271 | 6695565 | 9.40 | 11.19 | |
| Keine Informationen verfügbar, nicht bestellbar | ||||
| 272 | 6695208 | |||
| Anschlagring innen C-42 | ||||
| 273 | 6695300 | 2.31 | 2.75 | |
| Antriebswelle alte Art.nr. 022-32250-20 Till J033 | ||||
| 274 | 6685825 | 46.29 | 55.08 | |
| Keine Informationen verfügbar, nicht bestellbar | ||||
| 274A | 6685826 | |||
| Rohrklappstecker 8mm alte Art.nr.820-32250-20 For | ||||
| 275 | 6693554 | 5.11 | 6.08 | |
| Bolzenbefestigung alte Art:nr.821-32203-20 | ||||
| 276 | 6693558 | 1.15 | 1.37 | |
| Keine Informationen verfügbar, nicht bestellbar | ||||
| 291 | 6695841 | |||
| Kettenkasten B | ||||
| 292 | 6685595 | 62.31 | 74.15 | |
| Keine Informationen verfügbar, nicht bestellbar | ||||
| 293 | 6695557 | |||
| Kugellager #6002z | ||||
| 294 | 6695538 | 6.60 | 7.85 | |
| Anschlagring innen C-32 alte Art.nr. 993-51032-00 | ||||
| 295 | 6695295 | 1.15 | 1.37 | |
| Keine Informationen verfügbar, nicht bestellbar | ||||
| 296 | 6685826 | |||
| Kugellager #6200 | ||||
| 297 | 6695551 | 5.94 | 7.07 | |
| Keine Informationen verfügbar, nicht bestellbar | ||||
| 298 | 6695523 | |||
| Lagerstopper | ||||
| 299 | 6686066 | 7.59 | 9.03 | |
| Kugellager #6205z | ||||
| 300 | 6695565 | 9.40 | 11.19 | |
| Anschlagring innen C-42 | ||||
| 301 | 6695300 | 2.31 | 2.75 | |
| Antriebswelle kpl. alte Art.nr. 030-32203-80 | ||||
| 302 | 6685911 | 36.15 | 43.02 | |
| Anschlagring außen C-15 alte Art.nr. 993-50015-00 | ||||
| 303 | 6695285 | 1.15 | 1.37 | |
| Scheibenfeder 3x13x4.5 alte Art.nr. 068-10100-20 | ||||
| 304 | 6684899 | 2.15 | 2.56 | |
| Keine Informationen verfügbar, nicht bestellbar | ||||
| 305 | 6685606 | |||
| Zahnrad 2 | ||||
| 306 | 6685657 | 70.33 | 83.69 | |
| Keine Informationen verfügbar, nicht bestellbar | ||||
| 307 | 6685704 | |||
| Nicht mehr lieferbar, kein Ersatz | ||||
| 308 | 6685789 | |||
| Scheibenfeder 4x16x5 alte Art.nr. 068-12101-20 | ||||
| 309 | 6686460 | 1.15 | 1.37 | |
| Begrenzungsring Cg24ekd | ||||
| 310 | 6684821 | 2.15 | 2.56 | |
| Anschlagring außen C-22 alte Art.nr. 993-50022-00 | ||||
| 311 | 6695288 | 1.15 | 1.37 | |
| KOMPLETTER SCHMIERNIPPEL (ALT 300-32250-80) | ||||
| 312 | 6688643 | 1.15 | 1.37 | |
| Ring | ||||
| 313 | 6695219 | 1.15 | 1.37 | |
| Bolzen 6x45 alte Art.nr. 990-21060-451 | ||||
| 314 | 6694994 | 1.15 | 1.37 | |
| Ring | ||||
| 315 | 6695219 | 1.15 | 1.37 | |
| Plusbolzen 6x22 alte Art.nr. 990-23060-221 | ||||
| 316 | 6695021 | 1.15 | 1.37 | |
| Ring | ||||
| 317 | 6695219 | 1.15 | 1.37 | |
| Plusbolzen 6x18 alte Art.nr. 990-23060-181 | ||||
| 318 | 6695020 | 1.15 | 1.37 | |
| Keine Informationen verfügbar, nicht bestellbar | ||||
| 319 | 6695208 | |||
| Keine Informationen verfügbar, nicht bestellbar | ||||
| 331 | 6688342 | |||
| Griff alte Art.nr. 055-32250-20 | ||||
| 332 | 6686351 | 6.60 | 7.85 | |
| Keine Informationen verfügbar, nicht bestellbar | ||||
| 333 | 6696373 | |||
| Keine Informationen verfügbar, nicht bestellbar | ||||
| 334 | 6695132 | |||
| Keine Informationen verfügbar, nicht bestellbar | ||||
| 335 | 6699394 | |||
| Drosselklappen-seil alte Art.nr.885-10244-80 | ||||
| 336 | 6693930 | 14.68 | 17.46 | |
| Kabelstopper kpl. | ||||
| 337 | 6687880 | 4.45 | 5.30 | |
| Bolzen 6x35 alte Art.nr. 990-21060-351 | ||||
| 338 | 6694992 | 1.15 | 1.37 | |
| Ring | ||||
| 339 | 6684639 | 2.15 | 2.56 | |
| Drosselklappenhebel kpl. alte Art.nr. 101-32250-8 | ||||
| 340 | 6686801 | 15.58 | 18.53 | |
| U-mutter alte Art.nr. 991-74060-010 | ||||
| 341 | 6695159 | 1.15 | 1.37 | |
| Steckbolzen kompl. alte Art.nr. 064-33225-80 | ||||
| 342 | 6686434 | 2.31 | 2.75 | |
| Anschlagwinkel alte Art.nr. 163-32250-20 | ||||
| 343 | 6696370 | 6.44 | 7.66 | |
| Stopp-Schalter Ass'y (alt 6687502) | ||||
| 344A | 6601374 | 11.71 | 13.94 | |
| Schalterplatte | ||||
| 345 | 6687949 | 1.15 | 1.37 | |
| Anti Vibrationsgummi | ||||
| 346 | 6691822 | 1.15 | 1.37 | |
| Kabelklemme | ||||
| 347 | 6688022 | 1.15 | 1.37 | |
| Schutzrohr 13x680l (Alter 164-13068-00) | ||||
| 348 | 6687616 | 3.30 | 3.93 | |
| Keine Informationen verfügbar, nicht bestellbar | ||||
| 349 | 6687614 | |||
| Klammer Cg24eks | ||||
| 361 | 6684715 | 2.15 | 2.56 | |
| Nicht mehr lieferbar, kein Ersatz | ||||
| 362 | 6686252 | |||
| Drosselklappen-seil alte Art.nr.885-10253-80 | ||||
| 363 | 6693932 | 11.55 | 13.74 | |
| Justierhebel | ||||
| 364 | 6690816 | 9.08 | 10.80 | |
| Keine Informationen verfügbar, nicht bestellbar | ||||
| 365 | 6692127 | |||
| Keine Informationen verfügbar, nicht bestellbar | ||||
| 366 | 6687737 | |||
| Schutzrohr 13x360l alte Art.nr. 164-13036-00 | ||||
| 367 | 6687607 | 2.31 | 2.75 | |
| Nicht mehr lieferbar, kein Ersatz | ||||
| 368 | 6696507 | |||
| Ring | ||||
| 369 | 6684971 | 1.04 | 1.23 | |
| Befestigungsmutter f. Stoppknopf | ||||
| 370 | 6687935 | 1.15 | 1.37 | |
| Kombischlüssel 10/19 alte Art.nr. 013-29323-50 | ||||
| 501 | 6685257 | 3.30 | 3.93 | |
| Keine Informationen verfügbar, nicht bestellbar | ||||
| 502 | 6693479 | |||
| Plus Antrieb 4 alte Art.nr. 862-20000-20 Till K02 | ||||
| 503 | 6693665 | 3.00 | 3.57 | |
| Schraubenschlüssel 13x17 alte Art.nr.810-20000-20 | ||||
| 504 | 6693498 | 4.45 | 5.30 | |
| Rohrklappstecker 8mm alte Art.nr.820-32250-20 For | ||||
| 505 | 6693554 | 5.11 | 6.08 | |
| Bolzenbefestigung alte Art:nr.821-32203-20 | ||||
| 506 | 6693558 | 1.15 | 1.37 | |
| Typenschild alte Art.nr.906-32255-21 For (300e) | ||||
| 601 | 6694260 | 1.15 | 1.37 | |
| Keine Informationen verfügbar, nicht bestellbar | ||||
| 602 | 6697919 | |||