Hier finden Sie alle verfügbaren Teile und Zeichnungen der 'Hikoki DC120V'. Von hier aus können Sie alle gewünschten Teile direkt bestellen. Viele Teile müssen je nach Marke beim Hersteller bestellt werden, dies dauert ein bis vier Wochen. Alle Informationen, die wir haben, befinden sich auf unserer Website. Wir können Sie nicht beraten, was Sie benötigen. Dazu müssen Sie die Maschine zur Reparatur zurücksenden. Bitte beachten Sie bei der Bestellung Folgendes:
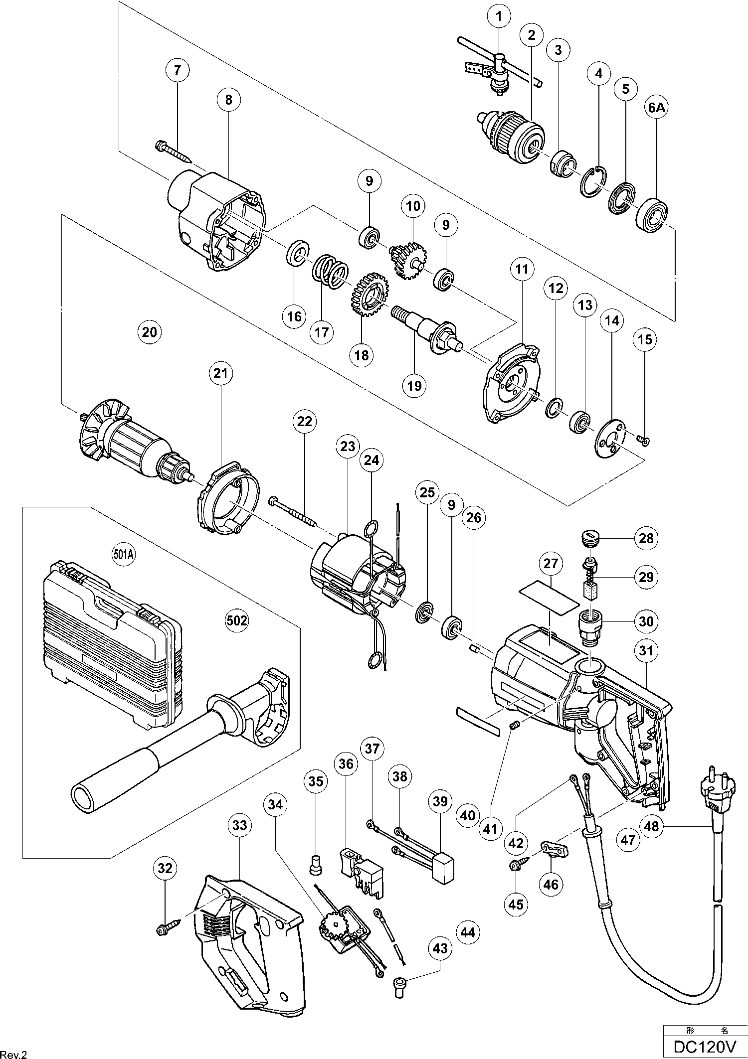
Zeichnungen der Hikoki DC120V
Teileliste der Hikoki DC120V
| Pos. | Beschreibung | Preis ohne MwSt | Preis inkl. MwSt | |
| Die angegebenen Preise enthalten die Mehrwertsteuer | ||||
| Keine Informationen verfügbar, nicht bestellbar | ||||
| 1 | 930515 | |||
| Keine Informationen verfügbar, nicht bestellbar | ||||
| 2 | 321816 | |||
| Mutter | ||||
| 3 | 309125 | 14.70 | 17.49 | |
| Sicherungsring D35 (innen) 10st | ||||
| 4 | 939556 | 10.20 | 12.14 | |
| Dichtung | ||||
| 5 | 981572 | 3.30 | 3.93 | |
| Kugellager 6003 Dd | ||||
| 6A | 6003DD | 7.50 | 8.92 | |
| Kugellager 6202 Dd | ||||
| 6A | 6202DD | 6.75 | 8.03 | |
| Schneidschraube D5x35 M..scheibe | ||||
| 7 | 986140 | 1.05 | 1.25 | |
| Getriebegehäuse Dc120v | ||||
| 8 | 309124 | 37.95 | 45.16 | |
| Kugellager 608 Vvm, C8fshe, Cm5sb, C8fse, H41mb | ||||
| 9 | 608VVM | 5.70 | 6.78 | |
| Keine Informationen verfügbar, nicht bestellbar | ||||
| 10 | 309129 | |||
| Keine Informationen verfügbar, nicht bestellbar | ||||
| 11 | 319542 | |||
| Ring | ||||
| 12 | 984357 | 1.05 | 1.25 | |
| Kugellager 609 Vvm | ||||
| 13 | 609VVM | 6.00 | 7.14 | |
| Keine Informationen verfügbar, nicht bestellbar | ||||
| 14 | 309132 | |||
| Inbus-senkkopfschraube M5x16 (selbstsichernd) | ||||
| 15 | 981588 | 1.04 | 1.23 | |
| Hülse | ||||
| 16 | 300399 | 7.35 | 8.75 | |
| Hülse | ||||
| 16 | 309128 | 6.45 | 7.68 | |
| Feder Dc120v/va | ||||
| 17 | 309167 | 4.50 | 5.36 | |
| Endzahnrad H90sc/se | ||||
| 18 | 309127 | 37.95 | 45.16 | |
| Keine Informationen verfügbar, nicht bestellbar | ||||
| 19 | 309126 | |||
| Keine Informationen verfügbar, nicht bestellbar | ||||
| 20 | 360342E | |||
| Luftführung Cr10v/cr12v u.a. | ||||
| 21 | 981562 | 2.55 | 3.03 | |
| Schneidschraube D5x60, G23ss | ||||
| 22 | 961501 | 1.04 | 1.23 | |
| STATOR ASS'Y 110 VOLT | ||||
| 23 | 340302C | 59.95 | 71.34 | |
| Kohlenhalterklemme Dh28y u.a. H30pv/vb16y/dh30pc/ | ||||
| 24 | 930703 | 2.40 | 2.86 | |
| Staubdichtung (a) Cm6/cr10v u.a. Till 2.1995 | ||||
| 25 | 956387 | 2.10 | 2.50 | |
| GUMMISTIFT (ALT 976441) | ||||
| 26 | 946362 | 1.05 | 1.25 | |
| Kohlenkappe C6u/cr12v u.a.. | ||||
| 28 | 961781 | 2.55 | 3.03 | |
| Kohlenbürsten (paar) H41mb | ||||
| 29 | 999043 | 4.50 | 5.36 | |
| Kohlekasten Zsb | ||||
| 30 | 981586 | 6.45 | 7.68 | |
| Gehaeuse | ||||
| 31 | 983552 | 49.64 | 59.07 | |
| Schneidschraube D4x20 Mit Flansch (schwarz), C8fs | ||||
| 32 | 301653 | 1.04 | 1.23 | |
| Keine Informationen verfügbar, nicht bestellbar | ||||
| 33 | 309123 | |||
| Geschw.regulierer | ||||
| 34 | 983582 | 67.10 | 79.85 | |
| Verbinder 50091 (10st) Div.typen | ||||
| 35 | 959140 | 3.30 | 3.93 | |
| Schalter | ||||
| 36 | 302470 | 10.95 | 13.03 | |
| Kabelschuh M5 (o.iso) Div.typen For Noise Suppres | ||||
| 37 | 938108 | 1.20 | 1.43 | |
| Anschlussklemme | ||||
| 38 | 980063 | 1.04 | 1.23 | |
| Kondensator Div.typen | ||||
| 39 | 994273 | 4.29 | 5.10 | |
| Inbusstiftschraube M4x6 Since 3.1986 | ||||
| 41 | 985114 | 1.05 | 1.25 | |
| Anschlussklemme | ||||
| 42 | 980063 | 1.04 | 1.23 | |
| Verbinder 50092 (10st) Div.typen (usa, Can), C8fs | ||||
| 43 | 959141 | 3.75 | 4.46 | |
| Keine Informationen verfügbar, nicht bestellbar | ||||
| 44 | 309165 | |||
| Keine Informationen verfügbar, nicht bestellbar | ||||
| 45 | 984750 | |||
| Kabelklemme Div.typen, Cm9uby, G23ss | ||||
| 46 | 960266 | 1.04 | 1.23 | |
| Keine Informationen verfügbar, nicht bestellbar | ||||
| 47 | 953327 | |||
| Kabel 2,5 M C7mfa (cord Armor D8.8) For Gbr (110v | ||||
| 48 | 500237Z | 11.40 | 13.57 | |
| Keine Informationen verfügbar, nicht bestellbar | ||||
| 501A | 310905 | |||
| Keine Informationen verfügbar, nicht bestellbar | ||||
| 502 | 309122 | |||