Hier finden Sie alle verfügbaren Teile und Zeichnungen der 'Hikoki DH24PH'. Von hier aus können Sie alle gewünschten Teile direkt bestellen. Viele Teile müssen je nach Marke beim Hersteller bestellt werden, dies dauert ein bis vier Wochen. Alle Informationen, die wir haben, befinden sich auf unserer Website. Wir können Sie nicht beraten, was Sie benötigen. Dazu müssen Sie die Maschine zur Reparatur zurücksenden. Bitte beachten Sie bei der Bestellung Folgendes:
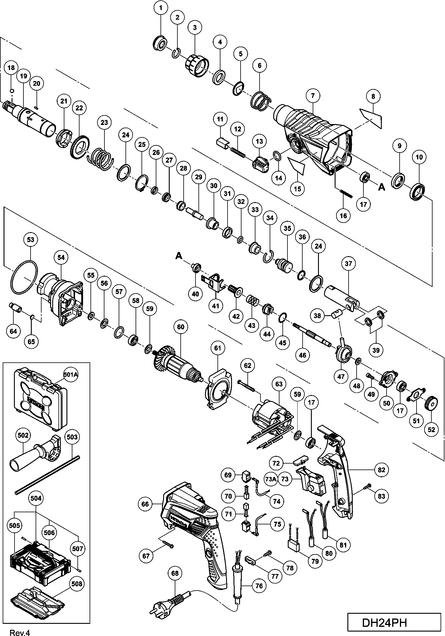
Zeichnungen der Hikoki DH24PH
Teileliste der Hikoki DH24PH
| Pos. | Beschreibung | Preis ohne MwSt | Preis inkl. MwSt | |
| Die angegebenen Preise enthalten die Mehrwertsteuer | ||||
| Keine Informationen verfügbar, nicht bestellbar | ||||
| *503 | 310331 | |||
| Anker 230v | ||||
| *60 | 360962E | 24.34 | 28.96 | |
| ANKER 110 VOLT | ||||
| *60 | 360962C | 22.72 | 27.04 | |
| Stator 220v-230v H90sa Includ.103 Für Nzl,saf | ||||
| *63 | 340866E | 20.76 | 24.71 | |
| VELD 110 VOLT | ||||
| *63 | 340866C | 19.69 | 23.43 | |
| Kabel | ||||
| *68 | 930051 | 14.30 | 17.02 | |
| Schnur | ||||
| *68 | 500240Z | 13.18 | 15.68 | |
| SNOER 2.5M 2 X 1.0 H05VV-F W/PLUG 13A/250V (OLD 50 | ||||
| *68 | 500423Z | 12.87 | 15.32 | |
| SNOER 10.7 (USE 714500=2X1 5M) | ||||
| *68 | 500247Z | 6.18 | 7.35 | |
| SCHAKELAAR 110-127 VOLT | ||||
| *73A | 337388 | 18.10 | 21.54 | |
| Verkabelung (a) Braun | ||||
| *74 | 324537 | 4.35 | 5.18 | |
| Verbinderkabel (a) blau | ||||
| *75 | 324538 | 4.35 | 5.18 | |
| Kabelknickschutz D8.8 Div.typen, Cm5sb | ||||
| *76 | 380090 | 1.04 | 1.24 | |
| Kabelknickschutz D10.1 Div.typen, C8fshe, C8fse | ||||
| *76 | 938051 | 1.04 | 1.23 | |
| Kondensator C6u-c13u u.a., C 8fshe | ||||
| *79 | 930039 | 1.95 | 2.32 | |
| Drosselspule (a) Braun | ||||
| *80 | 335857 | 1.95 | 2.32 | |
| Drosselspule (b) Dh24pc3 | ||||
| *81 | 324551 | 11.55 | 13.74 | |
| Keine Informationen verfügbar, nicht bestellbar | ||||
| 1 | 306345 | |||
| Sicherungsring Dh18vb/dh30pc | ||||
| 2 | 306340 | 1.35 | 1.61 | |
| Schiebegriff Dh24pc3 | ||||
| 3 | 324527 | 3.30 | 3.93 | |
| Kugelhalter Dh24pc3 | ||||
| 4 | 324528 | 6.45 | 7.68 | |
| Halteplatte Dh24pc3 | ||||
| 5 | 324526 | 3.30 | 3.93 | |
| Haltefeder Dh24pb2 | ||||
| 6 | 322812 | 1.65 | 1.96 | |
| Getriebedeckel | ||||
| 7 | 335274 | 19.80 | 23.56 | |
| Getriebedeckel | ||||
| 7A | 335274 | 19.80 | 23.56 | |
| Öldichtung | ||||
| 9 | 335259 | 2.85 | 3.39 | |
| Kugellager 6805dd | ||||
| 10 | 335260 | 3.30 | 3.93 | |
| Druckknopf | ||||
| 11 | 322789 | 4.80 | 5.71 | |
| Druckfeder Dh24pc | ||||
| 12 | 317223 | 1.65 | 1.96 | |
| Umschaltknopf | ||||
| 13 | 334011 | 2.10 | 2.50 | |
| O-ring (s-18) Cr17y/nv65ad2, Nr90aa | ||||
| 14 | 878885 | 1.05 | 1.25 | |
| Feder (e) C8fshe, C8fse | ||||
| 16 | 335800 | 1.04 | 1.23 | |
| Kugellager 608 Vvm, C8fshe, Cm5sb, C8fse, H41mb | ||||
| 17 | 608VVM | 5.70 | 6.78 | |
| Stahlkugel D7.0 (10 Stck.) | ||||
| 18 | 335300 | 1.04 | 1.23 | |
| Zylinder | ||||
| 19 | 335261 | 22.28 | 26.51 | |
| PIN D2.5 | ||||
| 20 | 335264 | 1.04 | 1.23 | |
| Zylinderkupplung | ||||
| 21 | 335263 | 12.45 | 14.82 | |
| Zweites Zahnrad Dh22vb/vd/ Dh24pb-vd/dh20pb | ||||
| 22 | 335265 | 6.15 | 7.32 | |
| Feder (a) | ||||
| 23 | 335266 | 1.50 | 1.78 | |
| Ring | ||||
| 24 | 301679 | 1.20 | 1.43 | |
| Sicherungsring D30 Div.typen Dh30pc | ||||
| 25 | 948310 | 1.35 | 1.61 | |
| Öldichtung (A) | ||||
| 26 | 335262 | 1.80 | 2.14 | |
| Hammerhalter (c) | ||||
| 27 | 335268 | 9.60 | 11.42 | |
| Ärmel (fw) | ||||
| 28 | 335795 | 4.20 | 5.00 | |
| Zweiter Hammer | ||||
| 29 | 335269 | 3.90 | 4.64 | |
| Hammerhalter (a) | ||||
| 30 | 335267 | 3.00 | 3.57 | |
| DÄMPFERING (A) | ||||
| 31 | 322805 | 1.65 | 1.96 | |
| O-ring (c) Dh40ma/mb/mr | ||||
| 32 | 322808 | 1.65 | 1.96 | |
| Dämpferhalter Dh24pc3 | ||||
| 33 | 324524 | 6.45 | 7.68 | |
| STOPFRING | ||||
| 34 | 322807 | 1.65 | 1.96 | |
| Anschlag | ||||
| 35 | 335246 | 4.20 | 5.00 | |
| O-Ring D17 | ||||
| 36 | 335247 | 2.55 | 3.03 | |
| Kolben | ||||
| 37 | 335255 | 1.04 | 1.23 | |
| Kolbenbolzen Dh38ms | ||||
| 38 | 335793 | 3.15 | 3.75 | |
| Kolbenring | ||||
| 39 | 335794 | 1.20 | 1.43 | |
| Ritzelhülse | ||||
| 40 | 335275 | 3.00 | 3.57 | |
| Lagerdeckel (1) | ||||
| 41 | 335276 | 11.10 | 13.21 | |
| Zweites Zahnrad Dh22vb/vd/ Dh24pb-vd/dh20pb | ||||
| 42 | 335278 | 7.20 | 8.57 | |
| Kupplungsfeder Dh24pc2 | ||||
| 43 | 323182 | 1.65 | 1.96 | |
| Kupplung | ||||
| 44 | 335254 | 3.90 | 4.64 | |
| Ring | ||||
| 45 | 331315 | 1.05 | 1.25 | |
| Zweite Welle | ||||
| 46 | 335277 | 6.60 | 7.85 | |
| Wechsellager | ||||
| 47 | 335249 | 13.65 | 16.24 | |
| Lagerscheibe | ||||
| 48 | 335250 | 1.04 | 1.23 | |
| Inbusschraube M5x16 Selbstsich. | ||||
| 49 | 990079 | 1.05 | 1.25 | |
| Lagerhalter | ||||
| 50 | 335270 | 11.40 | 13.57 | |
| Lagerdeckel (1) | ||||
| 51 | 335271 | 1.04 | 1.23 | |
| Erstes Zahnrad H90sc/se | ||||
| 52 | 335253 | 6.75 | 8.03 | |
| O-Ring D72.2 | ||||
| 53 | 335245 | 1.20 | 1.43 | |
| Innendeckel | ||||
| 54 | 335272 | 9.90 | 11.78 | |
| Filzdichtung G12s1/g13yb1/fg12sa2 G13v/g13yd | ||||
| 55 | 322816 | 1.65 | 1.96 | |
| Dichtungsscheibe für Wh14 | ||||
| 56 | 322818 | 3.30 | 3.93 | |
| O-ring (p-22) Dh24pb/pd/nv83a Dh20pb | ||||
| 57 | 876796 | 1.05 | 1.25 | |
| Kugellager 608ddm | ||||
| 58 | 608DDM | 5.55 | 6.60 | |
| Unterlegscheibe (a) Cr17y/dh20pb H30pv/dh30pc/h45 | ||||
| 59 | 982631 | 1.04 | 1.23 | |
| Anker 230v | ||||
| 60 | 360962E | 24.34 | 28.96 | |
| ANKER 110 VOLT | ||||
| 60 | 360962C | 22.72 | 27.04 | |
| Lüfterführung | ||||
| 61 | 335244 | 1.04 | 1.23 | |
| Sechskantschneidschraube D4x45 | ||||
| 62 | 981824 | 1.05 | 1.25 | |
| Stator 220v-230v H90sa Includ.103 Für Nzl,saf | ||||
| 63 | 340866E | 20.76 | 24.71 | |
| VELD 110 VOLT | ||||
| 63 | 340866C | 19.69 | 23.43 | |
| Luftkappe | ||||
| 64 | 334008 | 1.20 | 1.43 | |
| Filzdichtung (a) Dh24pc3 | ||||
| 65 | 324543 | 1.65 | 1.96 | |
| Gehaeuse | ||||
| 66 | 335660 | 7.50 | 8.92 | |
| Gehaeuse | ||||
| 66A | 335660 | 7.50 | 8.92 | |
| SCHRAUBE M4X35 | ||||
| 67 | 301654 | 1.05 | 1.25 | |
| Kabel | ||||
| 68 | 930051 | 14.30 | 17.02 | |
| Schnur | ||||
| 68 | 500240Z | 13.18 | 15.68 | |
| SNOER 2.5M 2 X 1.0 H05VV-F W/PLUG 13A/250V (OLD 50 | ||||
| 68 | 500423Z | 12.87 | 15.32 | |
| SNOER 10.7 (USE 714500=2X1 5M) | ||||
| 68 | 500247Z | 6.18 | 7.35 | |
| Kohlekasten Zsb | ||||
| 69 | 955203 | 2.40 | 2.86 | |
| Kohlenbürsten (paar)cj65v3 | ||||
| 70 | 999041 | 4.50 | 5.36 | |
| Kohlebürsten Selbstabsch.(paar) | ||||
| 71 | 999072 | 14.40 | 17.14 | |
| Druckknopf Dv18v | ||||
| 72 | 322853 | 1.05 | 1.25 | |
| Schalter | ||||
| 73 | 335796 | 17.05 | 20.29 | |
| SCHAKELAAR 110-127 VOLT | ||||
| 73A | 337388 | 18.10 | 21.54 | |
| Verkabelung (a) Braun | ||||
| 74 | 324537 | 4.35 | 5.18 | |
| Verbinderkabel (a) blau | ||||
| 75 | 324538 | 4.35 | 5.18 | |
| Kabelknickschutz D8.8 Div.typen, Cm5sb | ||||
| 76 | 380090 | 1.04 | 1.24 | |
| Kabelknickschutz D10.1 Div.typen, C8fshe, C8fse | ||||
| 76 | 938051 | 1.04 | 1.23 | |
| Kabelklemme Div.typen, C8fshe, Cm5sb, C8fse | ||||
| 77 | 937631 | 1.04 | 1.23 | |
| Keine Informationen verfügbar, nicht bestellbar | ||||
| 78 | 984750 | |||
| Kondensator C6u-c13u u.a., C 8fshe | ||||
| 79 | 930039 | 1.95 | 2.32 | |
| Drosselspule (a) Braun | ||||
| 80 | 335857 | 1.95 | 2.32 | |
| Drosselspule (b) Dh24pc3 | ||||
| 81 | 324551 | 11.55 | 13.74 | |
| Griffabdeckung | ||||
| 82 | 335661 | 3.45 | 4.11 | |
| Schneidschraube D4x20 Mit Flansch (schwarz), C8fs | ||||
| 83 | 301653 | 1.04 | 1.23 | |
| GRIFF ASS'Y | ||||
| 85 | 375172 | 4.50 | 5.36 | |
| Keine Informationen verfügbar, nicht bestellbar | ||||
| 501A | 337257 | |||
| Keine Informationen verfügbar, nicht bestellbar | ||||
| 502 | 324548 | |||
| Keine Informationen verfügbar, nicht bestellbar | ||||
| 503 | 310331 | |||
| Keine Informationen verfügbar, nicht bestellbar | ||||
| 504 | 337739 | |||
| Keine Informationen verfügbar, nicht bestellbar | ||||
| 505 | 336472 | |||
| Keine Informationen verfügbar, nicht bestellbar | ||||
| 506 | 336473 | |||
| Keine Informationen verfügbar, nicht bestellbar | ||||
| 507 | 336474 | |||
| Keine Informationen verfügbar, nicht bestellbar | ||||
| 508 | 337741 | |||
| Keine Informationen verfügbar, nicht bestellbar | ||||
| 601 | 306885 | |||
| Keine Informationen verfügbar, nicht bestellbar | ||||
| 602 | 986802 | |||
| STOFVANGER | ||||
| 603 | 986803 | 6.54 | 7.78 | |
| Dichtung | ||||
| 604 | 986804 | 3.38 | 4.02 | |
| Sicherungsring D30 Div.typen Dh30pc | ||||
| 605 | 948310 | 1.35 | 1.61 | |
| RING | ||||
| 606 | 958063 | 1.00 | 1.19 | |
| Stahlkugel D6,35 (10st) | ||||
| 607 | 959150 | 1.35 | 1.61 | |
| OUTER RACE | ||||
| 608 | 986805 | 4.26 | 5.07 | |
| Steckdose | ||||
| 609 | 986806 | 5.10 | 6.07 | |
| Steckdosenadapter (b) | ||||
| 610 | 306910 | 4.50 | 5.36 | |
| Keine Informationen verfügbar, nicht bestellbar | ||||
| 611 | 971787 | |||
| Keine Informationen verfügbar, nicht bestellbar | ||||
| 612 | 931844 | |||
| Keine Informationen verfügbar, nicht bestellbar | ||||
| 613 | 321814 | |||
| Flachkopfschraube (linke Hand) M6x20 | ||||
| 614 | 331966 | 6.75 | 8.03 | |
| Keine Informationen verfügbar, nicht bestellbar | ||||
| 615 | 321813 | |||
| Keine Informationen verfügbar, nicht bestellbar | ||||
| 616 | 971511Z | |||
| Keine Informationen verfügbar, nicht bestellbar | ||||
| 617 | 971512Z | |||
| Keine Informationen verfügbar, nicht bestellbar | ||||
| 618 | 944477 | |||
| Keine Informationen verfügbar, nicht bestellbar | ||||
| 619 | 982684 | |||
| Keine Informationen verfügbar, nicht bestellbar | ||||
| 620 | 982685 | |||
| Keine Informationen verfügbar, nicht bestellbar | ||||
| 621 | 982672 | |||
| Keine Informationen verfügbar, nicht bestellbar | ||||
| 622 | 982673 | |||
| Keine Informationen verfügbar, nicht bestellbar | ||||
| 623 | 982674 | |||
| Keine Informationen verfügbar, nicht bestellbar | ||||
| 624 | 982686 | |||
| Keine Informationen verfügbar, nicht bestellbar | ||||
| 625 | 982675 | |||
| Keine Informationen verfügbar, nicht bestellbar | ||||
| 626 | 982687 | |||
| Keine Informationen verfügbar, nicht bestellbar | ||||
| 627 | 982676 | |||
| Keine Informationen verfügbar, nicht bestellbar | ||||
| 628 | 982688 | |||
| Keine Informationen verfügbar, nicht bestellbar | ||||
| 629 | 982677 | |||
| Keine Informationen verfügbar, nicht bestellbar | ||||
| 630 | 982689 | |||
| Keine Informationen verfügbar, nicht bestellbar | ||||
| 631 | 982678 | |||
| Keine Informationen verfügbar, nicht bestellbar | ||||
| 632 | 982690 | |||
| Keine Informationen verfügbar, nicht bestellbar | ||||
| 633 | 971794 | |||
| Keine Informationen verfügbar, nicht bestellbar | ||||
| 634 | 971795 | |||
| Keine Informationen verfügbar, nicht bestellbar | ||||
| 635 | 971796 | |||
| Keine Informationen verfügbar, nicht bestellbar | ||||
| 636 | 971797 | |||
| Keine Informationen verfügbar, nicht bestellbar | ||||
| 637 | 971798 | |||
| Keine Informationen verfügbar, nicht bestellbar | ||||
| 638 | 971799 | |||
| Keine Informationen verfügbar, nicht bestellbar | ||||
| 639 | 971800 | |||
| Keine Informationen verfügbar, nicht bestellbar | ||||
| 640 | 971801 | |||
| Keine Informationen verfügbar, nicht bestellbar | ||||
| 641 | 971802 | |||
| Keine Informationen verfügbar, nicht bestellbar | ||||
| 642 | 971803 | |||
| Keine Informationen verfügbar, nicht bestellbar | ||||
| 643 | 944460 | |||
| Keine Informationen verfügbar, nicht bestellbar | ||||
| 644 | 944461 | |||
| Keine Informationen verfügbar, nicht bestellbar | ||||
| 645 | 993038 | |||
| Keine Informationen verfügbar, nicht bestellbar | ||||
| 647 | 944500 | |||
| Keine Informationen verfügbar, nicht bestellbar | ||||
| 649 | 944464 | |||
| Keine Informationen verfügbar, nicht bestellbar | ||||
| 650 | 320859 | |||
| Keine Informationen verfügbar, nicht bestellbar | ||||
| 651 | 303046 | |||
| Keine Informationen verfügbar, nicht bestellbar | ||||
| 652 | 303044 | |||
| Keine Informationen verfügbar, nicht bestellbar | ||||
| 653 | 303045 | |||
| Senkkopfschraube M6x22 Linksgew. | ||||
| 654 | 981122 | 1.35 | 1.61 | |
| Keine Informationen verfügbar, nicht bestellbar | ||||
| 655 | 930515 | |||
| Keine Informationen verfügbar, nicht bestellbar | ||||
| 656 | 302976 | |||
| Keine Informationen verfügbar, nicht bestellbar | ||||
| 657 | 302975 | |||
| Keine Informationen verfügbar, nicht bestellbar | ||||
| 658 | 303621 | |||
| Keine Informationen verfügbar, nicht bestellbar | ||||
| 659 | 302974 | |||
| Keine Informationen verfügbar, nicht bestellbar | ||||
| 660 | 302979 | |||
| Keine Informationen verfügbar, nicht bestellbar | ||||
| 661 | 302978 | |||
| Keine Informationen verfügbar, nicht bestellbar | ||||
| 662 | 303622 | |||
| Keine Informationen verfügbar, nicht bestellbar | ||||
| 663 | 302977 | |||
| Keine Informationen verfügbar, nicht bestellbar | ||||
| 664 | 303332 | |||
| Keine Informationen verfügbar, nicht bestellbar | ||||
| 665 | 303334 | |||
| Keine Informationen verfügbar, nicht bestellbar | ||||
| 666 | 303335 | |||
| Keine Informationen verfügbar, nicht bestellbar | ||||
| 667 | 303617 | |||
| Keine Informationen verfügbar, nicht bestellbar | ||||
| 668 | 303618 | |||
| Keine Informationen verfügbar, nicht bestellbar | ||||
| 669 | 303619 | |||
| Keine Informationen verfügbar, nicht bestellbar | ||||
| 670 | 303620 | |||
| Keine Informationen verfügbar, nicht bestellbar | ||||
| 671 | 303625 | |||
| Keine Informationen verfügbar, nicht bestellbar | ||||
| 672 | 303626 | |||
| Keine Informationen verfügbar, nicht bestellbar | ||||
| 673 | 303627 | |||
| Keine Informationen verfügbar, nicht bestellbar | ||||
| 674 | 303624 | |||
| Keine Informationen verfügbar, nicht bestellbar | ||||
| 675 | 321825 | |||
| Keine Informationen verfügbar, nicht bestellbar | ||||
| 676 | 303623 | |||
| Keine Informationen verfügbar, nicht bestellbar | ||||
| 677 | 306370 | |||
| Fett für Drehhammer (500g) | ||||
| 678 | 335781 | 67.24 | 80.01 | |
| Fett für Drehhammer (60g) | ||||
| 679 | 335782 | 13.50 | 16.06 | |