Hier finden Sie alle verfügbaren Teile und Zeichnungen der 'Hikoki DH25PA'. Von hier aus können Sie alle gewünschten Teile direkt bestellen. Viele Teile müssen je nach Marke beim Hersteller bestellt werden, dies dauert ein bis vier Wochen. Alle Informationen, die wir haben, befinden sich auf unserer Website. Wir können Sie nicht beraten, was Sie benötigen. Dazu müssen Sie die Maschine zur Reparatur zurücksenden. Bitte beachten Sie bei der Bestellung Folgendes:
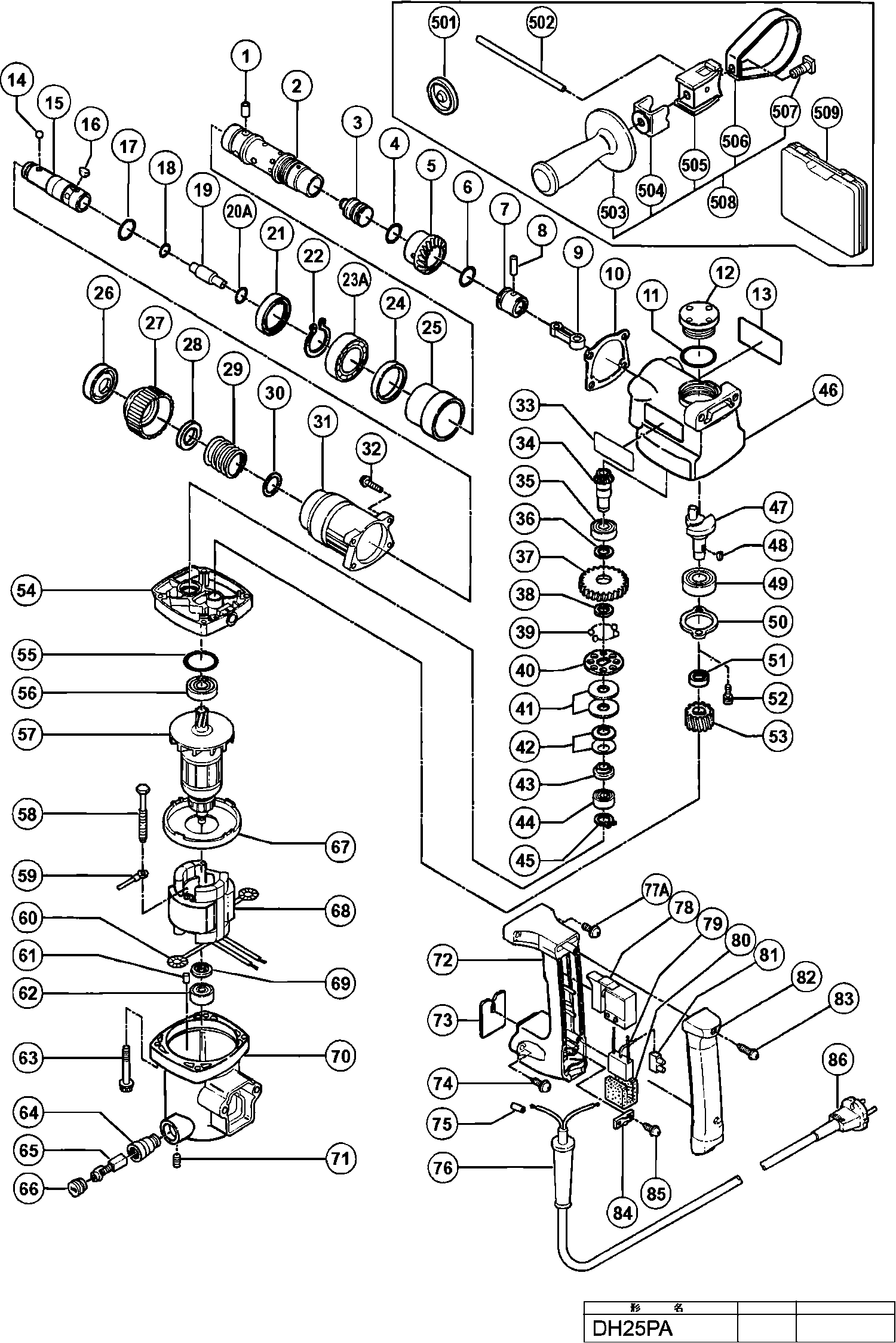
Zeichnungen der Hikoki DH25PA
Teileliste der Hikoki DH25PA
| Pos. | Beschreibung | Preis ohne MwSt | Preis inkl. MwSt | |
| Die angegebenen Preise enthalten die Mehrwertsteuer | ||||
| Kohlebürsten Selbstabsch.(paar) | ||||
| *65 | 999070 | 14.40 | 17.14 | |
| Stator Ass'y 220v einschließlich.63 für Tha | ||||
| *68 | 340451F | 82.50 | 98.18 | |
| Stator 220v-240v Dh25pb inklusive.63 | ||||
| *68 | 340451K | 69.55 | 82.76 | |
| Kabelknickschutz D8.8 Div.typen, Cm5sb | ||||
| *76 | 380090 | 1.04 | 1.24 | |
| Kabelknickschutz D10.1 Div.typen, C8fshe, C8fse | ||||
| *76 | 938051 | 1.04 | 1.23 | |
| Keine Informationen verfügbar, nicht bestellbar | ||||
| *86 | 500457Z | |||
| Nadelstift Dh25pb | ||||
| 1 | 318200 | 4.80 | 5.71 | |
| Zylinder | ||||
| 2 | 318022 | 47.58 | 56.61 | |
| Anschläger Dh25pb | ||||
| 3 | 318024 | 14.99 | 17.84 | |
| O-ring Dh20v/dh25v | ||||
| 4 | 971760 | 1.05 | 1.25 | |
| Drittes Zahnrad Dh20v/dh25pb | ||||
| 5 | 992933 | 37.95 | 45.16 | |
| O-ring Dh20v/dh25v | ||||
| 6 | 971760 | 1.05 | 1.25 | |
| Kolben | ||||
| 7 | 992930 | 18.70 | 22.25 | |
| Kolbenstift Dh20v/dh25pb | ||||
| 8 | 992931 | 1.04 | 1.23 | |
| Stange | ||||
| 9 | 318020 | 4.80 | 5.71 | |
| Dichtung | ||||
| 10 | 980896 | 1.35 | 1.61 | |
| O-ring Vrv16/dh20v/dh25pb | ||||
| 11 | 980948 | 1.05 | 1.25 | |
| Ölkappe Vrv16/dh20v/dh25pb | ||||
| 12 | 980880 | 1.35 | 1.61 | |
| Stahlkugel D7.0 (10st) | ||||
| 14 | 959156 | 1.65 | 1.96 | |
| Werkzeugaufnahme Dh25pb | ||||
| 15 | 318023 | 61.33 | 72.98 | |
| Nadel Dh25pb | ||||
| 16 | 318026 | 12.15 | 14.46 | |
| O-ring (d) Vrv16/dh20v/dh25pb | ||||
| 17 | 980890 | 1.05 | 1.25 | |
| O-ring Dh25pb | ||||
| 18 | 318199 | 1.65 | 1.96 | |
| Zweithammer Dh25pb | ||||
| 19 | 318025 | 10.23 | 12.17 | |
| O-ring (fpm810) Dh22vb/vd/dh24pb/ Dh24pd/vb/vd/dh | ||||
| 20A | 301680 | 2.40 | 2.86 | |
| Öldichtung Dh25pb | ||||
| 21 | 318027 | 10.65 | 12.67 | |
| Sicherungsring D30 Div.typen Dh30pc | ||||
| 22 | 948310 | 1.35 | 1.61 | |
| Kugellager 6906t2cn | ||||
| 23A | 6906T2 | 16.64 | 19.80 | |
| Urethanring Dh20v/dh25pb | ||||
| 24 | 992906 | 5.85 | 6.96 | |
| Rohr | ||||
| 25 | 980891 | 4.20 | 5.00 | |
| Vorderkappe Dh25pb/dh30pc | ||||
| 26 | 318028 | 3.30 | 3.93 | |
| Griff Dh25pb | ||||
| 27 | 318029 | 4.80 | 5.71 | |
| Kugelhalter Dh25pb | ||||
| 28 | 318030 | 4.20 | 5.00 | |
| Haltefeder Dh15dv/dh18vb/dh20pb | ||||
| 29 | 306342 | 3.00 | 3.57 | |
| Scheibe (b) Ds9dva/ds12dva/ds14dv Ds14dva/ds14dvb | ||||
| 30 | 984118 | 1.05 | 1.25 | |
| Zylindergehäuse Dh25pb | ||||
| 31 | 318021 | 15.40 | 18.33 | |
| Inbusschraube M5x25 M.flansch | ||||
| 32 | 992253 | 1.05 | 1.25 | |
| Drittes Ritzel | ||||
| 34 | 992914 | 35.06 | 41.72 | |
| Kugellager 6001 Dd | ||||
| 35 | 6001DD | 6.45 | 7.68 | |
| Ring | ||||
| 36 | 992503 | 1.04 | 1.23 | |
| Zweites Zahnrad Dh20v/dh25pb | ||||
| 37 | 992928 | 21.55 | 25.64 | |
| Haltescheibe Dh20v/dh25pb | ||||
| 38 | 971087 | 1.04 | 1.23 | |
| Stahlkugeln D3.97 (10st), Nr90aa | ||||
| 39 | 959155 | 1.04 | 1.23 | |
| Kupplungsplatte Dh20v/dh25pb | ||||
| 40 | 992916 | 2.10 | 2.50 | |
| Federblech | ||||
| 41 | 992926 | 1.05 | 1.25 | |
| Tellerfeder Vrv16/dh20v/dh25pb For Usa,can | ||||
| 42 | 980877 | 1.05 | 1.25 | |
| Unterlegscheibe | ||||
| 43 | 992504 | 1.04 | 1.23 | |
| Kugellager 608 Vvm, C8fshe, Cm5sb, C8fse, H41mb | ||||
| 44 | 608VVM | 5.70 | 6.78 | |
| Sicherungsring D8 Div.typen | ||||
| 45 | 940079 | 1.04 | 1.23 | |
| Kurbelgehäuse Dh20v/dh25pb/vrv16 | ||||
| 46 | 980920 | 32.78 | 39.00 | |
| Keine Informationen verfügbar, nicht bestellbar | ||||
| 47 | 318038 | |||
| EINLEGEKEIL 2,5X8 | ||||
| 48 | 940220 | 1.35 | 1.61 | |
| Kugellager 6202 Dd | ||||
| 49 | 6202DD | 6.75 | 8.03 | |
| Abdeckung | ||||
| 50 | 980871 | 3.65 | 4.34 | |
| Keine Informationen verfügbar, nicht bestellbar | ||||
| 51 | 318040 | |||
| Kopfschraube M4x12 M.federring Selbstsichernd | ||||
| 52 | 987203 | 1.05 | 1.25 | |
| Erstes Zahnrad H90sc/se | ||||
| 53 | 318039 | 13.80 | 16.42 | |
| Innendeckel | ||||
| 54 | 318352 | 26.54 | 31.58 | |
| O-RING (S-26) | ||||
| 55 | 872470 | 1.65 | 1.96 | |
| Kugellager 6000 Dd | ||||
| 56 | 6000DD | 6.00 | 7.14 | |
| Anker 230v | ||||
| 57 | 360505E | 119.63 | 142.35 | |
| Nicht mehr lieferbar, kein Ersatz | ||||
| 58 | 992509 | |||
| Keine Informationen verfügbar, nicht bestellbar | ||||
| 59 | 318035 | |||
| Kohlenhalterklemme Cn16 u.a. For Aus | ||||
| 60 | 930630 | 1.35 | 1.61 | |
| GUMMISTIFT (ALT 976441) | ||||
| 61 | 946362 | 1.05 | 1.25 | |
| Kugellager 626 Vvm Cj65v3 | ||||
| 62 | 626VVM | 5.70 | 6.78 | |
| Inbusschraube M5x45 M.flansch | ||||
| 63 | 980951 | 1.05 | 1.25 | |
| Kohlenhalter Dh20v/dh25pb/vrv16 (alte Art.nr.9809 | ||||
| 64 | 990721 | 3.30 | 3.93 | |
| Kohlebürsten Selbstabsch.(paar) | ||||
| 65 | 999070 | 14.40 | 17.14 | |
| Kohlenkappe Cn16/d10ya/dh20v u.a. | ||||
| 66 | 937847 | 1.65 | 1.96 | |
| Luftführung Dh20v/dh25pb | ||||
| 67 | 992911 | 2.85 | 3.39 | |
| Stator Ass'y 220v einschließlich.63 für Tha | ||||
| 68 | 340451F | 82.50 | 98.18 | |
| Stator 220v-240v Dh25pb inklusive.63 | ||||
| 68 | 340451K | 69.55 | 82.76 | |
| Unterlegscheibe | ||||
| 69 | 992500 | 1.04 | 1.23 | |
| Motorgehäuse Kompl.dh20v/dh25pb Includ.67,79 | ||||
| 70 | 986812 | 41.80 | 49.74 | |
| Inbusstiftschraube M5x8, C8fshe, C8fse, H41mb,g23 | ||||
| 71 | 938477 | 1.05 | 1.25 | |
| Handgriff Dh25pb | ||||
| 72 | 318018 | 19.94 | 23.73 | |
| Platte | ||||
| 73 | 980900 | 1.04 | 1.23 | |
| Schneidschraube D5x25 M.flansch (schwarz), C8fshe | ||||
| 74 | 305558 | 1.04 | 1.23 | |
| Kanalhülse für Kabel (d) Div.typen, Cm9uby, G23ss | ||||
| 75 | 981373 | 1.05 | 1.25 | |
| Kabelknickschutz D8.8 Div.typen, Cm5sb | ||||
| 76 | 380090 | 1.04 | 1.24 | |
| Kabelknickschutz D10.1 Div.typen, C8fshe, C8fse | ||||
| 76 | 938051 | 1.04 | 1.23 | |
| Inbusschraube M5x30 M.u-scheibe (schwarz) | ||||
| 77A | 880881 | 1.05 | 1.25 | |
| Schalter | ||||
| 78 | 318033 | 35.06 | 41.72 | |
| Kondensator Div.typen | ||||
| 79 | 994273 | 4.29 | 5.10 | |
| Polster (b) Dh25pb/h30pv/dh30pc H45mr Except For | ||||
| 80 | 317492 | 1.65 | 1.96 | |
| Schraubklemme 1-reihig Div.typen Till 10.1999 For | ||||
| 81 | 938307 | 2.13 | 2.53 | |
| Handgriffdeckel Dh25pb | ||||
| 82 | 318019 | 19.94 | 23.73 | |
| Schneidschraube D4x20 Mit Flansch (schwarz), C8fs | ||||
| 83 | 301653 | 1.04 | 1.23 | |
| Kabelklemme Div.typen, C8fshe, Cm5sb, C8fse | ||||
| 84 | 937631 | 1.04 | 1.23 | |
| Keine Informationen verfügbar, nicht bestellbar | ||||
| 85 | 984750 | |||
| Keine Informationen verfügbar, nicht bestellbar | ||||
| 86 | 500390Z | |||
| Keine Informationen verfügbar, nicht bestellbar | ||||
| 501 | 971787 | |||
| Keine Informationen verfügbar, nicht bestellbar | ||||
| 502 | 980906 | |||
| Keine Informationen verfügbar, nicht bestellbar | ||||
| 503 | 980901 | |||
| Halter Dh20v/dh25v/pb | ||||
| 504 | 980905 | 1.35 | 1.61 | |
| Seitengriffhalter Vrv16/dh20v u.a | ||||
| 505 | 980902 | 7.05 | 8.39 | |
| Band Vrv16/dh20v/dh25pb | ||||
| 506 | 980904 | 2.70 | 3.21 | |
| Spezialschraube M8 Dh20v/dh25pb | ||||
| 507 | 980903 | 1.35 | 1.61 | |
| Keine Informationen verfügbar, nicht bestellbar | ||||
| 508 | 980939 | |||
| Keine Informationen verfügbar, nicht bestellbar | ||||
| 509 | 318307 | |||
| Keine Informationen verfügbar, nicht bestellbar | ||||
| 601 | 303571 | |||
| Keine Informationen verfügbar, nicht bestellbar | ||||
| 602 | 303572 | |||
| Keine Informationen verfügbar, nicht bestellbar | ||||
| 603 | 303573 | |||
| Keine Informationen verfügbar, nicht bestellbar | ||||
| 604 | 303574 | |||
| Keine Informationen verfügbar, nicht bestellbar | ||||
| 605 | 303575 | |||
| Keine Informationen verfügbar, nicht bestellbar | ||||
| 606 | 303578 | |||
| Keine Informationen verfügbar, nicht bestellbar | ||||
| 607 | 303576 | |||
| Keine Informationen verfügbar, nicht bestellbar | ||||
| 608 | 303577 | |||
| Keine Informationen verfügbar, nicht bestellbar | ||||
| 609 | 303579 | |||
| Keine Informationen verfügbar, nicht bestellbar | ||||
| 610 | 303580 | |||
| Keine Informationen verfügbar, nicht bestellbar | ||||
| 611 | 303581 | |||
| Keine Informationen verfügbar, nicht bestellbar | ||||
| 612 | 303582 | |||
| Keine Informationen verfügbar, nicht bestellbar | ||||
| 613 | 303583 | |||
| Keine Informationen verfügbar, nicht bestellbar | ||||
| 614 | 303584 | |||
| Keine Informationen verfügbar, nicht bestellbar | ||||
| 615 | 303585 | |||
| Keine Informationen verfügbar, nicht bestellbar | ||||
| 616 | 303586 | |||
| Keine Informationen verfügbar, nicht bestellbar | ||||
| 617 | 303587 | |||
| Keine Informationen verfügbar, nicht bestellbar | ||||
| 618 | 303588 | |||
| Keine Informationen verfügbar, nicht bestellbar | ||||
| 619 | 303604 | |||
| Keine Informationen verfügbar, nicht bestellbar | ||||
| 620 | 303589 | |||
| Keine Informationen verfügbar, nicht bestellbar | ||||
| 621 | 303605 | |||
| Keine Informationen verfügbar, nicht bestellbar | ||||
| 622 | 303590 | |||
| Keine Informationen verfügbar, nicht bestellbar | ||||
| 623 | 303591 | |||
| Keine Informationen verfügbar, nicht bestellbar | ||||
| 624 | 303606 | |||
| Keine Informationen verfügbar, nicht bestellbar | ||||
| 625 | 303592 | |||
| Keine Informationen verfügbar, nicht bestellbar | ||||
| 626 | 303607 | |||
| Keine Informationen verfügbar, nicht bestellbar | ||||
| 627 | 303593 | |||
| Keine Informationen verfügbar, nicht bestellbar | ||||
| 628 | 303608 | |||
| Keine Informationen verfügbar, nicht bestellbar | ||||
| 629 | 303594 | |||
| Keine Informationen verfügbar, nicht bestellbar | ||||
| 630 | 303595 | |||
| Keine Informationen verfügbar, nicht bestellbar | ||||
| 631 | 303596 | |||
| Keine Informationen verfügbar, nicht bestellbar | ||||
| 632 | 303609 | |||
| Keine Informationen verfügbar, nicht bestellbar | ||||
| 633 | 303597 | |||
| Keine Informationen verfügbar, nicht bestellbar | ||||
| 634 | 303610 | |||
| Keine Informationen verfügbar, nicht bestellbar | ||||
| 635 | 303598 | |||
| Keine Informationen verfügbar, nicht bestellbar | ||||
| 636 | 303599 | |||
| Keine Informationen verfügbar, nicht bestellbar | ||||
| 637 | 303611 | |||
| Keine Informationen verfügbar, nicht bestellbar | ||||
| 638 | 303600 | |||
| Keine Informationen verfügbar, nicht bestellbar | ||||
| 639 | 303601 | |||
| Keine Informationen verfügbar, nicht bestellbar | ||||
| 640 | 308485 | |||
| Keine Informationen verfügbar, nicht bestellbar | ||||
| 641 | 303602 | |||
| Keine Informationen verfügbar, nicht bestellbar | ||||
| 642 | 303612 | |||
| Keine Informationen verfügbar, nicht bestellbar | ||||
| 643 | 303603 | |||
| Keine Informationen verfügbar, nicht bestellbar | ||||
| 644 | 303613 | |||
| Keine Informationen verfügbar, nicht bestellbar | ||||
| 645 | 303614 | |||
| Keine Informationen verfügbar, nicht bestellbar | ||||
| 646 | 303615 | |||
| Keine Informationen verfügbar, nicht bestellbar | ||||
| 647 | 308486 | |||
| Keine Informationen verfügbar, nicht bestellbar | ||||
| 648 | 303616 | |||
| Keine Informationen verfügbar, nicht bestellbar | ||||
| 656 | 303617 | |||
| Keine Informationen verfügbar, nicht bestellbar | ||||
| 657 | 303618 | |||
| Keine Informationen verfügbar, nicht bestellbar | ||||
| 658 | 944477 | |||
| Keine Informationen verfügbar, nicht bestellbar | ||||
| 659 | 302976 | |||
| Keine Informationen verfügbar, nicht bestellbar | ||||
| 660 | 302975 | |||
| Keine Informationen verfügbar, nicht bestellbar | ||||
| 661 | 303621 | |||
| Keine Informationen verfügbar, nicht bestellbar | ||||
| 662 | 302974 | |||
| Keine Informationen verfügbar, nicht bestellbar | ||||
| 663 | 302979 | |||
| Keine Informationen verfügbar, nicht bestellbar | ||||
| 664 | 302978 | |||
| Keine Informationen verfügbar, nicht bestellbar | ||||
| 665 | 303622 | |||
| Keine Informationen verfügbar, nicht bestellbar | ||||
| 666 | 302977 | |||
| Keine Informationen verfügbar, nicht bestellbar | ||||
| 667 | 971794 | |||
| Keine Informationen verfügbar, nicht bestellbar | ||||
| 668 | 971795 | |||
| Keine Informationen verfügbar, nicht bestellbar | ||||
| 669 | 971796 | |||
| Keine Informationen verfügbar, nicht bestellbar | ||||
| 670 | 971797 | |||
| Keine Informationen verfügbar, nicht bestellbar | ||||
| 671 | 971798 | |||
| Keine Informationen verfügbar, nicht bestellbar | ||||
| 672 | 971799 | |||
| Keine Informationen verfügbar, nicht bestellbar | ||||
| 673 | 971800 | |||
| Keine Informationen verfügbar, nicht bestellbar | ||||
| 674 | 971801 | |||
| Keine Informationen verfügbar, nicht bestellbar | ||||
| 675 | 971802 | |||
| Keine Informationen verfügbar, nicht bestellbar | ||||
| 676 | 971803 | |||
| Keine Informationen verfügbar, nicht bestellbar | ||||
| 677 | 303044 | |||
| Keine Informationen verfügbar, nicht bestellbar | ||||
| 678 | 303045 | |||
| Keine Informationen verfügbar, nicht bestellbar | ||||
| 679 | 321813 | |||
| Keine Informationen verfügbar, nicht bestellbar | ||||
| 680 | 930515 | |||
| Keine Informationen verfügbar, nicht bestellbar | ||||
| 681 | 982672 | |||
| Keine Informationen verfügbar, nicht bestellbar | ||||
| 688 | 982679 | |||
| Keine Informationen verfügbar, nicht bestellbar | ||||
| 691 | 982686 | |||
| Keine Informationen verfügbar, nicht bestellbar | ||||
| 692 | 982687 | |||
| Keine Informationen verfügbar, nicht bestellbar | ||||
| 693 | 982688 | |||
| Keine Informationen verfügbar, nicht bestellbar | ||||
| 694 | 982689 | |||
| Keine Informationen verfügbar, nicht bestellbar | ||||
| 695 | 982690 | |||
| Keine Informationen verfügbar, nicht bestellbar | ||||
| 696 | 982691 | |||
| Keine Informationen verfügbar, nicht bestellbar | ||||
| 697 | 982692 | |||
| Keine Informationen verfügbar, nicht bestellbar | ||||
| 698 | 982693 | |||
| Keine Informationen verfügbar, nicht bestellbar | ||||
| 699 | 982684 | |||
| Keine Informationen verfügbar, nicht bestellbar | ||||
| 700 | 982685 | |||
| Keine Informationen verfügbar, nicht bestellbar | ||||
| 701 | 303625 | |||
| Keine Informationen verfügbar, nicht bestellbar | ||||
| 702 | 303626 | |||
| Keine Informationen verfügbar, nicht bestellbar | ||||
| 703 | 303627 | |||
| Keine Informationen verfügbar, nicht bestellbar | ||||
| 704 | 303046 | |||
| Keine Informationen verfügbar, nicht bestellbar | ||||
| 705 | 306885 | |||
| Steckdosenadapter (b) | ||||
| 706 | 306910 | 4.50 | 5.36 | |
| Keine Informationen verfügbar, nicht bestellbar | ||||
| 707 | 303619 | |||
| Keine Informationen verfügbar, nicht bestellbar | ||||
| 708 | 303620 | |||
| Fett (tube 30 Gramm) | ||||
| 709 | 981840 | 8.40 | 10.00 | |
| Fett für Hammer. Hammerbohrer (70g) | ||||
| 710 | 308471 | 12.75 | 15.17 | |
| Fett (Dose 500 Gramm) | ||||
| 711 | 980927 | 73.01 | 86.88 | |