Hier finden Sie alle verfügbaren Teile und Zeichnungen der 'Hikoki DH25PB'. Von hier aus können Sie alle gewünschten Teile direkt bestellen. Viele Teile müssen je nach Marke beim Hersteller bestellt werden, dies dauert ein bis vier Wochen. Alle Informationen, die wir haben, befinden sich auf unserer Website. Wir können Sie nicht beraten, was Sie benötigen. Dazu müssen Sie die Maschine zur Reparatur zurücksenden. Bitte beachten Sie bei der Bestellung Folgendes:
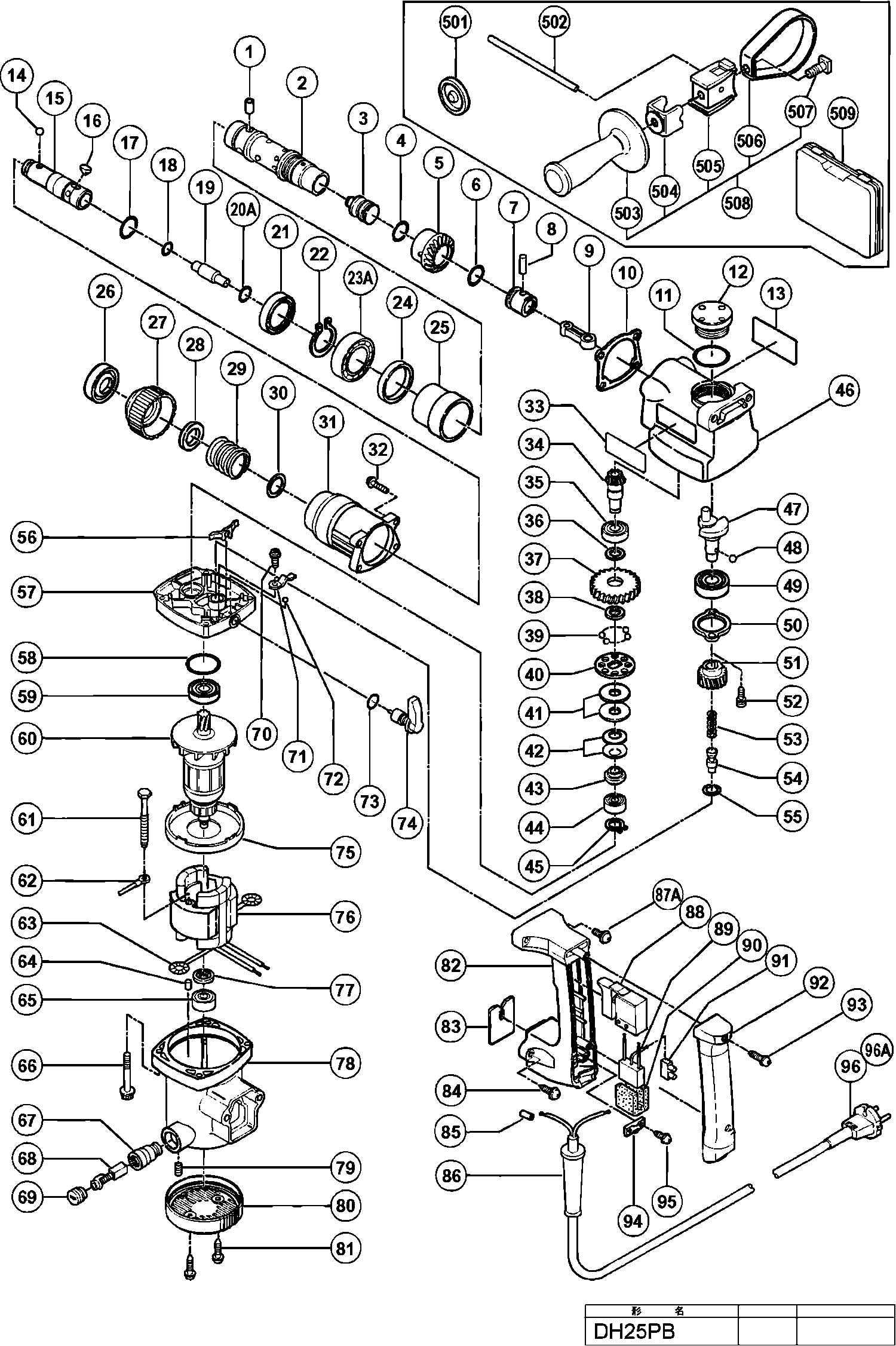
Zeichnungen der Hikoki DH25PB
Teileliste der Hikoki DH25PB
| Pos. | Beschreibung | Preis ohne MwSt | Preis inkl. MwSt | |
| Die angegebenen Preise enthalten die Mehrwertsteuer | ||||
| Nadelstift Dh25pb | ||||
| 1 | 318200 | 4.80 | 5.71 | |
| Zylinder | ||||
| 2 | 318022 | 47.58 | 56.61 | |
| Anschläger Dh25pb | ||||
| 3 | 318024 | 14.99 | 17.84 | |
| O-ring Dh20v/dh25v | ||||
| 4 | 971760 | 1.05 | 1.25 | |
| Drittes Zahnrad Dh20v/dh25pb | ||||
| 5 | 992933 | 37.95 | 45.16 | |
| O-ring Dh20v/dh25v | ||||
| 6 | 971760 | 1.05 | 1.25 | |
| Kolben | ||||
| 7 | 992930 | 18.70 | 22.25 | |
| Kolbenstift Dh20v/dh25pb | ||||
| 8 | 992931 | 1.04 | 1.23 | |
| Stange | ||||
| 9 | 318020 | 4.80 | 5.71 | |
| Dichtung | ||||
| 10 | 980896 | 1.35 | 1.61 | |
| O-ring Vrv16/dh20v/dh25pb | ||||
| 11 | 980948 | 1.05 | 1.25 | |
| Ölkappe Vrv16/dh20v/dh25pb | ||||
| 12 | 980880 | 1.35 | 1.61 | |
| Stahlkugel D7.0 (10st) | ||||
| 14 | 959156 | 1.65 | 1.96 | |
| Werkzeugaufnahme Dh25pb | ||||
| 15 | 318023 | 61.33 | 72.98 | |
| Nadel Dh25pb | ||||
| 16 | 318026 | 12.15 | 14.46 | |
| O-ring (d) Vrv16/dh20v/dh25pb | ||||
| 17 | 980890 | 1.05 | 1.25 | |
| O-ring Dh25pb | ||||
| 18 | 318199 | 1.65 | 1.96 | |
| Zweithammer Dh25pb | ||||
| 19 | 318025 | 10.23 | 12.17 | |
| O-ring (fpm810) Dh22vb/vd/dh24pb/ Dh24pd/vb/vd/dh | ||||
| 20A | 301680 | 2.40 | 2.86 | |
| Öldichtung Dh25pb | ||||
| 21 | 318027 | 10.65 | 12.67 | |
| Sicherungsring D30 Div.typen Dh30pc | ||||
| 22 | 948310 | 1.35 | 1.61 | |
| Kugellager 6906t2cn | ||||
| 23A | 6906T2 | 16.64 | 19.80 | |
| Urethanring Dh20v/dh25pb | ||||
| 24 | 992906 | 5.85 | 6.96 | |
| Rohr | ||||
| 25 | 980891 | 4.20 | 5.00 | |
| Vorderkappe Dh25pb/dh30pc | ||||
| 26 | 318028 | 3.30 | 3.93 | |
| Griff Dh25pb | ||||
| 27 | 318029 | 4.80 | 5.71 | |
| Kugelhalter Dh25pb | ||||
| 28 | 318030 | 4.20 | 5.00 | |
| Haltefeder Dh15dv/dh18vb/dh20pb | ||||
| 29 | 306342 | 3.00 | 3.57 | |
| Scheibe (b) Ds9dva/ds12dva/ds14dv Ds14dva/ds14dvb | ||||
| 30 | 984118 | 1.05 | 1.25 | |
| Zylindergehäuse Dh25pb | ||||
| 31 | 318021 | 15.40 | 18.33 | |
| Inbusschraube M5x25 M.flansch | ||||
| 32 | 992253 | 1.05 | 1.25 | |
| Drittes Ritzel | ||||
| 34 | 992914 | 35.06 | 41.72 | |
| Kugellager 6001 Dd | ||||
| 35 | 6001DD | 6.45 | 7.68 | |
| Ring | ||||
| 36 | 992503 | 1.04 | 1.23 | |
| Zweites Zahnrad Dh20v/dh25pb | ||||
| 37 | 992928 | 21.55 | 25.64 | |
| Haltescheibe Dh20v/dh25pb | ||||
| 38 | 971087 | 1.04 | 1.23 | |
| Stahlkugeln D3.97 (10st), Nr90aa | ||||
| 39 | 959155 | 1.04 | 1.23 | |
| Kupplungsplatte Dh20v/dh25pb | ||||
| 40 | 992916 | 2.10 | 2.50 | |
| Federblech | ||||
| 41 | 992926 | 1.05 | 1.25 | |
| Tellerfeder Vrv16/dh20v/dh25pb For Usa,can | ||||
| 42 | 980877 | 1.05 | 1.25 | |
| Unterlegscheibe | ||||
| 43 | 992504 | 1.04 | 1.23 | |
| Kugellager 608 Vvm, C8fshe, Cm5sb, C8fse, H41mb | ||||
| 44 | 608VVM | 5.70 | 6.78 | |
| Sicherungsring D8 Div.typen | ||||
| 45 | 940079 | 1.04 | 1.23 | |
| Kurbelgehäuse Dh20v/dh25pb/vrv16 | ||||
| 46 | 980920 | 32.78 | 39.00 | |
| Kurbelwelle | ||||
| 47 | 318034 | 37.54 | 44.67 | |
| Stahlkugel D4.76 (10 Stück) | ||||
| 48 | 959149 | 1.04 | 1.23 | |
| Kugellager 6202 Dd | ||||
| 49 | 6202DD | 6.75 | 8.03 | |
| Abdeckung | ||||
| 50 | 980871 | 3.65 | 4.34 | |
| Erstes Zahnrad Dh20v/dh25pb | ||||
| 51 | 992902 | 15.26 | 18.16 | |
| Kopfschraube M4x12 M.federring Selbstsichernd | ||||
| 52 | 987203 | 1.05 | 1.25 | |
| Kupplungsfeder Dh20v/dh25pb | ||||
| 53 | 992937 | 1.04 | 1.23 | |
| Kupplungswelle Dh20v/dh25pb | ||||
| 54 | 992938 | 5.40 | 6.43 | |
| Druckunterlegscheibe Dh20v/dh25pb | ||||
| 55 | 992506 | 1.04 | 1.23 | |
| STOPVEER | ||||
| 56 | 986276 | 1.38 | 1.64 | |
| Getriebegehaeuse | ||||
| 57 | 992925 | 37.95 | 45.16 | |
| O-RING (S-26) | ||||
| 58 | 872470 | 1.65 | 1.96 | |
| Kugellager 6000 Dd | ||||
| 59 | 6000DD | 6.00 | 7.14 | |
| Anker 230v | ||||
| 60 | 360505E | 119.63 | 142.35 | |
| Nicht mehr lieferbar, kein Ersatz | ||||
| 61 | 992509 | |||
| Keine Informationen verfügbar, nicht bestellbar | ||||
| 62 | 318035 | |||
| Kohlenhalterklemme Cn16 u.a. For Aus | ||||
| 63 | 930630 | 1.35 | 1.61 | |
| GUMMISTIFT (ALT 976441) | ||||
| 64 | 946362 | 1.05 | 1.25 | |
| Kugellager 626 Vvm Cj65v3 | ||||
| 65 | 626VVM | 5.70 | 6.78 | |
| Inbusschraube M5x45 M.flansch | ||||
| 66 | 980951 | 1.05 | 1.25 | |
| Kohlenhalter Dh20v/dh25pb/vrv16 (alte Art.nr.9809 | ||||
| 67 | 990721 | 3.30 | 3.93 | |
| Kohlebürsten Selbstabsch.(paar) | ||||
| 68 | 999070 | 14.40 | 17.14 | |
| Kohlenkappe Cn16/d10ya/dh20v u.a. | ||||
| 69 | 937847 | 1.65 | 1.96 | |
| Kopfschraube M4x8 M.federring Selbstsichern, Cm5s | ||||
| 70 | 991207 | 1.04 | 1.23 | |
| VEERPLAAT | ||||
| 71 | 992936 | 1.74 | 2.07 | |
| Stahlkugel D3.175 (10st) (alte Art.nr.939270) Wh1 | ||||
| 72 | 959148 | 1.05 | 1.25 | |
| O-ring (s-8)dh20v/dh24pb/pd/ Dh20pb | ||||
| 73 | 992912 | 1.05 | 1.25 | |
| Wechselhebel Kompl. Dh25pb Inkl. Pos. 73 | ||||
| 74 | 302140 | 18.84 | 22.42 | |
| Luftführung Dh20v/dh25pb | ||||
| 75 | 992911 | 2.85 | 3.39 | |
| Stator Ass'y 220v einschließlich.63 für Tha | ||||
| 76 | 340451F | 82.50 | 98.18 | |
| Stator 220v-240v Dh25pb inklusive.63 | ||||
| 76 | 340451K | 69.55 | 82.76 | |
| Unterlegscheibe | ||||
| 77 | 992500 | 1.04 | 1.23 | |
| Motorgehäuse Kompl.dh20v/dh25pb Includ.67,79 | ||||
| 78 | 986812 | 41.80 | 49.74 | |
| Inbusstiftschraube M5x8, C8fshe, C8fse, H41mb,g23 | ||||
| 79 | 938477 | 1.05 | 1.25 | |
| Abdeckplatte | ||||
| 80 | 318031 | 6.45 | 7.68 | |
| Keine Informationen verfügbar, nicht bestellbar | ||||
| 81 | 309470 | |||
| Handgriff Dh25pb | ||||
| 82 | 318018 | 19.94 | 23.73 | |
| Platte | ||||
| 83 | 980900 | 1.04 | 1.23 | |
| Schneidschraube D5x25 M.flansch (schwarz), C8fshe | ||||
| 84 | 305558 | 1.04 | 1.23 | |
| Kanalhülse für Kabel (d) Div.typen, Cm9uby, G23ss | ||||
| 85 | 981373 | 1.05 | 1.25 | |
| Kabelknickschutz D8.8 Div.typen, Cm5sb | ||||
| 86 | 380090 | 1.04 | 1.24 | |
| Kabelknickschutz D10.1 Div.typen, C8fshe, C8fse | ||||
| 86 | 938051 | 1.04 | 1.23 | |
| Inbusschraube M5x30 M.u-scheibe (schwarz) | ||||
| 87A | 880881 | 1.05 | 1.25 | |
| Schalter | ||||
| 88 | 318032 | 35.06 | 41.72 | |
| Schalter | ||||
| 88 | 318033 | 35.06 | 41.72 | |
| Kondensator Div.typen | ||||
| 89 | 994273 | 4.29 | 5.10 | |
| Polster (b) Dh25pb/h30pv/dh30pc H45mr Except For | ||||
| 90 | 317492 | 1.65 | 1.96 | |
| Schraubklemme 1-reihig Div.typen Till 10.1999 For | ||||
| 91 | 938307 | 2.13 | 2.53 | |
| Handgriffdeckel Dh25pb | ||||
| 92 | 318019 | 19.94 | 23.73 | |
| Schneidschraube D4x20 Mit Flansch (schwarz), C8fs | ||||
| 93 | 301653 | 1.04 | 1.23 | |
| Kabelklemme Div.typen, C8fshe, Cm5sb, C8fse | ||||
| 94 | 937631 | 1.04 | 1.23 | |
| Keine Informationen verfügbar, nicht bestellbar | ||||
| 95 | 984750 | |||
| Nicht mehr lieferbar, kein Ersatz | ||||
| 96 | 500391Z | |||
| Kabel 4m 2 X 1.0 H07rn-f W/Stecker 16a Cee Form 2p | ||||
| 96A | 500465Z | 37.95 | 45.16 | |
| Keine Informationen verfügbar, nicht bestellbar | ||||
| 501 | 971787 | |||
| Keine Informationen verfügbar, nicht bestellbar | ||||
| 502 | 980906 | |||
| Keine Informationen verfügbar, nicht bestellbar | ||||
| 503 | 980901 | |||
| Halter Dh20v/dh25v/pb | ||||
| 504 | 980905 | 1.35 | 1.61 | |
| Seitengriffhalter Vrv16/dh20v u.a | ||||
| 505 | 980902 | 7.05 | 8.39 | |
| Band Vrv16/dh20v/dh25pb | ||||
| 506 | 980904 | 2.70 | 3.21 | |
| Spezialschraube M8 Dh20v/dh25pb | ||||
| 507 | 980903 | 1.35 | 1.61 | |
| Keine Informationen verfügbar, nicht bestellbar | ||||
| 508 | 980939 | |||
| Keine Informationen verfügbar, nicht bestellbar | ||||
| 509 | 318307 | |||
| Keine Informationen verfügbar, nicht bestellbar | ||||
| 601 | 303571 | |||
| Keine Informationen verfügbar, nicht bestellbar | ||||
| 602 | 303572 | |||
| Keine Informationen verfügbar, nicht bestellbar | ||||
| 603 | 303573 | |||
| Keine Informationen verfügbar, nicht bestellbar | ||||
| 604 | 303574 | |||
| Keine Informationen verfügbar, nicht bestellbar | ||||
| 605 | 303575 | |||
| Keine Informationen verfügbar, nicht bestellbar | ||||
| 606 | 303578 | |||
| Keine Informationen verfügbar, nicht bestellbar | ||||
| 607 | 303576 | |||
| Keine Informationen verfügbar, nicht bestellbar | ||||
| 608 | 303577 | |||
| Keine Informationen verfügbar, nicht bestellbar | ||||
| 609 | 303579 | |||
| Keine Informationen verfügbar, nicht bestellbar | ||||
| 610 | 303580 | |||
| Keine Informationen verfügbar, nicht bestellbar | ||||
| 611 | 303581 | |||
| Keine Informationen verfügbar, nicht bestellbar | ||||
| 612 | 303582 | |||
| Keine Informationen verfügbar, nicht bestellbar | ||||
| 613 | 303583 | |||
| Keine Informationen verfügbar, nicht bestellbar | ||||
| 614 | 303584 | |||
| Keine Informationen verfügbar, nicht bestellbar | ||||
| 615 | 303585 | |||
| Keine Informationen verfügbar, nicht bestellbar | ||||
| 616 | 303586 | |||
| Keine Informationen verfügbar, nicht bestellbar | ||||
| 617 | 303587 | |||
| Keine Informationen verfügbar, nicht bestellbar | ||||
| 618 | 303588 | |||
| Keine Informationen verfügbar, nicht bestellbar | ||||
| 619 | 303604 | |||
| Keine Informationen verfügbar, nicht bestellbar | ||||
| 620 | 303589 | |||
| Keine Informationen verfügbar, nicht bestellbar | ||||
| 621 | 303605 | |||
| Keine Informationen verfügbar, nicht bestellbar | ||||
| 622 | 303590 | |||
| Keine Informationen verfügbar, nicht bestellbar | ||||
| 623 | 303591 | |||
| Keine Informationen verfügbar, nicht bestellbar | ||||
| 624 | 303606 | |||
| Keine Informationen verfügbar, nicht bestellbar | ||||
| 625 | 303592 | |||
| Keine Informationen verfügbar, nicht bestellbar | ||||
| 626 | 303607 | |||
| Keine Informationen verfügbar, nicht bestellbar | ||||
| 627 | 303593 | |||
| Keine Informationen verfügbar, nicht bestellbar | ||||
| 628 | 303608 | |||
| Keine Informationen verfügbar, nicht bestellbar | ||||
| 629 | 303594 | |||
| Keine Informationen verfügbar, nicht bestellbar | ||||
| 630 | 303595 | |||
| Keine Informationen verfügbar, nicht bestellbar | ||||
| 631 | 303596 | |||
| Keine Informationen verfügbar, nicht bestellbar | ||||
| 632 | 303609 | |||
| Keine Informationen verfügbar, nicht bestellbar | ||||
| 633 | 303597 | |||
| Keine Informationen verfügbar, nicht bestellbar | ||||
| 634 | 303610 | |||
| Keine Informationen verfügbar, nicht bestellbar | ||||
| 635 | 303598 | |||
| Keine Informationen verfügbar, nicht bestellbar | ||||
| 636 | 303599 | |||
| Keine Informationen verfügbar, nicht bestellbar | ||||
| 637 | 303611 | |||
| Keine Informationen verfügbar, nicht bestellbar | ||||
| 638 | 303600 | |||
| Keine Informationen verfügbar, nicht bestellbar | ||||
| 639 | 303601 | |||
| Keine Informationen verfügbar, nicht bestellbar | ||||
| 640 | 308485 | |||
| Keine Informationen verfügbar, nicht bestellbar | ||||
| 641 | 303602 | |||
| Keine Informationen verfügbar, nicht bestellbar | ||||
| 642 | 303612 | |||
| Keine Informationen verfügbar, nicht bestellbar | ||||
| 643 | 303603 | |||
| Keine Informationen verfügbar, nicht bestellbar | ||||
| 644 | 303613 | |||
| Keine Informationen verfügbar, nicht bestellbar | ||||
| 645 | 303614 | |||
| Keine Informationen verfügbar, nicht bestellbar | ||||
| 646 | 303615 | |||
| Keine Informationen verfügbar, nicht bestellbar | ||||
| 647 | 308486 | |||
| Keine Informationen verfügbar, nicht bestellbar | ||||
| 648 | 303616 | |||
| Keine Informationen verfügbar, nicht bestellbar | ||||
| 649 | 303619 | |||
| Keine Informationen verfügbar, nicht bestellbar | ||||
| 650 | 303620 | |||
| Keine Informationen verfügbar, nicht bestellbar | ||||
| 651 | 303624 | |||
| Keine Informationen verfügbar, nicht bestellbar | ||||
| 652 | 944460 | |||
| Keine Informationen verfügbar, nicht bestellbar | ||||
| 653 | 944461 | |||
| Keine Informationen verfügbar, nicht bestellbar | ||||
| 654 | 993038 | |||
| Keine Informationen verfügbar, nicht bestellbar | ||||
| 656 | 944500 | |||
| Keine Informationen verfügbar, nicht bestellbar | ||||
| 658 | 944464 | |||
| Keine Informationen verfügbar, nicht bestellbar | ||||
| 659 | 303617 | |||
| Keine Informationen verfügbar, nicht bestellbar | ||||
| 660 | 303618 | |||
| Keine Informationen verfügbar, nicht bestellbar | ||||
| 661 | 944477 | |||
| Keine Informationen verfügbar, nicht bestellbar | ||||
| 662 | 303332 | |||
| Keine Informationen verfügbar, nicht bestellbar | ||||
| 663 | 303334 | |||
| Keine Informationen verfügbar, nicht bestellbar | ||||
| 664 | 303335 | |||
| Keine Informationen verfügbar, nicht bestellbar | ||||
| 665 | 302976 | |||
| Keine Informationen verfügbar, nicht bestellbar | ||||
| 666 | 302975 | |||
| Keine Informationen verfügbar, nicht bestellbar | ||||
| 667 | 303621 | |||
| Keine Informationen verfügbar, nicht bestellbar | ||||
| 668 | 302974 | |||
| Keine Informationen verfügbar, nicht bestellbar | ||||
| 669 | 302979 | |||
| Keine Informationen verfügbar, nicht bestellbar | ||||
| 670 | 302978 | |||
| Keine Informationen verfügbar, nicht bestellbar | ||||
| 671 | 303622 | |||
| Keine Informationen verfügbar, nicht bestellbar | ||||
| 672 | 302977 | |||
| Keine Informationen verfügbar, nicht bestellbar | ||||
| 673 | 971794 | |||
| Keine Informationen verfügbar, nicht bestellbar | ||||
| 674 | 971795 | |||
| Keine Informationen verfügbar, nicht bestellbar | ||||
| 675 | 971796 | |||
| Keine Informationen verfügbar, nicht bestellbar | ||||
| 676 | 971797 | |||
| Keine Informationen verfügbar, nicht bestellbar | ||||
| 677 | 971798 | |||
| Keine Informationen verfügbar, nicht bestellbar | ||||
| 678 | 971799 | |||
| Keine Informationen verfügbar, nicht bestellbar | ||||
| 679 | 971800 | |||
| Keine Informationen verfügbar, nicht bestellbar | ||||
| 680 | 971801 | |||
| Keine Informationen verfügbar, nicht bestellbar | ||||
| 681 | 971802 | |||
| Keine Informationen verfügbar, nicht bestellbar | ||||
| 682 | 971803 | |||
| Keine Informationen verfügbar, nicht bestellbar | ||||
| 683 | 303044 | |||
| Keine Informationen verfügbar, nicht bestellbar | ||||
| 684 | 303045 | |||
| Keine Informationen verfügbar, nicht bestellbar | ||||
| 685 | 321813 | |||
| Keine Informationen verfügbar, nicht bestellbar | ||||
| 686 | 930515 | |||
| Keine Informationen verfügbar, nicht bestellbar | ||||
| 687 | 303623 | |||
| Keine Informationen verfügbar, nicht bestellbar | ||||
| 688 | 982672 | |||
| Keine Informationen verfügbar, nicht bestellbar | ||||
| 689 | 982673 | |||
| Keine Informationen verfügbar, nicht bestellbar | ||||
| 690 | 982674 | |||
| Keine Informationen verfügbar, nicht bestellbar | ||||
| 691 | 982675 | |||
| Keine Informationen verfügbar, nicht bestellbar | ||||
| 692 | 982676 | |||
| Keine Informationen verfügbar, nicht bestellbar | ||||
| 693 | 982677 | |||
| Keine Informationen verfügbar, nicht bestellbar | ||||
| 694 | 982678 | |||
| Keine Informationen verfügbar, nicht bestellbar | ||||
| 695 | 982679 | |||
| Keine Informationen verfügbar, nicht bestellbar | ||||
| 696 | 982680 | |||
| Keine Informationen verfügbar, nicht bestellbar | ||||
| 697 | 982681 | |||
| Keine Informationen verfügbar, nicht bestellbar | ||||
| 698 | 982686 | |||
| Keine Informationen verfügbar, nicht bestellbar | ||||
| 699 | 982687 | |||
| Keine Informationen verfügbar, nicht bestellbar | ||||
| 700 | 982688 | |||
| Keine Informationen verfügbar, nicht bestellbar | ||||
| 701 | 982689 | |||
| Keine Informationen verfügbar, nicht bestellbar | ||||
| 702 | 982690 | |||
| Keine Informationen verfügbar, nicht bestellbar | ||||
| 703 | 982691 | |||
| Keine Informationen verfügbar, nicht bestellbar | ||||
| 704 | 982692 | |||
| Keine Informationen verfügbar, nicht bestellbar | ||||
| 705 | 982693 | |||
| Keine Informationen verfügbar, nicht bestellbar | ||||
| 706 | 982684 | |||
| Keine Informationen verfügbar, nicht bestellbar | ||||
| 707 | 982685 | |||
| Keine Informationen verfügbar, nicht bestellbar | ||||
| 708 | 303625 | |||
| Keine Informationen verfügbar, nicht bestellbar | ||||
| 709 | 303626 | |||
| Keine Informationen verfügbar, nicht bestellbar | ||||
| 710 | 303627 | |||
| Keine Informationen verfügbar, nicht bestellbar | ||||
| 711 | 303046 | |||
| Keine Informationen verfügbar, nicht bestellbar | ||||
| 712 | 306885 | |||
| Steckdosenadapter (b) | ||||
| 713 | 306910 | 4.50 | 5.36 | |
| Fett (tube 30 Gramm) | ||||
| 714 | 981840 | 8.40 | 10.00 | |
| Fett für Hammer. Hammerbohrer (70g) | ||||
| 715 | 308471 | 12.75 | 15.17 | |
| Fett (Dose 500 Gramm) | ||||
| 716 | 980927 | 73.01 | 86.88 | |