Hier finden Sie alle verfügbaren Teile und Zeichnungen der 'Hikoki DH26PB'. Von hier aus können Sie alle gewünschten Teile direkt bestellen. Viele Teile müssen je nach Marke beim Hersteller bestellt werden, dies dauert ein bis vier Wochen. Alle Informationen, die wir haben, befinden sich auf unserer Website. Wir können Sie nicht beraten, was Sie benötigen. Dazu müssen Sie die Maschine zur Reparatur zurücksenden. Bitte beachten Sie bei der Bestellung Folgendes:
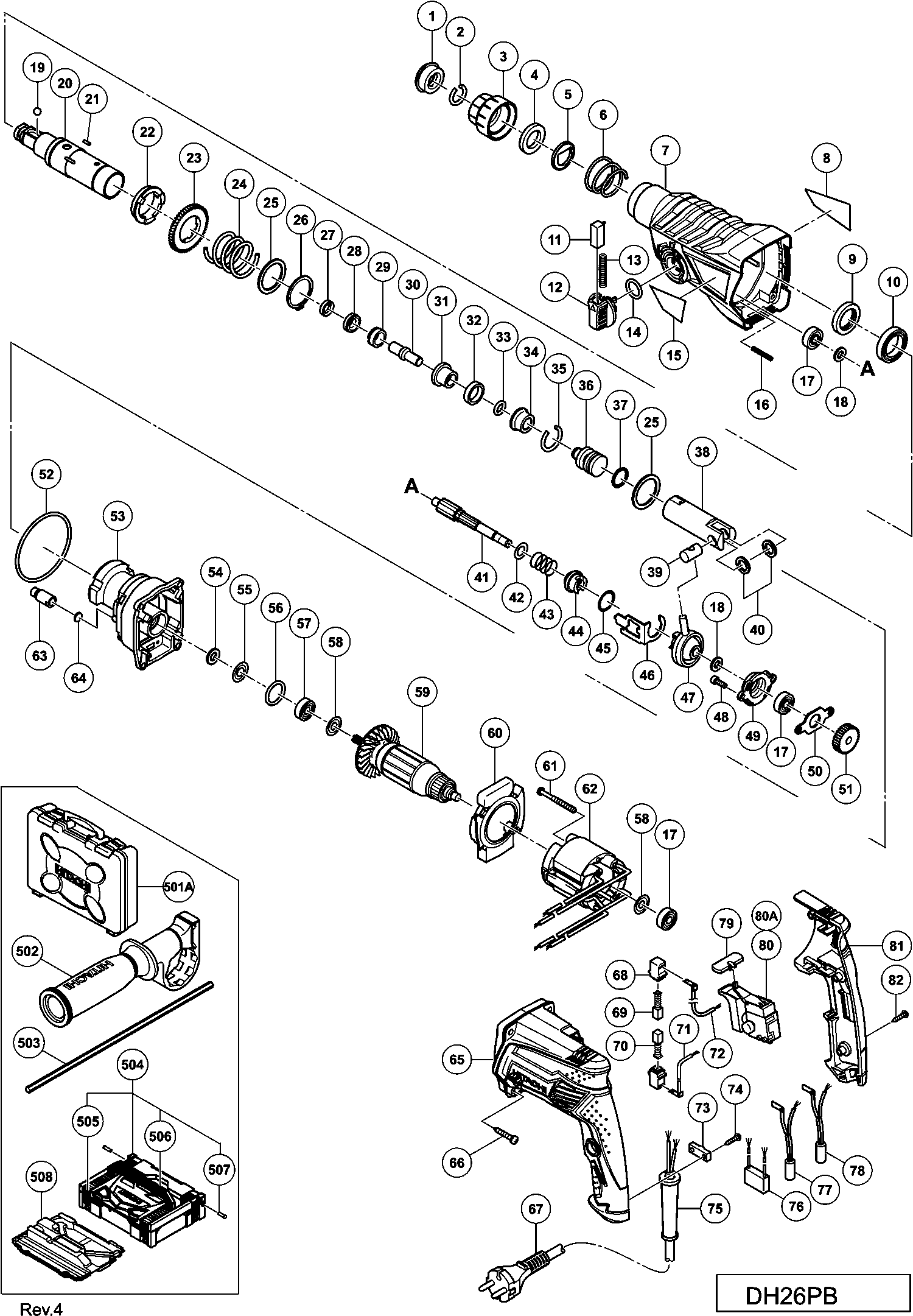
Zeichnungen der Hikoki DH26PB
Teileliste der Hikoki DH26PB
| Pos. | Beschreibung | Preis ohne MwSt | Preis inkl. MwSt | |
| Die angegebenen Preise enthalten die Mehrwertsteuer | ||||
| Keine Informationen verfügbar, nicht bestellbar | ||||
| 1 | 306345 | |||
| Sicherungsring Dh18vb/dh30pc | ||||
| 2 | 306340 | 1.35 | 1.61 | |
| Schiebegriff Dh24pc3 | ||||
| 3 | 324527 | 3.30 | 3.93 | |
| Kugelhalter Dh24pc3 | ||||
| 4 | 324528 | 6.45 | 7.68 | |
| Halteplatte Dh24pc3 | ||||
| 5 | 324526 | 3.30 | 3.93 | |
| Haltefeder Dh24pb2 | ||||
| 6 | 322812 | 1.65 | 1.96 | |
| Getriebedeckel | ||||
| 7 | 335258 | 19.80 | 23.56 | |
| Öldichtung | ||||
| 9 | 335259 | 2.85 | 3.39 | |
| Kugellager 6805dd | ||||
| 10 | 335260 | 3.30 | 3.93 | |
| Druckknopf | ||||
| 11 | 322789 | 4.80 | 5.71 | |
| Umschaltknopf | ||||
| 12 | 334011 | 2.10 | 2.50 | |
| Druckfeder Dh24pc | ||||
| 13 | 317223 | 1.65 | 1.96 | |
| O-ring (s-18) Cr17y/nv65ad2, Nr90aa | ||||
| 14 | 878885 | 1.05 | 1.25 | |
| Feder (e) C8fshe, C8fse | ||||
| 16 | 335800 | 1.04 | 1.23 | |
| Kugellager 608 Vvm, C8fshe, Cm5sb, C8fse, H41mb | ||||
| 17 | 608VVM | 5.70 | 6.78 | |
| Lagerscheibe | ||||
| 18 | 335250 | 1.04 | 1.23 | |
| Stahlkugel D7.0 (10 Stck.) | ||||
| 19 | 335300 | 1.04 | 1.23 | |
| Zylinder | ||||
| 20 | 335261 | 22.28 | 26.51 | |
| PIN D2.5 | ||||
| 21 | 335264 | 1.04 | 1.23 | |
| Zylinderkupplung | ||||
| 22 | 335263 | 12.45 | 14.82 | |
| Zweites Zahnrad Dh22vb/vd/ Dh24pb-vd/dh20pb | ||||
| 23 | 335265 | 6.15 | 7.32 | |
| Feder (a) | ||||
| 24 | 335266 | 1.50 | 1.78 | |
| Ring | ||||
| 25 | 301679 | 1.20 | 1.43 | |
| Sicherungsring D30 Div.typen Dh30pc | ||||
| 26 | 948310 | 1.35 | 1.61 | |
| Öldichtung (A) | ||||
| 27 | 335262 | 1.80 | 2.14 | |
| Hammerhalter (c) | ||||
| 28 | 335268 | 9.60 | 11.42 | |
| Ärmel (fw) | ||||
| 29 | 335795 | 4.20 | 5.00 | |
| Zweiter Hammer | ||||
| 30 | 335269 | 3.90 | 4.64 | |
| Hammerhalter (a) | ||||
| 31 | 335267 | 3.00 | 3.57 | |
| DÄMPFERING (A) | ||||
| 32 | 322805 | 1.65 | 1.96 | |
| O-ring (c) Dh40ma/mb/mr | ||||
| 33 | 322808 | 1.65 | 1.96 | |
| Dämpferhalter Dh24pc3 | ||||
| 34 | 324524 | 6.45 | 7.68 | |
| STOPFRING | ||||
| 35 | 322807 | 1.65 | 1.96 | |
| Anschlag | ||||
| 36 | 335246 | 4.20 | 5.00 | |
| O-Ring D17 | ||||
| 37 | 335247 | 2.55 | 3.03 | |
| Kolben | ||||
| 38 | 335255 | 1.04 | 1.23 | |
| Kolbenbolzen Dh38ms | ||||
| 39 | 335793 | 3.15 | 3.75 | |
| Kolbenring | ||||
| 40 | 335794 | 1.20 | 1.43 | |
| Zweite Welle | ||||
| 41 | 335248 | 6.15 | 7.32 | |
| Unterlegscheibe (c) Dh24pb2 | ||||
| 42 | 335251 | 1.04 | 1.23 | |
| Kupplungsfeder Dh24pc2 | ||||
| 43 | 323182 | 1.65 | 1.96 | |
| Kupplung | ||||
| 44 | 335254 | 3.90 | 4.64 | |
| Ring | ||||
| 45 | 331315 | 1.05 | 1.25 | |
| Wechselplatte | ||||
| 46 | 335252 | 1.04 | 1.23 | |
| Wechsellager | ||||
| 47 | 335249 | 13.65 | 16.24 | |
| Inbusschraube M5x16 Selbstsich. | ||||
| 48 | 990079 | 1.05 | 1.25 | |
| Lagerhalter | ||||
| 49 | 335270 | 11.40 | 13.57 | |
| Lagerdeckel (1) | ||||
| 50 | 335271 | 1.04 | 1.23 | |
| Erstes Zahnrad H90sc/se | ||||
| 51 | 335253 | 6.75 | 8.03 | |
| O-Ring D72.2 | ||||
| 52 | 335245 | 1.20 | 1.43 | |
| Innendeckel | ||||
| 53 | 335272 | 9.90 | 11.78 | |
| Filzdichtung G12s1/g13yb1/fg12sa2 G13v/g13yd | ||||
| 54 | 322816 | 1.65 | 1.96 | |
| Dichtungsscheibe für Wh14 | ||||
| 55 | 322818 | 3.30 | 3.93 | |
| O-ring (p-22) Dh24pb/pd/nv83a Dh20pb | ||||
| 56 | 876796 | 1.05 | 1.25 | |
| Kugellager 608ddm | ||||
| 57 | 608DDM | 5.55 | 6.60 | |
| Unterlegscheibe (a) Cr17y/dh20pb H30pv/dh30pc/h45 | ||||
| 58 | 982631 | 1.04 | 1.23 | |
| ANKER 110-127 VOLT | ||||
| 59 | 360961U | 26.95 | 32.07 | |
| Anker 220-230 Volt | ||||
| 59 | 360961E | 24.48 | 29.13 | |
| Lüfterführung | ||||
| 60 | 335244 | 1.04 | 1.23 | |
| Sechskantschneidschraube D4x50 | ||||
| 61 | 961672 | 1.04 | 1.23 | |
| Stator 220v-230v H90sa Includ.103 Für Nzl,saf | ||||
| 62 | 340850E | 17.33 | 20.62 | |
| VELD 110-127 VOLT | ||||
| 62 | 340850C | 16.17 | 19.24 | |
| Luftkappe | ||||
| 63 | 334008 | 1.20 | 1.43 | |
| Filzdichtung (a) Dh24pc3 | ||||
| 64 | 324543 | 1.65 | 1.96 | |
| Gehäuse | ||||
| 65 | 335241 | 9.60 | 11.42 | |
| SCHRAUBE M4X35 | ||||
| 66 | 301654 | 1.05 | 1.25 | |
| Kabel 4m 2 X 1.0 H07rn-f W/Stecker 16a Cee Form 2p | ||||
| 67 | 500465Z | 37.95 | 45.16 | |
| Kabel 5m 2 X 1,0 W/Stecker 13a/250v Für Gbr | ||||
| 67 | 500440Z | 20.49 | 24.38 | |
| Kohlekasten Zsb | ||||
| 68 | 955203 | 2.40 | 2.86 | |
| Kohlenbürsten (paar)cj65v3 | ||||
| 69 | 999041 | 4.50 | 5.36 | |
| Kohlebürsten Selbstabsch.(paar) | ||||
| 70 | 999072 | 14.40 | 17.14 | |
| Verbinderkabel (a) blau | ||||
| 71 | 324538 | 4.35 | 5.18 | |
| Verkabelung (a) Braun | ||||
| 72 | 324537 | 4.35 | 5.18 | |
| Kabelklemme Div.typen, C8fshe, Cm5sb, C8fse | ||||
| 73 | 937631 | 1.04 | 1.23 | |
| Keine Informationen verfügbar, nicht bestellbar | ||||
| 74 | 984750 | |||
| Kabelknickschutz D8.8 Div.typen, Cm5sb | ||||
| 75 | 380090 | 1.04 | 1.24 | |
| Kabelknickschutz D10.1 Div.typen, C8fshe, C8fse | ||||
| 75 | 938051 | 1.04 | 1.23 | |
| Kondensator C6u-c13u u.a., C 8fshe | ||||
| 76 | 930039 | 1.95 | 2.32 | |
| Drosselspule (a) Braun | ||||
| 77 | 335857 | 1.95 | 2.32 | |
| Drosselspule (b) Dh24pc3 | ||||
| 78 | 324551 | 11.55 | 13.74 | |
| Druckknopf Dv18v | ||||
| 79 | 322853 | 1.05 | 1.25 | |
| Schalter | ||||
| 80 | 335796 | 17.05 | 20.29 | |
| Griffabdeckung | ||||
| 81 | 335242 | 4.35 | 5.18 | |
| Schneidschraube D4x20 Mit Flansch (schwarz), C8fs | ||||
| 82 | 301653 | 1.04 | 1.23 | |
| Keine Informationen verfügbar, nicht bestellbar | ||||
| 501A | 337257 | |||
| Seitengriff | ||||
| 502 | 335273 | 8.85 | 10.53 | |
| Keine Informationen verfügbar, nicht bestellbar | ||||
| 503 | 310331 | |||
| Keine Informationen verfügbar, nicht bestellbar | ||||
| 504 | 337739 | |||
| Keine Informationen verfügbar, nicht bestellbar | ||||
| 505 | 336472 | |||
| Keine Informationen verfügbar, nicht bestellbar | ||||
| 506 | 336473 | |||
| Keine Informationen verfügbar, nicht bestellbar | ||||
| 507 | 336474 | |||
| Keine Informationen verfügbar, nicht bestellbar | ||||
| 508 | 337741 | |||
| Keine Informationen verfügbar, nicht bestellbar | ||||
| 601 | 306885 | |||
| Keine Informationen verfügbar, nicht bestellbar | ||||
| 602 | 986802 | |||
| STOFVANGER | ||||
| 603 | 986803 | 6.54 | 7.78 | |
| Dichtung | ||||
| 604 | 986804 | 3.38 | 4.02 | |
| Sicherungsring D30 Div.typen Dh30pc | ||||
| 605 | 948310 | 1.35 | 1.61 | |
| RING | ||||
| 606 | 958063 | 1.00 | 1.19 | |
| Stahlkugel D6,35 (10st) | ||||
| 607 | 959150 | 1.35 | 1.61 | |
| OUTER RACE | ||||
| 608 | 986805 | 4.26 | 5.07 | |
| Steckdose | ||||
| 609 | 986806 | 5.10 | 6.07 | |
| Steckdosenadapter (b) | ||||
| 610 | 306910 | 4.50 | 5.36 | |
| Keine Informationen verfügbar, nicht bestellbar | ||||
| 611 | 971787 | |||
| Keine Informationen verfügbar, nicht bestellbar | ||||
| 612 | 931844 | |||
| Keine Informationen verfügbar, nicht bestellbar | ||||
| 613 | 321814 | |||
| Flachkopfschraube (linke Hand) M6x20 | ||||
| 614 | 331966 | 6.75 | 8.03 | |
| Keine Informationen verfügbar, nicht bestellbar | ||||
| 615 | 321813 | |||
| Keine Informationen verfügbar, nicht bestellbar | ||||
| 616 | 971511Z | |||
| Keine Informationen verfügbar, nicht bestellbar | ||||
| 617 | 971512Z | |||
| Keine Informationen verfügbar, nicht bestellbar | ||||
| 618 | 944477 | |||
| Keine Informationen verfügbar, nicht bestellbar | ||||
| 619 | 982684 | |||
| Keine Informationen verfügbar, nicht bestellbar | ||||
| 620 | 982685 | |||
| Keine Informationen verfügbar, nicht bestellbar | ||||
| 621 | 982672 | |||
| Keine Informationen verfügbar, nicht bestellbar | ||||
| 622 | 982673 | |||
| Keine Informationen verfügbar, nicht bestellbar | ||||
| 623 | 982674 | |||
| Keine Informationen verfügbar, nicht bestellbar | ||||
| 624 | 982686 | |||
| Keine Informationen verfügbar, nicht bestellbar | ||||
| 625 | 982675 | |||
| Keine Informationen verfügbar, nicht bestellbar | ||||
| 626 | 982687 | |||
| Keine Informationen verfügbar, nicht bestellbar | ||||
| 627 | 982676 | |||
| Keine Informationen verfügbar, nicht bestellbar | ||||
| 628 | 982688 | |||
| Keine Informationen verfügbar, nicht bestellbar | ||||
| 629 | 982677 | |||
| Keine Informationen verfügbar, nicht bestellbar | ||||
| 630 | 982689 | |||
| Keine Informationen verfügbar, nicht bestellbar | ||||
| 631 | 982678 | |||
| Keine Informationen verfügbar, nicht bestellbar | ||||
| 632 | 982690 | |||
| Keine Informationen verfügbar, nicht bestellbar | ||||
| 633 | 971794 | |||
| Keine Informationen verfügbar, nicht bestellbar | ||||
| 634 | 971795 | |||
| Keine Informationen verfügbar, nicht bestellbar | ||||
| 635 | 971796 | |||
| Keine Informationen verfügbar, nicht bestellbar | ||||
| 636 | 971797 | |||
| Keine Informationen verfügbar, nicht bestellbar | ||||
| 637 | 971798 | |||
| Keine Informationen verfügbar, nicht bestellbar | ||||
| 638 | 971799 | |||
| Keine Informationen verfügbar, nicht bestellbar | ||||
| 639 | 971800 | |||
| Keine Informationen verfügbar, nicht bestellbar | ||||
| 640 | 971801 | |||
| Keine Informationen verfügbar, nicht bestellbar | ||||
| 641 | 971802 | |||
| Keine Informationen verfügbar, nicht bestellbar | ||||
| 642 | 971803 | |||
| Keine Informationen verfügbar, nicht bestellbar | ||||
| 643 | 944460 | |||
| Keine Informationen verfügbar, nicht bestellbar | ||||
| 644 | 944461 | |||
| Keine Informationen verfügbar, nicht bestellbar | ||||
| 645 | 993038 | |||
| Keine Informationen verfügbar, nicht bestellbar | ||||
| 647 | 944500 | |||
| Keine Informationen verfügbar, nicht bestellbar | ||||
| 649 | 944464 | |||
| Keine Informationen verfügbar, nicht bestellbar | ||||
| 650 | 320859 | |||
| Keine Informationen verfügbar, nicht bestellbar | ||||
| 651 | 303046 | |||
| Keine Informationen verfügbar, nicht bestellbar | ||||
| 652 | 303044 | |||
| Keine Informationen verfügbar, nicht bestellbar | ||||
| 653 | 303045 | |||
| Senkkopfschraube M6x22 Linksgew. | ||||
| 654 | 981122 | 1.35 | 1.61 | |
| Keine Informationen verfügbar, nicht bestellbar | ||||
| 655 | 930515 | |||
| Keine Informationen verfügbar, nicht bestellbar | ||||
| 656 | 302976 | |||
| Keine Informationen verfügbar, nicht bestellbar | ||||
| 657 | 302975 | |||
| Keine Informationen verfügbar, nicht bestellbar | ||||
| 658 | 303621 | |||
| Keine Informationen verfügbar, nicht bestellbar | ||||
| 659 | 302974 | |||
| Keine Informationen verfügbar, nicht bestellbar | ||||
| 660 | 302979 | |||
| Keine Informationen verfügbar, nicht bestellbar | ||||
| 661 | 302978 | |||
| Keine Informationen verfügbar, nicht bestellbar | ||||
| 662 | 303622 | |||
| Keine Informationen verfügbar, nicht bestellbar | ||||
| 663 | 302977 | |||
| Keine Informationen verfügbar, nicht bestellbar | ||||
| 664 | 303332 | |||
| Keine Informationen verfügbar, nicht bestellbar | ||||
| 665 | 303334 | |||
| Keine Informationen verfügbar, nicht bestellbar | ||||
| 666 | 303335 | |||
| Keine Informationen verfügbar, nicht bestellbar | ||||
| 667 | 303617 | |||
| Keine Informationen verfügbar, nicht bestellbar | ||||
| 668 | 303618 | |||
| Keine Informationen verfügbar, nicht bestellbar | ||||
| 669 | 303619 | |||
| Keine Informationen verfügbar, nicht bestellbar | ||||
| 670 | 303620 | |||
| Keine Informationen verfügbar, nicht bestellbar | ||||
| 671 | 303625 | |||
| Keine Informationen verfügbar, nicht bestellbar | ||||
| 672 | 303626 | |||
| Keine Informationen verfügbar, nicht bestellbar | ||||
| 673 | 303627 | |||
| Keine Informationen verfügbar, nicht bestellbar | ||||
| 674 | 303624 | |||
| Keine Informationen verfügbar, nicht bestellbar | ||||
| 675 | 321825 | |||
| Keine Informationen verfügbar, nicht bestellbar | ||||
| 676 | 303623 | |||
| Keine Informationen verfügbar, nicht bestellbar | ||||
| 677 | 306370 | |||
| Fett für Drehhammer (500g) | ||||
| 678 | 335781 | 67.24 | 80.01 | |
| Fett für Drehhammer (60g) | ||||
| 679 | 335782 | 13.50 | 16.06 | |