Hier finden Sie alle verfügbaren Teile und Zeichnungen der 'Hikoki DH30PC2'. Von hier aus können Sie alle gewünschten Teile direkt bestellen. Viele Teile müssen je nach Marke beim Hersteller bestellt werden, dies dauert ein bis vier Wochen. Alle Informationen, die wir haben, befinden sich auf unserer Website. Wir können Sie nicht beraten, was Sie benötigen. Dazu müssen Sie die Maschine zur Reparatur zurücksenden. Bitte beachten Sie bei der Bestellung Folgendes:
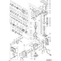
Zeichnungen der Hikoki DH30PC2
Teileliste der Hikoki DH30PC2
| Pos. | Beschreibung | Preis ohne MwSt | Preis inkl. MwSt | |
| Die angegebenen Preise enthalten die Mehrwertsteuer | ||||
| Polster (b) Dh25pb/h30pv/dh30pc H45mr Except For | ||||
| *118 | 317492 | 1.65 | 1.96 | |
| Verbinder 50091 (10st) Div.typen | ||||
| *119 | 959140 | 3.30 | 3.93 | |
| Kabelknickschutz D8.8 Div.typen, Cm5sb | ||||
| *122 | 380090 | 1.04 | 1.24 | |
| Kabelknickschutz D10.1 Div.typen, C8fshe, C8fse | ||||
| *122 | 938051 | 1.04 | 1.23 | |
| Kabel 5m 2 X 1,0 W/Stecker 13a/250v Für Gbr | ||||
| *123 | 500440Z | 20.49 | 24.38 | |
| Anschlusskabel (cord Armor D8.8) For Pan | ||||
| *123 | 500447Z | 6.60 | 7.85 | |
| Anker 220-230 Volt | ||||
| *67 | 360768E | 107.94 | 128.45 | |
| ANKER 110 VOLT | ||||
| *67 | 360768C | 91.68 | 109.10 | |
| Stator kpl. 220-230 Dh30pc2 Includ.73 | ||||
| *72 | 340672E | 99.14 | 117.97 | |
| VELD 110 VOLT | ||||
| *72 | 340672C | 92.56 | 110.15 | |
| Vorderkappe H25pv | ||||
| 1 | 323078 | 3.30 | 3.93 | |
| Drehkappe H25pv | ||||
| 2 | 323077 | 4.80 | 5.71 | |
| Sicherungsring Dh18vb/dh30pc | ||||
| 3 | 306340 | 1.35 | 1.61 | |
| Kugelhalter H25pv | ||||
| 4 | 323076 | 25.44 | 30.27 | |
| Federscheibe | ||||
| 5 | 323075 | 3.30 | 3.93 | |
| Unterlegscheibe (d) Dh30pc2 | ||||
| 6 | 325668 | 3.30 | 3.93 | |
| Federscheibe | ||||
| 7 | 306993 | 1.35 | 1.61 | |
| Schraube M6x22 | ||||
| 8 | 321313 | 1.65 | 1.96 | |
| Zylindergehäuse Dh30pc2 | ||||
| 9 | 325651 | 22.55 | 26.83 | |
| O-ring (s-55) Dh25v/dh28y u.a. | ||||
| 10 | 980744 | 2.55 | 3.03 | |
| Öldichtung Dh30pb/dh30pc | ||||
| 11 | 320324 | 3.30 | 3.93 | |
| Dämpfer (b) Dh30pb/dh30pc | ||||
| 12 | 320325 | 3.30 | 3.93 | |
| Dämpferunterlegscheibe Dh30pb Dh30pc | ||||
| 13 | 320326 | 4.80 | 5.71 | |
| Keine Informationen verfügbar, nicht bestellbar | ||||
| 14 | 326304 | |||
| Sicherungsring D47 Innen/dh30pc Dh50sa1/sb/wr12dm | ||||
| 15 | 948227 | 1.35 | 1.61 | |
| Huelse | ||||
| 16 | 325667 | 3.30 | 3.93 | |
| Stahlkugel D7.0 (10st) | ||||
| 17 | 959156 | 1.65 | 1.96 | |
| Werkzeugaufnahme Dh30pc2 | ||||
| 18 | 325652 | 99.14 | 117.97 | |
| Nadelstift Dh30pc2 | ||||
| 19 | 325658 | 1.65 | 1.96 | |
| Huelse | ||||
| 20 | 326301 | 14.70 | 17.49 | |
| Sicherungsring D38 | ||||
| 21 | 313420 | 1.95 | 2.32 | |
| Zweithammer Dh30pc2 | ||||
| 23 | 325653 | 21.73 | 25.85 | |
| Dämpferscheibe H25pv | ||||
| 24 | 323059 | 9.30 | 11.07 | |
| Dämpfer H25pv | ||||
| 25 | 323060 | 3.30 | 3.93 | |
| Dämpferhalter H25pv | ||||
| 26 | 323061 | 8.40 | 10.00 | |
| Sicherungsring H25pv | ||||
| 27 | 323062 | 1.65 | 1.96 | |
| Halter für Dämpfer (b) Dh30pc2 | ||||
| 28 | 326302 | 7.95 | 9.46 | |
| Dämpfer (c) Dh30pc2 | ||||
| 29 | 326303 | 3.30 | 3.93 | |
| Ring | ||||
| 30 | 326300 | 27.78 | 33.05 | |
| Anschläger Dh30pc2 | ||||
| 31 | 325660 | 12.75 | 15.17 | |
| O-ring (i.d 19.2) H30pv | ||||
| 32 | 319577 | 3.30 | 3.93 | |
| Schiebehülse (b) Dh30pc2 | ||||
| 33 | 325656 | 3.30 | 3.93 | |
| Schiebehülse (a) Dh30pc2 | ||||
| 34 | 325655 | 14.30 | 17.02 | |
| Kupplungsfeder Dh30pc2 | ||||
| 35 | 325664 | 7.05 | 8.39 | |
| Zylinder | ||||
| 36 | 325654 | 116.74 | 138.92 | |
| Unterlegscheibe (c) Dh30pc2 | ||||
| 37 | 325661 | 4.80 | 5.71 | |
| Haltefeder | ||||
| 38 | 325662 | 7.05 | 8.39 | |
| Sperrbuchse Dh30pc2 | ||||
| 39 | 325663 | 18.15 | 21.60 | |
| Kupplung Dh30pc2 | ||||
| 40 | 325665 | 58.44 | 69.54 | |
| Schrägzahnrad Dh30pc2 | ||||
| 41 | 325666 | 58.44 | 69.54 | |
| Kolbenstift H30pv/dh30pc | ||||
| 43 | 319581 | 1.65 | 1.96 | |
| Kolben | ||||
| 44 | 319580 | 3.30 | 3.93 | |
| Stange | ||||
| 45 | 319585 | 3.30 | 3.93 | |
| Keine Informationen verfügbar, nicht bestellbar | ||||
| 46 | 313078 | |||
| Handgriffhalter Dh30pc2 | ||||
| 47 | 325672 | 14.30 | 17.02 | |
| Tiefenanschlag Dh30pb/pc | ||||
| 48 | 320973 | 4.80 | 5.71 | |
| Handgriffbolzen Dh40ma/mb/yb/fa/mr/dh30pc | ||||
| 49 | 313080 | 11.85 | 14.10 | |
| Inbusschraube M5x12 | ||||
| 50 | 998471 | 1.05 | 1.25 | |
| Haube Dh30pc2 | ||||
| 51 | 325677 | 9.00 | 10.71 | |
| Inbusschraube M6x45 Selbstsich. | ||||
| 54 | 986940 | 1.05 | 1.25 | |
| Inbusschraube M4x12 Selbsts. For Switch Holder (t | ||||
| 56 | 983162 | 1.05 | 1.25 | |
| Wechselhebel Dh38ms | ||||
| 57A | 331545 | 3.75 | 4.46 | |
| Pin D2x10 | ||||
| 58 | 321312 | 1.65 | 1.96 | |
| Hebelhalter Dh30pc2 | ||||
| 59 | 325671 | 3.30 | 3.93 | |
| Sicherungsring D40 Innen H41sa/h45ma/dh40mr | ||||
| 60 | 948391 | 1.65 | 1.96 | |
| Umschaltwelle | ||||
| 61 | 325670 | 22.55 | 26.83 | |
| O-ring Vrv16/dh20v/dh25pb | ||||
| 62 | 980948 | 1.05 | 1.25 | |
| Anschlagfeder Dh40mr | ||||
| 63 | 321310 | 1.65 | 1.96 | |
| Druckknopf Dh40mr | ||||
| 64 | 321311 | 1.65 | 1.96 | |
| Kugellager 6001 Dd | ||||
| 65 | 6001DD | 6.45 | 7.68 | |
| Unterlegscheibe | ||||
| 66 | 971736 | 1.05 | 1.25 | |
| Anker 220-230 Volt | ||||
| 67 | 360768E | 107.94 | 128.45 | |
| ANKER 110 VOLT | ||||
| 67 | 360768C | 91.68 | 109.10 | |
| Unterlegscheibe (a) Cr17y/dh20pb H30pv/dh30pc/h45 | ||||
| 68 | 982631 | 1.04 | 1.23 | |
| Kugellager 608 Vvm, C8fshe, Cm5sb, C8fse, H41mb | ||||
| 69 | 608VVM | 5.70 | 6.78 | |
| Ventilatorführung H25pv | ||||
| 70 | 323083 | 3.30 | 3.93 | |
| Sechskantschneidschraube D5x50 | ||||
| 71 | 953121 | 1.04 | 1.23 | |
| Stator kpl. 220-230 Dh30pc2 Includ.73 | ||||
| 72 | 340672E | 99.14 | 117.97 | |
| VELD 110 VOLT | ||||
| 72 | 340672C | 92.56 | 110.15 | |
| Kohlenhalterklemme Dh28y u.a. H30pv/vb16y/dh30pc/ | ||||
| 73 | 930703 | 2.40 | 2.86 | |
| Rohr | ||||
| 74 | 321322 | 1.65 | 1.96 | |
| Öldichtung (b) Dh25v/dh38yb-yf H30pv/dh30pc | ||||
| 75 | 981851 | 2.55 | 3.03 | |
| Schrägritzel Dh30pc2 | ||||
| 76 | 325647 | 26.95 | 32.07 | |
| Ring | ||||
| 77 | 325648 | 1.65 | 1.96 | |
| Kugellager 6001 Dd | ||||
| 78 | 6001DD | 6.45 | 7.68 | |
| Ring | ||||
| 79 | 992503 | 1.04 | 1.23 | |
| Zweites Zahnrad Dh30pc2 | ||||
| 80 | 325649 | 28.60 | 34.03 | |
| Haltescheibe Dh20v/dh25pb | ||||
| 81 | 971087 | 1.04 | 1.23 | |
| Stahlkugeln D3.97 (10st), Nr90aa | ||||
| 82 | 959155 | 1.04 | 1.23 | |
| Kupplungsplatte Dh20v/dh25pb | ||||
| 83 | 992916 | 2.10 | 2.50 | |
| Federblech | ||||
| 84 | 992926 | 1.05 | 1.25 | |
| Tellerfeder Vrv16/dh20v/dh25pb For Usa,can | ||||
| 85 | 980877 | 1.05 | 1.25 | |
| Unterlegscheibe | ||||
| 86 | 325650 | 4.80 | 5.71 | |
| Kugellager 608 Vvm, C8fshe, Cm5sb, C8fse, H41mb | ||||
| 87 | 608VVM | 5.70 | 6.78 | |
| Sicherungsring D8 Div.typen | ||||
| 88 | 940079 | 1.04 | 1.23 | |
| Rutschkupplung kpl. Dh30pc2 | ||||
| 89 | 325646 | 84.56 | 100.63 | |
| Kurbelgehäusedeckel Dh30pc2 | ||||
| 90 | 325669 | 14.70 | 17.49 | |
| O-ring (s-48) H41sa/h45ma/sa H30pv | ||||
| 91 | 980715 | 2.40 | 2.86 | |
| Kurbelwelle | ||||
| 92 | 325644 | 46.75 | 55.63 | |
| Keil 3x3x8 Dh22vb/g12sa/g12sa2/ G13sb2/g12sa2/dh4 | ||||
| 93 | 944109 | 1.70 | 2.02 | |
| Kurbelgehäuse Dh30pc2 | ||||
| 94 | 325643 | 67.10 | 79.85 | |
| Kugellager 6002 Dd | ||||
| 95 | 6002DD | 7.05 | 8.39 | |
| O-ring (s-32) Dh25v/w6ve/w6vf | ||||
| 96 | 872767 | 1.65 | 1.96 | |
| Sicherungsring D32 Innen | ||||
| 97 | 948001 | 1.20 | 1.43 | |
| Erstes Zahnrad Dh30pc2 | ||||
| 98 | 325645 | 24.34 | 28.96 | |
| Nadellager | ||||
| 99 | 939299 | 10.65 | 12.67 | |
| Getriebegehaeuse | ||||
| 100 | 325674 | 32.18 | 38.29 | |
| Handgriff (a+b) Set Dh30pc2 | ||||
| 101 | 325680 | 35.06 | 41.72 | |
| Inbusschraube M5x16 M.flansch, Cm9uby, G23ss | ||||
| 102 | 994192 | 1.04 | 1.23 | |
| Schneidschraube D5x20 M.flansch H41mb | ||||
| 103 | 302089 | 1.05 | 1.25 | |
| Schneidschraube D4x25 Mit Flansch (schwarz), H41m | ||||
| 104 | 307028 | 1.05 | 1.25 | |
| Gehäuse | ||||
| 106 | 325673 | 55.41 | 65.94 | |
| Kohlenkappe C6u/c7u u.a. H30pv/dh30pc/ H41mb/ G23 | ||||
| 107 | 945161 | 1.20 | 1.43 | |
| Kohlebürsten Selbstabsch.(paar) H41mb | ||||
| 108 | 999073 | 14.40 | 17.14 | |
| Kohlekasten Zsb | ||||
| 109 | 958900 | 6.45 | 7.68 | |
| Inbusstiftschraube M5x8, C8fshe, C8fse, H41mb,g23 | ||||
| 110 | 938477 | 1.05 | 1.25 | |
| LAAGERHAUSE (B) | ||||
| 111 | 310111 | 8.40 | 10.00 | |
| Abdeckkappe H25pv | ||||
| 112 | 323085 | 16.09 | 19.14 | |
| Keine Informationen verfügbar, nicht bestellbar | ||||
| 113 | 307811 | |||
| Polster (b) Dh25pb/h30pv/dh30pc H45mr Except For | ||||
| 114 | 317492 | 1.65 | 1.96 | |
| Schalter | ||||
| 115 | 325675 | 24.34 | 28.96 | |
| Verbinderkabel | ||||
| 116 | 994190 | 1.05 | 1.25 | |
| Kondensator Div.typen | ||||
| 117 | 994273 | 4.29 | 5.10 | |
| Polster (b) Dh25pb/h30pv/dh30pc H45mr Except For | ||||
| 118 | 317492 | 1.65 | 1.96 | |
| Verbinder 50091 (10st) Div.typen | ||||
| 119 | 959140 | 3.30 | 3.93 | |
| Keine Informationen verfügbar, nicht bestellbar | ||||
| 120 | 984750 | |||
| Kabelklemme Div.typen, Cm9uby, G23ss | ||||
| 121 | 960266 | 1.04 | 1.23 | |
| Kabelknickschutz D8.8 Div.typen, Cm5sb | ||||
| 122 | 380090 | 1.04 | 1.24 | |
| Kabelknickschutz D10.1 Div.typen, C8fshe, C8fse | ||||
| 122 | 938051 | 1.04 | 1.23 | |
| Kabel 5m 2 X 1,0 W/Stecker 13a/250v Für Gbr | ||||
| 123 | 500440Z | 20.49 | 24.38 | |
| Kabel 5M 2 X1.0 Ho7rn-f (ohne Stecker) | ||||
| 123 | 500454Z | 15.54 | 18.49 | |
| Anschlusskabel (cord Armor D8.8) For Pan | ||||
| 123 | 500447Z | 6.60 | 7.85 | |
| Filzdichtung Dh30pc2 | ||||
| 124 | 326651 | 1.65 | 1.96 | |
| O-ring (c) H25pv | ||||
| 125 | 323058 | 3.30 | 3.93 | |
| Keine Informationen verfügbar, nicht bestellbar | ||||
| 501 | 325679 | |||
| Keine Informationen verfügbar, nicht bestellbar | ||||
| 502 | 971787 | |||
| Keine Informationen verfügbar, nicht bestellbar | ||||
| 503 | 318085 | |||
| Keine Informationen verfügbar, nicht bestellbar | ||||
| 601 | 303046 | |||
| Keine Informationen verfügbar, nicht bestellbar | ||||
| 602 | 303044 | |||
| Keine Informationen verfügbar, nicht bestellbar | ||||
| 603 | 303045 | |||
| Keine Informationen verfügbar, nicht bestellbar | ||||
| 604 | 303334 | |||
| Keine Informationen verfügbar, nicht bestellbar | ||||
| 605 | 302976 | |||
| Keine Informationen verfügbar, nicht bestellbar | ||||
| 606 | 930515 | |||
| Keine Informationen verfügbar, nicht bestellbar | ||||
| 607 | 302975 | |||
| Keine Informationen verfügbar, nicht bestellbar | ||||
| 608 | 303621 | |||
| Keine Informationen verfügbar, nicht bestellbar | ||||
| 609 | 302974 | |||
| Keine Informationen verfügbar, nicht bestellbar | ||||
| 610 | 302979 | |||
| Keine Informationen verfügbar, nicht bestellbar | ||||
| 611 | 302978 | |||
| Keine Informationen verfügbar, nicht bestellbar | ||||
| 612 | 303622 | |||
| Keine Informationen verfügbar, nicht bestellbar | ||||
| 613 | 302977 | |||
| Keine Informationen verfügbar, nicht bestellbar | ||||
| 614 | 303617 | |||
| Keine Informationen verfügbar, nicht bestellbar | ||||
| 615 | 303618 | |||
| Keine Informationen verfügbar, nicht bestellbar | ||||
| 616 | 303619 | |||
| Keine Informationen verfügbar, nicht bestellbar | ||||
| 617 | 303620 | |||
| Senkkopfschraube M6x22 Linksgew. | ||||
| 618 | 981122 | 1.35 | 1.61 | |
| Keine Informationen verfügbar, nicht bestellbar | ||||
| 619 | 303627 | |||
| Keine Informationen verfügbar, nicht bestellbar | ||||
| 620 | 303625 | |||
| Keine Informationen verfügbar, nicht bestellbar | ||||
| 621 | 303626 | |||
| Keine Informationen verfügbar, nicht bestellbar | ||||
| 622 | 303624 | |||
| Keine Informationen verfügbar, nicht bestellbar | ||||
| 623 | 321825 | |||
| Keine Informationen verfügbar, nicht bestellbar | ||||
| 624 | 303623 | |||
| Keine Informationen verfügbar, nicht bestellbar | ||||
| 625 | 321814 | |||
| Keine Informationen verfügbar, nicht bestellbar | ||||
| 626 | 995344 | |||
| Keine Informationen verfügbar, nicht bestellbar | ||||
| 627 | 321813 | |||
| Fett (Dose 500 Gramm) | ||||
| 628 | 980927 | 73.01 | 86.88 | |
| Fett (tube 30 Gramm) | ||||
| 629 | 981840 | 8.40 | 10.00 | |
| Fett für Hammer. Hammerbohrer (70g) | ||||
| 630 | 308471 | 12.75 | 15.17 | |
| Keine Informationen verfügbar, nicht bestellbar | ||||
| 631 | 971511Z | |||
| Keine Informationen verfügbar, nicht bestellbar | ||||
| 632 | 971512Z | |||
| Keine Informationen verfügbar, nicht bestellbar | ||||
| 633 | 944477 | |||
| Keine Informationen verfügbar, nicht bestellbar | ||||
| 634 | 982684 | |||
| Keine Informationen verfügbar, nicht bestellbar | ||||
| 635 | 982685 | |||
| Keine Informationen verfügbar, nicht bestellbar | ||||
| 636 | 315921 | |||
| Keine Informationen verfügbar, nicht bestellbar | ||||
| 637 | 982672 | |||
| Keine Informationen verfügbar, nicht bestellbar | ||||
| 638 | 982673 | |||
| Keine Informationen verfügbar, nicht bestellbar | ||||
| 639 | 982674 | |||
| Keine Informationen verfügbar, nicht bestellbar | ||||
| 640 | 982686 | |||
| Keine Informationen verfügbar, nicht bestellbar | ||||
| 641 | 982675 | |||
| Keine Informationen verfügbar, nicht bestellbar | ||||
| 642 | 982687 | |||
| Keine Informationen verfügbar, nicht bestellbar | ||||
| 643 | 982676 | |||
| Keine Informationen verfügbar, nicht bestellbar | ||||
| 644 | 982688 | |||
| Keine Informationen verfügbar, nicht bestellbar | ||||
| 645 | 982677 | |||
| Keine Informationen verfügbar, nicht bestellbar | ||||
| 646 | 982689 | |||
| Keine Informationen verfügbar, nicht bestellbar | ||||
| 647 | 982678 | |||
| Keine Informationen verfügbar, nicht bestellbar | ||||
| 648 | 982690 | |||
| Keine Informationen verfügbar, nicht bestellbar | ||||
| 649 | 982679 | |||
| Keine Informationen verfügbar, nicht bestellbar | ||||
| 650 | 982691 | |||
| Keine Informationen verfügbar, nicht bestellbar | ||||
| 651 | 982680 | |||
| Keine Informationen verfügbar, nicht bestellbar | ||||
| 652 | 982692 | |||
| Keine Informationen verfügbar, nicht bestellbar | ||||
| 653 | 982681 | |||
| Keine Informationen verfügbar, nicht bestellbar | ||||
| 654 | 982693 | |||
| Keine Informationen verfügbar, nicht bestellbar | ||||
| 655 | 971794 | |||
| Keine Informationen verfügbar, nicht bestellbar | ||||
| 656 | 971795 | |||
| Keine Informationen verfügbar, nicht bestellbar | ||||
| 657 | 971796 | |||
| Keine Informationen verfügbar, nicht bestellbar | ||||
| 658 | 971797 | |||
| Keine Informationen verfügbar, nicht bestellbar | ||||
| 659 | 971798 | |||
| Keine Informationen verfügbar, nicht bestellbar | ||||
| 660 | 971799 | |||
| Keine Informationen verfügbar, nicht bestellbar | ||||
| 661 | 971800 | |||
| Keine Informationen verfügbar, nicht bestellbar | ||||
| 662 | 971801 | |||
| Keine Informationen verfügbar, nicht bestellbar | ||||
| 663 | 971802 | |||
| Keine Informationen verfügbar, nicht bestellbar | ||||
| 664 | 971803 | |||
| Keine Informationen verfügbar, nicht bestellbar | ||||
| 665 | 944460 | |||
| Keine Informationen verfügbar, nicht bestellbar | ||||
| 666 | 944461 | |||
| Keine Informationen verfügbar, nicht bestellbar | ||||
| 667 | 993038 | |||
| Keine Informationen verfügbar, nicht bestellbar | ||||
| 669 | 944500 | |||
| Keine Informationen verfügbar, nicht bestellbar | ||||
| 671 | 944464 | |||
| Keine Informationen verfügbar, nicht bestellbar | ||||
| 672 | 320859 | |||
| Keine Informationen verfügbar, nicht bestellbar | ||||
| 673 | 303571 | |||
| Keine Informationen verfügbar, nicht bestellbar | ||||
| 674 | 303575 | |||
| Keine Informationen verfügbar, nicht bestellbar | ||||
| 675 | 303578 | |||
| Keine Informationen verfügbar, nicht bestellbar | ||||
| 676 | 303576 | |||
| Keine Informationen verfügbar, nicht bestellbar | ||||
| 677 | 303581 | |||
| Keine Informationen verfügbar, nicht bestellbar | ||||
| 678 | 303582 | |||
| Keine Informationen verfügbar, nicht bestellbar | ||||
| 679 | 303584 | |||
| Keine Informationen verfügbar, nicht bestellbar | ||||
| 680 | 303585 | |||
| Keine Informationen verfügbar, nicht bestellbar | ||||
| 681 | 303586 | |||
| Keine Informationen verfügbar, nicht bestellbar | ||||
| 682 | 303591 | |||
| Keine Informationen verfügbar, nicht bestellbar | ||||
| 683 | 303606 | |||
| Keine Informationen verfügbar, nicht bestellbar | ||||
| 684 | 303593 | |||
| Keine Informationen verfügbar, nicht bestellbar | ||||
| 685 | 303595 | |||
| Keine Informationen verfügbar, nicht bestellbar | ||||
| 686 | 303598 | |||
| Keine Informationen verfügbar, nicht bestellbar | ||||
| 687 | 303599 | |||
| Keine Informationen verfügbar, nicht bestellbar | ||||
| 688 | 303611 | |||
| Keine Informationen verfügbar, nicht bestellbar | ||||
| 689 | 303601 | |||
| Keine Informationen verfügbar, nicht bestellbar | ||||
| 690 | 303613 | |||
| Keine Informationen verfügbar, nicht bestellbar | ||||
| 691 | 303614 | |||
| Keine Informationen verfügbar, nicht bestellbar | ||||
| 692 | 303615 | |||
| Keine Informationen verfügbar, nicht bestellbar | ||||
| 693 | 303616 | |||
| Keine Informationen verfügbar, nicht bestellbar | ||||
| 694 | 319988 | |||