Hier finden Sie alle verfügbaren Teile und Zeichnungen der 'Hikoki DH36DAL'. Von hier aus können Sie alle gewünschten Teile direkt bestellen. Viele Teile müssen je nach Marke beim Hersteller bestellt werden, dies dauert ein bis vier Wochen. Alle Informationen, die wir haben, befinden sich auf unserer Website. Wir können Sie nicht beraten, was Sie benötigen. Dazu müssen Sie die Maschine zur Reparatur zurücksenden. Bitte beachten Sie bei der Bestellung Folgendes:
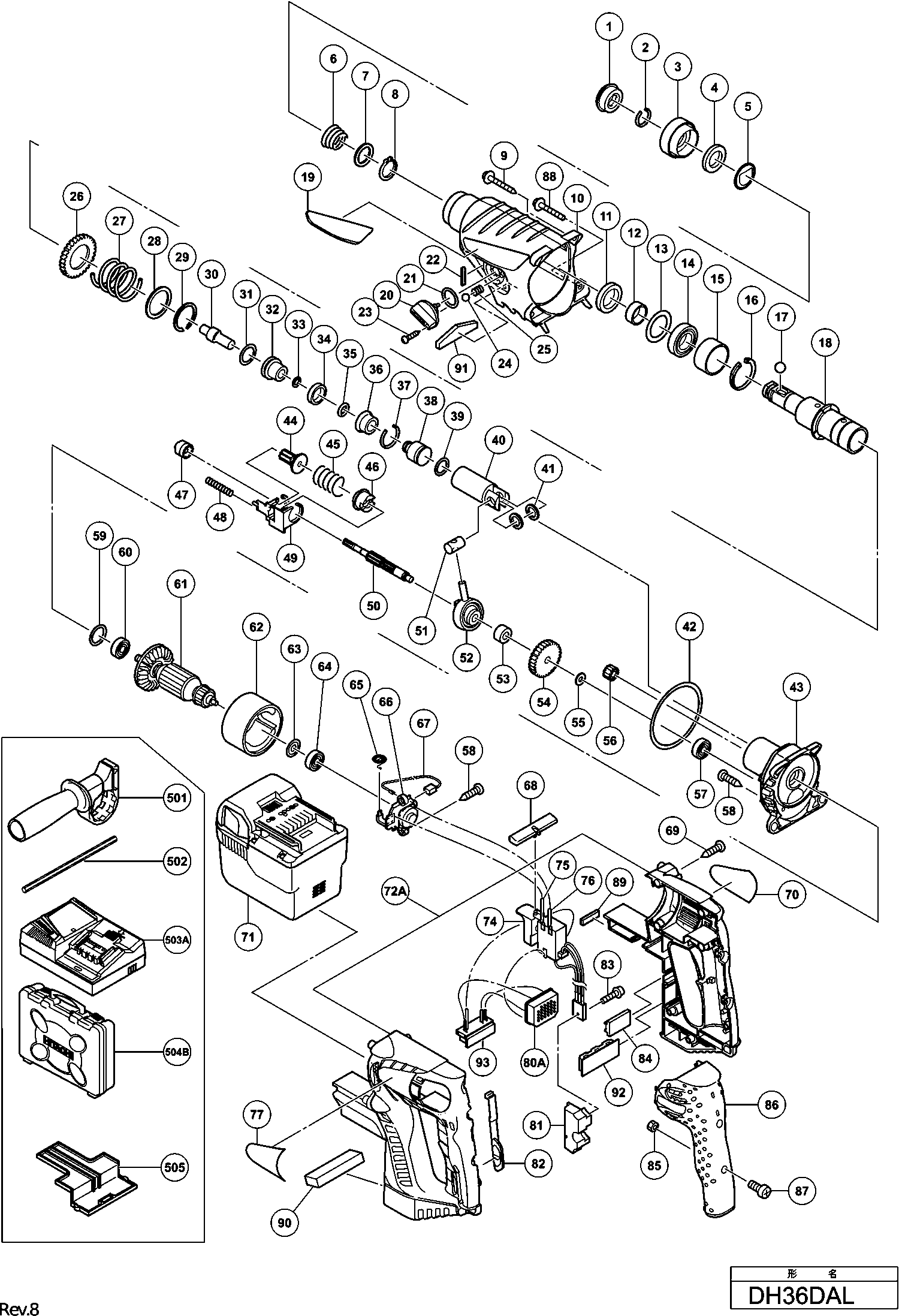
Zeichnungen der Hikoki DH36DAL
Teileliste der Hikoki DH36DAL
| Pos. | Beschreibung | Preis ohne MwSt | Preis inkl. MwSt | |
| Die angegebenen Preise enthalten die Mehrwertsteuer | ||||
| Keine Informationen verfügbar, nicht bestellbar | ||||
| 1 | 306345 | |||
| Sicherungsring Dh18vb/dh30pc | ||||
| 2 | 306340 | 1.35 | 1.61 | |
| Griff | ||||
| 3 | 323154 | 4.80 | 5.71 | |
| Kugelhalter Dh24pc3 | ||||
| 4 | 324528 | 6.45 | 7.68 | |
| Halteplatte Dh24pc3 | ||||
| 5 | 324526 | 3.30 | 3.93 | |
| Haltefeder Dh24pb2 | ||||
| 6 | 322812 | 1.65 | 1.96 | |
| Scheibe (b) Ds9dva/ds12dva/ds14dv Ds14dva/ds14dvb | ||||
| 7 | 984118 | 1.05 | 1.25 | |
| Sicherungsring D20 (10 Stücke) | ||||
| 8 | 939547 | 3.90 | 4.64 | |
| Schneidschraube D5x25 M.flansch (schwarz), C8fshe | ||||
| 9 | 305558 | 1.04 | 1.23 | |
| Keine Informationen verfügbar, nicht bestellbar | ||||
| 10 | 325555 | |||
| Öldichtung Dh24pb/pd/vb/vd Dh20pb | ||||
| 11 | 307688 | 3.90 | 4.64 | |
| EXZENTERHUELSE | ||||
| 12 | 322815 | 1.65 | 1.96 | |
| Filzdichtung Dh24pc2 | ||||
| 13 | 323232 | 1.65 | 1.96 | |
| Keine Informationen verfügbar, nicht bestellbar | ||||
| 14 | 6904DD | |||
| BUS (A) | ||||
| 15 | 324522 | 3.30 | 3.93 | |
| Federring 37MM | ||||
| 16 | 322813 | 1.65 | 1.96 | |
| Stahlkugel D7.0 (10st) | ||||
| 17 | 959156 | 1.65 | 1.96 | |
| Zylinder | ||||
| 18 | 323184 | 81.68 | 97.19 | |
| Aufkleber Dh24dv | ||||
| 19 | 323172 | 4.05 | 4.82 | |
| Wechselhebel (a) Dh24dva | ||||
| 20 | 325551 | 4.20 | 5.00 | |
| O-ring (s-18) Cr17y/nv65ad2, Nr90aa | ||||
| 21 | 878885 | 1.05 | 1.25 | |
| Filzdichtung Dh24dva | ||||
| 22 | 325554 | 1.05 | 1.25 | |
| Schraube D2.6 | ||||
| 23 | 323239 | 1.65 | 1.96 | |
| Stahlkugeln D3.97 (10st), Nr90aa | ||||
| 24 | 959155 | 1.04 | 1.23 | |
| Feder (h) Dh15d/dh20dv/dv20v1 u.a Dh20pb | ||||
| 25 | 981328 | 1.05 | 1.25 | |
| Zweites Zahnrad Dh24pc2 | ||||
| 26 | 323185 | 20.21 | 24.05 | |
| Feder (a) Dh24pc | ||||
| 27 | 317233 | 7.35 | 8.75 | |
| Ring (a) Dh24pc | ||||
| 28 | 317234 | 3.30 | 3.93 | |
| Sicherungsring D30 Dh24pc | ||||
| 29 | 317235 | 1.65 | 1.96 | |
| Zweithammer Dh24pc3 | ||||
| 30 | 324525 | 6.45 | 7.68 | |
| O-ring (iap-20) Cm6/wh16/vb16y | ||||
| 31 | 944486 | 1.05 | 1.25 | |
| Hammerhalter Dh24pc3 | ||||
| 32 | 324523 | 11.55 | 13.74 | |
| O-ring Dh24pb2 | ||||
| 33 | 322802 | 3.30 | 3.93 | |
| DÄMPFERING (A) | ||||
| 34 | 322805 | 1.65 | 1.96 | |
| O-ring (c) Dh40ma/mb/mr | ||||
| 35 | 322808 | 1.65 | 1.96 | |
| Dämpferhalter Dh24pc3 | ||||
| 36 | 324524 | 6.45 | 7.68 | |
| STOPFRING | ||||
| 37 | 322807 | 1.65 | 1.96 | |
| Anschläger Dh24 Pc3 | ||||
| 38 | 324535 | 10.20 | 12.14 | |
| O-ring Dh24pb2 | ||||
| 39 | 322834 | 3.30 | 3.93 | |
| Kolben | ||||
| 40 | 324534 | 16.36 | 19.47 | |
| Unterlegscheibe (c) Dh24pb2 | ||||
| 41 | 322799 | 1.65 | 1.96 | |
| O-ring | ||||
| 42 | 325254 | 3.30 | 3.93 | |
| Innengehäuse Dh24dv Includ.51 | ||||
| 43 | 323157 | 21.45 | 25.53 | |
| Zweites Ritzel Dh24pc2 | ||||
| 44 | 323181 | 18.15 | 21.60 | |
| Kupplungsfeder Dh24pc2 | ||||
| 45 | 323182 | 1.65 | 1.96 | |
| Kupplung Dh24pc3 | ||||
| 46 | 324606 | 14.03 | 16.69 | |
| Ritzelhülse Dh24pc2 | ||||
| 47 | 323249 | 46.75 | 55.63 | |
| Feder (c) Dh24dva | ||||
| 48 | 325556 | 1.50 | 1.78 | |
| Halteplatte | ||||
| 49 | 325553 | 42.49 | 50.56 | |
| Zweite Welle (a) Dh24dva | ||||
| 50 | 325552 | 28.60 | 34.03 | |
| Kolbenpin Dh24pb2 | ||||
| 51 | 322798 | 1.65 | 1.96 | |
| Pendel-kugellager Dh24pc3 | ||||
| 52 | 324533 | 37.95 | 45.16 | |
| Ring | ||||
| 53 | 323152 | 4.80 | 5.71 | |
| Erstes Zahnrad Dh24dv | ||||
| 54 | 323153 | 20.76 | 24.71 | |
| Distanzring AU 43 FF | ||||
| 55 | 301663 | 1.04 | 1.23 | |
| Ritzel Dh24dv | ||||
| 56 | 323170 | 5.40 | 6.43 | |
| Kugellager 626 Vvm Cj65v3 | ||||
| 57 | 626VVM | 5.70 | 6.78 | |
| Schneidschraube D4x16 Mit Flansch (schwarz), Cm9b | ||||
| 58 | 305812 | 1.04 | 1.23 | |
| O-ring (p-22) Dh24pb/pd/nv83a Dh20pb | ||||
| 59 | 876796 | 1.05 | 1.25 | |
| Kugellager 608ddm | ||||
| 60 | 608DDM | 5.55 | 6.60 | |
| ANKER + RITZEL KPL. DH36DAL INCLUD.50,54,57,58 | ||||
| 61 | 360801 | 68.48 | 81.49 | |
| Magnet | ||||
| 62 | 323156 | 24.68 | 29.36 | |
| Unterlegscheibe (a) Cr17y/dh20pb H30pv/dh30pc/h45 | ||||
| 63 | 982631 | 1.04 | 1.23 | |
| Kugellager 608ddm | ||||
| 64 | 608DDM | 5.55 | 6.60 | |
| Kohlenhalterfeder G12se/g13v G13yd/g13sb2/g12sa2 | ||||
| 65 | 308536 | 1.65 | 1.96 | |
| Kohlekasten Zsb | ||||
| 66 | 323164 | 4.05 | 4.82 | |
| Kohlebürsten (autostop) für Dh 24 Dv | ||||
| 67 | 999090 | 14.40 | 17.14 | |
| Schalter Dh36dal | ||||
| 68 | 328064 | 1.05 | 1.25 | |
| Schneidschraube D4x20 M.flansch (schwarz) Cg18dal | ||||
| 69 | 302086 | 1.05 | 1.25 | |
| Keine Informationen verfügbar, nicht bestellbar | ||||
| 71 | 328036 | |||
| Gehäuse Set A+b Dh36dal | ||||
| 72A | 328067 | 40.01 | 47.61 | |
| Schalter | ||||
| 74 | 328058 | 22.83 | 27.16 | |
| Verbinderkabel (rot) Dh24dv | ||||
| 75 | 323166 | 1.20 | 1.43 | |
| Verbinderkabel (schwarz) Dh24dv | ||||
| 76 | 323165 | 1.35 | 1.61 | |
| CONTROLLER TERMINAL SET | ||||
| 80A | 328060 | 36.30 | 43.20 | |
| Kühlkörper Cr24dv/dv24dv | ||||
| 81 | 319812 | 2.85 | 3.39 | |
| Schiebeknopf Dh24dv | ||||
| 82 | 323159 | 1.20 | 1.43 | |
| Kopfschraube M3x12 M. U-scheibe Cg18dal, Cg18dl | ||||
| 83 | 993963 | 1.05 | 1.25 | |
| Gummihalter Dh20dv (till 04.2010) | ||||
| 84 | 313591 | 3.15 | 3.75 | |
| Mutter M4 (10 Stück) | ||||
| 85 | 949554 | 1.05 | 1.25 | |
| Schriffschale Dh24dv | ||||
| 86 | 323160 | 19.94 | 23.73 | |
| Kopfschraube M4x 8 (10st) C8fshe, C8fse | ||||
| 87 | 949215 | 1.05 | 1.25 | |
| Schneidschraube D5x30 M.flansch Dh50mr | ||||
| 88 | 328707 | 1.05 | 1.25 | |
| Gummipuffer (a) Dh25dal | ||||
| 89 | 328708 | 2.10 | 2.50 | |
| Dichtung | ||||
| 90 | 331415 | 1.20 | 1.43 | |
| Packung (c) | ||||
| 91 | 333144 | 1.05 | 1.25 | |
| Gummikissen | ||||
| 92 | 332668 | 2.10 | 2.50 | |
| Batteryterminalnew Wh14dcal | ||||
| 93 | 333991 | 4.20 | 5.00 | |
| Keine Informationen verfügbar, nicht bestellbar | ||||
| 501 | 323155 | |||
| Keine Informationen verfügbar, nicht bestellbar | ||||
| 502 | 303709 | |||
| Keine Informationen verfügbar, nicht bestellbar | ||||
| 504A | 329319 | |||
| Keine Informationen verfügbar, nicht bestellbar | ||||
| 504B | 337815 | |||
| Abdeckkappe für Batterie | ||||
| 505 | 329897 | 1.80 | 2.14 | |
| Keine Informationen verfügbar, nicht bestellbar | ||||
| 601 | 303332 | |||
| Keine Informationen verfügbar, nicht bestellbar | ||||
| 602 | 303334 | |||
| Keine Informationen verfügbar, nicht bestellbar | ||||
| 603 | 303335 | |||
| Keine Informationen verfügbar, nicht bestellbar | ||||
| 604 | 321825 | |||
| Keine Informationen verfügbar, nicht bestellbar | ||||
| 605 | 303623 | |||
| Keine Informationen verfügbar, nicht bestellbar | ||||
| 606 | 321814 | |||
| Keine Informationen verfügbar, nicht bestellbar | ||||
| 607 | 995344 | |||
| Keine Informationen verfügbar, nicht bestellbar | ||||
| 608 | 987576 | |||
| Keine Informationen verfügbar, nicht bestellbar | ||||
| 609 | 321813 | |||
| Keine Informationen verfügbar, nicht bestellbar | ||||
| 610 | 303334 | |||
| Keine Informationen verfügbar, nicht bestellbar | ||||
| 611 | 971787 | |||
| Keine Informationen verfügbar, nicht bestellbar | ||||
| 612 | 931844 | |||
| Keine Informationen verfügbar, nicht bestellbar | ||||
| 613 | 971511Z | |||
| Keine Informationen verfügbar, nicht bestellbar | ||||
| 614 | 971512Z | |||
| Keine Informationen verfügbar, nicht bestellbar | ||||
| 615 | 971794 | |||
| Keine Informationen verfügbar, nicht bestellbar | ||||
| 616 | 971795 | |||
| Keine Informationen verfügbar, nicht bestellbar | ||||
| 617 | 971796 | |||
| Keine Informationen verfügbar, nicht bestellbar | ||||
| 618 | 971797 | |||
| Keine Informationen verfügbar, nicht bestellbar | ||||
| 619 | 971798 | |||
| Keine Informationen verfügbar, nicht bestellbar | ||||
| 620 | 971799 | |||
| Keine Informationen verfügbar, nicht bestellbar | ||||
| 621 | 971800 | |||
| Keine Informationen verfügbar, nicht bestellbar | ||||
| 622 | 971801 | |||
| Keine Informationen verfügbar, nicht bestellbar | ||||
| 623 | 971802 | |||
| Keine Informationen verfügbar, nicht bestellbar | ||||
| 624 | 971803 | |||
| Keine Informationen verfügbar, nicht bestellbar | ||||
| 625 | 944477 | |||
| Keine Informationen verfügbar, nicht bestellbar | ||||
| 626 | 303617 | |||
| Keine Informationen verfügbar, nicht bestellbar | ||||
| 627 | 303619 | |||
| Keine Informationen verfügbar, nicht bestellbar | ||||
| 628 | 303620 | |||
| Keine Informationen verfügbar, nicht bestellbar | ||||
| 629 | 303624 | |||
| Keine Informationen verfügbar, nicht bestellbar | ||||
| 630 | 302976 | |||
| Keine Informationen verfügbar, nicht bestellbar | ||||
| 631 | 302975 | |||
| Keine Informationen verfügbar, nicht bestellbar | ||||
| 632 | 303621 | |||
| Keine Informationen verfügbar, nicht bestellbar | ||||
| 633 | 302974 | |||
| Keine Informationen verfügbar, nicht bestellbar | ||||
| 634 | 302979 | |||
| Keine Informationen verfügbar, nicht bestellbar | ||||
| 635 | 302978 | |||
| Keine Informationen verfügbar, nicht bestellbar | ||||
| 636 | 303622 | |||
| Keine Informationen verfügbar, nicht bestellbar | ||||
| 637 | 302977 | |||
| Keine Informationen verfügbar, nicht bestellbar | ||||
| 638 | 303044 | |||
| Keine Informationen verfügbar, nicht bestellbar | ||||
| 639 | 303045 | |||
| Keine Informationen verfügbar, nicht bestellbar | ||||
| 640 | 303625 | |||
| Keine Informationen verfügbar, nicht bestellbar | ||||
| 641 | 303626 | |||
| Keine Informationen verfügbar, nicht bestellbar | ||||
| 642 | 303627 | |||
| Keine Informationen verfügbar, nicht bestellbar | ||||
| 643 | 306885 | |||
| Steckdosenadapter (b) | ||||
| 644 | 306910 | 4.50 | 5.36 | |
| Keine Informationen verfügbar, nicht bestellbar | ||||
| 645 | 944460 | |||
| Keine Informationen verfügbar, nicht bestellbar | ||||
| 646 | 944461 | |||
| Keine Informationen verfügbar, nicht bestellbar | ||||
| 647 | 993038 | |||
| Keine Informationen verfügbar, nicht bestellbar | ||||
| 649 | 944500 | |||
| Keine Informationen verfügbar, nicht bestellbar | ||||
| 651 | 944464 | |||
| Keine Informationen verfügbar, nicht bestellbar | ||||
| 652 | 982672 | |||
| Keine Informationen verfügbar, nicht bestellbar | ||||
| 653 | 982673 | |||
| Keine Informationen verfügbar, nicht bestellbar | ||||
| 654 | 982674 | |||
| Keine Informationen verfügbar, nicht bestellbar | ||||
| 655 | 982686 | |||
| Keine Informationen verfügbar, nicht bestellbar | ||||
| 656 | 982675 | |||
| Keine Informationen verfügbar, nicht bestellbar | ||||
| 657 | 982687 | |||
| Keine Informationen verfügbar, nicht bestellbar | ||||
| 658 | 982676 | |||
| Keine Informationen verfügbar, nicht bestellbar | ||||
| 659 | 982688 | |||
| Keine Informationen verfügbar, nicht bestellbar | ||||
| 660 | 982677 | |||
| Keine Informationen verfügbar, nicht bestellbar | ||||
| 661 | 982689 | |||
| Keine Informationen verfügbar, nicht bestellbar | ||||
| 662 | 982678 | |||
| Keine Informationen verfügbar, nicht bestellbar | ||||
| 663 | 982690 | |||
| Keine Informationen verfügbar, nicht bestellbar | ||||
| 664 | 982684 | |||
| Keine Informationen verfügbar, nicht bestellbar | ||||
| 665 | 982685 | |||
| Fett (tube 30 Gramm) | ||||
| 666 | 981840 | 8.40 | 10.00 | |
| Fett für Hammer. Hammerbohrer (70g) | ||||
| 667 | 308471 | 12.75 | 15.17 | |
| Fett (Dose 500 Gramm) | ||||
| 668 | 980927 | 73.01 | 86.88 | |
| Keine Informationen verfügbar, nicht bestellbar | ||||
| 669 | 303046 | |||
| Keine Informationen verfügbar, nicht bestellbar | ||||
| 670 | 325149 | |||