Hier finden Sie alle verfügbaren Teile und Zeichnungen der 'Hikoki DS14DVF3'. Von hier aus können Sie alle gewünschten Teile direkt bestellen. Viele Teile müssen je nach Marke beim Hersteller bestellt werden, dies dauert ein bis vier Wochen. Alle Informationen, die wir haben, befinden sich auf unserer Website. Wir können Sie nicht beraten, was Sie benötigen. Dazu müssen Sie die Maschine zur Reparatur zurücksenden. Bitte beachten Sie bei der Bestellung Folgendes:
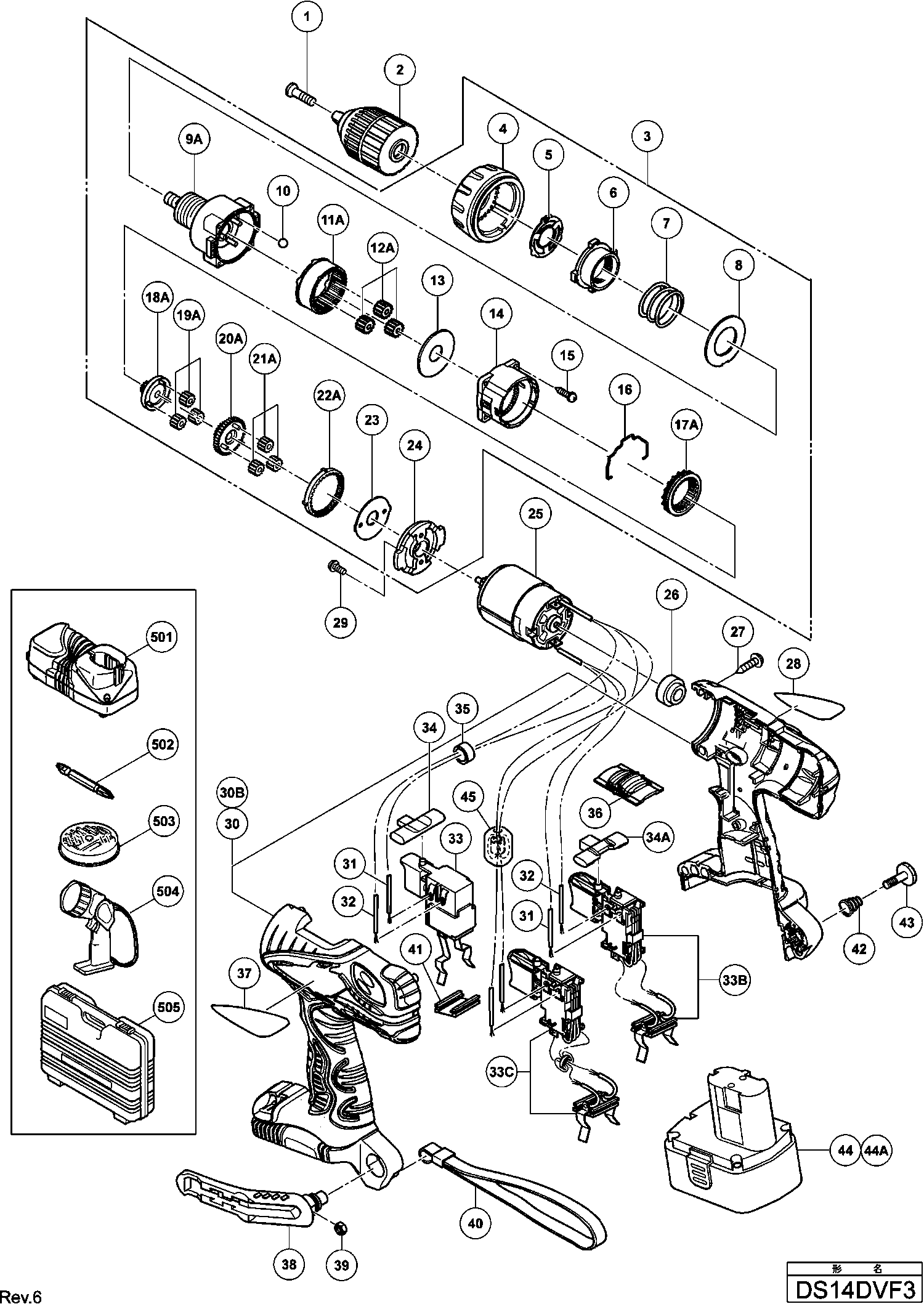
Zeichnungen der Hikoki DS14DVF3
Teileliste der Hikoki DS14DVF3
| Pos. | Beschreibung | Preis ohne MwSt | Preis inkl. MwSt | |
| Die angegebenen Preise enthalten die Mehrwertsteuer | ||||
| Keine Informationen verfügbar, nicht bestellbar | ||||
| *44 | 322633 | |||
| Spezialschraube (b) M6x23 | ||||
| 1 | 324503 | 1.65 | 1.96 | |
| Keine Informationen verfügbar, nicht bestellbar | ||||
| 2 | 322167 | |||
| Keine Informationen verfügbar, nicht bestellbar | ||||
| 3 | 324490 | |||
| Drehkupplung Ds9dvf3 | ||||
| 4 | 324114 | 6.45 | 7.68 | |
| Federblech | ||||
| 5 | 324108 | 4.80 | 5.71 | |
| Mutter Ds9dvf3 | ||||
| 6 | 324109 | 3.30 | 3.93 | |
| Feder Ds9dvf3 | ||||
| 7 | 324110 | 3.30 | 3.93 | |
| Unterlegscheibe (d) Ds9dvf3 | ||||
| 8 | 324347 | 3.30 | 3.93 | |
| Vorderes Gehäuse (alt 324491 & 332026) | ||||
| 9A | 333314 | 16.78 | 19.96 | |
| Stahlkugel D5 Ds9dva/ds10dv/dv2/ Ds12dva/ds13dv2/ | ||||
| 10 | 306936 | 1.05 | 1.25 | |
| Ringzahnrad Ds14dvb/ds18dvb Dv12dv/dv14dv/dv18dv/ | ||||
| 11A | 332027 | 5.03 | 5.98 | |
| Planetzahnrad (c) Satz (3st) Ds9dva/ds10dv2/ds12d | ||||
| 12A | 332028 | 3.38 | 4.02 | |
| Unterlegscheibe (a) Ds9dvf3 | ||||
| 13 | 324349 | 3.30 | 3.93 | |
| Getriebegehäuse | ||||
| 14 | 324501 | 4.80 | 5.71 | |
| Kreuzschlitzschrauben D3X12 (4 Stück) | ||||
| 15 | 324357 | 1.65 | 1.96 | |
| Schiebearm Ds9dvf3 | ||||
| 16 | 324115 | 3.30 | 3.93 | |
| Gleit-ringzahnrad Ds14dvb/ds18dvb Dv12dv/dv14dv/d | ||||
| 17A | 332030 | 6.68 | 7.94 | |
| Ritzel (c) | ||||
| 18A | 332029 | 3.38 | 4.02 | |
| Planetzahnrad (b) Satz (3st) Ds9dva/ds12dva/ds14d | ||||
| 19A | 332031 | 1.73 | 2.05 | |
| Ritzel (b) | ||||
| 20A | 332032 | 3.38 | 4.02 | |
| Planetenzahnrad (a) Satz (3 Stk.) | ||||
| 21A | 332034 | 3.38 | 4.02 | |
| Erstes Ringzahnrad Ds14dvb/dv12dv Ds18dvb/dv14dv/ | ||||
| 22A | 332033 | 3.38 | 4.02 | |
| Unterlegscheibe (b) Ds9dvf3 | ||||
| 23 | 324355 | 3.30 | 3.93 | |
| Keine Informationen verfügbar, nicht bestellbar | ||||
| 24 | 324495 | |||
| Motor kpl. Ds14dvf3 | ||||
| 25 | 324483 | 24.75 | 29.45 | |
| Distanzring (1) | ||||
| 26 | 324485 | 1.05 | 1.25 | |
| Schneidschraube D3x16 Mit Flansch (schwarz) Dv18d | ||||
| 27 | 313687 | 1.04 | 1.23 | |
| Maschinenschraube M4x6 Dv18dvf, Dv14dvf | ||||
| 29 | 317333 | 1.50 | 1.78 | |
| Gehäuse A+b Set Ds14dvf3 Till 12.2007 | ||||
| 30 | 324482 | 20.90 | 24.87 | |
| Nicht mehr lieferbar, kein Ersatz | ||||
| 30B | 329178 | |||
| Verbinderkabel | ||||
| 31 | 324484 | 1.05 | 1.25 | |
| Interne Verdrahtung rot 140L | ||||
| 32 | 324499 | 1.05 | 1.25 | |
| Schalter Ds14dvf3 Till 12.2007 | ||||
| 33 | 324498 | 25.30 | 30.11 | |
| Schaltersatz Seit 1.2008 Außer für Europa | ||||
| 33B | 332807 | 32.31 | 38.45 | |
| NEUES SW-TERMINAL-SET | ||||
| 33C | 334887 | 32.31 | 38.45 | |
| Druckknopf Ds9dvf3 Till 12.2007 | ||||
| 34 | 324117 | 1.05 | 1.25 | |
| Druckknopf Dv14dvf3 Since 01.2008 | ||||
| 34A | 329181 | 1.05 | 1.25 | |
| Eisenkern Ds14dmr | ||||
| 35 | 323229 | 1.35 | 1.61 | |
| Umschaltknopf Ds9dvf3 | ||||
| 36 | 324116 | 1.05 | 1.25 | |
| Haken | ||||
| 38 | 320287 | 4.80 | 5.71 | |
| Mutter M5 | ||||
| 39 | 320288 | 1.65 | 1.96 | |
| Trageriemen (schwarz) | ||||
| 40 | 306952 | 4.05 | 4.82 | |
| Halter | ||||
| 41 | 315141 | 1.20 | 1.43 | |
| Hakenspannfeder | ||||
| 42 | 319926 | 1.65 | 1.96 | |
| Spezialschraube (a) M5 | ||||
| 43 | 320881 | 1.65 | 1.96 | |
| Keine Informationen verfügbar, nicht bestellbar | ||||
| 44 | 322633 | |||
| Keine Informationen verfügbar, nicht bestellbar | ||||
| 44A | 333159 | |||
| INTERNER DRAHT-FERRIT-SATZ | ||||
| 45 | 334864 | 7.35 | 8.75 | |
| Keine Informationen verfügbar, nicht bestellbar | ||||
| 502 | 983006 | |||
| Keine Informationen verfügbar, nicht bestellbar | ||||
| 505 | 324502 | |||