Hier finden Sie alle verfügbaren Teile und Zeichnungen der 'Hikoki DS18DMR'. Von hier aus können Sie alle gewünschten Teile direkt bestellen. Viele Teile müssen je nach Marke beim Hersteller bestellt werden, dies dauert ein bis vier Wochen. Alle Informationen, die wir haben, befinden sich auf unserer Website. Wir können Sie nicht beraten, was Sie benötigen. Dazu müssen Sie die Maschine zur Reparatur zurücksenden. Bitte beachten Sie bei der Bestellung Folgendes:
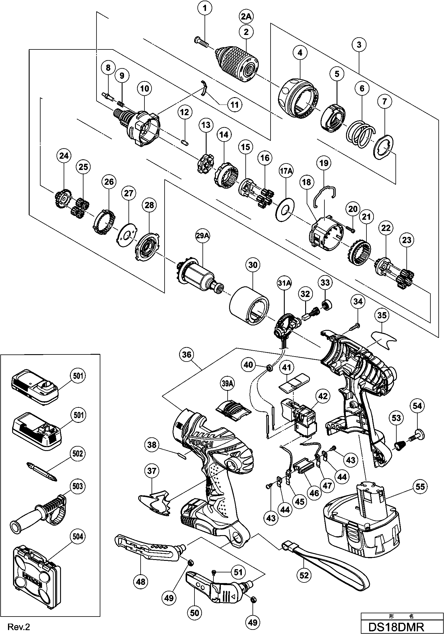
Zeichnungen der Hikoki DS18DMR
Teileliste der Hikoki DS18DMR
| Pos. | Beschreibung | Preis ohne MwSt | Preis inkl. MwSt | |
| Die angegebenen Preise enthalten die Mehrwertsteuer | ||||
| Linksgewindeschraube M6x23/ds18dv Ds9dva/ds10dv2/ | ||||
| 1 | 311959 | 1.50 | 1.78 | |
| Boorkop | ||||
| 2A | 752065 | 52.50 | 62.48 | |
| Komplette Rutschkupplung | ||||
| 3 | 322969 | 42.08 | 50.07 | |
| Vorderkappe H45ma/h60ma/mb H45mr | ||||
| 4 | 322991 | 15.81 | 18.82 | |
| Federhalter | ||||
| 5 | 322974 | 3.00 | 3.57 | |
| Feder | ||||
| 6 | 323228 | 3.30 | 3.93 | |
| Sicherungsring | ||||
| 7 | 322973 | 1.65 | 1.96 | |
| Keine Informationen verfügbar, nicht bestellbar | ||||
| 8 | 322972 | |||
| Feder | ||||
| 9 | 322971 | 1.65 | 1.96 | |
| Frontgehäuse + Achse | ||||
| 10 | 322970 | 40.84 | 48.60 | |
| Federblech | ||||
| 11 | 323231 | 1.65 | 1.96 | |
| Pin-Set (6 Stücke) | ||||
| 12 | 322975 | 19.94 | 23.73 | |
| Keine Informationen verfügbar, nicht bestellbar | ||||
| 13 | 322976 | |||
| Zahnradring | ||||
| 14 | 322977 | 7.05 | 8.39 | |
| Mitnehmer | ||||
| 15 | 322978 | 3.30 | 3.93 | |
| Zahnradset (C) (5 Stücke) | ||||
| 16 | 322979 | 4.35 | 5.18 | |
| Ring | ||||
| 17A | 322980 | 1.65 | 1.96 | |
| Getriebegehaeuse | ||||
| 18 | 322981 | 4.80 | 5.71 | |
| Schiebearm Ds14dvb/ds18dvb/dv12dv Dv14dv/dv18dv/d | ||||
| 19 | 322990 | 1.65 | 1.96 | |
| Schneidschraube D3x12 (satz 6st) | ||||
| 20 | 315817 | 6.45 | 7.68 | |
| Gleit-ringzahnrad Ds14dvb/ds18dvb Dv12dv/dv14dv/d | ||||
| 21 | 322983 | 6.45 | 7.68 | |
| Ritzel (c) | ||||
| 22 | 322982 | 6.45 | 7.68 | |
| Zahnradset (B) (5 Stücke) | ||||
| 23 | 322984 | 4.80 | 5.71 | |
| Zahnrad (b) | ||||
| 24 | 322985 | 4.80 | 5.71 | |
| Getriebesatz (A) (4 Stücke) | ||||
| 25 | 322987 | 3.30 | 3.93 | |
| Erstes Ringzahnrad Ds14dvb/dv12dv Ds18dvb/dv14dv/ | ||||
| 26 | 322986 | 4.80 | 5.71 | |
| Unterlegscheibe (b) Ds14dmr | ||||
| 27 | 322988 | 1.50 | 1.78 | |
| Motorflansch Ds12dm | ||||
| 28 | 322989 | 3.30 | 3.93 | |
| Anker und Ritzel Satz 18v | ||||
| 29A | 360975 | 23.51 | 27.98 | |
| Magnet | ||||
| 30 | 322996 | 10.80 | 12.85 | |
| Bürstenblock außer für Europa, kor | ||||
| 31A | 338733 | 11.70 | 13.92 | |
| Kohlenbürsten (paar) | ||||
| 32 | 999054 | 6.45 | 7.68 | |
| Bürstenkappe Wr12dm/wh12dm | ||||
| 33 | 319918 | 3.30 | 3.93 | |
| Schneidschraube D3x16 Mit Flansch (schwarz) Dv18d | ||||
| 34 | 313687 | 1.04 | 1.23 | |
| Gehäuse Komplett (a+b) | ||||
| 36 | 322998 | 16.78 | 19.96 | |
| Platte (a) | ||||
| 37 | 322999 | 3.75 | 4.46 | |
| Schiebeknopf L/s Fdv9dva/ds14dvb Ds18dvb/dv12dv/d | ||||
| 39A | 324137 | 2.10 | 2.50 | |
| Eisenkern Ds14dmr | ||||
| 40 | 323229 | 1.35 | 1.61 | |
| Keine Informationen verfügbar, nicht bestellbar | ||||
| 41 | 322997 | |||
| DC-Geschwindigkeitskontrollschalter | ||||
| 42 | 333640 | 16.65 | 19.81 | |
| Schraube | ||||
| 43 | 958715 | 1.04 | 1.23 | |
| Haltefeder P20da/wh8d/dc | ||||
| 44 | 996118 | 2.55 | 3.03 | |
| Verbinderkabel Ds14dmr | ||||
| 45 | 323003 | 1.05 | 1.25 | |
| Kontakthalter Ds14dmr | ||||
| 46 | 320997 | 1.20 | 1.43 | |
| Verbinderkabel Ds14dmr | ||||
| 47 | 322995 | 1.05 | 1.25 | |
| Haken | ||||
| 48 | 320287 | 4.80 | 5.71 | |
| Mutter M5 | ||||
| 49 | 320288 | 1.65 | 1.96 | |
| Keine Informationen verfügbar, nicht bestellbar | ||||
| 50 | 321918 | |||
| Schraube D2x6 | ||||
| 51 | 321672 | 1.65 | 1.96 | |
| Trageriemen (schwarz) | ||||
| 52 | 306952 | 4.05 | 4.82 | |
| Hakenspannfeder | ||||
| 53 | 319926 | 1.65 | 1.96 | |
| Spezialschraube (a) M5 | ||||
| 54 | 320881 | 1.65 | 1.96 | |
| Keine Informationen verfügbar, nicht bestellbar | ||||
| 55 | 322880 | |||
| Keine Informationen verfügbar, nicht bestellbar | ||||
| 502 | 983006 | |||
| Keine Informationen verfügbar, nicht bestellbar | ||||
| 503 | 323001 | |||