Hier finden Sie alle verfügbaren Teile und Zeichnungen der 'Hikoki DS18DSFL'. Von hier aus können Sie alle gewünschten Teile direkt bestellen. Viele Teile müssen je nach Marke beim Hersteller bestellt werden, dies dauert ein bis vier Wochen. Alle Informationen, die wir haben, befinden sich auf unserer Website. Wir können Sie nicht beraten, was Sie benötigen. Dazu müssen Sie die Maschine zur Reparatur zurücksenden. Bitte beachten Sie bei der Bestellung Folgendes:
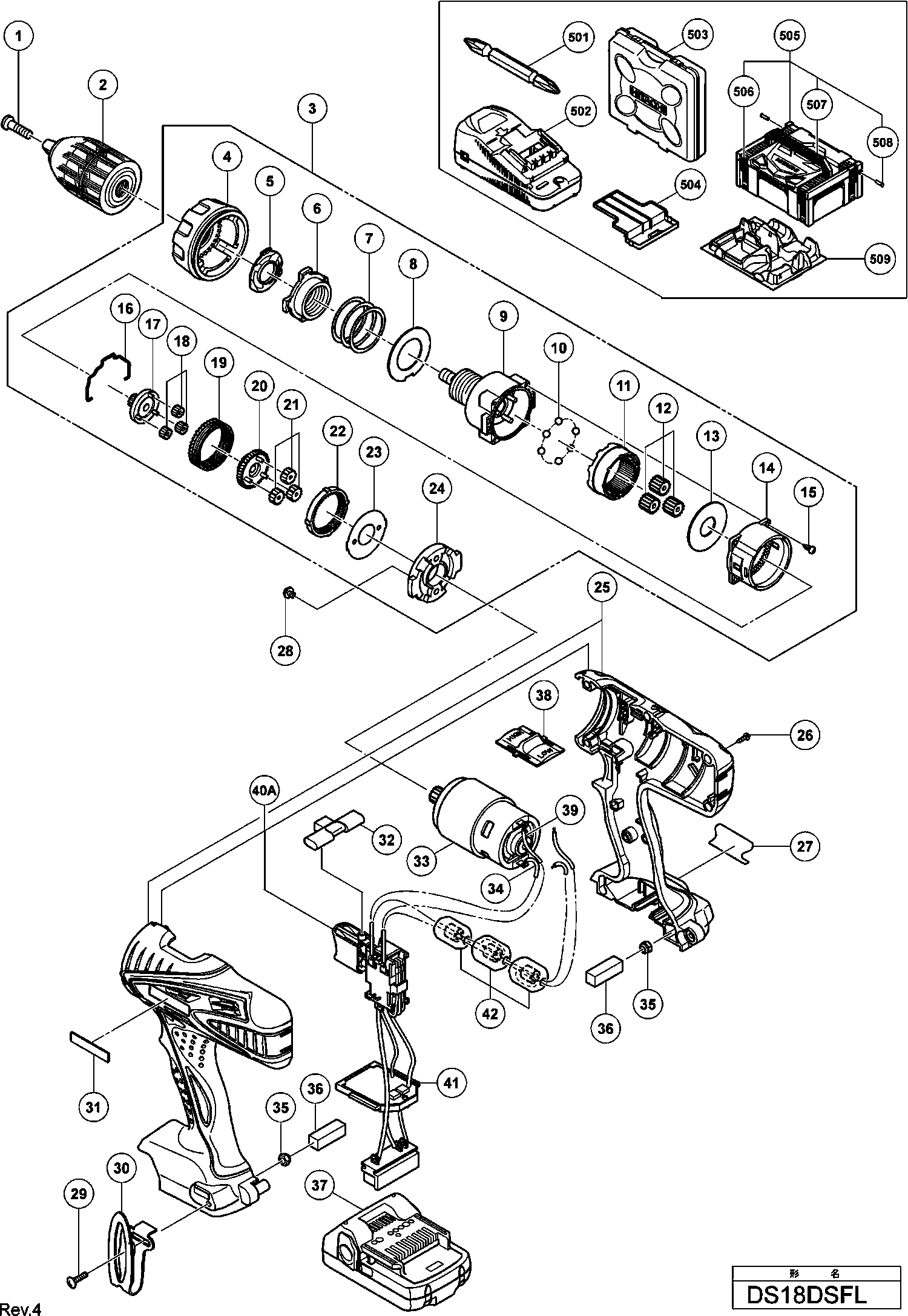
Zeichnungen der Hikoki DS18DSFL
Teileliste der Hikoki DS18DSFL
| Pos. | Beschreibung | Preis ohne MwSt | Preis inkl. MwSt | |
| Die angegebenen Preise enthalten die Mehrwertsteuer | ||||
| Linksgewindeschraube M6x23/ds18dv Ds9dva/ds10dv2/ | ||||
| 1 | 311959 | 1.50 | 1.78 | |
| Keine Informationen verfügbar, nicht bestellbar | ||||
| 2 | 332049 | |||
| Komplette Rutschkupplung | ||||
| 3 | 333315 | 74.11 | 88.19 | |
| Kupplungs-Zifferblatt | ||||
| 4 | 332025 | 5.03 | 5.98 | |
| Feder Db3dl | ||||
| 5 | 332741 | 8.33 | 9.91 | |
| Mutter Ds9dvf3 | ||||
| 6 | 324109 | 3.30 | 3.93 | |
| Feder Ds9dvf3 | ||||
| 7 | 324110 | 3.30 | 3.93 | |
| Unterlegscheibe (d) Ds9dvf3 | ||||
| 8 | 324347 | 3.30 | 3.93 | |
| Vorderes Gehäuse (alt 324491 & 332026) | ||||
| 9 | 333314 | 16.78 | 19.96 | |
| Stahlkugel D5 Ds9dva/ds10dv/dv2/ Ds12dva/ds13dv2/ | ||||
| 10 | 306936 | 1.05 | 1.25 | |
| Ringzahnrad Ds14dvb/ds18dvb Dv12dv/dv14dv/dv18dv/ | ||||
| 11 | 332027 | 5.03 | 5.98 | |
| Planetzahnrad (c) Satz (3st) Ds9dva/ds10dv2/ds12d | ||||
| 12 | 332028 | 3.38 | 4.02 | |
| Unterlegscheibe (a) Ds9dvf3 | ||||
| 13 | 324349 | 3.30 | 3.93 | |
| Getriebegehäuse | ||||
| 14 | 324501 | 4.80 | 5.71 | |
| Kreuzschlitzschrauben D3X12 (4 Stück) | ||||
| 15 | 324357 | 1.65 | 1.96 | |
| Schiebearm Ds9dvf3 | ||||
| 16 | 324115 | 3.30 | 3.93 | |
| Ritzel (c) | ||||
| 17 | 332029 | 3.38 | 4.02 | |
| Planetzahnrad (b) Satz (3st) Ds9dva/ds12dva/ds14d | ||||
| 18 | 332031 | 1.73 | 2.05 | |
| Gleit-ringzahnrad Ds14dvb/ds18dvb Dv12dv/dv14dv/d | ||||
| 19 | 332030 | 6.68 | 7.94 | |
| Ritzel (b) | ||||
| 20 | 332032 | 3.38 | 4.02 | |
| Planetenzahnrad (a) Satz (3 Stk.) | ||||
| 21 | 332034 | 3.38 | 4.02 | |
| Erstes Ringzahnrad Ds14dvb/dv12dv Ds18dvb/dv14dv/ | ||||
| 22 | 332033 | 3.38 | 4.02 | |
| Unterlegscheibe (b) Ds9dvf3 | ||||
| 23 | 324355 | 3.30 | 3.93 | |
| Motorflansch Ds12dm | ||||
| 24 | 332035 | 1.73 | 2.05 | |
| Keine Informationen verfügbar, nicht bestellbar | ||||
| 25 | 332821 | |||
| Schneidschraube D3x16 Mit Flansch (schwarz) Dv18d | ||||
| 26 | 313687 | 1.04 | 1.23 | |
| Maschinenschraube M4x6 Dv18dvf, Dv14dvf | ||||
| 28 | 317333 | 1.50 | 1.78 | |
| Schraube M4 schwarz Dv14dsl Wh18dbdl,wh14dbdl, Wr | ||||
| 29 | 327001 | 1.80 | 2.14 | |
| Haken | ||||
| 30 | 332824 | 4.58 | 5.44 | |
| Namensschild | ||||
| 31 | 330719 | 2.10 | 2.50 | |
| Druckknopf | ||||
| 32 | 332836 | 1.13 | 1.34 | |
| Keine Informationen verfügbar, nicht bestellbar | ||||
| 33 | 332558 | |||
| Verbinderkabel, schwarz | ||||
| 34 | 332843 | 1.05 | 1.25 | |
| Mutter M4 (schwarz) Wh18dbdl,wh14dbdl, Wr18dbdl, | ||||
| 35 | 327002 | 1.80 | 2.14 | |
| Dichtung | ||||
| 36 | 327004 | 1.80 | 2.14 | |
| Keine Informationen verfügbar, nicht bestellbar | ||||
| 37 | 333353 | |||
| Schiebeknopf L/s Fdv9dva/ds14dvb Ds18dvb/dv12dv/d | ||||
| 38 | 332036 | 1.05 | 1.25 | |
| Interne Verdrahtung rot 140L | ||||
| 39 | 324499 | 1.05 | 1.25 | |
| Gehäuseschaltersatz (alt 333313) | ||||
| 40A | 336805 | 26.26 | 31.25 | |
| Controller-Terminal-Set | ||||
| 41 | 332823 | 30.45 | 36.24 | |
| INTERNER DRAHT-FERRIT-SATZ | ||||
| 42 | 334858 | 7.35 | 8.75 | |
| Keine Informationen verfügbar, nicht bestellbar | ||||
| 501 | 983006 | |||
| Keine Informationen verfügbar, nicht bestellbar | ||||
| 503 | 332022 | |||
| Abdeckkappe für Batterie | ||||
| 504 | 329897 | 1.80 | 2.14 | |
| Keine Informationen verfügbar, nicht bestellbar | ||||
| 505 | 336471 | |||
| Keine Informationen verfügbar, nicht bestellbar | ||||
| 506 | 336472 | |||
| Keine Informationen verfügbar, nicht bestellbar | ||||
| 507 | 336473 | |||
| Keine Informationen verfügbar, nicht bestellbar | ||||
| 508 | 336474 | |||
| Keine Informationen verfügbar, nicht bestellbar | ||||
| 509 | 336475 | |||
| Keine Informationen verfügbar, nicht bestellbar | ||||
| 601 | 955657 | |||
| Keine Informationen verfügbar, nicht bestellbar | ||||
| 602 | 955659 | |||
| Keine Informationen verfügbar, nicht bestellbar | ||||
| 603 | 955674 | |||
| Keine Informationen verfügbar, nicht bestellbar | ||||
| 604 | 983004 | |||
| Keine Informationen verfügbar, nicht bestellbar | ||||
| 605 | 983011 | |||