Hier finden Sie alle verfügbaren Teile und Zeichnungen der 'Hikoki DUT-10'. Von hier aus können Sie alle gewünschten Teile direkt bestellen. Viele Teile müssen je nach Marke beim Hersteller bestellt werden, dies dauert ein bis vier Wochen. Alle Informationen, die wir haben, befinden sich auf unserer Website. Wir können Sie nicht beraten, was Sie benötigen. Dazu müssen Sie die Maschine zur Reparatur zurücksenden. Bitte beachten Sie bei der Bestellung Folgendes:
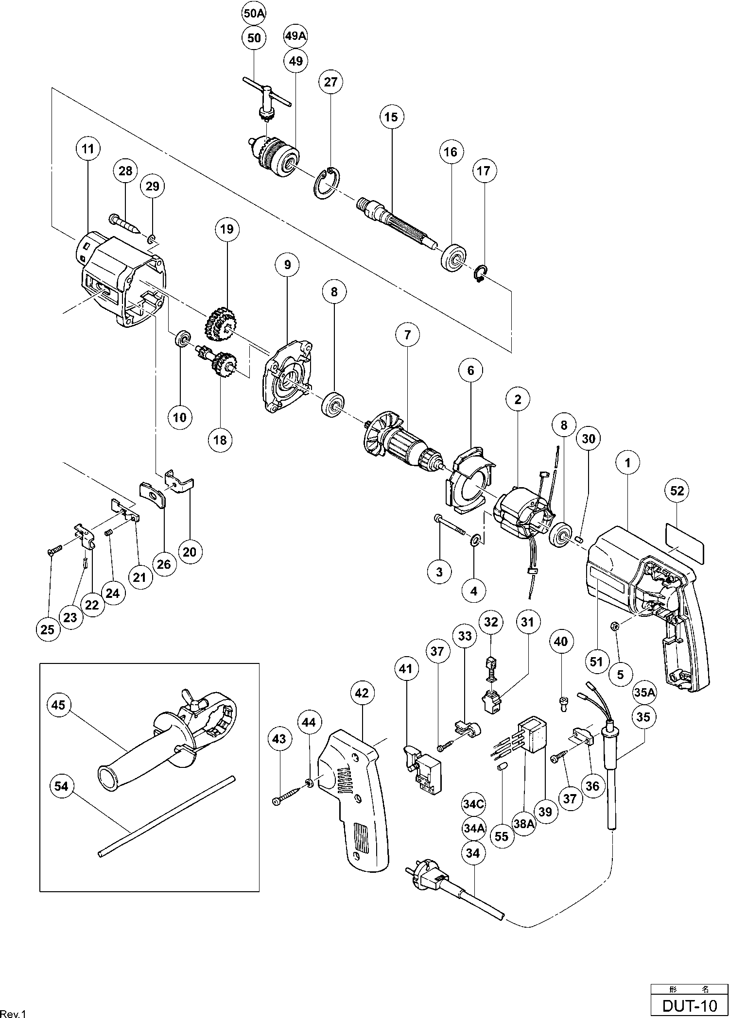
Zeichnungen der Hikoki DUT-10
Teileliste der Hikoki DUT-10
| Pos. | Beschreibung | Preis ohne MwSt | Preis inkl. MwSt | |
| Die angegebenen Preise enthalten die Mehrwertsteuer | ||||
| Keine Informationen verfügbar, nicht bestellbar | ||||
| 1 | 971640 | |||
| Stator 220v-230v H90sa Includ.103 Für Nzl,saf | ||||
| 2 | 971665E | 16.64 | 19.80 | |
| Stator 240 Volt | ||||
| 2 | 971665F | 16.36 | 19.47 | |
| Nicht mehr lieferbar, kein Ersatz | ||||
| 3 | 949278 | |||
| Federscheibe M4 (10st) | ||||
| 4 | 949453 | 1.05 | 1.25 | |
| Mutter M4 (10 Stück) | ||||
| 5 | 949554 | 1.05 | 1.25 | |
| Luftführung D13v | ||||
| 6 | 971642 | 1.05 | 1.25 | |
| Anker 230v | ||||
| 7 | 971666E | 93.36 | 111.10 | |
| Anker 240v | ||||
| 7 | 971666F | 75.49 | 89.83 | |
| Kugellager 608 Vvm, C8fshe, Cm5sb, C8fse, H41mb | ||||
| 8 | 608VVM | 5.70 | 6.78 | |
| Innendeckel | ||||
| 9 | 971664 | 18.70 | 22.25 | |
| Kugellager 608 Vvm, C8fshe, Cm5sb, C8fse, H41mb | ||||
| 10 | 608VVM | 5.70 | 6.78 | |
| Getriebegehaeuse | ||||
| 11 | 980972 | 24.89 | 29.62 | |
| Keine Informationen verfügbar, nicht bestellbar | ||||
| 15 | 980973 | |||
| Kugellager 6202 Vv | ||||
| 16 | 6202VV | 7.05 | 8.39 | |
| Sicherungsring D15 (10st) | ||||
| 17 | 939544 | 2.13 | 2.53 | |
| Keine Informationen verfügbar, nicht bestellbar | ||||
| 18 | 971700 | |||
| Keine Informationen verfügbar, nicht bestellbar | ||||
| 19 | 980192 | |||
| Verstellführung | ||||
| 20 | 971651 | 1.05 | 1.25 | |
| Drehzahlgriff | ||||
| 21 | 971652 | 1.95 | 2.32 | |
| Blockierung | ||||
| 22 | 971653 | 1.35 | 1.61 | |
| Rollstift D3x12 (10st) | ||||
| 23 | 949535 | 2.10 | 2.50 | |
| Feder | ||||
| 24 | 943053 | 1.35 | 1.61 | |
| Senkkopfschraube M4x12 (10st) | ||||
| 25 | 949323 | 1.05 | 1.25 | |
| Dichtungsplatte | ||||
| 26 | 971672 | 1.95 | 2.32 | |
| Sicherungsring D35 (innen) 10st | ||||
| 27 | 939556 | 10.20 | 12.14 | |
| Schneidschraube D5x35 | ||||
| 28 | 931875 | 1.05 | 1.25 | |
| Federscheibe M5 (10st), C8fshe, C8fse | ||||
| 29 | 949454 | 1.04 | 1.23 | |
| GUMMISTIFT (ALT 976441) | ||||
| 30 | 946362 | 1.05 | 1.25 | |
| Kohlekasten Zsb | ||||
| 31 | 955203 | 2.40 | 2.86 | |
| Kohlenbürsten (paar)cj65v3 | ||||
| 32 | 999041 | 4.50 | 5.36 | |
| Keine Informationen verfügbar, nicht bestellbar | ||||
| 33 | 971655 | |||
| Anschlusskabel (cord Armor D8.8) For Pan | ||||
| 34 | 500447Z | 6.60 | 7.85 | |
| Keine Informationen verfügbar, nicht bestellbar | ||||
| 34A | 500423Z | |||
| Nicht mehr lieferbar, kein Ersatz | ||||
| 34C | 500435Z | |||
| Kabelknickschutz D8.2 | ||||
| 35 | 930487 | 2.25 | 2.68 | |
| Kabelknickschutz D10.2 Div.typen | ||||
| 35 | 980193 | 1.65 | 1.96 | |
| KABELBUCHSE D8.8 | ||||
| 35A | 303662 | 1.04 | 1.23 | |
| Kabelklemme Div.typen, C8fshe, Cm5sb, C8fse | ||||
| 36 | 937631 | 1.04 | 1.23 | |
| Gewindeschraube D4X16 | ||||
| 37 | 954004 | 1.04 | 1.23 | |
| Kondensator Div.typen | ||||
| 38A | 994273 | 4.29 | 5.10 | |
| Gummi | ||||
| 39 | 930153 | 1.04 | 1.23 | |
| Verbinder 50091 (10st) Div.typen | ||||
| 40 | 959140 | 3.30 | 3.93 | |
| Schalter | ||||
| 41 | 971667Z | 20.21 | 24.05 | |
| Schalter | ||||
| 41 | 957747 | 14.03 | 16.69 | |
| Griffabdeckung | ||||
| 42 | 971660 | 9.90 | 11.78 | |
| Schneidschraube D4x20 Cg18dal, Cg18dl | ||||
| 43 | 956384 | 1.05 | 1.25 | |
| Unterlegscheibe M4 (10st) | ||||
| 44 | 949423 | 1.05 | 1.25 | |
| Keine Informationen verfügbar, nicht bestellbar | ||||
| 45 | 971662 | |||
| Keine Informationen verfügbar, nicht bestellbar | ||||
| 49 | 321811 | |||
| Keine Informationen verfügbar, nicht bestellbar | ||||
| 50 | 930119 | |||
| Keine Informationen verfügbar, nicht bestellbar | ||||
| 50A | 987575 | |||
| Keine Informationen verfügbar, nicht bestellbar | ||||
| 51 | 957561 | |||
| Keine Informationen verfügbar, nicht bestellbar | ||||
| 54 | 971677 | |||
| Kanalhülse für Kabel (d) Div.typen, Cm9uby, G23ss | ||||
| 55 | 981373 | 1.05 | 1.25 | |