Hier finden Sie alle verfügbaren Teile und Zeichnungen der 'Hikoki DW15Y'. Von hier aus können Sie alle gewünschten Teile direkt bestellen. Viele Teile müssen je nach Marke beim Hersteller bestellt werden, dies dauert ein bis vier Wochen. Alle Informationen, die wir haben, befinden sich auf unserer Website. Wir können Sie nicht beraten, was Sie benötigen. Dazu müssen Sie die Maschine zur Reparatur zurücksenden. Bitte beachten Sie bei der Bestellung Folgendes:
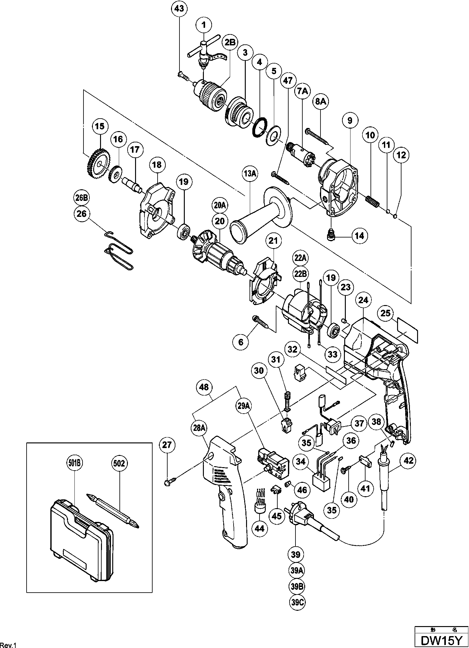
Zeichnungen der Hikoki DW15Y
Teileliste der Hikoki DW15Y
| Pos. | Beschreibung | Preis ohne MwSt | Preis inkl. MwSt | |
| Die angegebenen Preise enthalten die Mehrwertsteuer | ||||
| Stator 220v-230v H90sa Includ.103 Für Nzl,saf | ||||
| *22A | 992639E | 37.95 | 45.16 | |
| Feld 220-230 Volt (alt 340218g) | ||||
| *22B | 340218L | 35.06 | 41.72 | |
| Schalter | ||||
| *29A | 307893 | 35.06 | 41.72 | |
| Schalter Vtv16 Since 8.1999 | ||||
| *29A | 316257 | 32.18 | 38.29 | |
| Schnur | ||||
| *39 | 950543Z | 10.20 | 12.14 | |
| Kabelknickschutz D10.2 Till 11.1982 For Aus | ||||
| *42 | 930026 | 3.00 | 3.57 | |
| Kabelknickschutz D10.2 Div.typen | ||||
| *42 | 980193 | 1.65 | 1.96 | |
| Schalter- und Griff-Set | ||||
| *48 | 318330 | 30.66 | 36.49 | |
| Keine Informationen verfügbar, nicht bestellbar | ||||
| 1 | 930119 | |||
| Keine Informationen verfügbar, nicht bestellbar | ||||
| 2B | 321812 | |||
| Kupplungsring Dw15y Includ.4 | ||||
| 3 | 950521 | 26.40 | 31.42 | |
| O-ring (s28) Dw15y | ||||
| 4 | 873731 | 1.05 | 1.25 | |
| Unterlegscheibe | ||||
| 5 | 950513 | 1.05 | 1.25 | |
| TAPSCHROEF D4X40 | ||||
| 6 | 992630 | 1.00 | 1.19 | |
| Gelenkwelle (a) | ||||
| 7A | 950512 | 18.43 | 21.93 | |
| SCHROEF D4X50 (OUD 992631) | ||||
| 8A | 950515 | 1.00 | 1.19 | |
| Getriebedeckel (alt 950516z) | ||||
| 9 | 950516 | 12.75 | 15.17 | |
| VEER | ||||
| 10 | 943614 | 1.00 | 1.19 | |
| Stahlkugel D5.556 (10st) Wh18dbdl, Wh14dbdl,wr18d | ||||
| 11 | 959154 | 1.35 | 1.61 | |
| Platte | ||||
| 12 | 950539 | 1.05 | 1.25 | |
| Keine Informationen verfügbar, nicht bestellbar | ||||
| 13A | 994322 | |||
| STOPSCHROEF | ||||
| 14 | 950519 | 6.18 | 7.35 | |
| Zahnrad Dw15y | ||||
| 15 | 950510 | 27.78 | 33.05 | |
| Kugellager | ||||
| 16 | 950508 | 11.55 | 13.74 | |
| TANDWIELTANG | ||||
| 17 | 950509 | 8.40 | 10.00 | |
| TANDWIELHUISDEKSEL | ||||
| 18 | 950507 | 14.68 | 17.47 | |
| Kugellager 608 Vvm, C8fshe, Cm5sb, C8fse, H41mb | ||||
| 19 | 608VVM | 5.70 | 6.78 | |
| Anker 230v*****del***** Neue Art.nr.992640g | ||||
| 20 | 992640E | 64.21 | 76.41 | |
| ANKER 100-115 VOLT (OUD 992640J) | ||||
| 20 | 992640 | 54.23 | 64.53 | |
| Luftführung D10vc/dw15y | ||||
| 21 | 950504 | 1.65 | 1.96 | |
| Stator 220v-230v H90sa Includ.103 Für Nzl,saf | ||||
| 22A | 992639E | 37.95 | 45.16 | |
| GUMMISTIFT | ||||
| 23 | 931701 | 1.05 | 1.25 | |
| Gehaeuse | ||||
| 24 | 991880 | 14.30 | 17.02 | |
| RIEMKLEM (NIEUW 950551) | ||||
| 26 | 950511 | 2.94 | 3.50 | |
| Keine Informationen verfügbar, nicht bestellbar | ||||
| 26B | 950551 | |||
| Schneidschraube D4x20 M.u-scheibe | ||||
| 27 | 982095 | 1.04 | 1.23 | |
| Handgriffdeckel D10vc u.a. | ||||
| 28A | 318329 | 6.75 | 8.03 | |
| Schalter | ||||
| 29A | 307893 | 35.06 | 41.72 | |
| Schalter Vtv16 Since 8.1999 | ||||
| 29A | 316257 | 32.18 | 38.29 | |
| Kohlekasten Zsb | ||||
| 30 | 930483 | 1.65 | 1.96 | |
| Kohlenbürsten (paar)cj65v3 | ||||
| 31 | 999041 | 4.50 | 5.36 | |
| Keine Informationen verfügbar, nicht bestellbar | ||||
| 32 | 950565 | |||
| Kanalhülse für Kabel (d) Div.typen, Cm9uby, G23ss | ||||
| 33 | 981373 | 1.05 | 1.25 | |
| Kondensator Div.typen | ||||
| 34 | 994273 | 4.29 | 5.10 | |
| Kanalhülse für Kabel (d) Div.typen, Cm9uby, G23ss | ||||
| 35 | 981373 | 1.05 | 1.25 | |
| Erdklemme Dw15y/sv12v u.a. Cl10sa | ||||
| 36 | 992635 | 1.05 | 1.25 | |
| Schalter (r+l) | ||||
| 37 | 992636 | 17.60 | 20.94 | |
| Kanalhülse für Kabel (d) Div.typen, Cm9uby, G23ss | ||||
| 38 | 981373 | 1.05 | 1.25 | |
| Schnur | ||||
| 39 | 950543Z | 10.20 | 12.14 | |
| SNOER 2.5M 2 X 1.0 H05VV-F W/PLUG 13A/250V (OLD 50 | ||||
| 39A | 500423Z | 12.87 | 15.32 | |
| Nicht mehr lieferbar, kein Ersatz | ||||
| 39C | 500435Z | |||
| Keine Informationen verfügbar, nicht bestellbar | ||||
| 40 | 984750 | |||
| Kabelklemme Div.typen, C8fshe, Cm5sb, C8fse | ||||
| 41 | 937631 | 1.04 | 1.23 | |
| Kabelknickschutz D10.2 Till 11.1982 For Aus | ||||
| 42 | 930026 | 3.00 | 3.57 | |
| Kabelknickschutz D8.2 | ||||
| 42 | 930487 | 2.25 | 2.68 | |
| Kabelknickschutz D10.2 Div.typen | ||||
| 42 | 980193 | 1.65 | 1.96 | |
| Senkkopfschraube M6x22 Linksgew. | ||||
| 43 | 981122 | 1.35 | 1.61 | |
| Drosselspule Sb110/bm25y For Nzl | ||||
| 44 | 955908 | 32.18 | 38.29 | |
| Schraubklemme (b) 1-reihig Till 10.1999 | ||||
| 45 | 982805Z | 2.55 | 3.03 | |
| Verbinder 50091 (10st) Div.typen | ||||
| 46 | 959140 | 3.30 | 3.93 | |
| Schraube D4x40 | ||||
| 47 | 950514 | 1.20 | 1.43 | |
| Schalter- und Griff-Set | ||||
| 48 | 318330 | 30.66 | 36.49 | |
| Keine Informationen verfügbar, nicht bestellbar | ||||
| 501B | 310904 | |||
| Keine Informationen verfügbar, nicht bestellbar | ||||
| 502 | 983006 | |||
| Keine Informationen verfügbar, nicht bestellbar | ||||
| 601 | 983004 | |||
| Keine Informationen verfügbar, nicht bestellbar | ||||
| 602 | 983011 | |||
| Keine Informationen verfügbar, nicht bestellbar | ||||
| 603 | 955656 | |||
| Keine Informationen verfügbar, nicht bestellbar | ||||
| 604 | 955658 | |||
| Keine Informationen verfügbar, nicht bestellbar | ||||
| 605 | 955673 | |||
| Keine Informationen verfügbar, nicht bestellbar | ||||
| 606 | 955675 | |||
| Keine Informationen verfügbar, nicht bestellbar | ||||
| 607 | 955676 | |||
| Keine Informationen verfügbar, nicht bestellbar | ||||
| 608 | 955677 | |||
| Keine Informationen verfügbar, nicht bestellbar | ||||
| 609 | 955678 | |||
| Keine Informationen verfügbar, nicht bestellbar | ||||
| 616 | 954321 | |||
| AS | ||||
| 617 | 954322 | 3.84 | 4.57 | |
| Keine Informationen verfügbar, nicht bestellbar | ||||
| 618 | 954324 | |||
| Keine Informationen verfügbar, nicht bestellbar | ||||
| 619 | 954323 | |||
| Senkkopfschraube M6x20 (10st) | ||||
| 620 | 949794 | 1.65 | 1.96 | |
| Keine Informationen verfügbar, nicht bestellbar | ||||
| 629 | 939520 | |||