Hier finden Sie alle verfügbaren Teile und Zeichnungen der 'Hikoki FCJ65V'. Von hier aus können Sie alle gewünschten Teile direkt bestellen. Viele Teile müssen je nach Marke beim Hersteller bestellt werden, dies dauert ein bis vier Wochen. Alle Informationen, die wir haben, befinden sich auf unserer Website. Wir können Sie nicht beraten, was Sie benötigen. Dazu müssen Sie die Maschine zur Reparatur zurücksenden. Bitte beachten Sie bei der Bestellung Folgendes:
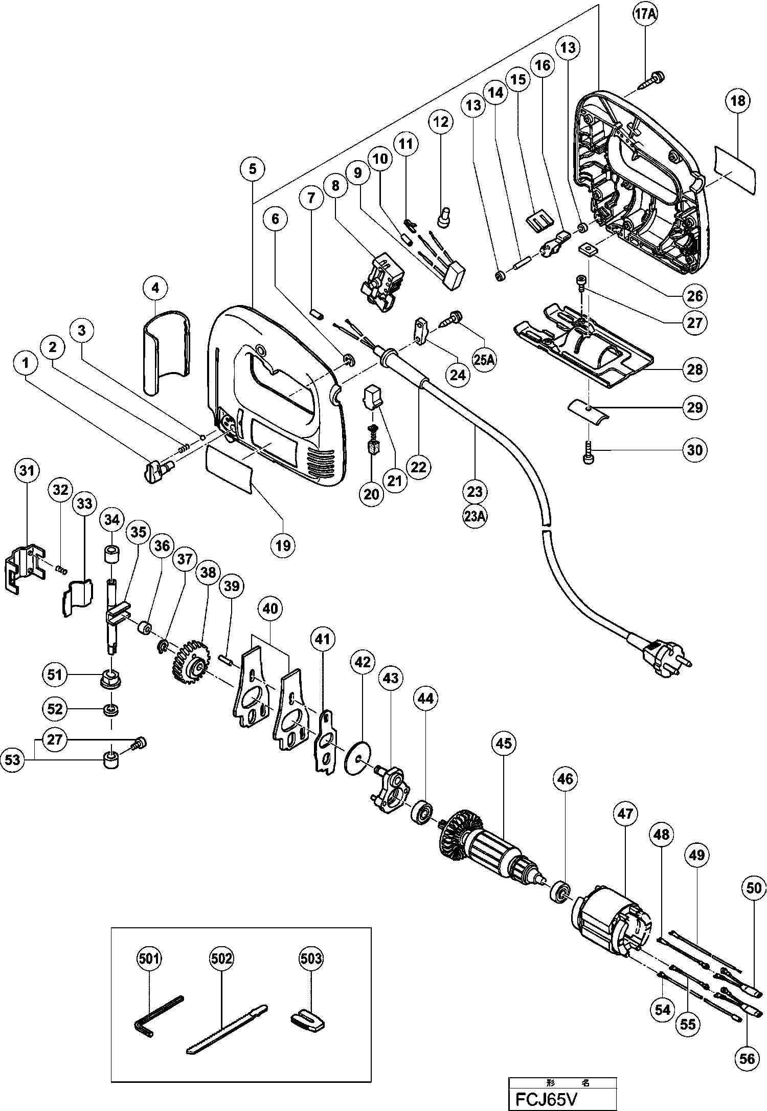
Zeichnungen der Hikoki FCJ65V
Teileliste der Hikoki FCJ65V
| Pos. | Beschreibung | Preis ohne MwSt | Preis inkl. MwSt | |
| Die angegebenen Preise enthalten die Mehrwertsteuer | ||||
| Knopf | ||||
| 1 | 963368 | 7.35 | 8.75 | |
| Feder (c) Cj65va2/v2/cr10v/cj120v, Nr90aa | ||||
| 2 | 982454 | 1.04 | 1.23 | |
| Stahlkugeln D3.97 (10st), Nr90aa | ||||
| 3 | 959155 | 1.04 | 1.23 | |
| Spannschutzdeckel | ||||
| 4 | 305804 | 6.75 | 8.03 | |
| Keine Informationen verfügbar, nicht bestellbar | ||||
| 5 | 310758 | |||
| Ring | ||||
| 6 | 673489 | 1.04 | 1.23 | |
| Kanalhülse für Kabel (d) Div.typen, Cm9uby, G23ss | ||||
| 7 | 981373 | 1.05 | 1.25 | |
| SCHALTER 220 VOLT | ||||
| 8 | 994744 | 37.95 | 45.16 | |
| SCHAKELAAR | ||||
| 8 | 994843 | 24.64 | 29.32 | |
| Kondensator Div.typen | ||||
| 9 | 994273 | 4.29 | 5.10 | |
| Kanalhülse für Kabel (d) Div.typen, Cm9uby, G23ss | ||||
| 10 | 981373 | 1.05 | 1.25 | |
| Erdungsklemme Dh22vd/dh20pb Cj120v/va | ||||
| 11 | 302488 | 1.04 | 1.23 | |
| Hülse | ||||
| 13 | 994255 | 2.40 | 2.86 | |
| Nadelrolle D4x20 Dh40fa/fb/50sa1 Till 10.1987 (ti | ||||
| 14 | 943364 | 1.05 | 1.25 | |
| Dichtung | ||||
| 15 | 994253 | 1.05 | 1.25 | |
| Keine Informationen verfügbar, nicht bestellbar | ||||
| 16 | 305967 | |||
| Schneidschraube D4x20 Mit Flansch (schwarz), C8fs | ||||
| 17A | 301653 | 1.04 | 1.23 | |
| Kohlenbürsten (paar)cj65v3 | ||||
| 20 | 999041 | 4.50 | 5.36 | |
| Kohlekasten Zsb | ||||
| 21 | 930483 | 1.65 | 1.96 | |
| Kabelknickschutz D10.2 Div.typen | ||||
| 22 | 980193 | 1.65 | 1.96 | |
| Kabelknickschutz D7.2 Fdv15v u.a. | ||||
| 22 | 307217 | 1.05 | 1.25 | |
| KABELBUCHSE D8.8 | ||||
| 22 | 303662 | 1.04 | 1.23 | |
| SNOER 2.5M 2 X 1.0 H05VV-F W/PLUG 13A/250V (OLD 50 | ||||
| 23 | 500423Z | 12.87 | 15.32 | |
| Verbindungskabel | ||||
| 23 | 303667 | 8.40 | 10.00 | |
| Anschlusskabel (cord Armor D8.8) For Pan | ||||
| 23 | 500447Z | 6.60 | 7.85 | |
| Kabelklemme Div.typen, Cm9uby, G23ss | ||||
| 24 | 960266 | 1.04 | 1.23 | |
| Keine Informationen verfügbar, nicht bestellbar | ||||
| 25A | 984750 | |||
| Plattenmutter Fcj65v | ||||
| 26 | 962991 | 1.05 | 1.25 | |
| Inbusschraube M4x 8 (10st) | ||||
| 27 | 949811 | 1.50 | 1.78 | |
| Grundplatte | ||||
| 28 | 962988 | 7.95 | 9.46 | |
| Halteplatte (a) Fvj55v/fcj65v | ||||
| 29 | 994260 | 1.20 | 1.43 | |
| Inbusschraube M4x16 (10st) | ||||
| 30 | 949754 | 2.40 | 2.86 | |
| Plattenhalter Fcj55v/fcj65v | ||||
| 31 | 994243 | 1.20 | 1.43 | |
| VEER | ||||
| 32 | 963362 | 1.38 | 1.64 | |
| PLAATS | ||||
| 33 | 994244 | 1.50 | 1.78 | |
| METAL (A) | ||||
| 34 | 994262 | 1.38 | 1.64 | |
| Stoessel | ||||
| 35 | 305803 | 40.84 | 48.60 | |
| Verbinderteil Fj50v/fcj55va u.a. | ||||
| 36 | 962982 | 4.20 | 5.00 | |
| Sicherungsring D7 Fcj55v/fcj65v | ||||
| 37 | 994251 | 1.05 | 1.25 | |
| Nicht mehr lieferbar, kein Ersatz | ||||
| 38 | 994250 | |||
| Nadelrolle Cr10v/fcj65v u.a. | ||||
| 39 | 983545 | 1.05 | 1.25 | |
| Ausgleichgewicht Fcj55v/fcj65v | ||||
| 40 | 994249 | 10.50 | 12.50 | |
| Umlaufplatte Fcj55v/fcj65v | ||||
| 41 | 994248 | 2.55 | 3.03 | |
| RING | ||||
| 42 | 994247 | 1.00 | 1.19 | |
| HOUDER | ||||
| 43 | 994246 | 13.58 | 16.16 | |
| Kugellager 608 Vvm, C8fshe, Cm5sb, C8fse, H41mb | ||||
| 44 | 608VVM | 5.70 | 6.78 | |
| Anker 230v | ||||
| 45 | 987120E | 52.53 | 62.50 | |
| Kugellager 626 Vvm Cj65v3 | ||||
| 46 | 626VVM | 5.70 | 6.78 | |
| Stator 220v-230v Fdv12v/fcj55va Neue Art.nr.34022 | ||||
| 47 | 340228E | 17.19 | 20.45 | |
| Keine Informationen verfügbar, nicht bestellbar | ||||
| 48 | 305808 | |||
| Keine Informationen verfügbar, nicht bestellbar | ||||
| 49 | 305813 | |||
| Gleitlager Cfj65v | ||||
| 51 | 305966 | 3.00 | 3.57 | |
| Filz | ||||
| 52 | 963354 | 1.05 | 1.25 | |
| Keine Informationen verfügbar, nicht bestellbar | ||||
| 53 | 305811 | |||
| Verbinderkabel | ||||
| 54 | 305805 | 1.95 | 2.32 | |
| Keine Informationen verfügbar, nicht bestellbar | ||||
| 55 | 305807 | |||
| Keine Informationen verfügbar, nicht bestellbar | ||||
| 501 | 943277 | |||
| Keine Informationen verfügbar, nicht bestellbar | ||||
| 502 | 879357 | |||
| Keine Informationen verfügbar, nicht bestellbar | ||||
| 503 | 305810 | |||
| Keine Informationen verfügbar, nicht bestellbar | ||||
| 601 | 879336 | |||
| Keine Informationen verfügbar, nicht bestellbar | ||||
| 602 | 879337 | |||
| Keine Informationen verfügbar, nicht bestellbar | ||||
| 603 | 879338 | |||
| Keine Informationen verfügbar, nicht bestellbar | ||||
| 604 | 879339 | |||
| Keine Informationen verfügbar, nicht bestellbar | ||||
| 605 | 879340 | |||
| Keine Informationen verfügbar, nicht bestellbar | ||||
| 606 | 879341 | |||
| Keine Informationen verfügbar, nicht bestellbar | ||||
| 608 | 306021 | |||