Hier finden Sie alle verfügbaren Teile und Zeichnungen der 'Hikoki FD10SA'. Von hier aus können Sie alle gewünschten Teile direkt bestellen. Viele Teile müssen je nach Marke beim Hersteller bestellt werden, dies dauert ein bis vier Wochen. Alle Informationen, die wir haben, befinden sich auf unserer Website. Wir können Sie nicht beraten, was Sie benötigen. Dazu müssen Sie die Maschine zur Reparatur zurücksenden. Bitte beachten Sie bei der Bestellung Folgendes:
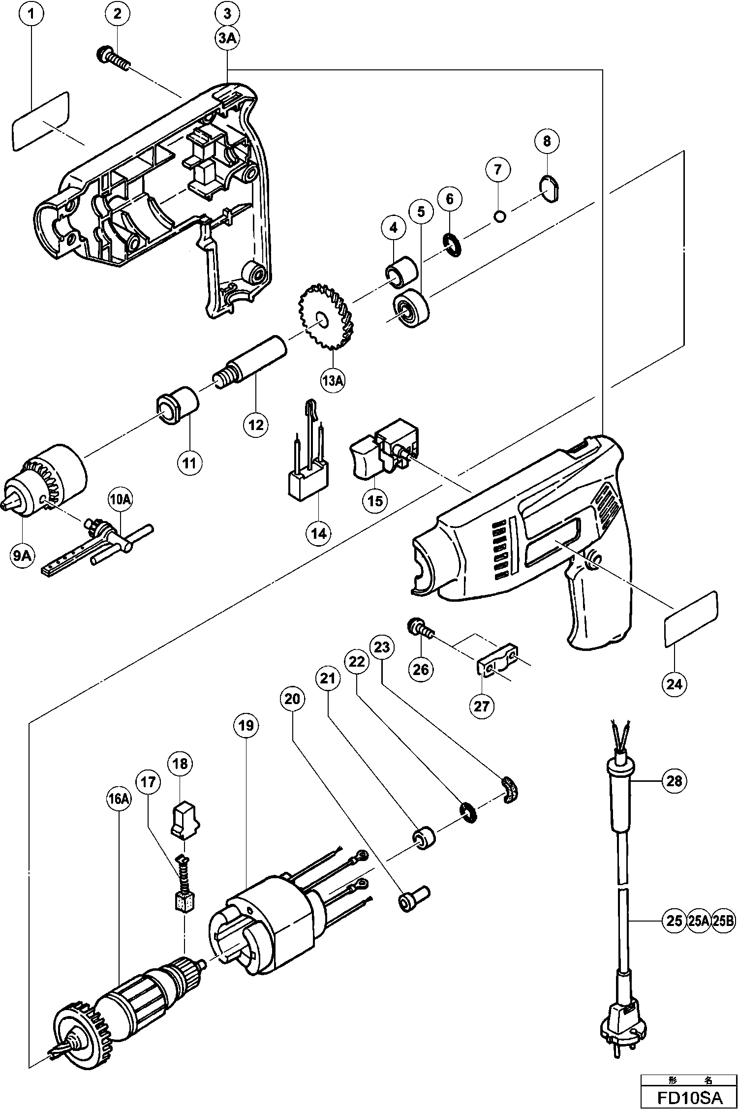
Zeichnungen der Hikoki FD10SA
Teileliste der Hikoki FD10SA
| Pos. | Beschreibung | Preis ohne MwSt | Preis inkl. MwSt | |
| Die angegebenen Preise enthalten die Mehrwertsteuer | ||||
| Keine Informationen verfügbar, nicht bestellbar | ||||
| *19 | 340071F | |||
| Keine Informationen verfügbar, nicht bestellbar | ||||
| *25 | 500439Z | |||
| SNOER 2.5M 2 X 1.0 H05VV-F W/PLUG 13A/250V (OLD 50 | ||||
| *25A | 500423Z | 12.87 | 15.32 | |
| Anschlusskabel (cord Armor D8.8) For Pan | ||||
| *25A | 500447Z | 6.60 | 7.85 | |
| Kabelknickschutz D10.2 Till 11.1982 For Aus | ||||
| *28 | 930026 | 3.00 | 3.57 | |
| Schneidschraube D4x20 Since 7.2016 | ||||
| 2 | 994806 | 1.04 | 1.23 | |
| Keine Informationen verfügbar, nicht bestellbar | ||||
| 3 | 314774 | |||
| Gehäuse (a+b-satz/moosgr.)fdv20vb | ||||
| 3A | 994731 | 11.70 | 13.92 | |
| Metall (b) | ||||
| 4 | 954789 | 1.05 | 1.25 | |
| Kugellager 608 Vvm, C8fshe, Cm5sb, C8fse, H41mb | ||||
| 5 | 608VVM | 5.70 | 6.78 | |
| O-ring (s-16) Fcj55v | ||||
| 6 | 876031 | 1.65 | 1.96 | |
| Stahlkugel D5.556 (10st) Wh18dbdl, Wh14dbdl,wr18d | ||||
| 7 | 959154 | 1.35 | 1.61 | |
| Keine Informationen verfügbar, nicht bestellbar | ||||
| 8 | 954166 | |||
| Keine Informationen verfügbar, nicht bestellbar | ||||
| 9A | 950292 | |||
| Keine Informationen verfügbar, nicht bestellbar | ||||
| 10A | 980057 | |||
| Gleitlager Sb110 | ||||
| 11 | 987072 | 1.65 | 1.96 | |
| Keine Informationen verfügbar, nicht bestellbar | ||||
| 12 | 994720 | |||
| Keine Informationen verfügbar, nicht bestellbar | ||||
| 13A | 994721 | |||
| Schalter | ||||
| 15 | 957747 | 14.03 | 16.69 | |
| Anker 230v | ||||
| 16A | 360038F | 33.00 | 39.27 | |
| Kohlenbürsten (paar)cj65v3 | ||||
| 17 | 999041 | 4.50 | 5.36 | |
| Kohlekasten Zsb | ||||
| 18 | 930483 | 1.65 | 1.96 | |
| Keine Informationen verfügbar, nicht bestellbar | ||||
| 19 | 340071F | |||
| Verbinder 50092 (10st) Div.typen (usa, Can), C8fs | ||||
| 20 | 959141 | 3.75 | 4.46 | |
| METAL (A) | ||||
| 21 | 987106 | 1.00 | 1.19 | |
| O-ring (s-10) D6sh | ||||
| 22 | 987105 | 1.05 | 1.25 | |
| FELT (REP FROM 987108) | ||||
| 23 | 994722 | 1.00 | 1.19 | |
| Keine Informationen verfügbar, nicht bestellbar | ||||
| 25 | 500439Z | |||
| Kabel | ||||
| 25A | 930051 | 14.30 | 17.02 | |
| SNOER 2.5M 2 X 1.0 H05VV-F W/PLUG 13A/250V (OLD 50 | ||||
| 25A | 500423Z | 12.87 | 15.32 | |
| Anschlusskabel (cord Armor D8.8) For Pan | ||||
| 25A | 500447Z | 6.60 | 7.85 | |
| Keine Informationen verfügbar, nicht bestellbar | ||||
| 25B | 500436Z | |||
| Schraube (plastischer Krawatte) D4x16 | ||||
| 26 | 994810 | 1.05 | 1.25 | |
| Kabelklemme Div.typen, Cm9uby, G23ss | ||||
| 27 | 960266 | 1.04 | 1.23 | |
| Kabelknickschutz D10.2 Till 11.1982 For Aus | ||||
| 28 | 930026 | 3.00 | 3.57 | |
| Kabelknickschutz D8.2 | ||||
| 28 | 930487 | 2.25 | 2.68 | |