Hier finden Sie alle verfügbaren Teile und Zeichnungen der 'Hikoki G10ST'. Von hier aus können Sie alle gewünschten Teile direkt bestellen. Viele Teile müssen je nach Marke beim Hersteller bestellt werden, dies dauert ein bis vier Wochen. Alle Informationen, die wir haben, befinden sich auf unserer Website. Wir können Sie nicht beraten, was Sie benötigen. Dazu müssen Sie die Maschine zur Reparatur zurücksenden. Bitte beachten Sie bei der Bestellung Folgendes:
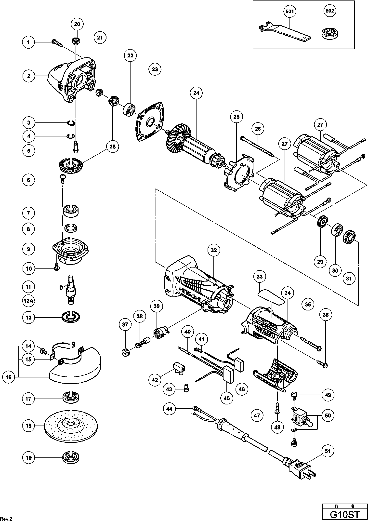
Zeichnungen der Hikoki G10ST
Teileliste der Hikoki G10ST
| Pos. | Beschreibung | Preis ohne MwSt | Preis inkl. MwSt | |
| Die angegebenen Preise enthalten die Mehrwertsteuer | ||||
| Keine Informationen verfügbar, nicht bestellbar | ||||
| *17A | 372736 | |||
| Keine Informationen verfügbar, nicht bestellbar | ||||
| *19 | 375629 | |||
| Getriebegehaeuse | ||||
| *2 | 316484 | 18.98 | 22.58 | |
| Keine Informationen verfügbar, nicht bestellbar | ||||
| *27 | 340796F | |||
| Erdungsklemme G12s2/g13sd/g13v G13yd/g13sb2/g12sa | ||||
| *40 | 314854 | 1.50 | 1.78 | |
| Anschlussklemme | ||||
| *41 | 980063 | 1.04 | 1.23 | |
| Keine Informationen verfügbar, nicht bestellbar | ||||
| *51 | 500470Z | |||
| Schneidschraube D4x25 Mit Flansch Neue Art.nr. 30 | ||||
| 1 | 304035 | 1.04 | 1.23 | |
| Getriebegehaeuse | ||||
| 2 | 316484 | 18.98 | 22.58 | |
| Keine Informationen verfügbar, nicht bestellbar | ||||
| 2A | 372981 | |||
| Sicherungsring G14dmr Till 9.2012 | ||||
| 3 | 316487 | 1.65 | 1.96 | |
| Ring | ||||
| 4 | 316486 | 1.65 | 1.96 | |
| Stift 2s1/g12sa2/g13yb1/g13v/ G13yd/g13sb2/g15yc/ | ||||
| 5 | 301943 | 1.65 | 1.96 | |
| Schraube M4x8 | ||||
| 6 | 323556 | 1.05 | 1.25 | |
| Kugellager 6201 Vv | ||||
| 7 | 6201VV | 6.45 | 7.68 | |
| Filzdichtung G12s1/g13yb1/fg12sa2 G13v/g13yd | ||||
| 8 | 301946 | 1.04 | 1.23 | |
| Packungsdose | ||||
| 9 | 333838 | 3.00 | 3.57 | |
| Kopfschraube M4x12 M.federring Selbstsichernd | ||||
| 10 | 307127 | 1.05 | 1.25 | |
| Halbmondkeil G12s2/g13sd | ||||
| 11 | 302047 | 1.05 | 1.25 | |
| Keine Informationen verfügbar, nicht bestellbar | ||||
| 12A | 317822 | |||
| Schleuderscheibe G12s1/g13yb1 G13v/g13yd | ||||
| 13 | 301945 | 1.05 | 1.25 | |
| Kopfschraube M5x16 M.federring | ||||
| 14 | 308386 | 1.05 | 1.25 | |
| Ablagebügel G12sr | ||||
| 15 | 301949 | 1.04 | 1.23 | |
| Schutz | ||||
| 16 | 301948 | 5.71 | 6.80 | |
| Schutz | ||||
| 16A | 301948 | 5.71 | 6.80 | |
| BESCHERMKAP 100MM (OUD 301948/331076/331085) | ||||
| 16B | 379562 | 2.10 | 2.50 | |
| Keine Informationen verfügbar, nicht bestellbar | ||||
| 17 | 372737 | |||
| Keine Informationen verfügbar, nicht bestellbar | ||||
| 17A | 372737 | |||
| Keine Informationen verfügbar, nicht bestellbar | ||||
| 18 | 316820 | |||
| Keine Informationen verfügbar, nicht bestellbar | ||||
| 19 | 339578 | |||
| Arretierungsstift G12s1/g12sa2/ G13yb1/g13v/g13yd | ||||
| 20 | 301944 | 1.04 | 1.23 | |
| Spezialmutter M7 G12s1/g12sa2/ Bm25y/g13yc/g13v/g | ||||
| 21 | 301941 | 1.04 | 1.23 | |
| Kugellager 628vvc2ps2-l | ||||
| 22 | 628VVC | 11.85 | 14.10 | |
| Lagerhalter G12s2/g13sd/g13v G13yd | ||||
| 23 | 316480 | 3.30 | 3.93 | |
| Keine Informationen verfügbar, nicht bestellbar | ||||
| 24 | 360909F | |||
| Luftführung G13v | ||||
| 25 | 319898 | 1.05 | 1.25 | |
| Keine Informationen verfügbar, nicht bestellbar | ||||
| 26 | 320677 | |||
| Keine Informationen verfügbar, nicht bestellbar | ||||
| 27 | 340796F | |||
| Keine Informationen verfügbar, nicht bestellbar | ||||
| 28 | 331840 | |||
| Staubdichtung G12sg | ||||
| 29 | 313775 | 1.05 | 1.25 | |
| Kugellager 626 Vvm Cj65v3 | ||||
| 30 | 626VVM | 5.70 | 6.78 | |
| Gummiring (1) | ||||
| 31 | 309929 | 1.04 | 1.23 | |
| Keine Informationen verfügbar, nicht bestellbar | ||||
| 32 | 333573 | |||
| Keine Informationen verfügbar, nicht bestellbar | ||||
| 32A | 333573 | |||
| Keine Informationen verfügbar, nicht bestellbar | ||||
| 34 | 333574 | |||
| Schneidschraube D4x45 M.flansch, Cm5sb | ||||
| 35 | 301815 | 1.05 | 1.25 | |
| Schneidschraube D4x20 M.flansch (schwarz) Cg18dal | ||||
| 36 | 302086 | 1.05 | 1.25 | |
| Kohlenkappe D10yb | ||||
| 37 | 936551 | 1.05 | 1.25 | |
| Nicht mehr lieferbar, kein Ersatz | ||||
| 38 | 999021 | |||
| Kohlekasten Zsb | ||||
| 39 | 313777 | 1.50 | 1.78 | |
| Erdungsklemme G12s2/g13sd/g13v G13yd/g13sb2/g12sa | ||||
| 40 | 314854 | 1.50 | 1.78 | |
| Anschlussklemme | ||||
| 41 | 980063 | 1.04 | 1.23 | |
| Schraubklemme 1-reihig Div.typen Till 10.1999 For | ||||
| 42 | 938307 | 2.13 | 2.53 | |
| Verbinder 50092 (10st) Div.typen (usa, Can), C8fs | ||||
| 43 | 959141 | 3.75 | 4.46 | |
| Verbinder 50091 (10st) Div.typen | ||||
| 43 | 959140 | 3.30 | 3.93 | |
| Anschlussklemme | ||||
| 44 | 980063 | 1.04 | 1.23 | |
| Kondensator Div.typen | ||||
| 45 | 994273 | 4.29 | 5.10 | |
| Kondensator C6u-c13u u.a., C 8fshe | ||||
| 46 | 930039 | 1.95 | 2.32 | |
| Keine Informationen verfügbar, nicht bestellbar | ||||
| 47 | 333575 | |||
| Schneidschraube D4x25 Mit Flansch Neue Art.nr. 30 | ||||
| 48 | 304035 | 1.04 | 1.23 | |
| Maschinenschraube (mit unterlegscheibe) M3.5x6 | ||||
| 49 | 305499 | 1.05 | 1.25 | |
| SCHAKELAAR | ||||
| 50 | 314603 | 11.88 | 14.14 | |
| Keine Informationen verfügbar, nicht bestellbar | ||||
| 51 | 500470Z | |||
| Keine Informationen verfügbar, nicht bestellbar | ||||
| 501 | 313933 | |||
| Keine Informationen verfügbar, nicht bestellbar | ||||
| 502 | 320496 | |||
| Keine Informationen verfügbar, nicht bestellbar | ||||
| 502A | 371935 | |||
| Keine Informationen verfügbar, nicht bestellbar | ||||
| 601 | 314051 | |||
| Keine Informationen verfügbar, nicht bestellbar | ||||
| 602 | 314052 | |||
| Keine Informationen verfügbar, nicht bestellbar | ||||
| 603 | 314053 | |||
| Keine Informationen verfügbar, nicht bestellbar | ||||
| 604 | 314054 | |||
| Keine Informationen verfügbar, nicht bestellbar | ||||
| 605 | 314055 | |||
| Keine Informationen verfügbar, nicht bestellbar | ||||
| 606 | 314056 | |||
| Keine Informationen verfügbar, nicht bestellbar | ||||
| 607 | 314057 | |||
| Keine Informationen verfügbar, nicht bestellbar | ||||
| 608 | 314058 | |||
| Keine Informationen verfügbar, nicht bestellbar | ||||
| 609 | 314059 | |||
| Keine Informationen verfügbar, nicht bestellbar | ||||
| 610 | 314060 | |||
| Keine Informationen verfügbar, nicht bestellbar | ||||
| 611 | 314061 | |||
| Verschlussmutter | ||||
| 612 | 935513 | 4.20 | 5.00 | |
| RING | ||||
| 613 | 936548 | 2.58 | 3.07 | |
| Keine Informationen verfügbar, nicht bestellbar | ||||
| 614 | 936558Z | |||
| Keine Informationen verfügbar, nicht bestellbar | ||||
| 615 | 302098 | |||