Hier finden Sie alle verfügbaren Teile und Zeichnungen der 'Hikoki G12SS2'. Von hier aus können Sie alle gewünschten Teile direkt bestellen. Viele Teile müssen je nach Marke beim Hersteller bestellt werden, dies dauert ein bis vier Wochen. Alle Informationen, die wir haben, befinden sich auf unserer Website. Wir können Sie nicht beraten, was Sie benötigen. Dazu müssen Sie die Maschine zur Reparatur zurücksenden. Bitte beachten Sie bei der Bestellung Folgendes:
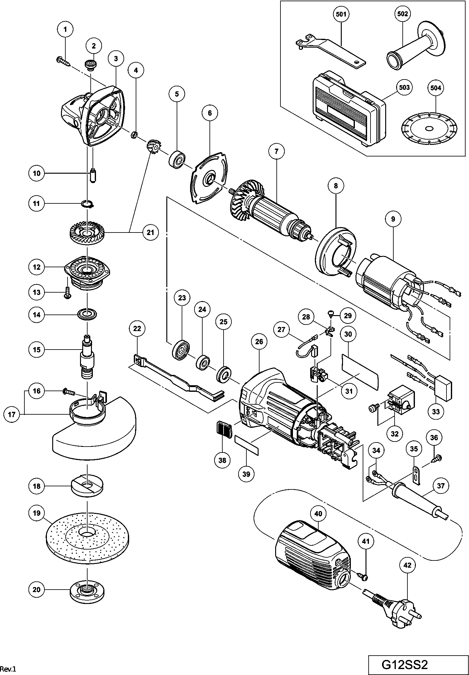
Zeichnungen der Hikoki G12SS2
Teileliste der Hikoki G12SS2
| Pos. | Beschreibung | Preis ohne MwSt | Preis inkl. MwSt | |
| Die angegebenen Preise enthalten die Mehrwertsteuer | ||||
| Keine Informationen verfügbar, nicht bestellbar | ||||
| *42 | 500439Z | |||
| Anker 230v | ||||
| *7 | 361007E | 17.60 | 20.94 | |
| Stator 220v-230v H90sa Includ.103 Für Nzl,saf | ||||
| *9 | 340908E | 12.90 | 15.35 | |
| Schneidschraube G14dmr | ||||
| 1 | 328643 | 1.05 | 1.25 | |
| Arretierungsstift G12s1/g12sa2/ G13yb1/g13v/g13yd | ||||
| 2 | 301944 | 1.04 | 1.23 | |
| Getriebegehaeuse | ||||
| 3 | 339146 | 6.90 | 8.21 | |
| Mutter M6 | ||||
| 4 | 309191 | 1.04 | 1.23 | |
| Kugellager 608ss | ||||
| 5 | 338337 | 2.25 | 2.68 | |
| Lagerschale | ||||
| 6 | 338850 | 1.04 | 1.23 | |
| Anker 230v | ||||
| 7 | 361007E | 17.60 | 20.94 | |
| ANKER 110 VOLT | ||||
| 7 | 361007C | 16.44 | 19.56 | |
| Luftleitfaden | ||||
| 8 | 338853 | 1.04 | 1.23 | |
| Stator 220v-230v H90sa Includ.103 Für Nzl,saf | ||||
| 9 | 340908E | 12.90 | 15.35 | |
| VELD 110-120 VOLT | ||||
| 9 | 340908D | 11.00 | 13.09 | |
| Stift 2s1/g12sa2/g13yb1/g13v/ G13yd/g13sb2/g15yc/ | ||||
| 10 | 301943 | 1.65 | 1.96 | |
| Sicherungsring G14dmr Till 9.2012 | ||||
| 11 | 316487 | 1.65 | 1.96 | |
| Innendeckel | ||||
| 12A | 338849 | 3.00 | 3.57 | |
| Kopfschraube M4x12 M.federring Selbstsichernd | ||||
| 13 | 328628 | 1.05 | 1.25 | |
| Distanzscheibe G18u/ua/ub u.a. | ||||
| 14 | 328185 | 1.05 | 1.25 | |
| Gelenkwelle (a) | ||||
| 15 | 330700 | 6.15 | 7.32 | |
| Kopfschraube M5x16 M.federring | ||||
| 16 | 308386 | 1.05 | 1.25 | |
| Schutz | ||||
| 17 | 338848 | 2.40 | 2.86 | |
| Keine Informationen verfügbar, nicht bestellbar | ||||
| 18 | 937817Z | |||
| Keine Informationen verfügbar, nicht bestellbar | ||||
| 18A | 376067 | |||
| Keine Informationen verfügbar, nicht bestellbar | ||||
| 19 | 316821 | |||
| Keine Informationen verfügbar, nicht bestellbar | ||||
| 20A | 339579 | |||
| ZAHNRAD UND WELLE | ||||
| 21 | 328178 | 10.05 | 11.96 | |
| Zugstange | ||||
| 22 | 338855 | 1.04 | 1.23 | |
| Staubdichtung G12sr2 | ||||
| 23 | 321722 | 1.35 | 1.61 | |
| Kugellager 626zz | ||||
| 24 | 339145 | 1.50 | 1.78 | |
| Gummiring (1) | ||||
| 25 | 309929 | 1.04 | 1.23 | |
| Gehäuse | ||||
| 26 | 338851 | 3.90 | 4.64 | |
| Gehäuse | ||||
| 26A | 338851 | 3.90 | 4.64 | |
| Kohlebürste (2 Stücke) | ||||
| 27 | 999067 | 2.85 | 3.39 | |
| Terminal | ||||
| 28 | 339185 | 1.04 | 1.23 | |
| Schraube G13sr3 | ||||
| 29 | 328210 | 1.20 | 1.43 | |
| Kohlekasten Zsb | ||||
| 31 | 333844 | 2.10 | 2.50 | |
| Schalter | ||||
| 32 | 339149 | 2.70 | 3.21 | |
| Anschlussklemme | ||||
| 34 | 980063 | 1.04 | 1.23 | |
| Kabelclip | ||||
| 35 | 338334 | 1.04 | 1.23 | |
| Schneidschraube D4x12, Cm9uby For Sin,hkg,chn | ||||
| 36 | 305720 | 1.05 | 1.25 | |
| Kabelknickschutz D8.8 Div.typen, Cm5sb | ||||
| 37 | 380090 | 1.04 | 1.24 | |
| Kabelknickschutz D8.8 Div.typen, Cm5sb | ||||
| 37A | 380090 | 1.04 | 1.24 | |
| Schalter schieben | ||||
| 38 | 338854 | 1.04 | 1.23 | |
| Abdeckkappe | ||||
| 40 | 338852 | 1.20 | 1.43 | |
| Schneidschraube D4x16 Mit Flansch (schwarz), Cm9b | ||||
| 41 | 305812 | 1.04 | 1.23 | |
| Schnur | ||||
| 42 | 500240Z | 13.18 | 15.68 | |
| Keine Informationen verfügbar, nicht bestellbar | ||||
| 501 | 938332Z | |||
| Keine Informationen verfügbar, nicht bestellbar | ||||
| 502 | 994322 | |||
| Keine Informationen verfügbar, nicht bestellbar | ||||
| 602 | 314095 | |||
| Keine Informationen verfügbar, nicht bestellbar | ||||
| 603 | 314096 | |||
| Keine Informationen verfügbar, nicht bestellbar | ||||
| 604 | 314097 | |||
| Keine Informationen verfügbar, nicht bestellbar | ||||
| 605 | 314098 | |||
| Keine Informationen verfügbar, nicht bestellbar | ||||
| 606 | 314099 | |||
| Keine Informationen verfügbar, nicht bestellbar | ||||
| 607 | 314100 | |||
| Keine Informationen verfügbar, nicht bestellbar | ||||
| 608 | 314101 | |||
| Keine Informationen verfügbar, nicht bestellbar | ||||
| 609 | 314102 | |||
| Keine Informationen verfügbar, nicht bestellbar | ||||
| 610 | 314103 | |||
| Keine Informationen verfügbar, nicht bestellbar | ||||
| 612 | 314104 | |||
| Keine Informationen verfügbar, nicht bestellbar | ||||
| 613 | 314105 | |||
| Keine Informationen verfügbar, nicht bestellbar | ||||
| 614 | 937826Z | |||
| Keine Informationen verfügbar, nicht bestellbar | ||||
| 615 | 332785 | |||
| Flüssige Dichtung | ||||
| 616 | 324688 | 40.84 | 48.60 | |