Hier finden Sie alle verfügbaren Teile und Zeichnungen der 'Hikoki G13BY'. Von hier aus können Sie alle gewünschten Teile direkt bestellen. Viele Teile müssen je nach Marke beim Hersteller bestellt werden, dies dauert ein bis vier Wochen. Alle Informationen, die wir haben, befinden sich auf unserer Website. Wir können Sie nicht beraten, was Sie benötigen. Dazu müssen Sie die Maschine zur Reparatur zurücksenden. Bitte beachten Sie bei der Bestellung Folgendes:
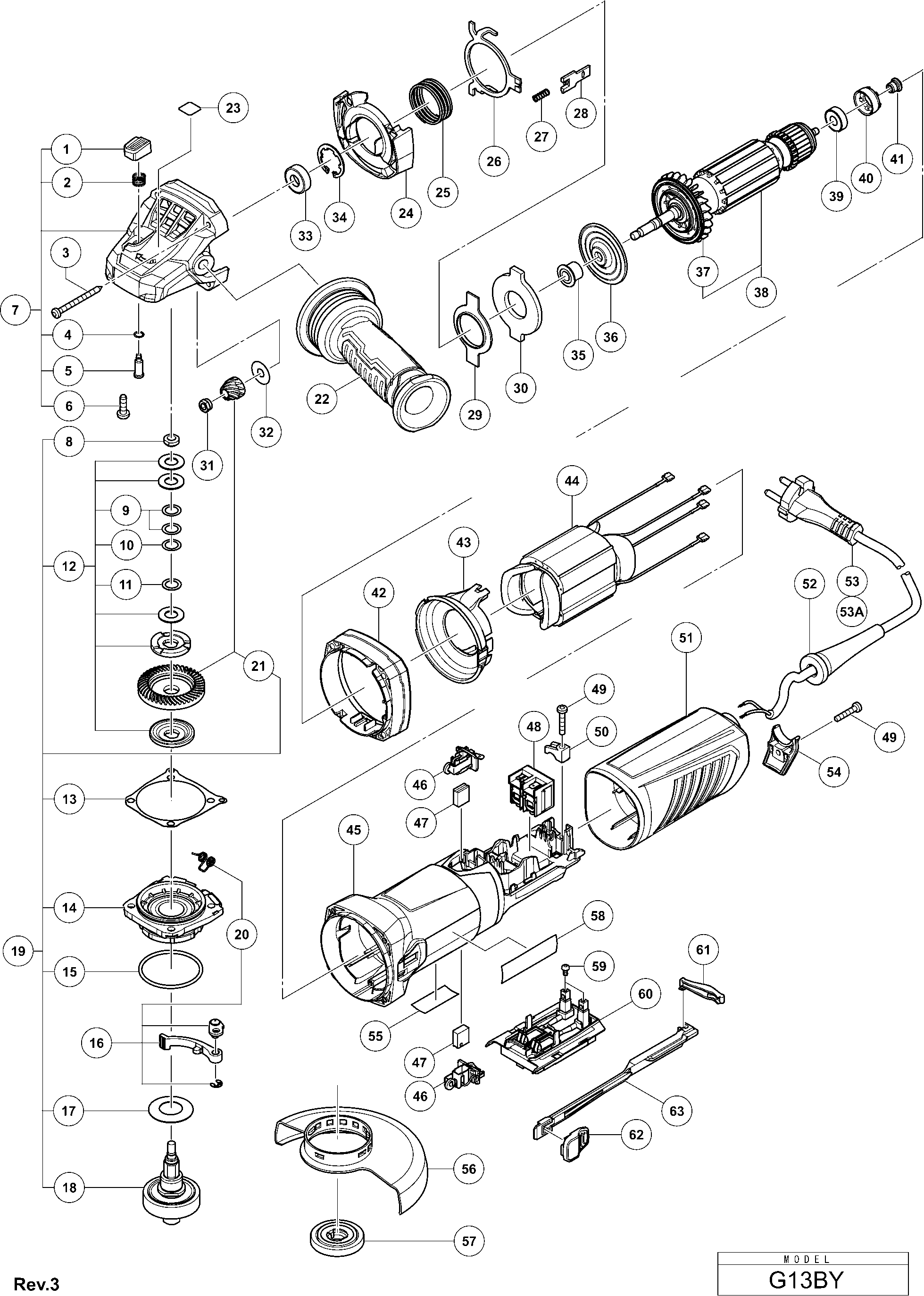
Zeichnungen der Hikoki G13BY
Teileliste der Hikoki G13BY
| Pos. | Beschreibung | Preis ohne MwSt | Preis inkl. MwSt | |
| Die angegebenen Preise enthalten die Mehrwertsteuer | ||||
| Druckknopf | ||||
| 1 | 372945 | 1.04 | 1.23 | |
| Feder (a) | ||||
| 2 | 372944 | 1.04 | 1.23 | |
| Torx Gewindeschraube D4 | ||||
| 3 | 372920 | 1.04 | 1.23 | |
| O-Ring (a) | ||||
| 4 | 372943 | 1.04 | 1.23 | |
| Spannstift | ||||
| 5 | 372946 | 5.10 | 6.07 | |
| Torx Schraube M5 | ||||
| 6 | 372919 | 1.04 | 1.23 | |
| Getriebedeckel Ass'y Inkl.3,17 | ||||
| 7 | 372932 | 23.38 | 27.82 | |
| Mutter M7 | ||||
| 8 | 372928 | 1.20 | 1.43 | |
| Unterlegscheibe 10.2x14.8x0.2 | ||||
| 9 | 372924 | 1.04 | 1.23 | |
| Unterlegscheibe 10.2x14.8x0.1 | ||||
| 10 | 372925 | 1.04 | 1.23 | |
| Unterlegscheibe 10.2x14.8x0.5 | ||||
| 11 | 372926 | 1.04 | 1.23 | |
| Reibungsscheibe Zusammenbau Inkl. 9-11 | ||||
| 12 | 372931 | 7.95 | 9.46 | |
| Dichtung | ||||
| 13 | 372918 | 1.04 | 1.23 | |
| Packing Drüse | ||||
| 14 | 372927 | 5.55 | 6.60 | |
| O-Ring (b) | ||||
| 15 | 372959 | 1.04 | 1.23 | |
| Hebelset Inkl. 20 | ||||
| 16 | 372941 | 5.70 | 6.78 | |
| Ring | ||||
| 17 | 372949 | 1.04 | 1.23 | |
| Spindel | ||||
| 18 | 372922 | 35.75 | 42.54 | |
| Getriebe- und Spindelsatz Inkl.8,12-15,17,18,21 | ||||
| 19 | 372933 | 74.80 | 89.01 | |
| Federklammer | ||||
| 20 | 372916 | 1.04 | 1.23 | |
| Kegelrad. Ritzel Set | ||||
| 21 | 372929 | 9.90 | 11.78 | |
| Keine Informationen verfügbar, nicht bestellbar | ||||
| 22 | 336865 | |||
| Schallwand | ||||
| 24 | 372901 | 1.04 | 1.23 | |
| Frühling (c) | ||||
| 25 | 372956 | 1.04 | 1.23 | |
| Schalthebel | ||||
| 26 | 372953 | 1.20 | 1.43 | |
| Feder (b) | ||||
| 27 | 372955 | 1.04 | 1.23 | |
| Schaltelement | ||||
| 28 | 372954 | 1.04 | 1.23 | |
| Stützplatte | ||||
| 29 | 372952 | 1.04 | 1.23 | |
| Anschlagplatte | ||||
| 30 | 372950 | 3.75 | 4.46 | |
| Mutter M6 | ||||
| 31 | 372909 | 1.04 | 1.23 | |
| Unterlegscheibe 7.05x19.5x0.2 | ||||
| 32 | 372908 | 1.04 | 1.23 | |
| Kugellager 8x22x7 | ||||
| 33 | 372907 | 1.65 | 1.96 | |
| Saegering (1) | ||||
| 34 | 372942 | 1.04 | 1.23 | |
| Abstandshülse | ||||
| 35 | 372957 | 1.65 | 1.96 | |
| Bremsscheibe | ||||
| 36 | 372951 | 7.65 | 9.10 | |
| Luefter | ||||
| 37 | 372938 | 2.10 | 2.50 | |
| Anker Ass'y 230v-240v Inkl. 37 | ||||
| 38 | 372887 | 48.40 | 57.60 | |
| Kugellager 6x19x6 | ||||
| 39 | 372904 | 1.65 | 1.96 | |
| Gummibuchse | ||||
| 40 | 372905 | 1.04 | 1.23 | |
| Magnet | ||||
| 41 | 372947 | 1.50 | 1.78 | |
| Bremsflansch | ||||
| 42 | 372958 | 2.55 | 3.03 | |
| Lüfterführung | ||||
| 43 | 372899 | 1.04 | 1.23 | |
| Stator Ass'y | ||||
| 44 | 372890 | 23.10 | 27.49 | |
| Gehäuse | ||||
| 45 | 372898 | 11.85 | 14.10 | |
| Kohlekasten Zsb | ||||
| 46 | 372936 | 4.05 | 4.82 | |
| Kohlebürstensatz | ||||
| 47 | 372939 | 6.90 | 8.21 | |
| Schalter (1) | ||||
| 48 | 372892 | 5.55 | 6.60 | |
| Schraube | ||||
| 49 | 371270 | 1.04 | 1.23 | |
| Kabelclip | ||||
| 50 | 371271 | 1.04 | 1.23 | |
| Schwanzabdeckung | ||||
| 51 | 372911 | 6.00 | 7.14 | |
| Kabelpanzerung | ||||
| 52 | 372894 | 1.04 | 1.23 | |
| Verbindungskabel | ||||
| 53 | 372895 | 8.70 | 10.35 | |
| Keine Informationen verfügbar, nicht bestellbar | ||||
| 53A | 500503Z | |||
| Endkappe | ||||
| 54 | 372912 | 1.04 | 1.23 | |
| Radabweiser | ||||
| 56 | 372915 | 5.70 | 6.78 | |
| Radmutter | ||||
| 57 | 372702 | 4.05 | 4.82 | |
| Torx Schraube M3 | ||||
| 59 | 372917 | 1.04 | 1.23 | |
| Controller | ||||
| 60 | 372902 | 26.81 | 31.91 | |
| Pivotstange | ||||
| 61 | 372948 | 1.04 | 1.23 | |
| Schiebeschalterknopf | ||||
| 62 | 372914 | 1.04 | 1.23 | |
| Schiebeleiste | ||||
| 63 | 372910 | 3.75 | 4.46 | |
| Schnittschutzklammer | ||||
| 601 | 372701 | 3.60 | 4.28 | |
| Keine Informationen verfügbar, nicht bestellbar | ||||
| 602 | 372960 | |||
| Fett | ||||
| 603 | 371300 | 14.10 | 16.78 | |