Hier finden Sie alle verfügbaren Teile und Zeichnungen der 'Hikoki G13YC'. Von hier aus können Sie alle gewünschten Teile direkt bestellen. Viele Teile müssen je nach Marke beim Hersteller bestellt werden, dies dauert ein bis vier Wochen. Alle Informationen, die wir haben, befinden sich auf unserer Website. Wir können Sie nicht beraten, was Sie benötigen. Dazu müssen Sie die Maschine zur Reparatur zurücksenden. Bitte beachten Sie bei der Bestellung Folgendes:
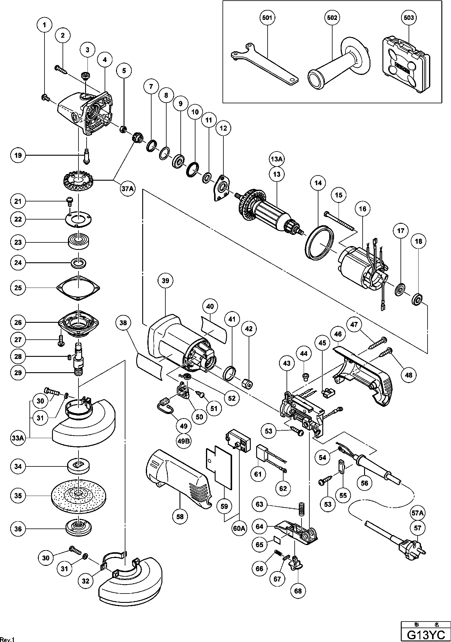
Zeichnungen der Hikoki G13YC
Teileliste der Hikoki G13YC
| Pos. | Beschreibung | Preis ohne MwSt | Preis inkl. MwSt | |
| Die angegebenen Preise enthalten die Mehrwertsteuer | ||||
| Dichtungsverschlussschraube M4X10 | ||||
| 1 | 303255 | 1.04 | 1.23 | |
| Keine Informationen verfügbar, nicht bestellbar | ||||
| 2 | 937807 | |||
| Arretierungsstift G12s1/g12sa2/ G13yb1/g13v/g13yd | ||||
| 3 | 301944 | 1.04 | 1.23 | |
| Getriebegehaeuse | ||||
| 4 | 308542 | 21.73 | 25.85 | |
| Spezialmutter M7 G12s1/g12sa2/ Bm25y/g13yc/g13v/g | ||||
| 5 | 301941 | 1.04 | 1.23 | |
| Dichtungsring (a) G12se/g13se u.a G12sa2, Cm5sb | ||||
| 7 | 308543 | 1.04 | 1.23 | |
| Unterlegscheibe (c) G12se/g12sa2/ G13sb2/g13yc/g1 | ||||
| 8 | 980866 | 1.04 | 1.23 | |
| Kugellager 629t12ddc3, Cm5sb | ||||
| 9 | 629T12 | 9.83 | 11.69 | |
| Gummiring G12sa/g12se/g12sa2 G13sb2/g12sa2, Cm5sb | ||||
| 10 | 957754 | 1.20 | 1.43 | |
| Filz G12sa/g12sa2/g13sb/g13sb2 G12sa2 | ||||
| 11 | 994320 | 1.04 | 1.23 | |
| Lagerdeckel | ||||
| 12 | 308538 | 1.50 | 1.78 | |
| Keine Informationen verfügbar, nicht bestellbar | ||||
| 13 | 360333E | |||
| Keine Informationen verfügbar, nicht bestellbar | ||||
| 13A | 360344K | |||
| Luftführung G12sa/se/sa2/g13yc/se G13sb/sb2/g12sa | ||||
| 14 | 308537 | 1.50 | 1.78 | |
| Sechskantschneidschraube D4x70, Cm5sb | ||||
| 15 | 982021 | 1.04 | 1.23 | |
| Feld | ||||
| 16 | 340296E | 32.01 | 38.09 | |
| Staubdichtung (a) Cm6/cr10v u.a. Till 2.1995 | ||||
| 17 | 956387 | 2.10 | 2.50 | |
| Kugellager 608 Vvm, C8fshe, Cm5sb, C8fse, H41mb | ||||
| 18 | 608VVM | 5.70 | 6.78 | |
| Stift 2s1/g12sa2/g13yb1/g13v/ G13yd/g13sb2/g15yc/ | ||||
| 19 | 301943 | 1.65 | 1.96 | |
| Kopfschraube M4x8 M.federring Selbstsichern, Cm5s | ||||
| 21 | 991207 | 1.04 | 1.23 | |
| Lagerdeckel (b) G12sa/g13se/u.a G12sa2, Cm5sb | ||||
| 22 | 936680 | 1.04 | 1.23 | |
| Kugellager 6201 Dd, Cm5sb | ||||
| 23 | 6201DD | 6.30 | 7.50 | |
| Filzdichtung G12se/g12sa2/g13se/ G13sb2/g12sa2, C | ||||
| 24 | 308546 | 1.04 | 1.23 | |
| Dichtung G12se/g12sa2/g13se/ G12sb2/g12sa2 | ||||
| 25 | 308547 | 1.04 | 1.23 | |
| Getriebedeckel G12se/g12sa2/g13se G13sb2/g12sa2, | ||||
| 26 | 308545 | 7.35 | 8.75 | |
| Kopfschraube 5x16 M.federring Selbstsichern, | ||||
| 27 | 307046 | 1.04 | 1.23 | |
| Keil 3x3x8 Dh22vb/g12sa/g12sa2/ G13sb2/g12sa2/dh4 | ||||
| 28 | 944109 | 1.70 | 2.02 | |
| Gelenkwelle (a) | ||||
| 29 | 994301 | 14.25 | 16.96 | |
| Kopfschraube M5x20 (10st) C8fshe, C8fse | ||||
| 30 | 949241 | 1.35 | 1.61 | |
| Kopfschraube M5x20 (10st) C8fshe, C8fse | ||||
| 30S | 949241 | 1.35 | 1.61 | |
| Federscheibe M5 (10st), C8fshe, C8fse | ||||
| 31 | 949454 | 1.04 | 1.23 | |
| Federscheibe M5 (10st), C8fshe, C8fse | ||||
| 31S | 949454 | 1.04 | 1.23 | |
| Stellplatte (a) G13yb1/g12sa/u.a. Till 5.2001 For | ||||
| 32 | 938302Z | 1.35 | 1.61 | |
| Schutzhaube kpl. Includ.27,28 | ||||
| 33A | 320192 | 14.16 | 16.85 | |
| Keine Informationen verfügbar, nicht bestellbar | ||||
| 34 | 937817Z | |||
| Keine Informationen verfügbar, nicht bestellbar | ||||
| 35 | 316822 | |||
| Keine Informationen verfügbar, nicht bestellbar | ||||
| 36 | 994324 | |||
| Antriebsritzel und Abzweigung, Cm5sb | ||||
| 37A | 329054 | 16.36 | 19.47 | |
| Motorgehäuse G12se/g13se u.a. | ||||
| 39 | 308559 | 10.35 | 12.32 | |
| Gummiring (1) | ||||
| 41 | 995662 | 1.04 | 1.23 | |
| Magnet (alt 995665) | ||||
| 42 | 302062 | 6.51 | 7.75 | |
| Regler | ||||
| 43 | 308552 | 145.89 | 173.61 | |
| REGELAAR 110 VOLT | ||||
| 43 | 308550 | 114.29 | 136.01 | |
| Verbinder 50091 (10st) Div.typen | ||||
| 44 | 959140 | 3.30 | 3.93 | |
| Schraubklemme 1-reihig Div.typen Till 10.1999 For | ||||
| 45 | 938307 | 2.13 | 2.53 | |
| Hinterer Griff (b) | ||||
| 46 | 308549 | 5.85 | 6.96 | |
| Schneidschraube D4x35 M.flansch | ||||
| 47 | 303694 | 1.04 | 1.23 | |
| Schneidschraube D4x20 Mit Flansch (schwarz), C8fs | ||||
| 48 | 301653 | 1.04 | 1.23 | |
| Kohlebürsten (paar), Cm5sb | ||||
| 49 | 999088 | 4.50 | 5.36 | |
| Kohlebürsten Selbstabsch.(paar) | ||||
| 49B | 999076 | 14.40 | 17.14 | |
| Kohlekasten Zsb | ||||
| 50 | 308535 | 6.15 | 7.32 | |
| Schneidschraube D3x10 | ||||
| 51 | 306945 | 1.04 | 1.23 | |
| Kohlenhalterfeder G12se/g13v G13yd/g13sb2/g12sa2 | ||||
| 52 | 308536 | 1.65 | 1.96 | |
| Keine Informationen verfügbar, nicht bestellbar | ||||
| 53 | 984750 | |||
| Anschlussklemme | ||||
| 54 | 980063 | 1.04 | 1.23 | |
| Kabelklemme Div.typen, Cm9uby, G23ss | ||||
| 55 | 960266 | 1.04 | 1.23 | |
| Kabelknickschutz D8.8 Div.typen, Cm5sb | ||||
| 56 | 380090 | 1.04 | 1.24 | |
| Kabelknickschutz D10.1 Div.typen, C8fshe, C8fse | ||||
| 56 | 938051 | 1.04 | 1.23 | |
| Nicht mehr lieferbar, kein Ersatz | ||||
| 57 | 500435Z | |||
| CORD 2,4M 2 X 1.5 H05VV-F GBR 110V | ||||
| 57A | 500463Z | 22.60 | 26.89 | |
| Hinterer Griff (a) | ||||
| 58 | 308548 | 5.43 | 6.46 | |
| Staubdichtung G13yc/g15yc | ||||
| 59 | 308553 | 1.04 | 1.23 | |
| Schalter Includ.61 | ||||
| 60A | 321099 | 15.54 | 18.49 | |
| Kondensator C6u-c13u u.a., C 8fshe | ||||
| 61 | 930039 | 1.95 | 2.32 | |
| Anschlussklemme | ||||
| 62 | 980063 | 1.04 | 1.23 | |
| Feder Cr10v/g12se u.a. | ||||
| 63 | 983595 | 1.04 | 1.23 | |
| Schalterhebel G12se/g13se u.a. | ||||
| 64 | 308554 | 2.25 | 2.68 | |
| Aktionsschild F.schalthebel G12se/g13se u.a. For | ||||
| 65 | 308557 | 1.05 | 1.25 | |
| Aktionsschild f. Schalthebel G13yc | ||||
| 65 | 308558 | 1.05 | 1.25 | |
| Feder (f) G13yc/g15yc/c6dd | ||||
| 66 | 301631 | 1.04 | 1.23 | |
| Keil 3x3x15 Dh25v/dh28y/g12se u.a | ||||
| 67 | 982696 | 1.04 | 1.23 | |
| Arretierhebel G12se/g13se u.a. For Bel,ger,esp | ||||
| 68 | 308555 | 1.50 | 1.78 | |
| Sperrhebel G12se/g12se2 G13se/g13se2/g13yc | ||||
| 68 | 308556 | 1.35 | 1.61 | |
| Keine Informationen verfügbar, nicht bestellbar | ||||
| 501 | 938332Z | |||
| Keine Informationen verfügbar, nicht bestellbar | ||||
| 502 | 994322 | |||
| Keine Informationen verfügbar, nicht bestellbar | ||||
| 503 | 325515 | |||
| Keine Informationen verfügbar, nicht bestellbar | ||||
| 601 | 310392 | |||
| Keine Informationen verfügbar, nicht bestellbar | ||||
| 603A | 310338 | |||
| Keine Informationen verfügbar, nicht bestellbar | ||||
| 604 | 323712 | |||
| Keine Informationen verfügbar, nicht bestellbar | ||||
| 605 | 332787 | |||
| Keine Informationen verfügbar, nicht bestellbar | ||||
| 606 | 332788 | |||