Hier finden Sie alle verfügbaren Teile und Zeichnungen der 'Hikoki G13YC2'. Von hier aus können Sie alle gewünschten Teile direkt bestellen. Viele Teile müssen je nach Marke beim Hersteller bestellt werden, dies dauert ein bis vier Wochen. Alle Informationen, die wir haben, befinden sich auf unserer Website. Wir können Sie nicht beraten, was Sie benötigen. Dazu müssen Sie die Maschine zur Reparatur zurücksenden. Bitte beachten Sie bei der Bestellung Folgendes:
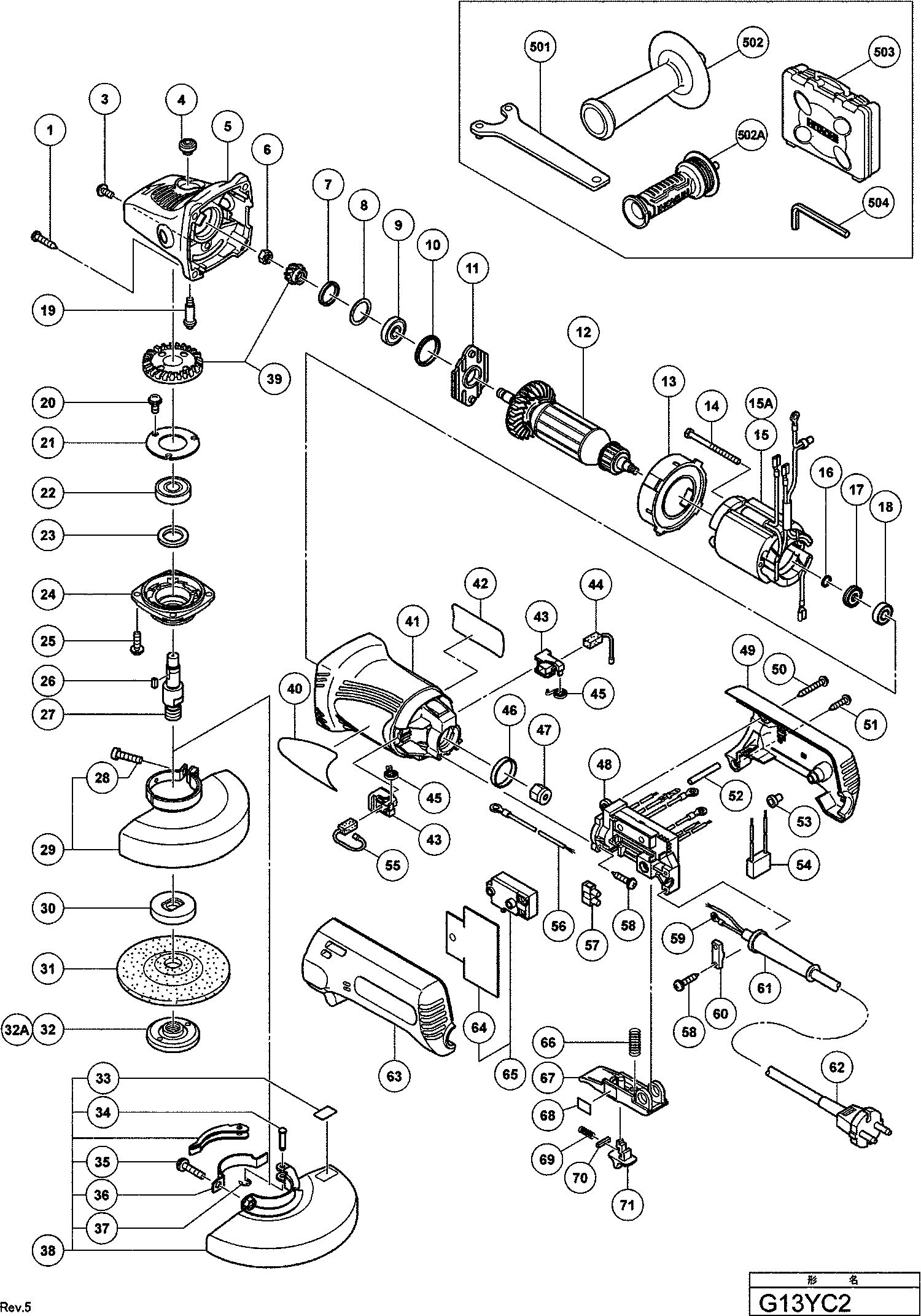
Zeichnungen der Hikoki G13YC2
Teileliste der Hikoki G13YC2
| Pos. | Beschreibung | Preis ohne MwSt | Preis inkl. MwSt | |
| Die angegebenen Preise enthalten die Mehrwertsteuer | ||||
| Armature230240voltnew | ||||
| *12 | 360869E | 50.88 | 60.54 | |
| ANKER 110 VOLT | ||||
| *12 | 360869C | 47.63 | 56.68 | |
| FELD 230-240 VOLT | ||||
| *15A | 340823E | 19.80 | 23.56 | |
| VELD 110 VOLT | ||||
| *15A | 340823C | 18.48 | 21.99 | |
| Drehzahlregler Dc120va | ||||
| *48 | 334273 | 15.40 | 18.33 | |
| REGELAAR 110 VOLT | ||||
| *48 | 334272 | 14.24 | 16.95 | |
| SNOER 10.7 (USE 714500=2X1 5M) | ||||
| *62 | 500247Z | 6.18 | 7.35 | |
| Aktionsschild F.schalthebel G12se/g13se u.a. For | ||||
| *68 | 308557 | 1.05 | 1.25 | |
| Aktionsschild f. Schalthebel G13yc | ||||
| *68 | 308558 | 1.05 | 1.25 | |
| Arretierhebel G12se/g13se u.a. For Bel,ger,esp | ||||
| *71 | 308555 | 1.50 | 1.78 | |
| Sperrhebel G12se/g12se2 G13se/g13se2/g13yc | ||||
| *71 | 308556 | 1.35 | 1.61 | |
| Keine Informationen verfügbar, nicht bestellbar | ||||
| 1 | 937807 | |||
| Dichtungsverschlussschraube M4X10 | ||||
| 3 | 303255 | 1.04 | 1.23 | |
| Arretierungsstift G12s1/g12sa2/ G13yb1/g13v/g13yd | ||||
| 4 | 301944 | 1.04 | 1.23 | |
| Getriebedeckel kpl. G12se2/g13se2, Cm5sb Includ.4 | ||||
| 5 | 321737 | 36.44 | 43.36 | |
| Mutter M8 (10st) | ||||
| 6 | 949558 | 1.05 | 1.25 | |
| Dichtungsring (a) G12se/g13se u.a G12sa2, Cm5sb | ||||
| 7 | 308543 | 1.04 | 1.23 | |
| Unterlegscheibe (c) G12se/g12sa2/ G13sb2/g13yc/g1 | ||||
| 8 | 980866 | 1.04 | 1.23 | |
| Kugellager 629t12ddc3, Cm5sb | ||||
| 9 | 629T12 | 9.83 | 11.69 | |
| Gummiring G12sa/g12se/g12sa2 G13sb2/g12sa2, Cm5sb | ||||
| 10 | 957754 | 1.20 | 1.43 | |
| Lagerdeckel G12se2/g13se2, Cm5sb | ||||
| 11 | 321734 | 1.35 | 1.61 | |
| Armature230240voltnew | ||||
| 12 | 360869E | 50.88 | 60.54 | |
| ANKER 110 VOLT | ||||
| 12 | 360869C | 47.63 | 56.68 | |
| Ventilatorführung G12se2/g13se2, Cm5sb | ||||
| 13 | 321732 | 1.35 | 1.61 | |
| Sechskantschneidschraube D4x70, Cm5sb | ||||
| 14 | 982021 | 1.04 | 1.23 | |
| FELD 230-240 VOLT | ||||
| 15A | 340823E | 19.80 | 23.56 | |
| VELD 110 VOLT | ||||
| 15A | 340823C | 18.48 | 21.99 | |
| Distanzscheibe G12se/g13se/g13v G13yd | ||||
| 16 | 311737 | 1.04 | 1.23 | |
| Staubdichtung (a) G12se/g13se/ C6dd | ||||
| 17 | 311435 | 1.04 | 1.23 | |
| Kugellager 608 Vvm, C8fshe, Cm5sb, C8fse, H41mb | ||||
| 18 | 608VVM | 5.70 | 6.78 | |
| Stift 2s1/g12sa2/g13yb1/g13v/ G13yd/g13sb2/g15yc/ | ||||
| 19 | 301943 | 1.65 | 1.96 | |
| Kopfschraube M4x8 M.federring Selbstsichern, Cm5s | ||||
| 20 | 991207 | 1.04 | 1.23 | |
| Lagerdeckel (b) G12sa/g13se/u.a G12sa2, Cm5sb | ||||
| 21 | 936680 | 1.04 | 1.23 | |
| Kugellager 6201 Dd, Cm5sb | ||||
| 22 | 6201DD | 6.30 | 7.50 | |
| Filzdichtung G12se/g12sa2/g13se/ G13sb2/g12sa2, C | ||||
| 23 | 308546 | 1.04 | 1.23 | |
| Getriebedeckel G12se/g12sa2/g13se G13sb2/g12sa2, | ||||
| 24 | 308545 | 7.35 | 8.75 | |
| Kopfschraube 5x16 M.federring Selbstsichern, | ||||
| 25 | 307046 | 1.04 | 1.23 | |
| Keil 3x3x8 Dh22vb/g12sa/g12sa2/ G13sb2/g12sa2/dh4 | ||||
| 26 | 944109 | 1.70 | 2.02 | |
| Gelenkwelle (a) | ||||
| 27 | 994301 | 14.25 | 16.96 | |
| Inbusschraube M5x20 (10st) For Europe | ||||
| 28 | 949757 | 3.00 | 3.57 | |
| Radschtz, Cm9by Includ.49-55 | ||||
| 29 | 333537 | 14.40 | 17.14 | |
| Keine Informationen verfügbar, nicht bestellbar | ||||
| 30 | 937817Z | |||
| Keine Informationen verfügbar, nicht bestellbar | ||||
| 31 | 316822 | |||
| Keine Informationen verfügbar, nicht bestellbar | ||||
| 32 | 994324 | |||
| Keine Informationen verfügbar, nicht bestellbar | ||||
| 32A | 337329 | |||
| Keine Informationen verfügbar, nicht bestellbar | ||||
| 32B | 339579 | |||
| Schild | ||||
| 33 | 311492 | 1.20 | 1.43 | |
| Stellstift G12se/g13se/g12y Till 11.2014 | ||||
| 34 | 311744 | 1.20 | 1.43 | |
| Inbusschraube G13va M5x20 mit Scheiben | ||||
| 35 | 316107 | 1.80 | 2.14 | |
| Klemmstück (b) G12se/g13se/g15yc bis 11.2014 | ||||
| 36 | 311491 | 4.65 | 5.53 | |
| C-type Ring D2,5 G12se/g13se | ||||
| 37 | 874759 | 1.04 | 1.23 | |
| Nicht mehr lieferbar, kein Ersatz | ||||
| 38 | 311742 | |||
| Schutzhaube Komplett G13se Includ.611-616 | ||||
| 38A | 337232 | 13.35 | 15.89 | |
| Antriebsritzel und Abzweigung, Cm5sb | ||||
| 39 | 329054 | 16.36 | 19.47 | |
| Gehaeuse | ||||
| 41 | 321731 | 12.43 | 14.79 | |
| Kohlekasten Zsb | ||||
| 43 | 317810 | 4.80 | 5.71 | |
| Kohlebürsten Selbstabsch.(paar) | ||||
| 44 | 999076 | 14.40 | 17.14 | |
| Kohlenhalterfeder G12se/g13v G13yd/g13sb2/g12sa2 | ||||
| 45 | 308536 | 1.65 | 1.96 | |
| Gummiring (1) | ||||
| 46 | 321733 | 1.35 | 1.61 | |
| Magnet | ||||
| 47 | 318721 | 17.60 | 20.94 | |
| Drehzahlregler Dc120va | ||||
| 48 | 334273 | 15.40 | 18.33 | |
| REGELAAR 110 VOLT | ||||
| 48 | 334272 | 14.24 | 16.95 | |
| Heckabdeckung (b) | ||||
| 49 | 334504 | 4.35 | 5.18 | |
| Schneidschraube D4x35 M.flansch | ||||
| 50 | 303694 | 1.04 | 1.23 | |
| Schneidschraube D4x20 Mit Flansch (schwarz), C8fs | ||||
| 51 | 301653 | 1.04 | 1.23 | |
| Sumi Rohr W3f2 | ||||
| 52 | 334505 | 1.80 | 2.14 | |
| Verbinder 50091 (10st) Div.typen | ||||
| 53 | 959140 | 3.30 | 3.93 | |
| Kondensator C6u-c13u u.a., C 8fshe | ||||
| 54 | 930039 | 1.95 | 2.32 | |
| Kohlebürsten (paar), Cm5sb | ||||
| 55 | 999088 | 4.50 | 5.36 | |
| Verbinderkabel | ||||
| 56 | 334508 | 1.95 | 2.32 | |
| Schraubklemme 1-reihig Div.typen Till 10.1999 For | ||||
| 57 | 938307 | 2.13 | 2.53 | |
| Keine Informationen verfügbar, nicht bestellbar | ||||
| 58 | 984750 | |||
| Anschlussklemme | ||||
| 59 | 980063 | 1.04 | 1.23 | |
| Kabelklemme Div.typen, Cm9uby, G23ss | ||||
| 60 | 960266 | 1.04 | 1.23 | |
| Kabelknickschutz D8.8 Div.typen, Cm5sb | ||||
| 61 | 380090 | 1.04 | 1.24 | |
| CORD 2,4M 2 X 1.5 H05VV-F GBR 110V | ||||
| 62 | 500463Z | 22.60 | 26.89 | |
| SNOER 10.7 (USE 714500=2X1 5M) | ||||
| 62 | 500247Z | 6.18 | 7.35 | |
| Griffschale (a) G12se2/g13se2 | ||||
| 63 | 321738 | 4.96 | 5.91 | |
| Staubdichtung G13yc/g15yc | ||||
| 64 | 308553 | 1.04 | 1.23 | |
| Schalter Includ.61 | ||||
| 65 | 321099 | 15.54 | 18.49 | |
| Feder Cr10v/g12se u.a. | ||||
| 66 | 983595 | 1.04 | 1.23 | |
| Schalterhebel G12se/g13se u.a. | ||||
| 67 | 308554 | 2.25 | 2.68 | |
| Aktionsschild f. Schalthebel G13yc | ||||
| 68 | 308558 | 1.05 | 1.25 | |
| Aktionsschild F.schalthebel G12se/g13se u.a. For | ||||
| 68 | 308557 | 1.05 | 1.25 | |
| Feder (f) G13yc/g15yc/c6dd | ||||
| 69 | 301631 | 1.04 | 1.23 | |
| Keil 3x3x15 Dh25v/dh28y/g12se u.a | ||||
| 70 | 982696 | 1.04 | 1.23 | |
| Arretierhebel G12se/g13se u.a. For Bel,ger,esp | ||||
| 71 | 308555 | 1.50 | 1.78 | |
| Sperrhebel G12se/g12se2 G13se/g13se2/g13yc | ||||
| 71 | 308556 | 1.35 | 1.61 | |
| Keine Informationen verfügbar, nicht bestellbar | ||||
| 501 | 938332Z | |||
| Keine Informationen verfügbar, nicht bestellbar | ||||
| 502 | 994322 | |||
| Keine Informationen verfügbar, nicht bestellbar | ||||
| 502A | 336865 | |||
| Seitengriff G13sr3 | ||||
| 502B | 318312 | 7.50 | 8.92 | |
| Keine Informationen verfügbar, nicht bestellbar | ||||
| 502C | 381403 | |||
| Keine Informationen verfügbar, nicht bestellbar | ||||
| 503 | 325515 | |||
| Keine Informationen verfügbar, nicht bestellbar | ||||
| 504 | 944458 | |||
| Keine Informationen verfügbar, nicht bestellbar | ||||
| 601 | 310338 | |||
| Keine Informationen verfügbar, nicht bestellbar | ||||
| 602 | 325515 | |||
| Keine Informationen verfügbar, nicht bestellbar | ||||
| 603 | 332787 | |||
| Keine Informationen verfügbar, nicht bestellbar | ||||
| 604 | 332788 | |||
| Keine Informationen verfügbar, nicht bestellbar | ||||
| 605 | 994325 | |||
| Keine Informationen verfügbar, nicht bestellbar | ||||
| 606 | 307007 | |||
| Keine Informationen verfügbar, nicht bestellbar | ||||
| 607 | 994326 | |||
| Keine Informationen verfügbar, nicht bestellbar | ||||
| 608 | 994327 | |||
| Keine Informationen verfügbar, nicht bestellbar | ||||
| 609 | 994328 | |||
| Keine Informationen verfügbar, nicht bestellbar | ||||
| 610 | 994329 | |||
| Keine Informationen verfügbar, nicht bestellbar | ||||
| 611 | 310392 | |||