Hier finden Sie alle verfügbaren Teile und Zeichnungen der 'Hikoki G13YD'. Von hier aus können Sie alle gewünschten Teile direkt bestellen. Viele Teile müssen je nach Marke beim Hersteller bestellt werden, dies dauert ein bis vier Wochen. Alle Informationen, die wir haben, befinden sich auf unserer Website. Wir können Sie nicht beraten, was Sie benötigen. Dazu müssen Sie die Maschine zur Reparatur zurücksenden. Bitte beachten Sie bei der Bestellung Folgendes:
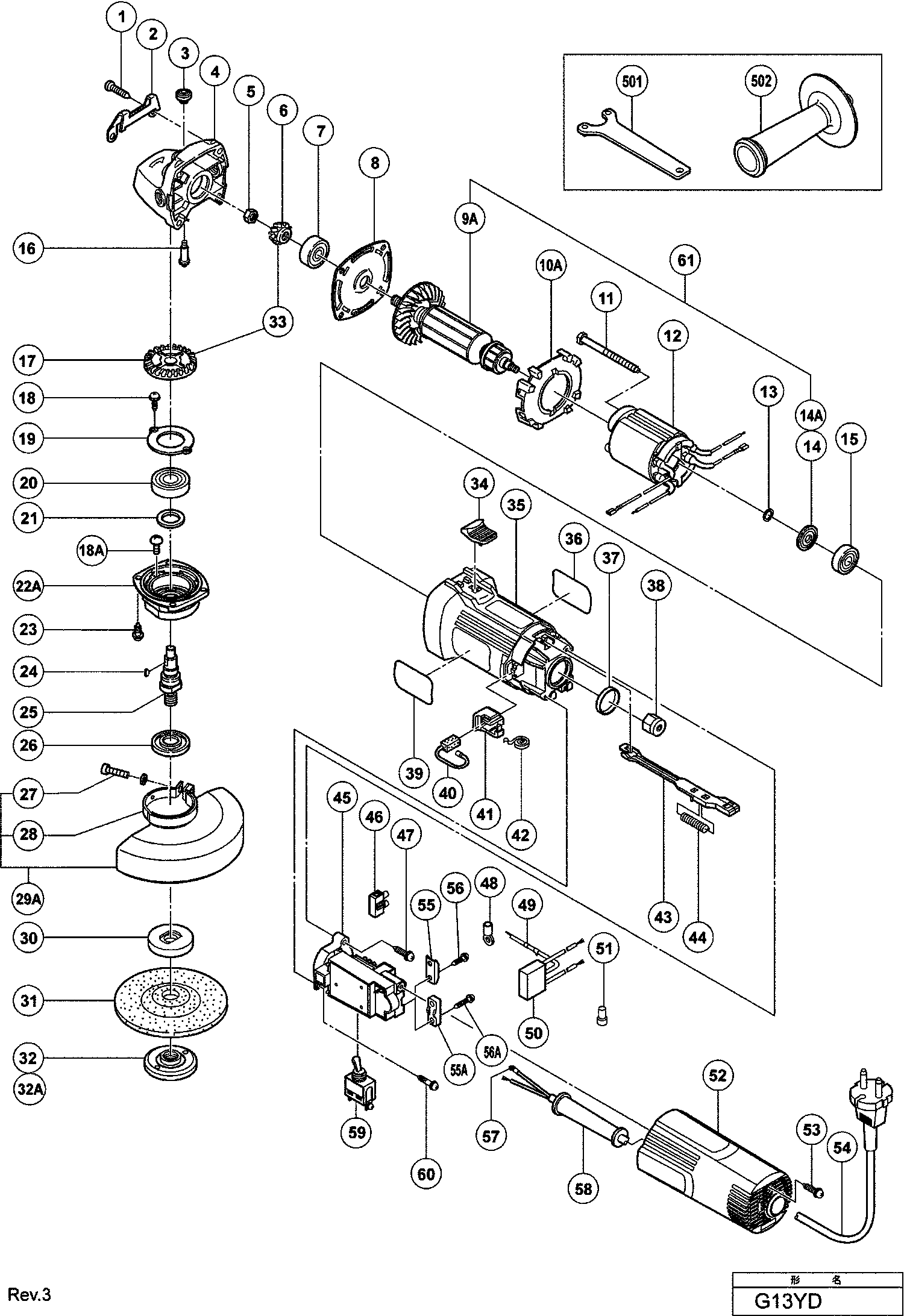
Zeichnungen der Hikoki G13YD
Teileliste der Hikoki G13YD
| Pos. | Beschreibung | Preis ohne MwSt | Preis inkl. MwSt | |
| Die angegebenen Preise enthalten die Mehrwertsteuer | ||||
| Keine Informationen verfügbar, nicht bestellbar | ||||
| 1 | 937807 | |||
| Ablagebügel G12s2/g13sd/g13v G13yd | ||||
| 2 | 317807 | 1.05 | 1.25 | |
| Arretierungsstift G12s1/g12sa2/ G13yb1/g13v/g13yd | ||||
| 3 | 301944 | 1.04 | 1.23 | |
| Getriebegehaeuse | ||||
| 4 | 316484 | 18.98 | 22.58 | |
| Spezialmutter M7 G12s1/g12sa2/ Bm25y/g13yc/g13v/g | ||||
| 5 | 301941 | 1.04 | 1.23 | |
| Ritzel G13sd/g13v/g13yd | ||||
| 6 | 316437 | 22.28 | 26.51 | |
| Kugellager 628vvc2ps2-l | ||||
| 7 | 628VVC | 11.85 | 14.10 | |
| Lagerhalter G12s2/g13sd/g13v G13yd | ||||
| 8 | 316480 | 3.30 | 3.93 | |
| Armature230240volt Since 11.2004 | ||||
| 9A | 360540F | 52.94 | 63.00 | |
| Luftführung G13v | ||||
| 10A | 319898 | 1.05 | 1.25 | |
| Sechskantschneidschraube D4x70, Cm5sb | ||||
| 11 | 982021 | 1.04 | 1.23 | |
| Stator (a) 230v G13v/g13yd | ||||
| 12 | 340484E | 17.75 | 21.12 | |
| Distanzscheibe G12se/g13se/g13v G13yd | ||||
| 13 | 311737 | 1.04 | 1.23 | |
| Staubdichtung G13v/g13yd Till 10.2004 | ||||
| 14 | 319386 | 1.65 | 1.96 | |
| Staubdichtung G12s2/g12sa2/g13sd/ G13sb2/g12sa2, | ||||
| 14A | 315877 | 1.05 | 1.25 | |
| Kugellager 608 Vvm, C8fshe, Cm5sb, C8fse, H41mb | ||||
| 15 | 608VVM | 5.70 | 6.78 | |
| Stift 2s1/g12sa2/g13yb1/g13v/ G13yd/g13sb2/g15yc/ | ||||
| 16 | 301943 | 1.65 | 1.96 | |
| Zahnrad G13sd/g13v/g13yd | ||||
| 17 | 316438 | 17.88 | 21.27 | |
| Kopfschraube M4x10 M.federring Selbstsichernd Til | ||||
| 18 | 997263 | 1.05 | 1.25 | |
| Schraube M4x8 | ||||
| 18A | 323556 | 1.05 | 1.25 | |
| Lagerdeckel | ||||
| 19 | 316490 | 1.65 | 1.96 | |
| Kugellager 6201 Dd, Cm5sb | ||||
| 20 | 6201DD | 6.30 | 7.50 | |
| Filzdichtung G12s1/g13yb1/fg12sa2 G13v/g13yd | ||||
| 21 | 301946 | 1.04 | 1.23 | |
| Packungsdose | ||||
| 22A | 333839 | 2.85 | 3.39 | |
| Kopfschraube M4x12 M.federring Selbstsichernd | ||||
| 23 | 307127 | 1.05 | 1.25 | |
| EINLEGEKEIL 2,5X8 | ||||
| 24 | 940220 | 1.35 | 1.61 | |
| Gelenkwelle (a) | ||||
| 25 | 317804 | 9.30 | 11.07 | |
| Schleuderscheibe G12s1/g13yb1 G13v/g13yd | ||||
| 26 | 301945 | 1.05 | 1.25 | |
| Kopfschraube M5x20 (10st) C8fshe, C8fse | ||||
| 27 | 949241 | 1.35 | 1.61 | |
| Federscheibe M5 (10st), C8fshe, C8fse | ||||
| 28 | 949454 | 1.04 | 1.23 | |
| Schutzhaube kpl. Includ.27,28 | ||||
| 29A | 320192 | 14.16 | 16.85 | |
| Keine Informationen verfügbar, nicht bestellbar | ||||
| 30 | 937817Z | |||
| Keine Informationen verfügbar, nicht bestellbar | ||||
| 31 | 316822 | |||
| Keine Informationen verfügbar, nicht bestellbar | ||||
| 32 | 994324 | |||
| Keine Informationen verfügbar, nicht bestellbar | ||||
| 32A | 337329 | |||
| Keine Informationen verfügbar, nicht bestellbar | ||||
| 32B | 339579 | |||
| Getriebe Komplett G13sd/g13v G13yd (inkl.pos.6,17 | ||||
| 33 | 316436 | 36.16 | 43.03 | |
| Schiebeknopf G12sg/g13v/g13yd G13sb2/g12sa2, Cm5s | ||||
| 34 | 314428 | 1.04 | 1.23 | |
| Gehäuse | ||||
| 35 | 317802 | 12.00 | 14.28 | |
| Gummiring (1) | ||||
| 37 | 995662 | 1.04 | 1.23 | |
| Magnet | ||||
| 38 | 318721 | 17.60 | 20.94 | |
| Kohlebürsten Selbstabsch.(paar) | ||||
| 40 | 999076 | 14.40 | 17.14 | |
| Kohlekasten Zsb | ||||
| 41 | 317810 | 4.80 | 5.71 | |
| Kohlenhalterfeder G12se/g13v G13yd/g13sb2/g12sa2 | ||||
| 42 | 308536 | 1.65 | 1.96 | |
| Zugstange | ||||
| 43 | 319370 | 1.05 | 1.25 | |
| Feder G12sg/g13v/g13yd, Cm9uby | ||||
| 44 | 314429 | 1.04 | 1.23 | |
| Regler | ||||
| 45 | 319897 | 119.63 | 142.35 | |
| Schraubklemme 1-reihig Div.typen Till 10.1999 For | ||||
| 46 | 938307 | 2.13 | 2.53 | |
| Schneidschraube D4x20 Mit Flansch (schwarz), C8fs | ||||
| 47 | 301653 | 1.04 | 1.23 | |
| Kabelschuh Div.typen | ||||
| 48 | 311741 | 1.04 | 1.23 | |
| Erdungsklemme G12s2/g13sd/g13v G13yd/g13sb2/g12sa | ||||
| 49 | 314854 | 1.50 | 1.78 | |
| Störungskondensator | ||||
| 50 | 317491 | 7.35 | 8.75 | |
| Verbinder 50091 (10st) Div.typen | ||||
| 51 | 959140 | 3.30 | 3.93 | |
| Keine Informationen verfügbar, nicht bestellbar | ||||
| 52 | 319371 | |||
| Schneidschraube D4x20 Mit Flansch (schwarz), C8fs | ||||
| 53 | 301653 | 1.04 | 1.23 | |
| Anschlusskabel (cord Armor D8.8) For Pan | ||||
| 54 | 500447Z | 6.60 | 7.85 | |
| SNOER 10.7 (USE 714500=2X1 5M) | ||||
| 54 | 500247Z | 6.18 | 7.35 | |
| CORD CLIP | ||||
| 55 | 930108 | 1.00 | 1.19 | |
| Kabelklemme Div.typen, C8fshe, Cm5sb, C8fse | ||||
| 55A | 937631 | 1.04 | 1.23 | |
| Schneidschraube D4x12, Cm9uby For Sin,hkg,chn | ||||
| 56 | 305720 | 1.05 | 1.25 | |
| Keine Informationen verfügbar, nicht bestellbar | ||||
| 56A | 984750 | |||
| Anschlussklemme | ||||
| 57 | 980063 | 1.04 | 1.23 | |
| Kabelknickschutz D8.8 Div.typen, Cm5sb | ||||
| 58 | 380090 | 1.04 | 1.24 | |
| SCHAKELAAR | ||||
| 59 | 314603 | 11.88 | 14.14 | |
| Keine Informationen verfügbar, nicht bestellbar | ||||
| 60 | 984750 | |||
| Anker G13yd Includ.14a Till 10.2004 | ||||
| 61 | 360705F | 64.98 | 77.32 | |
| Keine Informationen verfügbar, nicht bestellbar | ||||
| 501 | 938332Z | |||
| Keine Informationen verfügbar, nicht bestellbar | ||||
| 502 | 302142 | |||
| Keine Informationen verfügbar, nicht bestellbar | ||||
| 502A | 994322 | |||
| Keine Informationen verfügbar, nicht bestellbar | ||||
| 601 | 937825Z | |||
| Keine Informationen verfügbar, nicht bestellbar | ||||
| 602 | 937826Z | |||
| Keine Informationen verfügbar, nicht bestellbar | ||||
| 603 | 314062 | |||
| Keine Informationen verfügbar, nicht bestellbar | ||||
| 604 | 314063 | |||
| Keine Informationen verfügbar, nicht bestellbar | ||||
| 605 | 314064 | |||
| Keine Informationen verfügbar, nicht bestellbar | ||||
| 606 | 314065 | |||
| Keine Informationen verfügbar, nicht bestellbar | ||||
| 607 | 314066 | |||
| Keine Informationen verfügbar, nicht bestellbar | ||||
| 608 | 314067 | |||
| Keine Informationen verfügbar, nicht bestellbar | ||||
| 609 | 314068 | |||
| Keine Informationen verfügbar, nicht bestellbar | ||||
| 610 | 314069 | |||
| Keine Informationen verfügbar, nicht bestellbar | ||||
| 611 | 314070 | |||
| Keine Informationen verfügbar, nicht bestellbar | ||||
| 612 | 314071 | |||
| Keine Informationen verfügbar, nicht bestellbar | ||||
| 613 | 314072 | |||
| Keine Informationen verfügbar, nicht bestellbar | ||||
| 614 | 310392 | |||
| Keine Informationen verfügbar, nicht bestellbar | ||||
| 615 | 323712 | |||
| Keine Informationen verfügbar, nicht bestellbar | ||||
| 616 | 332789 | |||