Hier finden Sie alle verfügbaren Teile und Zeichnungen der 'Hikoki G18DBVL'. Von hier aus können Sie alle gewünschten Teile direkt bestellen. Viele Teile müssen je nach Marke beim Hersteller bestellt werden, dies dauert ein bis vier Wochen. Alle Informationen, die wir haben, befinden sich auf unserer Website. Wir können Sie nicht beraten, was Sie benötigen. Dazu müssen Sie die Maschine zur Reparatur zurücksenden. Bitte beachten Sie bei der Bestellung Folgendes:
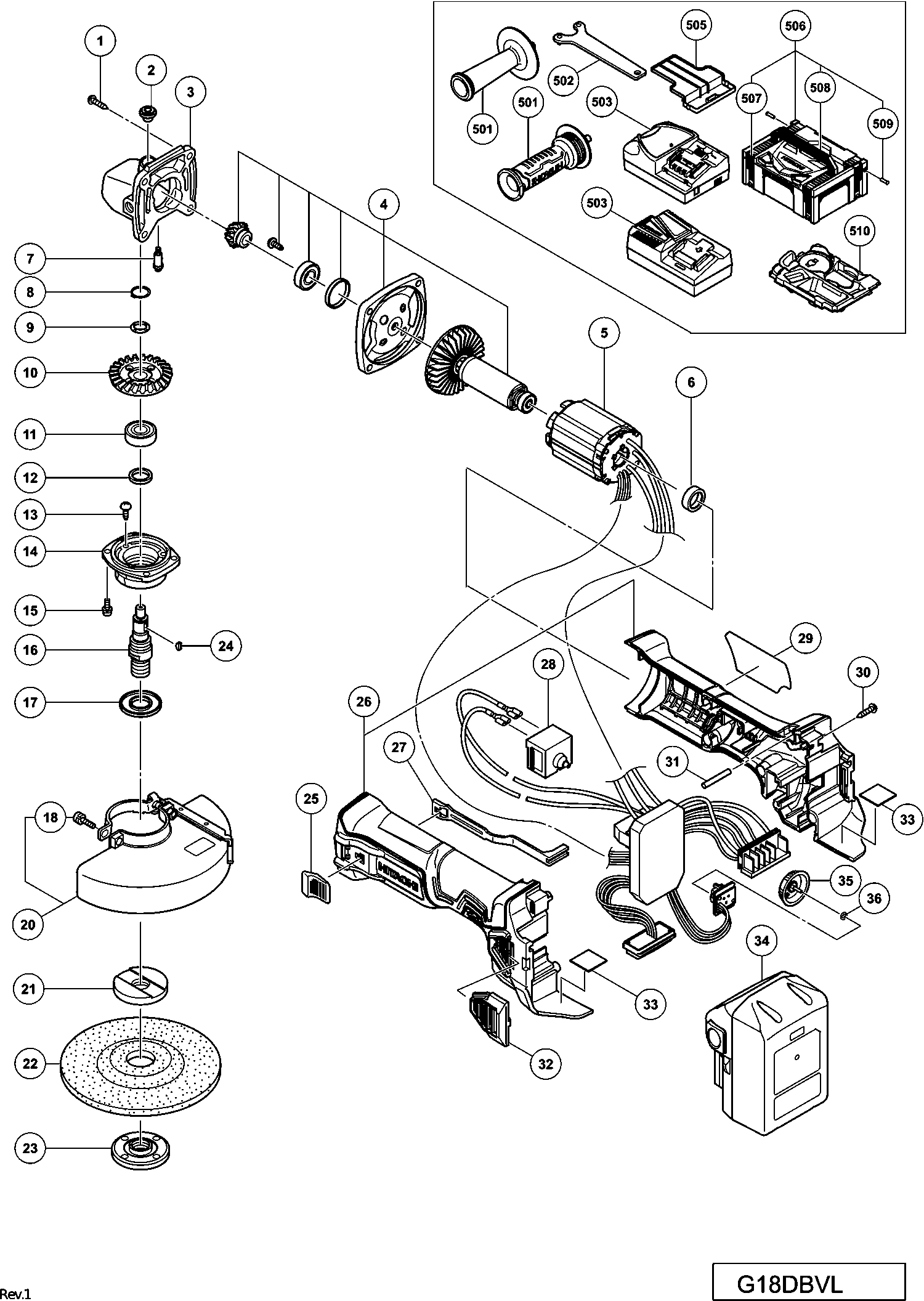
Zeichnungen der Hikoki G18DBVL
Teileliste der Hikoki G18DBVL
| Pos. | Beschreibung | Preis ohne MwSt | Preis inkl. MwSt | |
| Die angegebenen Preise enthalten die Mehrwertsteuer | ||||
| Seitengriff G13sr3 | ||||
| *501 | 318312 | 7.50 | 8.92 | |
| Schneidschraube G14dmr | ||||
| 1 | 328643 | 1.05 | 1.25 | |
| Arretierungsstift G12s1/g12sa2/ G13yb1/g13v/g13yd | ||||
| 2 | 301944 | 1.04 | 1.23 | |
| Getriebegehaeuse | ||||
| 3 | 339183 | 14.99 | 17.84 | |
| Rotor-Innenabdeckungsset inkl. 5-11 | ||||
| 4 | 360991 | 125.68 | 149.55 | |
| Rotor-Innenabdeckungsset inkl. 5-11 | ||||
| 4A | 360991 | 125.68 | 149.55 | |
| Verdrahtung Ass'y (18v einzeln) inklusive.28 | ||||
| 5 | 337876 | 249.84 | 297.31 | |
| Hülse | ||||
| 6 | 338867 | 1.80 | 2.14 | |
| Stift 2s1/g12sa2/g13yb1/g13v/ G13yd/g13sb2/g15yc/ | ||||
| 7 | 301943 | 1.65 | 1.96 | |
| Sicherungsring G14dmr Till 9.2012 | ||||
| 8 | 316487 | 1.65 | 1.96 | |
| Ring | ||||
| 9 | 316486 | 1.65 | 1.96 | |
| Zahnrad G14dmr | ||||
| 10 | 328364 | 11.70 | 13.92 | |
| Kugellager 6001 Vv | ||||
| 11 | 6001VV | 6.60 | 7.85 | |
| Filzdichtung G12s1/g13yb1/fg12sa2 G13v/g13yd | ||||
| 12 | 301946 | 1.04 | 1.23 | |
| Keine Informationen verfügbar, nicht bestellbar | ||||
| 13 | 301936 | |||
| Kopfschraube M4x10 Selbsts. G12sr | ||||
| 13A | 314430 | 1.05 | 1.25 | |
| Getriebedeckel G14dmr | ||||
| 14 | 328198 | 3.15 | 3.75 | |
| Kopfschraube M4x12 M.federring Selbstsichernd | ||||
| 15 | 307127 | 1.05 | 1.25 | |
| Spindel M14 G14dmr | ||||
| 16 | 328359 | 4.20 | 5.00 | |
| Schleuderscheibe G12s1/g13yb1 G13v/g13yd | ||||
| 17 | 301945 | 1.05 | 1.25 | |
| Schraube M5 | ||||
| 18 | 338868 | 1.04 | 1.23 | |
| Werkzeuglose Radabdeckung 125mm Inkl.27 | ||||
| 20 | 333840 | 6.15 | 7.32 | |
| Keine Informationen verfügbar, nicht bestellbar | ||||
| 21 | 937817Z | |||
| Keine Informationen verfügbar, nicht bestellbar | ||||
| 21A | 376067 | |||
| Keine Informationen verfügbar, nicht bestellbar | ||||
| 22 | 316822 | |||
| Nicht mehr lieferbar, kein Ersatz | ||||
| 23A | 339580 | |||
| Keine Informationen verfügbar, nicht bestellbar | ||||
| 23B | 339579 | |||
| Halbmondkeil G12s2/g13sd | ||||
| 24 | 302047 | 1.05 | 1.25 | |
| Schiebeknopf G12sg/g13v/g13yd G13sb2/g12sa2, Cm5s | ||||
| 25 | 314428 | 1.04 | 1.23 | |
| Nicht mehr lieferbar, kein Ersatz | ||||
| 26 | 338863 | |||
| GEHÄUSESET (A+B) GRÜN (ALT 338863) | ||||
| 26A | 373735 | 26.54 | 31.58 | |
| GEHÄUSESET (A+B) GRÜN (ALT 338863) | ||||
| 26C | 373735 | 26.54 | 31.58 | |
| Zugstange | ||||
| 27 | 337871 | 1.04 | 1.23 | |
| Nicht mehr lieferbar, kein Ersatz | ||||
| 28 | 329057 | |||
| Schalter | ||||
| 28A | 373565 | 4.65 | 5.53 | |
| Schneidschraube D4x20 Mit Flansch (schwarz), C8fs | ||||
| 30 | 301653 | 1.04 | 1.23 | |
| Stift (1) | ||||
| 31 | 338869 | 1.04 | 1.23 | |
| Filter | ||||
| 32 | 338870 | 1.05 | 1.25 | |
| Gummipuffer (b) | ||||
| 33 | 338871 | 1.04 | 1.23 | |
| Keine Informationen verfügbar, nicht bestellbar | ||||
| 34 | 336385 | |||
| Zifferblatt | ||||
| 35 | 337875 | 2.85 | 3.39 | |
| O-Ring (i.d 2,8) | ||||
| 36 | 338981 | 1.04 | 1.23 | |
| Ritzel (1) | ||||
| 39 | 371811 | 4.65 | 5.53 | |
| Schlitzkopfschraube (Dichtungsverriegelung) M4 | ||||
| 40 | 371814 | 1.04 | 1.23 | |
| Kugellager | ||||
| 41 | 371033 | 3.15 | 3.75 | |
| Gummiring (a) | ||||
| 42 | 328453 | 1.80 | 2.14 | |
| Innendeckel | ||||
| 43 | 371816 | 7.50 | 8.92 | |
| Kugellager 625dd | ||||
| 44 | 333826 | 5.10 | 6.07 | |
| Distanzring (a) | ||||
| 45 | 371927 | 1.04 | 1.23 | |
| Seitengriff G13sr3 | ||||
| 501 | 318312 | 7.50 | 8.92 | |
| Keine Informationen verfügbar, nicht bestellbar | ||||
| 502 | 938332Z | |||
| Abdeckkappe für Batterie | ||||
| 505 | 329897 | 1.80 | 2.14 | |
| Keine Informationen verfügbar, nicht bestellbar | ||||
| 506 | 336471 | |||
| Keine Informationen verfügbar, nicht bestellbar | ||||
| 507 | 336472 | |||
| Keine Informationen verfügbar, nicht bestellbar | ||||
| 508 | 336473 | |||
| Keine Informationen verfügbar, nicht bestellbar | ||||
| 509 | 336474 | |||
| Keine Informationen verfügbar, nicht bestellbar | ||||
| 510 | 338872 | |||
| Keine Informationen verfügbar, nicht bestellbar | ||||
| 601 | 937826Z | |||
| Keine Informationen verfügbar, nicht bestellbar | ||||
| 602 | 937825Z | |||
| Keine Informationen verfügbar, nicht bestellbar | ||||
| 603 | 314064 | |||
| Keine Informationen verfügbar, nicht bestellbar | ||||
| 604 | 314065 | |||
| Keine Informationen verfügbar, nicht bestellbar | ||||
| 605 | 314068 | |||
| Keine Informationen verfügbar, nicht bestellbar | ||||
| 606 | 314070 | |||
| Keine Informationen verfügbar, nicht bestellbar | ||||
| 607 | 314072 | |||
| Keine Informationen verfügbar, nicht bestellbar | ||||
| 608 | 314062 | |||
| Keine Informationen verfügbar, nicht bestellbar | ||||
| 609 | 314063 | |||
| Keine Informationen verfügbar, nicht bestellbar | ||||
| 610 | 314066 | |||
| Keine Informationen verfügbar, nicht bestellbar | ||||
| 611 | 314067 | |||
| Keine Informationen verfügbar, nicht bestellbar | ||||
| 612 | 314069 | |||
| Keine Informationen verfügbar, nicht bestellbar | ||||
| 613 | 314071 | |||
| Keine Informationen verfügbar, nicht bestellbar | ||||
| 614 | 332788 | |||
| Keine Informationen verfügbar, nicht bestellbar | ||||
| 615 | 332787 | |||
| Ring | ||||
| 616 | 339151 | 3.90 | 4.64 | |
| Keine Informationen verfügbar, nicht bestellbar | ||||
| 617 | 338497 | |||