Hier finden Sie alle verfügbaren Teile und Zeichnungen der 'Hikoki G3610DA'. Von hier aus können Sie alle gewünschten Teile direkt bestellen. Viele Teile müssen je nach Marke beim Hersteller bestellt werden, dies dauert ein bis vier Wochen. Alle Informationen, die wir haben, befinden sich auf unserer Website. Wir können Sie nicht beraten, was Sie benötigen. Dazu müssen Sie die Maschine zur Reparatur zurücksenden. Bitte beachten Sie bei der Bestellung Folgendes:
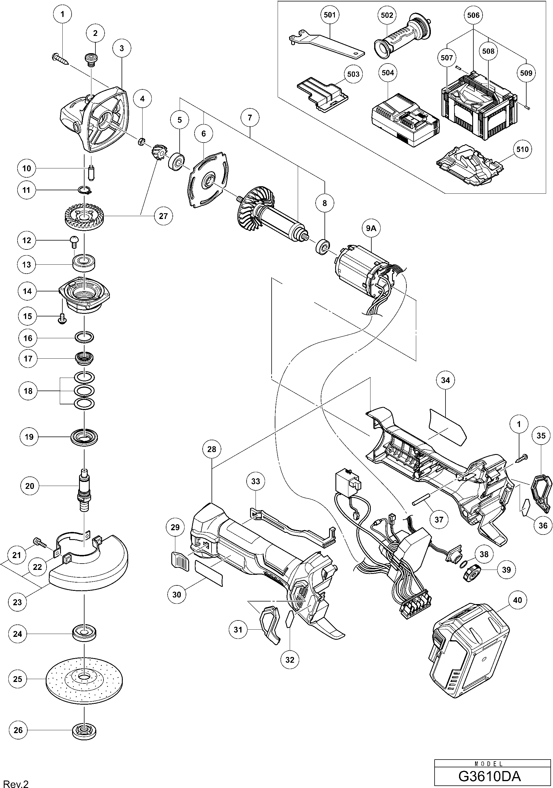
Zeichnungen der Hikoki G3610DA
Teileliste der Hikoki G3610DA
| Pos. | Beschreibung | Preis ohne MwSt | Preis inkl. MwSt | |
| Die angegebenen Preise enthalten die Mehrwertsteuer | ||||
| Schneidschraube G14dmr | ||||
| 1 | 328643 | 1.05 | 1.25 | |
| Arretierungsstift G12s1/g12sa2/ G13yb1/g13v/g13yd | ||||
| 2 | 301944 | 1.04 | 1.23 | |
| Keine Informationen verfügbar, nicht bestellbar | ||||
| 3 | 338332 | |||
| Mutter M6 | ||||
| 4 | 309191 | 1.04 | 1.23 | |
| Kugellager 608ss | ||||
| 5 | 338337 | 2.25 | 2.68 | |
| Getriebedeckel Ass'y Inkl.3,17 | ||||
| 6 | 334940 | 2.10 | 2.50 | |
| Rotorbaugruppe Inkl.23 | ||||
| 7 | 361075 | 75.08 | 89.34 | |
| Rotorbaugruppe Inkl.23 | ||||
| 7A | 361075 | 75.08 | 89.34 | |
| Kugellager 607vvc | ||||
| 8 | 607VVC | 5.70 | 6.78 | |
| Kugellager-r 607dd | ||||
| 8A | 376128 | 3.75 | 4.46 | |
| Keine Informationen verfügbar, nicht bestellbar | ||||
| 9A | 341008 | |||
| Keine Informationen verfügbar, nicht bestellbar | ||||
| 9B | 341124 | |||
| Stift 2s1/g12sa2/g13yb1/g13v/ G13yd/g13sb2/g15yc/ | ||||
| 10 | 301943 | 1.65 | 1.96 | |
| Sicherungsring D12 (10st), G23ss | ||||
| 11 | 939542 | 1.50 | 1.78 | |
| Schlitzkopf Schraube (Dichtungssperre) M4 | ||||
| 12 | 334942 | 1.20 | 1.43 | |
| Schlitzkopfschraube (Dichtungsverriegelung) M4 | ||||
| 12A | 371814 | 1.04 | 1.23 | |
| Kugellager 6001 Vv | ||||
| 13 | 6001VV | 6.60 | 7.85 | |
| Keine Informationen verfügbar, nicht bestellbar | ||||
| 14 | 371664 | |||
| Kopfschraube M4x12 M.federring Selbstsichernd | ||||
| 15 | 307127 | 1.05 | 1.25 | |
| Keine Informationen verfügbar, nicht bestellbar | ||||
| 16 | 372125 | |||
| Keine Informationen verfügbar, nicht bestellbar | ||||
| 16B | 376786 | |||
| Keine Informationen verfügbar, nicht bestellbar | ||||
| 17 | 371666 | |||
| Keine Informationen verfügbar, nicht bestellbar | ||||
| 18 | 371667 | |||
| Keine Informationen verfügbar, nicht bestellbar | ||||
| 19 | 371668 | |||
| Keine Informationen verfügbar, nicht bestellbar | ||||
| 20 | 371665 | |||
| Kopfschraube M5x16 M.federring | ||||
| 21 | 308386 | 1.05 | 1.25 | |
| Ablagebügel G12sr | ||||
| 22 | 301949 | 1.04 | 1.23 | |
| Keine Informationen verfügbar, nicht bestellbar | ||||
| 23 | 331085 | |||
| BESCHERMKAP 100MM (OUD 301948/331076/331085) | ||||
| 23A | 379562 | 2.10 | 2.50 | |
| Keine Informationen verfügbar, nicht bestellbar | ||||
| 24 | 373072 | |||
| Keine Informationen verfügbar, nicht bestellbar | ||||
| 25 | 316820 | |||
| Keine Informationen verfügbar, nicht bestellbar | ||||
| 26 | 339578 | |||
| Getriebe- und Ritzelset | ||||
| 27 | 338338 | 7.95 | 9.46 | |
| Keine Informationen verfügbar, nicht bestellbar | ||||
| 28 | 372105 | |||
| BEHUIZING (OUD 372105) | ||||
| 28A | 377226 | 10.74 | 12.78 | |
| Schiebeknopf G12sg/g13v/g13yd G13sb2/g12sa2, Cm5s | ||||
| 29 | 314428 | 1.04 | 1.23 | |
| FILTER (A) | ||||
| 31 | 372107 | 1.20 | 1.43 | |
| Schiebeleiste | ||||
| 33 | 372106 | 1.04 | 1.23 | |
| Filter (B) | ||||
| 35 | 372108 | 1.20 | 1.43 | |
| Stift (1) | ||||
| 37 | 338869 | 1.04 | 1.23 | |
| O-ring (s-10) D6sh | ||||
| 38 | 987105 | 1.05 | 1.25 | |
| Zifferblatt | ||||
| 39 | 372109 | 1.50 | 1.78 | |
| Keine Informationen verfügbar, nicht bestellbar | ||||
| 40 | 371750 | |||
| Keine Informationen verfügbar, nicht bestellbar | ||||
| 501 | 313933 | |||
| Keine Informationen verfügbar, nicht bestellbar | ||||
| 502 | 336865 | |||
| Abdeckkappe für Batterie | ||||
| 503 | 329897 | 1.80 | 2.14 | |
| Keine Informationen verfügbar, nicht bestellbar | ||||
| 506 | 337108 | |||
| Keine Informationen verfügbar, nicht bestellbar | ||||
| 506A | 336471 | |||
| Keine Informationen verfügbar, nicht bestellbar | ||||
| 507 | 336472 | |||
| Keine Informationen verfügbar, nicht bestellbar | ||||
| 508 | 336473 | |||
| Keine Informationen verfügbar, nicht bestellbar | ||||
| 509 | 336474 | |||
| Keine Informationen verfügbar, nicht bestellbar | ||||
| 510 | 373070 | |||
| Keine Informationen verfügbar, nicht bestellbar | ||||
| 510A | 375802 | |||
| Keine Informationen verfügbar, nicht bestellbar | ||||
| 601 | 371770 | |||