Hier finden Sie alle verfügbaren Teile und Zeichnungen der 'Hikoki GP2V'. Von hier aus können Sie alle gewünschten Teile direkt bestellen. Viele Teile müssen je nach Marke beim Hersteller bestellt werden, dies dauert ein bis vier Wochen. Alle Informationen, die wir haben, befinden sich auf unserer Website. Wir können Sie nicht beraten, was Sie benötigen. Dazu müssen Sie die Maschine zur Reparatur zurücksenden. Bitte beachten Sie bei der Bestellung Folgendes:
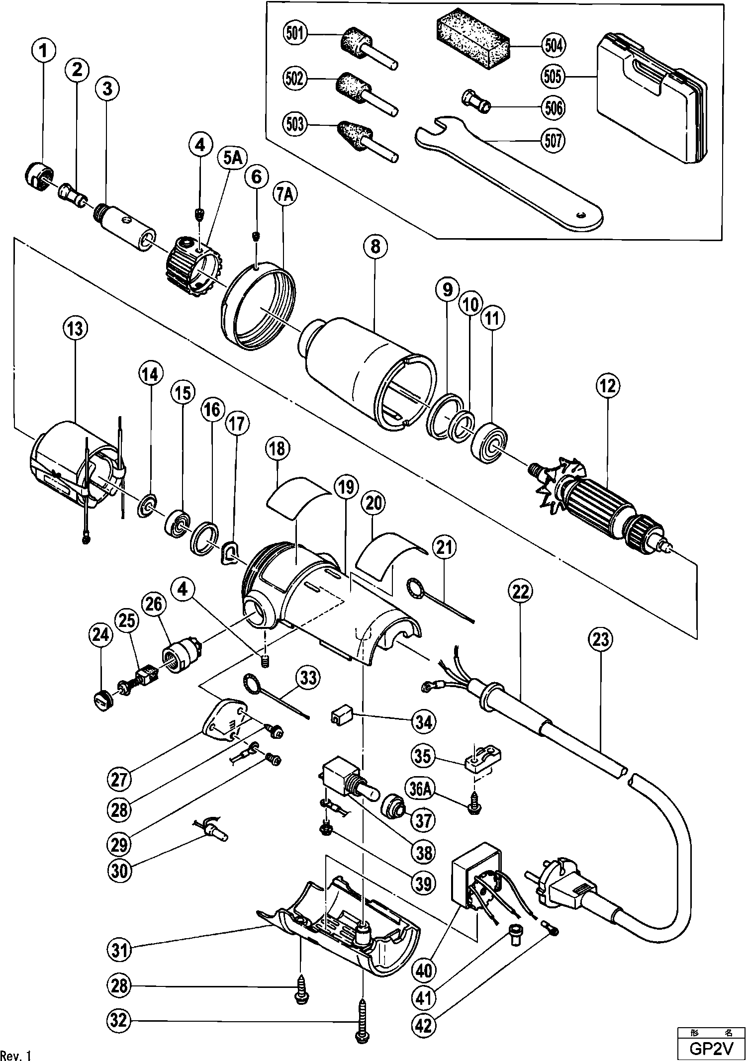
Zeichnungen der Hikoki GP2V
Teileliste der Hikoki GP2V
| Pos. | Beschreibung | Preis ohne MwSt | Preis inkl. MwSt | |
| Die angegebenen Preise enthalten die Mehrwertsteuer | ||||
| Keine Informationen verfügbar, nicht bestellbar | ||||
| 1 | 995527 | |||
| COLLET 6MM | ||||
| 2 | 995530 | 16.28 | 19.37 | |
| Keine Informationen verfügbar, nicht bestellbar | ||||
| 3 | 995526 | |||
| Inbusschraube M4x5 | ||||
| 4 | 961681 | 1.04 | 1.23 | |
| Keine Informationen verfügbar, nicht bestellbar | ||||
| 5A | 995528 | |||
| Keine Informationen verfügbar, nicht bestellbar | ||||
| 6 | 995525 | |||
| Keine Informationen verfügbar, nicht bestellbar | ||||
| 7A | 333863 | |||
| Keine Informationen verfügbar, nicht bestellbar | ||||
| 8 | 995522 | |||
| Keine Informationen verfügbar, nicht bestellbar | ||||
| 9 | 995536 | |||
| VILT | ||||
| 10 | 991365 | 1.00 | 1.19 | |
| Kugellager 6000 Vv, Cm9by, C8fse, G23ss | ||||
| 11 | 6000VV | 6.15 | 7.32 | |
| Keine Informationen verfügbar, nicht bestellbar | ||||
| 12 | 360060C | |||
| Keine Informationen verfügbar, nicht bestellbar | ||||
| 13 | 340122C | |||
| Unterlegscheibe | ||||
| 14 | 980865 | 1.04 | 1.23 | |
| Kugellager 626 Vvm Cj65v3 | ||||
| 15 | 626VVM | 5.70 | 6.78 | |
| Keine Informationen verfügbar, nicht bestellbar | ||||
| 16 | 995535 | |||
| Keine Informationen verfügbar, nicht bestellbar | ||||
| 17 | 962606 | |||
| Keine Informationen verfügbar, nicht bestellbar | ||||
| 19 | 995520 | |||
| Keine Informationen verfügbar, nicht bestellbar | ||||
| 21 | 995534 | |||
| Kabelknickschutz D8.2 | ||||
| 22 | 930487 | 2.25 | 2.68 | |
| Keine Informationen verfügbar, nicht bestellbar | ||||
| 23 | 500205Z | |||
| Kohlenkappe D10yb | ||||
| 24 | 936551 | 1.05 | 1.25 | |
| Nicht mehr lieferbar, kein Ersatz | ||||
| 25 | 999021 | |||
| BRUSH HOLDER | ||||
| 26 | 937701 | 1.74 | 2.07 | |
| Keine Informationen verfügbar, nicht bestellbar | ||||
| 27 | 993793 | |||
| Keine Informationen verfügbar, nicht bestellbar | ||||
| 28 | 995532 | |||
| Keine Informationen verfügbar, nicht bestellbar | ||||
| 29 | 949292 | |||
| Verbinder 50091 (10st) Div.typen | ||||
| 30 | 959140 | 3.30 | 3.93 | |
| Keine Informationen verfügbar, nicht bestellbar | ||||
| 31 | 997730 | |||
| Nicht mehr lieferbar, kein Ersatz | ||||
| 32 | 981814 | |||
| Keine Informationen verfügbar, nicht bestellbar | ||||
| 33 | 995533 | |||
| Keine Informationen verfügbar, nicht bestellbar | ||||
| 34 | 991089 | |||
| Kabelklemme Div.typen, C8fshe, Cm5sb, C8fse | ||||
| 35 | 937631 | 1.04 | 1.23 | |
| Keine Informationen verfügbar, nicht bestellbar | ||||
| 36A | 984750 | |||
| Keine Informationen verfügbar, nicht bestellbar | ||||
| 37 | 991079 | |||
| Keine Informationen verfügbar, nicht bestellbar | ||||
| 38 | 991076 | |||
| Kopfschraube M3,5x5 M.u-scheibe | ||||
| 39 | 980060 | 1.05 | 1.25 | |
| Keine Informationen verfügbar, nicht bestellbar | ||||
| 40 | 997493 | |||
| Verbinder 50092 (10st) Div.typen (usa, Can), C8fs | ||||
| 41 | 959141 | 3.75 | 4.46 | |
| Kabelschuh (a) M3,5 (10st) Cj65v3 | ||||
| 42 | 960356 | 3.00 | 3.57 | |
| Keine Informationen verfügbar, nicht bestellbar | ||||
| 501 | 949022 | |||
| Keine Informationen verfügbar, nicht bestellbar | ||||
| 502 | 949021 | |||
| Keine Informationen verfügbar, nicht bestellbar | ||||
| 503 | 949023 | |||
| Keine Informationen verfügbar, nicht bestellbar | ||||
| 504 | 939120 | |||
| CASE | ||||
| 505A | 933525 | 13.58 | 16.16 | |
| Keine Informationen verfügbar, nicht bestellbar | ||||
| 506 | 995531 | |||
| Keine Informationen verfügbar, nicht bestellbar | ||||
| 507 | 873929 | |||
| Keine Informationen verfügbar, nicht bestellbar | ||||
| 601 | 939110 | |||
| Keine Informationen verfügbar, nicht bestellbar | ||||
| 602 | 939111 | |||
| Keine Informationen verfügbar, nicht bestellbar | ||||
| 603 | 939112 | |||
| Keine Informationen verfügbar, nicht bestellbar | ||||
| 604 | 939113 | |||
| Keine Informationen verfügbar, nicht bestellbar | ||||
| 605 | 939114 | |||
| Keine Informationen verfügbar, nicht bestellbar | ||||
| 606 | 939115 | |||
| Keine Informationen verfügbar, nicht bestellbar | ||||
| 607 | 939116 | |||
| Keine Informationen verfügbar, nicht bestellbar | ||||
| 608 | 939117 | |||
| Keine Informationen verfügbar, nicht bestellbar | ||||
| 609 | 939118 | |||
| Keine Informationen verfügbar, nicht bestellbar | ||||
| 610 | 939119 | |||