Hier finden Sie alle verfügbaren Teile und Zeichnungen der 'Hikoki GP3V'. Von hier aus können Sie alle gewünschten Teile direkt bestellen. Viele Teile müssen je nach Marke beim Hersteller bestellt werden, dies dauert ein bis vier Wochen. Alle Informationen, die wir haben, befinden sich auf unserer Website. Wir können Sie nicht beraten, was Sie benötigen. Dazu müssen Sie die Maschine zur Reparatur zurücksenden. Bitte beachten Sie bei der Bestellung Folgendes:
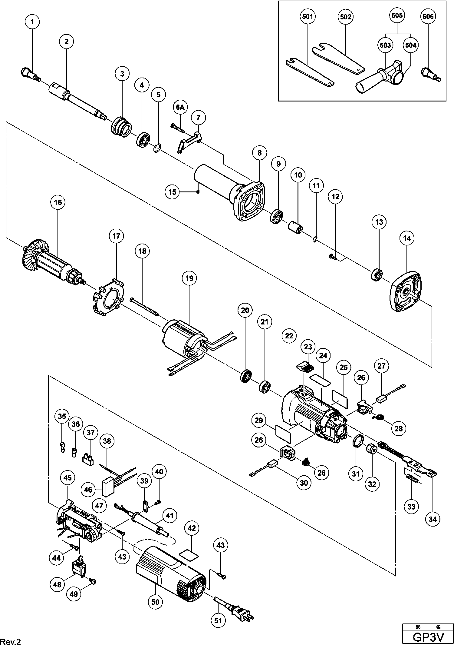
Zeichnungen der Hikoki GP3V
Teileliste der Hikoki GP3V
| Pos. | Beschreibung | Preis ohne MwSt | Preis inkl. MwSt | |
| Die angegebenen Preise enthalten die Mehrwertsteuer | ||||
| Anker 220-230 Volt | ||||
| *16 | 360911E | 36.99 | 44.02 | |
| Feld | ||||
| *19 | 340827F | 21.18 | 25.20 | |
| VELD 110 VOLT | ||||
| *19 | 340827C | 19.80 | 23.56 | |
| Kabelknickschutz D8.8 Div.typen, Cm5sb | ||||
| *41 | 380090 | 1.04 | 1.24 | |
| Kabelknickschutz D10.1 Div.typen, C8fshe, C8fse | ||||
| *41 | 938051 | 1.04 | 1.23 | |
| Regler 220v-240v | ||||
| *45 | 333592 | 77.28 | 91.96 | |
| Regler 127v | ||||
| *45 | 333593 | 77.28 | 91.96 | |
| Regler 100v-120v | ||||
| *45 | 333591 | 77.28 | 91.96 | |
| Kondensator | ||||
| *46 | 325566 | 9.00 | 10.71 | |
| Anschlusskabel (cord Armor D8.8) For Pan | ||||
| *51 | 500447Z | 6.60 | 7.85 | |
| Keine Informationen verfügbar, nicht bestellbar | ||||
| 1 | 333936 | |||
| Keine Informationen verfügbar, nicht bestellbar | ||||
| 1A | 377082 | |||
| Gelenkwelle (a) | ||||
| 2 | 332453 | 14.38 | 17.11 | |
| Lagerdeckel | ||||
| 3 | 332452 | 4.28 | 5.09 | |
| Kugellager 6001 Vv | ||||
| 4 | 6001VV | 6.60 | 7.85 | |
| Unterlegscheibe | ||||
| 5 | 932617 | 1.05 | 1.25 | |
| Gewindeschneidschraube D5x35 (schwarz) | ||||
| 6A | 334402 | 1.05 | 1.25 | |
| Ablagebügel G12s2/g13sd/g13v G13yd | ||||
| 7 | 317807 | 1.05 | 1.25 | |
| Vordergehäuse | ||||
| 8 | 334280 | 14.10 | 16.78 | |
| Kugellager 6000 Vv, Cm9by, C8fse, G23ss | ||||
| 9 | 6000VV | 6.15 | 7.32 | |
| Nicht mehr lieferbar, kein Ersatz | ||||
| 10 | 334281 | |||
| KUPPLUNG (ALT 334281) | ||||
| 10A | 372999 | 16.09 | 19.14 | |
| Sicherungsring D8 Div.typen | ||||
| 11 | 940079 | 1.04 | 1.23 | |
| Schraube M4x8 | ||||
| 12 | 323556 | 1.05 | 1.25 | |
| Kugellager 609 Vvm | ||||
| 13 | 609VVM | 6.00 | 7.14 | |
| Innendeckel | ||||
| 14 | 333643 | 8.55 | 10.17 | |
| INNENSECHSKANT-SCHRAUBE M4X4 | ||||
| 15 | 981478 | 1.05 | 1.25 | |
| Anker 220-230 Volt | ||||
| 16 | 360911E | 36.99 | 44.02 | |
| Luftführung G13v | ||||
| 17 | 319898 | 1.05 | 1.25 | |
| Sechskantschneidschraube D4x70, Cm5sb | ||||
| 18 | 982021 | 1.04 | 1.23 | |
| Feld | ||||
| 19 | 340827F | 21.18 | 25.20 | |
| VELD 110 VOLT | ||||
| 19 | 340827C | 19.80 | 23.56 | |
| Staubdichtung G12s2/g12sa2/g13sd/ G13sb2/g12sa2, | ||||
| 20 | 315877 | 1.05 | 1.25 | |
| Kugellager 608 Vvm, C8fshe, Cm5sb, C8fse, H41mb | ||||
| 21 | 608VVM | 5.70 | 6.78 | |
| Gehäuse | ||||
| 22 | 317802 | 12.00 | 14.28 | |
| Schiebeknopf G12sg/g13v/g13yd G13sb2/g12sa2, Cm5s | ||||
| 23 | 314428 | 1.04 | 1.23 | |
| Kohlekasten Zsb | ||||
| 26 | 317810 | 4.80 | 5.71 | |
| Kohlebürsten Selbstabsch.(paar) | ||||
| 27 | 999076 | 14.40 | 17.14 | |
| Kohlenhalterfeder G12se/g13v G13yd/g13sb2/g12sa2 | ||||
| 28 | 308536 | 1.65 | 1.96 | |
| Kohlebürsten (paar), Cm5sb | ||||
| 30 | 999088 | 4.50 | 5.36 | |
| Gummiring (1) | ||||
| 31 | 995662 | 1.04 | 1.23 | |
| Magnet | ||||
| 32 | 318721 | 17.60 | 20.94 | |
| Feder G12sg/g13v/g13yd, Cm9uby | ||||
| 33 | 314429 | 1.04 | 1.23 | |
| Zugstange | ||||
| 34 | 319370 | 1.05 | 1.25 | |
| Kabelschuh M4.0 (10st) G23ss | ||||
| 35 | 930804 | 3.00 | 3.57 | |
| Verbinder 50091 (10st) Div.typen | ||||
| 36 | 959140 | 3.30 | 3.93 | |
| Schraubklemme 1-reihig Div.typen Till 10.1999 For | ||||
| 37 | 938307 | 2.13 | 2.53 | |
| Erdungsklemme G12s2/g13sd/g13v G13yd/g13sb2/g12sa | ||||
| 38 | 314854 | 1.50 | 1.78 | |
| Kabelklemme Div.typen, C8fshe, Cm5sb, C8fse | ||||
| 39 | 937631 | 1.04 | 1.23 | |
| Keine Informationen verfügbar, nicht bestellbar | ||||
| 40 | 984750 | |||
| Kabelknickschutz D8.8 Div.typen, Cm5sb | ||||
| 41 | 380090 | 1.04 | 1.24 | |
| Kabelknickschutz D10.1 Div.typen, C8fshe, C8fse | ||||
| 41 | 938051 | 1.04 | 1.23 | |
| Aufkleber Sp18va | ||||
| 42 | 333938 | 1.80 | 2.14 | |
| Schneidschraube D4x20 Mit Flansch (schwarz), C8fs | ||||
| 43 | 301653 | 1.04 | 1.23 | |
| Schneidschraube D4x25 Mit Flansch (schwarz), H41m | ||||
| 44 | 307028 | 1.05 | 1.25 | |
| Regler 127v | ||||
| 45 | 333593 | 77.28 | 91.96 | |
| Regler 220v-240v | ||||
| 45 | 333592 | 77.28 | 91.96 | |
| Regler 100v-120v | ||||
| 45 | 333591 | 77.28 | 91.96 | |
| Kondensator | ||||
| 46 | 325566 | 9.00 | 10.71 | |
| Anschlussklemme | ||||
| 47 | 980063 | 1.04 | 1.23 | |
| SCHAKELAAR | ||||
| 48 | 314603 | 11.88 | 14.14 | |
| Maschinenschraube (mit unterlegscheibe) M3.5x6 | ||||
| 49 | 305499 | 1.05 | 1.25 | |
| Endabdeckung G13v | ||||
| 50 | 319376 | 3.90 | 4.64 | |
| Schnur | ||||
| 51 | 500240Z | 13.18 | 15.68 | |
| Kabel 2,5 M C7mfa (cord Armor D8.8) For Gbr (110v | ||||
| 51 | 500237Z | 11.40 | 13.57 | |
| Anschlusskabel (cord Armor D8.8) For Pan | ||||
| 51 | 500447Z | 6.60 | 7.85 | |
| SNOER 10.7 (USE 714500=2X1 5M) | ||||
| 51 | 500247Z | 6.18 | 7.35 | |
| KABEL (CORD ARMOR D10.7) | ||||
| 51A | 500492Z | 6.45 | 7.68 | |
| Keine Informationen verfügbar, nicht bestellbar | ||||
| 501 | 936553 | |||
| Keine Informationen verfügbar, nicht bestellbar | ||||
| 502 | 936638 | |||
| Keine Informationen verfügbar, nicht bestellbar | ||||
| 503 | 324548 | |||
| Huelse | ||||
| 504 | 330061 | 3.45 | 4.11 | |
| Keine Informationen verfügbar, nicht bestellbar | ||||
| 505 | 330060 | |||
| Keine Informationen verfügbar, nicht bestellbar | ||||
| 505A | 371325 | |||
| Keine Informationen verfügbar, nicht bestellbar | ||||
| 506 | 331477 | |||
| Keine Informationen verfügbar, nicht bestellbar | ||||
| 601 | 939101 | |||
| Keine Informationen verfügbar, nicht bestellbar | ||||
| 602 | 939102 | |||
| Keine Informationen verfügbar, nicht bestellbar | ||||
| 603 | 939103 | |||
| Keine Informationen verfügbar, nicht bestellbar | ||||
| 604 | 939104 | |||
| Keine Informationen verfügbar, nicht bestellbar | ||||
| 605 | 939106 | |||
| Keine Informationen verfügbar, nicht bestellbar | ||||
| 606 | 939107 | |||
| Keine Informationen verfügbar, nicht bestellbar | ||||
| 607 | 939108 | |||
| Keine Informationen verfügbar, nicht bestellbar | ||||
| 608 | 949023 | |||
| Keine Informationen verfügbar, nicht bestellbar | ||||
| 609 | 949021 | |||
| Keine Informationen verfügbar, nicht bestellbar | ||||
| 610 | 949022 | |||
| Keine Informationen verfügbar, nicht bestellbar | ||||
| 611 | 939110 | |||
| Keine Informationen verfügbar, nicht bestellbar | ||||
| 612 | 939111 | |||
| Keine Informationen verfügbar, nicht bestellbar | ||||
| 613 | 939112 | |||
| Keine Informationen verfügbar, nicht bestellbar | ||||
| 614 | 939113 | |||
| Keine Informationen verfügbar, nicht bestellbar | ||||
| 615 | 939114 | |||
| Keine Informationen verfügbar, nicht bestellbar | ||||
| 616 | 939115 | |||
| Keine Informationen verfügbar, nicht bestellbar | ||||
| 617 | 939116 | |||
| Keine Informationen verfügbar, nicht bestellbar | ||||
| 618 | 939117 | |||
| Keine Informationen verfügbar, nicht bestellbar | ||||
| 619 | 939118 | |||
| Keine Informationen verfügbar, nicht bestellbar | ||||
| 620 | 939119 | |||
| Keine Informationen verfügbar, nicht bestellbar | ||||
| 621 | 939120 | |||
| Keine Informationen verfügbar, nicht bestellbar | ||||
| 622 | 331477 | |||
| Keine Informationen verfügbar, nicht bestellbar | ||||
| 623 | 932624 | |||
| Keine Informationen verfügbar, nicht bestellbar | ||||
| 624 | 985136 | |||
| Keine Informationen verfügbar, nicht bestellbar | ||||
| 625 | 332812 | |||