Hier finden Sie alle verfügbaren Teile und Zeichnungen der 'Hikoki GT21'. Von hier aus können Sie alle gewünschten Teile direkt bestellen. Viele Teile müssen je nach Marke beim Hersteller bestellt werden, dies dauert ein bis vier Wochen. Alle Informationen, die wir haben, befinden sich auf unserer Website. Wir können Sie nicht beraten, was Sie benötigen. Dazu müssen Sie die Maschine zur Reparatur zurücksenden. Bitte beachten Sie bei der Bestellung Folgendes:
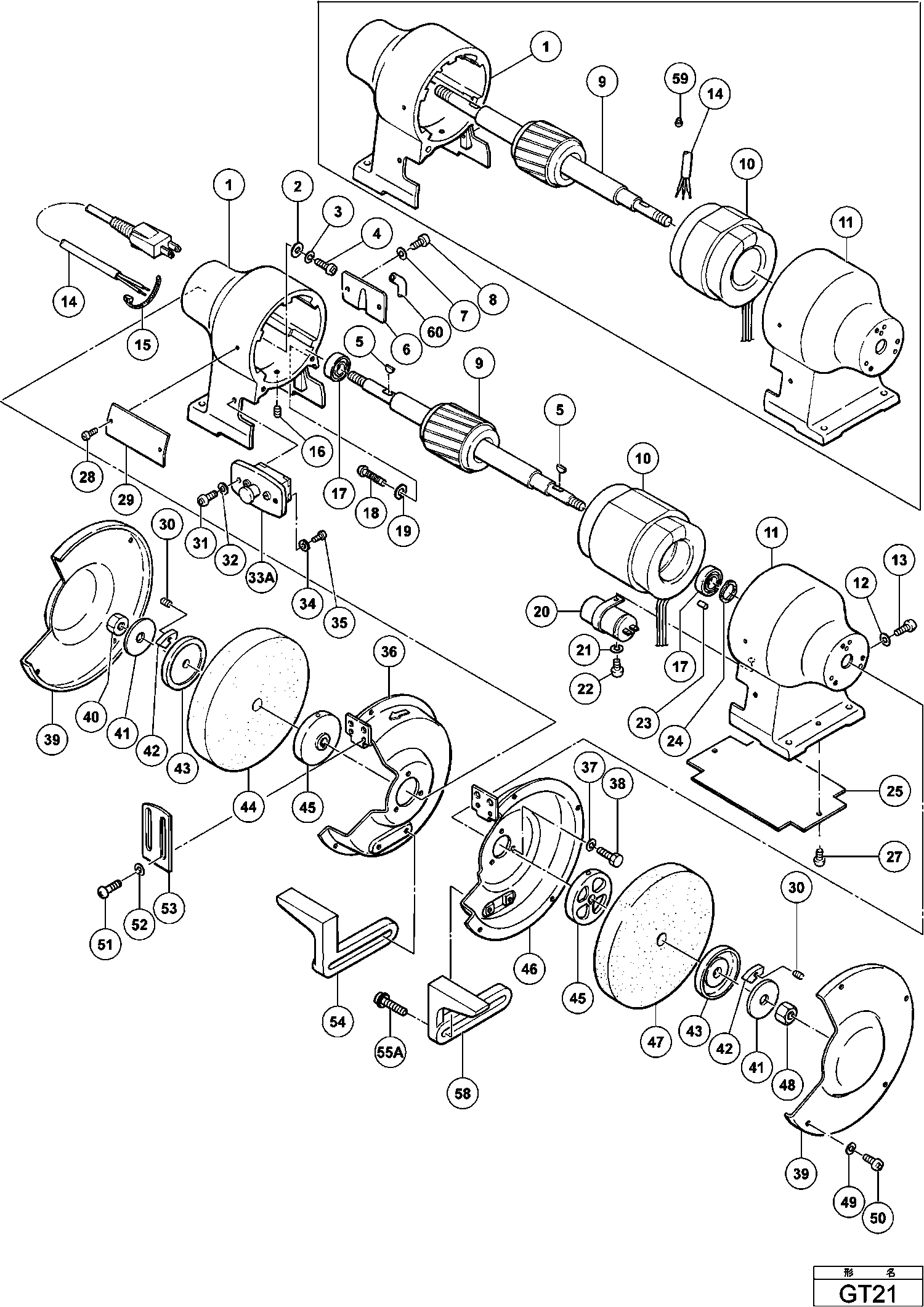
Zeichnungen der Hikoki GT21
Teileliste der Hikoki GT21
| Pos. | Beschreibung | Preis ohne MwSt | Preis inkl. MwSt | |
| Die angegebenen Preise enthalten die Mehrwertsteuer | ||||
| Keine Informationen verfügbar, nicht bestellbar | ||||
| *10 | 934644G | |||
| Keine Informationen verfügbar, nicht bestellbar | ||||
| *14 | 952803Z | |||
| Keine Informationen verfügbar, nicht bestellbar | ||||
| *6 | 934275 | |||
| Gehäuse (b) (für Einphasen) | ||||
| 1 | 934642 | 91.71 | 109.14 | |
| Ring | ||||
| 2 | 967329 | 1.05 | 1.25 | |
| Federscheibe M5 (10st), C8fshe, C8fse | ||||
| 3 | 949454 | 1.04 | 1.23 | |
| Kopfschraube M5x10 (10st), G23ss For Irl | ||||
| 4 | 949236 | 1.05 | 1.25 | |
| INLEGSPIE 3X10 *TD5-1-2* | ||||
| 5 | 932819 | 1.26 | 1.50 | |
| Kabelabdeckung | ||||
| 6 | 934291 | 2.40 | 2.86 | |
| Federscheibe M4 (10st) | ||||
| 7 | 949453 | 1.05 | 1.25 | |
| Maschinenschraube M4x10 (10 Stück) (ALT 949216Z) | ||||
| 8 | 949216 | 1.05 | 1.25 | |
| Rotor (für Einphasen) | ||||
| 9 | 934250 | 66.00 | 78.54 | |
| Keine Informationen verfügbar, nicht bestellbar | ||||
| 10 | 934644G | |||
| Gehäuse (a) (für Einphasen) | ||||
| 11 | 934640 | 91.71 | 109.14 | |
| BOLT WASHER (BRASS) M5 (10 PCS.) | ||||
| 12 | 949449 | 1.00 | 1.19 | |
| Maschinenschraube M5x10 (Messing) (10 Pcs) | ||||
| 13 | 949299 | 1.80 | 2.14 | |
| Keine Informationen verfügbar, nicht bestellbar | ||||
| 14 | 952803Z | |||
| KABELKLEMME | ||||
| 15 | 975144 | 1.04 | 1.23 | |
| INBUSSCHROEF M5X12 | ||||
| 16 | 966292 | 1.00 | 1.19 | |
| Kugellager 6204 Vv | ||||
| 17 | 6204VV | 9.15 | 10.89 | |
| Kopfschraube M6x35 (10st) | ||||
| 18 | 949263 | 1.95 | 2.32 | |
| Federscheibe M6 (10st), C8fshe, C8fse, Cg18dal, C | ||||
| 19 | 949455 | 1.05 | 1.25 | |
| Keine Informationen verfügbar, nicht bestellbar | ||||
| 20 | 934164C | |||
| Federscheibe M5 (10st), C8fshe, C8fse | ||||
| 21 | 949454 | 1.04 | 1.23 | |
| Maschinenschraube M5X16 (10 Stücke) | ||||
| 22 | 949239 | 1.05 | 1.25 | |
| GUMMISTIFT (ALT 976441) | ||||
| 23 | 946362 | 1.05 | 1.25 | |
| RING | ||||
| 24 | 936315 | 1.00 | 1.19 | |
| Abdeckung (1) | ||||
| 25 | 934258 | 8.85 | 10.53 | |
| Federscheibe M5 (10st), C8fshe, C8fse | ||||
| 26 | 949454 | 1.04 | 1.23 | |
| Kopfschraube M5x10 (10st), G23ss For Irl | ||||
| 27 | 949236 | 1.05 | 1.25 | |
| Kopfschraube M3x 6 (10st), Cr 10dl | ||||
| 28 | 949202 | 1.04 | 1.23 | |
| Nicht mehr lieferbar, kein Ersatz | ||||
| 30 | 949368 | |||
| Kopfschraube M4x16 (10st) | ||||
| 31 | 949219 | 1.20 | 1.43 | |
| Federscheibe M4 (10st) | ||||
| 32 | 949453 | 1.05 | 1.25 | |
| Keine Informationen verfügbar, nicht bestellbar | ||||
| 33A | 934627 | |||
| TOOTHED LOCK WASHER M4 | ||||
| 34 | 934135 | 1.00 | 1.19 | |
| MACHINE SCREW (BRASS) M4X6 (10PCS | ||||
| 35 | 949601 | 1.98 | 2.36 | |
| BESCHERMKAP | ||||
| 36 | 934363 | 10.98 | 13.07 | |
| Federscheibe M8 (10st), C8fshe, Cm9by, C8fse | ||||
| 37 | 949457 | 1.05 | 1.25 | |
| Schraube M8x15 (10st) | ||||
| 38 | 949622 | 1.80 | 2.14 | |
| GUARD COVER | ||||
| 39 | 934518 | 10.62 | 12.64 | |
| NUT (LEFT HAND) M16 | ||||
| 40 | 934364 | 1.00 | 1.19 | |
| Grundplatte Dh50mry | ||||
| 41 | 934254 | 2.40 | 2.86 | |
| WEIGHT | ||||
| 42 | 934648 | 1.00 | 1.19 | |
| BALANCE WASHER | ||||
| 43 | 934253 | 7.74 | 9.21 | |
| Keine Informationen verfügbar, nicht bestellbar | ||||
| 44 | 939138 | |||
| Innerer Flansch | ||||
| 45 | 934252 | 12.60 | 14.99 | |
| BESCHERMKAP | ||||
| 46 | 934362 | 12.54 | 14.92 | |
| Keine Informationen verfügbar, nicht bestellbar | ||||
| 47 | 939139 | |||
| Mutter M16 | ||||
| 48 | 934750 | 1.05 | 1.25 | |
| Federscheibe M6 (10st), C8fshe, C8fse, Cg18dal, C | ||||
| 49 | 949455 | 1.05 | 1.25 | |
| Keine Informationen verfügbar, nicht bestellbar | ||||
| 50 | 949254 | |||
| Keine Informationen verfügbar, nicht bestellbar | ||||
| 51 | 949254 | |||
| Federscheibe M6 (10st), C8fshe, C8fse, Cg18dal, C | ||||
| 52 | 949455 | 1.05 | 1.25 | |
| SPARK BREAKER | ||||
| 53 | 934525 | 2.22 | 2.64 | |
| Werkzeugauflage (b) | ||||
| 54 | 934520 | 6.75 | 8.03 | |
| Bolzen (mit Unterlegscheiben) M8x30 | ||||
| 55A | 323900 | 1.35 | 1.61 | |
| Werkzeugauflage (a) | ||||
| 58 | 934519 | 9.60 | 11.42 | |
| Verbinder 50091 (10st) Div.typen | ||||
| 59 | 959140 | 3.30 | 3.93 | |
| Keine Informationen verfügbar, nicht bestellbar | ||||
| 60 | 988703 | |||
| Augenschutz (Acrylplatte) | ||||
| 602 | 934527 | 35.06 | 41.72 | |