Hier finden Sie alle verfügbaren Teile und Zeichnungen der 'Hikoki H41'. Von hier aus können Sie alle gewünschten Teile direkt bestellen. Viele Teile müssen je nach Marke beim Hersteller bestellt werden, dies dauert ein bis vier Wochen. Alle Informationen, die wir haben, befinden sich auf unserer Website. Wir können Sie nicht beraten, was Sie benötigen. Dazu müssen Sie die Maschine zur Reparatur zurücksenden. Bitte beachten Sie bei der Bestellung Folgendes:
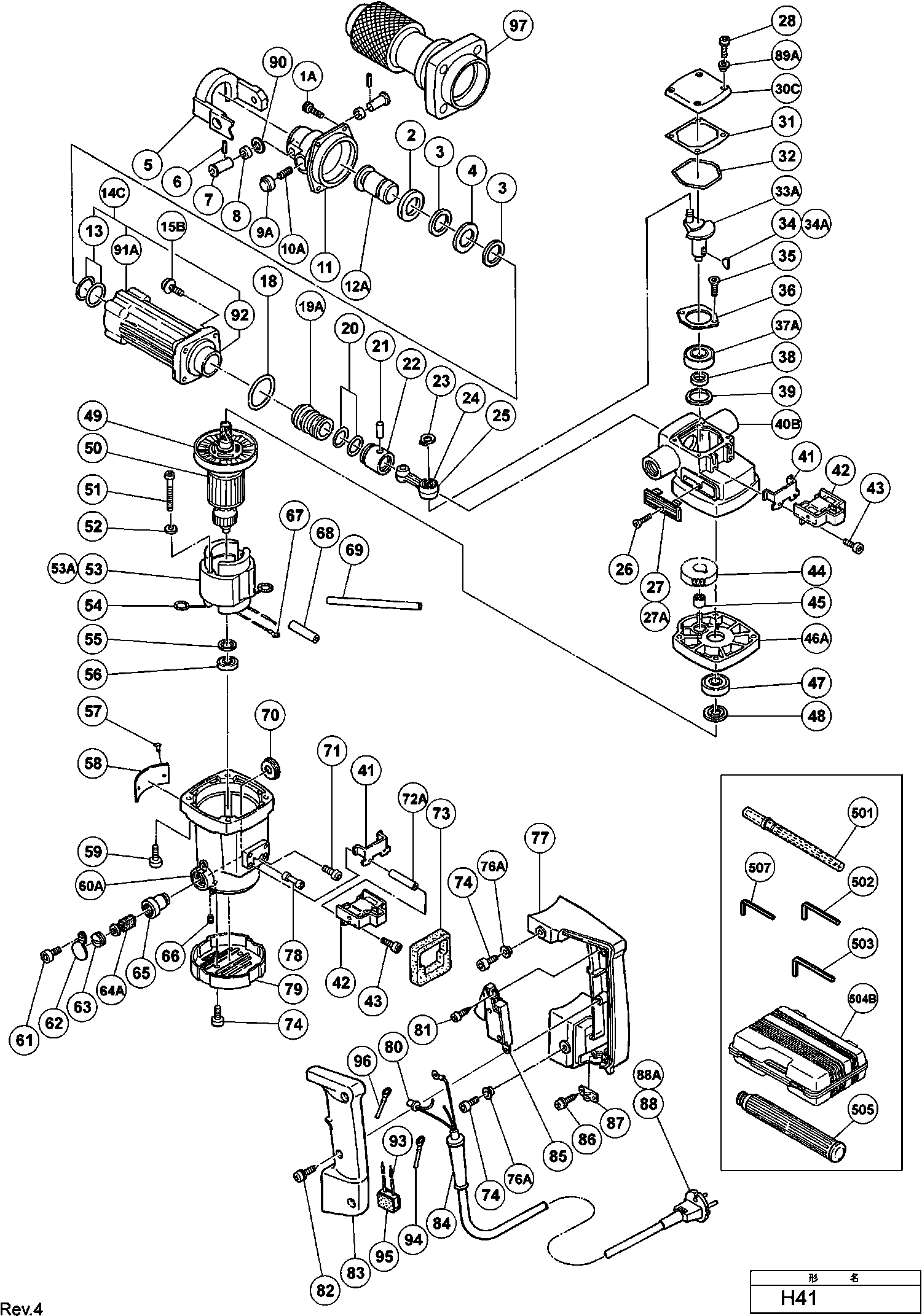
Zeichnungen der Hikoki H41
Teileliste der Hikoki H41
| Pos. | Beschreibung | Preis ohne MwSt | Preis inkl. MwSt | |
| Die angegebenen Preise enthalten die Mehrwertsteuer | ||||
| Keine Informationen verfügbar, nicht bestellbar | ||||
| *50 | 983250E | |||
| Stator 220v-230v H90sa Includ.103 Für Nzl,saf | ||||
| *53 | 983244E | 39.05 | 46.47 | |
| Keine Informationen verfügbar, nicht bestellbar | ||||
| *60B | 332146 | |||
| Kabelknickschutz D10.7 Div.typen, Cm9by, H41mb, G | ||||
| *84 | 940778 | 2.10 | 2.50 | |
| Kondensator | ||||
| *93 | 311935 | 3.30 | 3.93 | |
| Gummi | ||||
| *95 | 930153 | 1.04 | 1.23 | |
| Inbusschraube M7x25 M.flansch Selbstsichernd | ||||
| 1A | 993040 | 2.40 | 2.86 | |
| Dämpferscheibe H41sa | ||||
| 2 | 991695 | 5.85 | 6.96 | |
| Dämpfer H41sa/h45ma/sa | ||||
| 3 | 983235 | 4.50 | 5.36 | |
| Unterlegscheibe | ||||
| 4 | 983236 | 1.95 | 2.32 | |
| Meisselhalter H41sa | ||||
| 5 | 990131 | 35.06 | 41.72 | |
| Rollstift D4x20 H41sa | ||||
| 6 | 991697 | 1.05 | 1.25 | |
| Werkzeughalterstift H41sa | ||||
| 7 | 990135 | 11.85 | 14.10 | |
| Dämpfer H41sa | ||||
| 8 | 990134 | 2.40 | 2.86 | |
| Druckknopf | ||||
| 9A | 990133 | 9.60 | 11.42 | |
| Feder | ||||
| 10A | 331239 | 1.05 | 1.25 | |
| Vorderdeckel H41sa | ||||
| 11 | 991693 | 99.14 | 117.97 | |
| Zweithammer H41sa | ||||
| 12A | 991708 | 35.06 | 41.72 | |
| O-ring (a) H41sa/h45sa | ||||
| 13 | 983234 | 8.70 | 10.35 | |
| Keine Informationen verfügbar, nicht bestellbar | ||||
| 14C | 332149 | |||
| Inbusschraube M6x25 M.flansch Selbstsichernd | ||||
| 15B | 993041 | 1.05 | 1.25 | |
| O-ring (s-48) H41sa/h45ma/sa H30pv | ||||
| 18 | 980715 | 2.40 | 2.86 | |
| Nicht mehr lieferbar, kein Ersatz | ||||
| 19A | 991706 | |||
| O-ring Dh28/40/50 (hämmer) | ||||
| 20 | 986104 | 1.05 | 1.25 | |
| Kolbenstift Dh28y/dh38yb/dh40mr | ||||
| 21 | 980708 | 2.40 | 2.86 | |
| Kolben | ||||
| 22 | 981885 | 18.70 | 22.25 | |
| Sicherungsring D12 (10st), G23ss | ||||
| 23 | 939542 | 1.50 | 1.78 | |
| Nadellager (nsk Aj50 1203) Dh28y/dh40ma/mb u.a. | ||||
| 24 | 980756 | 10.65 | 12.67 | |
| Stange | ||||
| 25 | 980707 | 35.06 | 41.72 | |
| Senkkopfschraube M4x10 (10st), C8fshe, C8fse | ||||
| 26 | 949322 | 1.05 | 1.25 | |
| Keine Informationen verfügbar, nicht bestellbar | ||||
| 27 | 980735 | |||
| Keine Informationen verfügbar, nicht bestellbar | ||||
| 27A | 991713 | |||
| Inbusschraube M4x12 Selbsts. For Switch Holder (t | ||||
| 28 | 983162 | 1.05 | 1.25 | |
| Kurbelgehäusedeckel Dh38yb Includ.28 | ||||
| 30C | 993903 | 8.10 | 9.64 | |
| Dichtung | ||||
| 31 | 980749 | 1.05 | 1.25 | |
| O-ring (s-55) Dh25v/dh28y u.a. | ||||
| 32 | 980744 | 2.55 | 3.03 | |
| Keine Informationen verfügbar, nicht bestellbar | ||||
| 33A | 991718 | |||
| EINLEGEKEIL 3X13 | ||||
| 34 | 932815 | 1.35 | 1.61 | |
| Keil 3x3x10 G13sc/g15sa u.a. | ||||
| 34A | 940533 | 1.20 | 1.43 | |
| Schraube Selbstsichernd M5x12 | ||||
| 35 | 980760 | 1.05 | 1.25 | |
| Lagerdeckel (a) H45mr | ||||
| 36 | 980761 | 7.65 | 9.10 | |
| Kugellager 6203 Dd | ||||
| 37A | 6203DD | 7.65 | 9.10 | |
| Ring | ||||
| 38 | 980706 | 8.85 | 10.53 | |
| Öldichtung (a) Dh38yb1/h45sa | ||||
| 39 | 971745 | 4.50 | 5.36 | |
| Keine Informationen verfügbar, nicht bestellbar | ||||
| 40B | 332148 | |||
| Platte | ||||
| 41 | 980750 | 17.05 | 20.29 | |
| Handgriffgummi Dh50sa1/h55sa u.a. | ||||
| 42 | 980727 | 14.10 | 16.78 | |
| Inbusschraube M5x14 Selbstsich., Cm9uby | ||||
| 43 | 984509 | 1.05 | 1.25 | |
| EERSTE TANDWIEL | ||||
| 44 | 980704 | 14.58 | 17.35 | |
| Nadellager | ||||
| 45 | 939299 | 10.65 | 12.67 | |
| Keine Informationen verfügbar, nicht bestellbar | ||||
| 46A | 332147 | |||
| Kugellager 6202 Vv | ||||
| 47 | 6202VV | 7.05 | 8.39 | |
| Unterlegscheibe | ||||
| 48 | 980700 | 1.04 | 1.23 | |
| Ventilator Dh28y/dh38yb1/h45sa | ||||
| 49 | 980740 | 6.45 | 7.68 | |
| Keine Informationen verfügbar, nicht bestellbar | ||||
| 50 | 983250E | |||
| MACHINESCHROEF M5X55 (10 STUKS) | ||||
| 51 | 949233 | 1.62 | 1.93 | |
| Federscheibe M5 (10st), C8fshe, C8fse | ||||
| 52 | 949454 | 1.04 | 1.23 | |
| Stator 220v-230v H90sa Includ.103 Für Nzl,saf | ||||
| 53 | 983244E | 39.05 | 46.47 | |
| Keine Informationen verfügbar, nicht bestellbar | ||||
| 53A | 983244G | |||
| Kohlenhalterklemme Dh28y u.a. H30pv/vb16y/dh30pc/ | ||||
| 54 | 930703 | 2.40 | 2.86 | |
| Unterlegscheibe | ||||
| 55 | 980698 | 1.05 | 1.25 | |
| Kugellager 608 Vvm, C8fshe, Cm5sb, C8fse, H41mb | ||||
| 56 | 608VVM | 5.70 | 6.78 | |
| Niete D 2,5 X 4,8 (10st) Three-phase | ||||
| 57 | 949510 | 1.04 | 1.23 | |
| Inbusschraube M6x45 Selbstsich. | ||||
| 59 | 986940 | 1.05 | 1.25 | |
| Keine Informationen verfügbar, nicht bestellbar | ||||
| 60A | 332146 | |||
| Keine Informationen verfügbar, nicht bestellbar | ||||
| 60B | 332146 | |||
| Inbusschraube Mit Dichtung M5x10, C8fshe, C8fse | ||||
| 61 | 877839 | 1.05 | 1.25 | |
| Abdeckkappe | ||||
| 62 | 980733 | 1.05 | 1.25 | |
| Bürstenkappe H41sa/h45ma/vb13y Vb16y/h45mr/dh40mr | ||||
| 63 | 935829 | 1.05 | 1.25 | |
| Kohlebürsten Selbstabsch.(paar) H41mb | ||||
| 64A | 999073 | 14.40 | 17.14 | |
| Kohlekasten Zsb | ||||
| 65 | 971001 | 6.45 | 7.68 | |
| Inbusstiftschraube M5x8, C8fshe, C8fse, H41mb,g23 | ||||
| 66 | 938477 | 1.05 | 1.25 | |
| Kabelschuh M4.0 (10st) G23ss | ||||
| 67 | 930804 | 3.00 | 3.57 | |
| Keine Informationen verfügbar, nicht bestellbar | ||||
| 70 | 956127 | |||
| Keine Informationen verfügbar, nicht bestellbar | ||||
| 71 | 949292 | |||
| Rohr | ||||
| 72A | 319363 | 1.65 | 1.96 | |
| Dichtung | ||||
| 73 | 980751 | 1.35 | 1.61 | |
| Inbusschraube M5x12 Selbstsich. 2.1996 For Cover | ||||
| 74 | 991690 | 1.05 | 1.25 | |
| Distanzbuchse | ||||
| 76A | 991711 | 1.05 | 1.25 | |
| HANDLE | ||||
| 77 | 980763 | 9.00 | 10.71 | |
| Hintere Abdeckung | ||||
| 79 | 980732 | 2.85 | 3.39 | |
| Verbinder 50092 (10st) Div.typen (usa, Can), C8fs | ||||
| 80 | 959141 | 3.75 | 4.46 | |
| Schraube | ||||
| 81 | 954017 | 1.04 | 1.23 | |
| Keine Informationen verfügbar, nicht bestellbar | ||||
| 82 | 956636 | |||
| Keine Informationen verfügbar, nicht bestellbar | ||||
| 83 | 980764 | |||
| Kabelknickschutz D10.7 Div.typen, Cm9by, H41mb, G | ||||
| 84 | 940778 | 2.10 | 2.50 | |
| Kabelknickschutz D8.2 Div.typen H41mb, G23ss | ||||
| 84 | 958049 | 1.04 | 1.23 | |
| Schalter (1p Schraubentyp) ohne Verriegelung | ||||
| 85 | 956433 | 15.54 | 18.49 | |
| Keine Informationen verfügbar, nicht bestellbar | ||||
| 86 | 984750 | |||
| Kabelklemme Div.typen, Cm9uby, G23ss | ||||
| 87 | 960266 | 1.04 | 1.23 | |
| Keine Informationen verfügbar, nicht bestellbar | ||||
| 88 | 500428Z | |||
| Keine Informationen verfügbar, nicht bestellbar | ||||
| 88A | 500471Z | |||
| AFSTANDSBUS | ||||
| 89A | 990146 | 1.00 | 1.19 | |
| Keine Informationen verfügbar, nicht bestellbar | ||||
| 90 | 991701 | |||
| Keine Informationen verfügbar, nicht bestellbar | ||||
| 91A | 332150 | |||
| Keine Informationen verfügbar, nicht bestellbar | ||||
| 92 | 991709 | |||
| Kondensator | ||||
| 93 | 311935 | 3.30 | 3.93 | |
| Anschlussklemme | ||||
| 94 | 980063 | 1.04 | 1.23 | |
| STÜTZE (B) | ||||
| 95 | 930196 | 1.05 | 1.25 | |
| Gummi | ||||
| 95 | 930153 | 1.04 | 1.23 | |
| Verbinderkabel | ||||
| 96 | 981974 | 1.65 | 1.96 | |
| Frontabdeckung Setzen | ||||
| 97 | 316041 | 87.59 | 104.23 | |
| Keine Informationen verfügbar, nicht bestellbar | ||||
| 501 | 980752 | |||
| Keine Informationen verfügbar, nicht bestellbar | ||||
| 502 | 944458 | |||
| Keine Informationen verfügbar, nicht bestellbar | ||||
| 503 | 944459 | |||
| Keine Informationen verfügbar, nicht bestellbar | ||||
| 504B | 333145 | |||
| Keine Informationen verfügbar, nicht bestellbar | ||||
| 505 | 944457 | |||
| Keine Informationen verfügbar, nicht bestellbar | ||||
| 507 | 943277 | |||
| Fett (tube 30 Gramm) | ||||
| 601 | 981840 | 8.40 | 10.00 | |
| Keine Informationen verfügbar, nicht bestellbar | ||||
| 602 | 980753 | |||
| Keine Informationen verfügbar, nicht bestellbar | ||||
| 603 | 980752 | |||
| Keine Informationen verfügbar, nicht bestellbar | ||||
| 604 | 980753 | |||
| Keine Informationen verfügbar, nicht bestellbar | ||||
| 605 | 981925 | |||
| Keine Informationen verfügbar, nicht bestellbar | ||||
| 606 | 981926 | |||
| Keine Informationen verfügbar, nicht bestellbar | ||||
| 607 | 982705 | |||
| Keine Informationen verfügbar, nicht bestellbar | ||||
| 608 | 982711 | |||
| Keine Informationen verfügbar, nicht bestellbar | ||||
| 609 | 982710 | |||
| Keine Informationen verfügbar, nicht bestellbar | ||||
| 610 | 955183 | |||
| Keine Informationen verfügbar, nicht bestellbar | ||||
| 611 | 955181 | |||
| Keine Informationen verfügbar, nicht bestellbar | ||||
| 612 | 982702 | |||
| Keine Informationen verfügbar, nicht bestellbar | ||||
| 613 | 982703 | |||
| Keine Informationen verfügbar, nicht bestellbar | ||||
| 614 | 982704 | |||
| Keine Informationen verfügbar, nicht bestellbar | ||||
| 616 | 944574 | |||
| Keine Informationen verfügbar, nicht bestellbar | ||||
| 617A | 323357 | |||
| Keine Informationen verfügbar, nicht bestellbar | ||||
| 618A | 318085 | |||
| Fett (Dose 500 Gramm) | ||||
| 619 | 980927 | 73.01 | 86.88 | |
| Keine Informationen verfügbar, nicht bestellbar | ||||
| 620 | 980734 | |||
| Fett für Hammer. Hammerbohrer (70g) | ||||
| 622 | 308471 | 12.75 | 15.17 | |
| Keine Informationen verfügbar, nicht bestellbar | ||||
| 623 | 981922 | |||
| Keine Informationen verfügbar, nicht bestellbar | ||||
| 624 | 320859 | |||