Hier finden Sie alle verfügbaren Teile und Zeichnungen der 'Hikoki H50'. Von hier aus können Sie alle gewünschten Teile direkt bestellen. Viele Teile müssen je nach Marke beim Hersteller bestellt werden, dies dauert ein bis vier Wochen. Alle Informationen, die wir haben, befinden sich auf unserer Website. Wir können Sie nicht beraten, was Sie benötigen. Dazu müssen Sie die Maschine zur Reparatur zurücksenden. Bitte beachten Sie bei der Bestellung Folgendes:
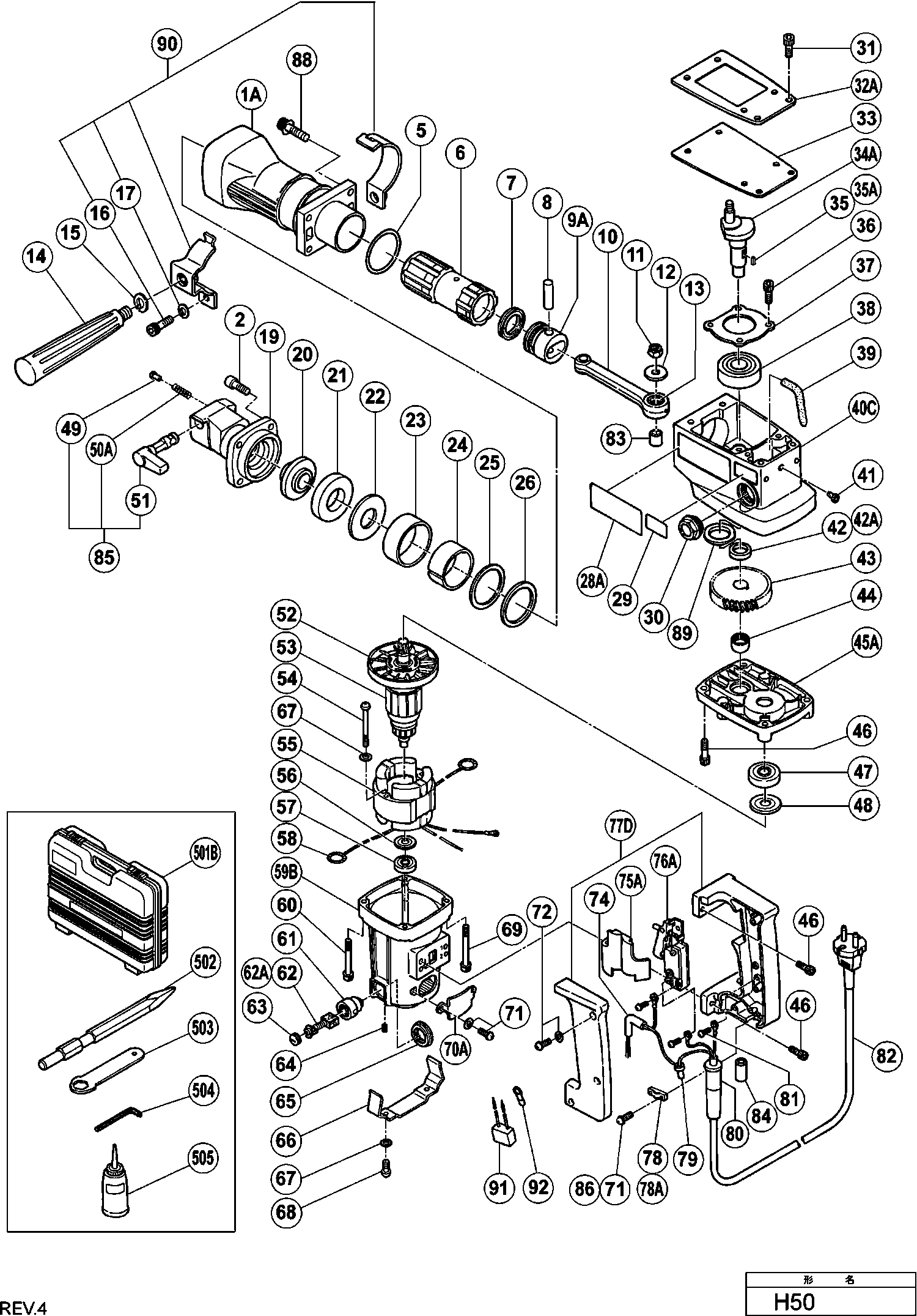
Zeichnungen der Hikoki H50
Teileliste der Hikoki H50
| Pos. | Beschreibung | Preis ohne MwSt | Preis inkl. MwSt | |
| Die angegebenen Preise enthalten die Mehrwertsteuer | ||||
| Keine Informationen verfügbar, nicht bestellbar | ||||
| *40C | 332162 | |||
| Keine Informationen verfügbar, nicht bestellbar | ||||
| *45A | 332164 | |||
| Anker 230v | ||||
| *53 | 980001E | 131.86 | 156.92 | |
| Stator 220v-230v H90sa Includ.103 Für Nzl,saf | ||||
| *55 | 944535E | 46.75 | 55.63 | |
| Stator Ass'y 240v Includ.103 | ||||
| *55 | 944535F | 46.75 | 55.63 | |
| Gehäuse Ass'y (metallisch Silber Grün) Inkl.2,10 | ||||
| *59B | 332168 | 48.81 | 58.09 | |
| Keine Informationen verfügbar, nicht bestellbar | ||||
| *82 | 500430Z | |||
| Keine Informationen verfügbar, nicht bestellbar | ||||
| 1A | 332163 | |||
| Inbusschraube M8x30 Selbstsich. | ||||
| 2 | 986894 | 1.05 | 1.25 | |
| O-ring (s-48) H41sa/h45ma/sa H30pv | ||||
| 5 | 980715 | 2.40 | 2.86 | |
| Keine Informationen verfügbar, nicht bestellbar | ||||
| 6 | 995390 | |||
| X-Ring | ||||
| 7 | 955594 | 3.60 | 4.28 | |
| Stift (1) | ||||
| 8 | 955593 | 3.00 | 3.57 | |
| Kolben | ||||
| 9A | 995409 | 35.06 | 41.72 | |
| Stange | ||||
| 10 | 980007 | 58.30 | 69.38 | |
| U-NUT M6 | ||||
| 11 | 984259 | 1.38 | 1.64 | |
| Keine Informationen verfügbar, nicht bestellbar | ||||
| 12 | 980042Z | |||
| Nadellager (nsk Aj50 1203) Dh28y/dh40ma/mb u.a. | ||||
| 13 | 980756 | 10.65 | 12.67 | |
| Keine Informationen verfügbar, nicht bestellbar | ||||
| 14 | 980020 | |||
| Federring M12 (10st) | ||||
| 15 | 949463 | 1.65 | 1.96 | |
| Inbusschraube M8x25 (10st) G23ss | ||||
| 16 | 949760 | 5.55 | 6.60 | |
| Federscheibe M8 (10st), C8fshe, Cm9by, C8fse | ||||
| 17 | 949457 | 1.05 | 1.25 | |
| Vorderer Deckel | ||||
| 19 | 980123 | 99.14 | 117.97 | |
| Keine Informationen verfügbar, nicht bestellbar | ||||
| 20 | 980014 | |||
| DEMPERRING | ||||
| 21 | 955602 | 6.90 | 8.21 | |
| Mund Dichtung (b) | ||||
| 22 | 980013 | 7.50 | 8.92 | |
| MOUTH COVER | ||||
| 23 | 995391 | 2.10 | 2.50 | |
| MOUTH H50 | ||||
| 24 | 995392 | 11.66 | 13.88 | |
| MOUTH WASHER (A) | ||||
| 25 | 955599 | 1.50 | 1.78 | |
| Uurethanring Dh50mb | ||||
| 26 | 955598 | 3.00 | 3.57 | |
| Keine Informationen verfügbar, nicht bestellbar | ||||
| 29 | 955006C | |||
| Ölanzeige H65sc | ||||
| 30 | 955011 | 10.95 | 13.03 | |
| OIL GAUGE (OLD 955011) | ||||
| 30A | 375619 | 5.52 | 6.57 | |
| Inbusschraube M6x16 Selbstsich. | ||||
| 31 | 990935 | 1.05 | 1.25 | |
| Keine Informationen verfügbar, nicht bestellbar | ||||
| 32A | 332165 | |||
| Abdichtung decken | ||||
| 33 | 995394 | 1.50 | 1.78 | |
| Kurbelwelle | ||||
| 34A | 980041Z | 51.84 | 61.69 | |
| EINLEGEKEIL 3X13 | ||||
| 35 | 932815 | 1.35 | 1.61 | |
| Federschlüssel 3x3x12 | ||||
| 35A | 937177 | 1.65 | 1.96 | |
| Inbusschraube M5x16 Selbstsich. | ||||
| 36 | 990079 | 1.05 | 1.25 | |
| Keine Informationen verfügbar, nicht bestellbar | ||||
| 37 | 955587 | |||
| Kugellager 6204 Dd | ||||
| 38 | 6204DD | 9.00 | 10.71 | |
| Ölfilz | ||||
| 39 | 956967 | 1.05 | 1.25 | |
| Keine Informationen verfügbar, nicht bestellbar | ||||
| 40C | 332162 | |||
| VENTIL | ||||
| 41 | 995396 | 1.80 | 2.14 | |
| DISTANCE RING (B) | ||||
| 42 | 980040 | 1.50 | 1.78 | |
| Distanzring (c) H60ma/mb | ||||
| 42A | 995402 | 10.20 | 12.14 | |
| GEAR (B) | ||||
| 43 | 980039 | 18.32 | 21.80 | |
| NEEDLE BEARING NTN HK1512 | ||||
| 44 | 873251 | 6.90 | 8.21 | |
| Keine Informationen verfügbar, nicht bestellbar | ||||
| 45A | 332164 | |||
| Inbusschraube M6x22 (10 Stück) Nr90ae | ||||
| 46 | 949670 | 3.00 | 3.57 | |
| Kugellager 6202 Dd | ||||
| 47 | 6202DD | 6.75 | 8.03 | |
| Staubdichtung (1) | ||||
| 48 | 971054 | 3.60 | 4.28 | |
| STOPPERSTIFT | ||||
| 49 | 980121 | 7.95 | 9.46 | |
| Keine Informationen verfügbar, nicht bestellbar | ||||
| 50A | 301558 | |||
| BEITELPAL | ||||
| 51 | 995395 | 12.65 | 15.05 | |
| Lüfterrad Dh40ma/mb/yb/fa/fb | ||||
| 52 | 971097 | 7.65 | 9.10 | |
| Anker 230v | ||||
| 53 | 980001E | 131.86 | 156.92 | |
| MACHINESCHROEF M5X55 (10 STUKS) | ||||
| 54 | 949233 | 1.62 | 1.93 | |
| Stator Ass'y 240v Includ.103 | ||||
| 55 | 944535F | 46.75 | 55.63 | |
| Stator 220v-230v H90sa Includ.103 Für Nzl,saf | ||||
| 55 | 944535E | 46.75 | 55.63 | |
| Ring | ||||
| 56 | 944433 | 1.65 | 1.96 | |
| Kugellager 6000 Vv, Cm9by, C8fse, G23ss | ||||
| 57 | 6000VV | 6.15 | 7.32 | |
| Kohlenhalterklemme Dh28y u.a. H30pv/vb16y/dh30pc/ | ||||
| 58 | 930703 | 2.40 | 2.86 | |
| Gehäuse Ass'y (metallisch Silber Grün) Inkl.2,10 | ||||
| 59B | 332168 | 48.81 | 58.09 | |
| INBUSBOUT M6X35 (OUD 949692Z,10S) | ||||
| 60 | 949692 | 3.18 | 3.78 | |
| Kohlekasten Zsb | ||||
| 61 | 971001 | 6.45 | 7.68 | |
| Kohlenbürsten (paar) H41mb | ||||
| 62 | 999043 | 4.50 | 5.36 | |
| Kohlebürsten Selbstabsch.(paar) H41mb | ||||
| 62A | 999073 | 14.40 | 17.14 | |
| Bürstenkappe H41sa/h45ma/vb13y Vb16y/h45mr/dh40mr | ||||
| 63 | 935829 | 1.05 | 1.25 | |
| Inbusstiftschraube M5x8, C8fshe, C8fse, H41mb,g23 | ||||
| 64 | 938477 | 1.05 | 1.25 | |
| Keine Informationen verfügbar, nicht bestellbar | ||||
| 65 | 956127 | |||
| ACHTERDEKSEL | ||||
| 66 | 971091 | 3.48 | 4.14 | |
| Federscheibe M5 (10st), C8fshe, C8fse | ||||
| 67 | 949454 | 1.04 | 1.23 | |
| Kopfschraube M5x 8 (10st) | ||||
| 68 | 949235 | 1.05 | 1.25 | |
| Keine Informationen verfügbar, nicht bestellbar | ||||
| 69 | 944547 | |||
| Seitendeckel (metallisch Silber Grün) Seit 7.2009 | ||||
| 70A | 332171 | 1.80 | 2.14 | |
| Kopfschraube M4x12 M.federring Selbstsichernd | ||||
| 71 | 987203 | 1.05 | 1.25 | |
| Kopfschraube M4x12 M.federring | ||||
| 72 | 951039 | 1.05 | 1.25 | |
| Keine Informationen verfügbar, nicht bestellbar | ||||
| 75A | 971163 | |||
| Schalter (a) H45sa/h55sa | ||||
| 76A | 995398 | 26.40 | 31.42 | |
| Griff Ass'y (a) Metallic Silbergrün Inkl.93a | ||||
| 77D | 334511 | 47.03 | 55.96 | |
| CORD CLIP | ||||
| 78 | 930108 | 1.00 | 1.19 | |
| Kabelklemme Div.typen, Cm9uby, G23ss | ||||
| 78A | 960266 | 1.04 | 1.23 | |
| Verbinder 50092 (10st) Div.typen (usa, Can), C8fs | ||||
| 79 | 959141 | 3.75 | 4.46 | |
| Kabelknickschutz D10.7 Div.typen, Cm9by, H41mb, G | ||||
| 80 | 940778 | 2.10 | 2.50 | |
| Kabelknickschutz D8.2 Div.typen H41mb, G23ss | ||||
| 80 | 958049 | 1.04 | 1.23 | |
| Keine Informationen verfügbar, nicht bestellbar | ||||
| 81 | 949292 | |||
| Keine Informationen verfügbar, nicht bestellbar | ||||
| 82 | 500430Z | |||
| Keine Informationen verfügbar, nicht bestellbar | ||||
| 83 | 980044Z | |||
| Stop-Hebel Komplett Inkl.23b,24a,25a,26,29a | ||||
| 85 | 995399 | 23.38 | 27.82 | |
| Keine Informationen verfügbar, nicht bestellbar | ||||
| 86 | 957147 | |||
| Inbusschraube M8x30 | ||||
| 88 | 995400 | 1.05 | 1.25 | |
| Öldichtung H60ma/mb | ||||
| 89 | 995403 | 2.40 | 2.86 | |
| Griffband Ass'y Inkl.26,27 | ||||
| 90 | 995414 | 14.71 | 17.51 | |
| Kondensator C6u-c13u u.a., C 8fshe | ||||
| 91 | 930039 | 1.95 | 2.32 | |
| Kabelschuh 50051 (10st) Div.typen For Noise Suppr | ||||
| 92 | 959144 | 3.00 | 3.57 | |
| Keine Informationen verfügbar, nicht bestellbar | ||||
| 501B | 312831 | |||
| Keine Informationen verfügbar, nicht bestellbar | ||||
| 502 | 955613 | |||
| Keine Informationen verfügbar, nicht bestellbar | ||||
| 503 | 971109 | |||
| Keine Informationen verfügbar, nicht bestellbar | ||||
| 504 | 872422 | |||
| Schmieröl (120cc) | ||||
| 505 | 931848 | 8.40 | 10.00 | |
| Schmieröl (120cc) | ||||
| 505A | 931848 | 8.40 | 10.00 | |
| Keine Informationen verfügbar, nicht bestellbar | ||||
| 601 | 955623 | |||
| Keine Informationen verfügbar, nicht bestellbar | ||||
| 602 | 955629 | |||
| Keine Informationen verfügbar, nicht bestellbar | ||||
| 603 | 955614 | |||
| Keine Informationen verfügbar, nicht bestellbar | ||||
| 604 | 955624 | |||
| Keine Informationen verfügbar, nicht bestellbar | ||||
| 605 | 955183 | |||
| Keine Informationen verfügbar, nicht bestellbar | ||||
| 606 | 955625 | |||
| Keine Informationen verfügbar, nicht bestellbar | ||||
| 607 | 955181 | |||
| Keine Informationen verfügbar, nicht bestellbar | ||||
| 608 | 944574 | |||
| Keine Informationen verfügbar, nicht bestellbar | ||||
| 610 | 980029 | |||
| Keine Informationen verfügbar, nicht bestellbar | ||||
| 611 | 980030 | |||
| Keine Informationen verfügbar, nicht bestellbar | ||||
| 612 | 980031 | |||
| Keine Informationen verfügbar, nicht bestellbar | ||||
| 613 | 980032 | |||
| Keine Informationen verfügbar, nicht bestellbar | ||||
| 614 | 980033 | |||
| Keine Informationen verfügbar, nicht bestellbar | ||||
| 615 | 980034 | |||
| OMALA Öl (1 Liter) | ||||
| 617 | 955009 | 21.04 | 25.03 | |
| Keine Informationen verfügbar, nicht bestellbar | ||||
| 617A | 318085 | |||
| OLIEPAKKING | ||||
| 618 | 980982 | 1.38 | 1.64 | |
| Keine Informationen verfügbar, nicht bestellbar | ||||
| 619 | 320859 | |||
| Ölfilz | ||||
| 620 | 324896 | 3.75 | 4.46 | |