Hier finden Sie alle verfügbaren Teile und Zeichnungen der 'Hikoki HTD-2522PF'. Von hier aus können Sie alle gewünschten Teile direkt bestellen. Viele Teile müssen je nach Marke beim Hersteller bestellt werden, dies dauert ein bis vier Wochen. Alle Informationen, die wir haben, befinden sich auf unserer Website. Wir können Sie nicht beraten, was Sie benötigen. Dazu müssen Sie die Maschine zur Reparatur zurücksenden. Bitte beachten Sie bei der Bestellung Folgendes:
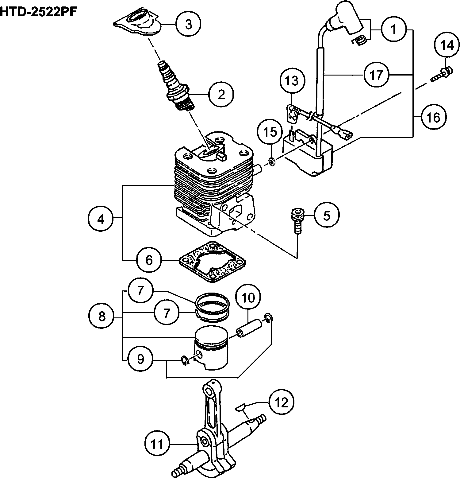
Zeichnungen der Hikoki HTD-2522PF
Teileliste der Hikoki HTD-2522PF
| Pos. | Beschreibung | Preis ohne MwSt | Preis inkl. MwSt | |
| Die angegebenen Preise enthalten die Mehrwertsteuer | ||||
| Steckerkappe Rb24e | ||||
| 1 | 6684894 | 8.58 | 10.20 | |
| Zündkerzenbaugruppe (alt 6685085) | ||||
| 2 | 6699317 | 6.76 | 8.05 | |
| Keine Informationen verfügbar, nicht bestellbar | ||||
| 3 | 6688334 | |||
| Zylinder-set alte Art.nr. 001-03002-90 | ||||
| 4 | 6685462 | 66.40 | 79.02 | |
| Sechskantbolzen Cg24ekb | ||||
| 5 | 6684586 | 2.15 | 2.56 | |
| Zylinderdichtung alte Art.nr. 017-03002-21 | ||||
| 6 | 6685728 | 1.15 | 1.37 | |
| Kolbenring Cg24ekb | ||||
| 7 | 6684588 | 8.58 | 10.20 | |
| Kolben Set alte Art.nr. 030-01680-90 | ||||
| 8 | 6685877 | 28.14 | 33.48 | |
| Sicherungsring neue Art.nr. 039-00000-20 | ||||
| 9 | 6685078 | 1.15 | 1.37 | |
| Kolbenbolzen alte Art.nr. 037-07020-20 | ||||
| 10 | 6686016 | 2.31 | 2.75 | |
| Nicht mehr lieferbar, kein Ersatz | ||||
| 11 | 6686176 | |||
| Scheibenfeder 3x13x4.5 alte Art.nr. 068-10100-20 | ||||
| 12 | 6684899 | 2.15 | 2.56 | |
| Keine Informationen verfügbar, nicht bestellbar | ||||
| 13 | 6687840 | |||
| Sechskantbolzen Cg24ekb Till H124040 | ||||
| 14 | 6684599 | 2.15 | 2.56 | |
| Unterlegscheibe Cg24ekb | ||||
| 15 | 6684600 | 2.15 | 2.56 | |
| Keine Informationen verfügbar, nicht bestellbar | ||||
| 16 | 6687704 | |||
| Keine Informationen verfügbar, nicht bestellbar | ||||
| 17 | 6688316 | |||
| Getriebewelle Cg24ekb | ||||
| 31 | 6684604 | 2.15 | 2.56 | |
| Getriebewelle Cg24ekb | ||||
| 31 | 6684605 | 2.15 | 2.56 | |
| Ausgleich f. Getriebewelle 0.10 | ||||
| 31 | 6689177 | 1.15 | 1.37 | |
| Ausgleich f. Getriebewelle 0.15 | ||||
| 31 | 6689178 | 1.15 | 1.37 | |
| Nicht mehr lieferbar, kein Ersatz | ||||
| 32 | 6688047 | |||
| Nicht mehr lieferbar, kein Ersatz | ||||
| 33 | 6686529 | |||
| Öldichtung Cg24ekb | ||||
| 34 | 6684607 | 4.29 | 5.10 | |
| Kugellager Cg24ekb | ||||
| 35 | 6684608 | 3.80 | 4.52 | |
| Nicht mehr lieferbar, kein Ersatz | ||||
| 36 | 6686705 | |||
| Bolzen 6x22 alte Art.nr. 100-02100-20 | ||||
| 37 | 6686771 | 1.15 | 1.37 | |
| Sechskantbolzen Cg24ekb | ||||
| 38 | 6684786 | 2.15 | 2.56 | |
| Sechskantbolzen 5x45 alte Art.nr. 990-51050-453 | ||||
| 39 | 6695055 | 1.15 | 1.37 | |
| Federscheibe Cg24ekd | ||||
| 40 | 6684834 | 2.15 | 2.56 | |
| Magnetzünder Rotor kpl Alte Art.nr.155-21744-80 | ||||
| 41 | 6687418 | 28.14 | 33.48 | |
| Ring | ||||
| 42 | 6684971 | 1.04 | 1.23 | |
| Unterlegscheibe Cg24ekb Neue Art.nr. 6684611 | ||||
| 43 | 6684611 | 2.15 | 2.56 | |
| Sechskantmutter Cg24ekb | ||||
| 44 | 6684612 | 2.15 | 2.56 | |
| Ansaugkrümmerdichtung | ||||
| 51 | 6689874 | 2.31 | 2.75 | |
| Keine Informationen verfügbar, nicht bestellbar | ||||
| 52 | 6689937 | |||
| Sechskantbolzen 5x25ws alte Art.nr. 994-64050-254 | ||||
| 53 | 6695515 | 1.15 | 1.37 | |
| Vergaserdichtung | ||||
| 54 | 6689828 | 3.30 | 3.93 | |
| O-Ring P-15 | ||||
| 55 | 6698966 | 1.04 | 1.23 | |
| Filtergehäuse kpl. alte Art.nr. 423-06500-81 | ||||
| 56 | 6690119 | 4.45 | 5.30 | |
| Manschette 7.5 | ||||
| 57 | 6690804 | 1.15 | 1.37 | |
| Keine Informationen verfügbar, nicht bestellbar | ||||
| 58 | 6691261 | |||
| Keine Informationen verfügbar, nicht bestellbar | ||||
| 59 | 6684658 | |||
| Kontrollschild alte Art.nr.476-01700-20 | ||||
| 60 | 6690843 | 1.15 | 1.37 | |
| Unterlegscheibe Cg24ekb alte Art.nr. 992-01050-01 | ||||
| 61 | 6684662 | 2.15 | 2.56 | |
| Schraube Cg24ekb nicht mehr lieferbar! alte Art.n | ||||
| 62 | 6684660 | 2.15 | 2.56 | |
| Filter Schwamm | ||||
| 63 | 6690364 | 1.15 | 1.37 | |
| Filterabdeckung | ||||
| 64 | 6690415 | 5.28 | 6.28 | |
| Spezialschraube | ||||
| 65 | 6689737 | 1.15 | 1.37 | |
| Vergaser Set Wyl139a | ||||
| 66 | 6690461 | 62.31 | 74.15 | |
| Röhrenschutz | ||||
| 67 | 6688174 | 2.31 | 2.75 | |
| Clip Cg24ekb | ||||
| 68 | 6684619 | 2.15 | 2.56 | |
| Keine Informationen verfügbar, nicht bestellbar | ||||
| 69 | 6684620 | |||
| Keine Informationen verfügbar, nicht bestellbar | ||||
| 70 | 6699738 | |||
| Tank F T | ||||
| 70A | 6699335 | 15.28 | 18.18 | |
| Tankdeckel alte Art.nr.595-03002-90 Since K032881 | ||||
| 71 | 6691748 | 7.59 | 9.03 | |
| Manschette 5.8 alte Art.nr.659-00801-20 Till G103 | ||||
| 72 | 6692244 | 1.15 | 1.37 | |
| Sechskantbolzen 5x18ps alte Art.nr. 994-63050-185 | ||||
| 73 | 6695505 | 1.15 | 1.37 | |
| Spannschlosskappe Since C026901 | ||||
| 76 | 6691337 | 1.15 | 1.37 | |
| Hauptpumpe | ||||
| 77 | 6685139 | 5.94 | 7.07 | |
| Kraftstoffleitung 2.5x4x80 alte Art.-nr.700-02504 | ||||
| 78 | 6692347 | 1.15 | 1.37 | |
| Kraftstoffleitung 2.5x4x70 alte Art.-nr.700-02504 | ||||
| 79 | 6692346 | 1.15 | 1.37 | |
| Rückkehr Dichtung (alt 6684627) | ||||
| 80 | 6697846 | 1.04 | 1.23 | |
| Schalldämpferschutz alte Art.-nr.738-03002-21 | ||||
| 91 | 6692772 | 9.90 | 11.78 | |
| Schalldämpfer Ass'y | ||||
| 92A | 6601160 | 72.45 | 86.22 | |
| Scheibe (b) Ds9dva/ds12dva/ds14dv Ds14dva/ds14dvb | ||||
| 94A | 6696547 | 1.05 | 1.25 | |
| Sechskantschraube 6x55 alte Art.nr. 990-53060-553 | ||||
| 95 | 6695086 | 1.15 | 1.37 | |
| Lüftergehäuse | ||||
| 97 | 6686957 | 16.79 | 19.98 | |
| Rückholfeder Cg24ekb alte Art.nr. 783-0720f-20 Ti | ||||
| 98 | 6684675 | 11.55 | 13.74 | |
| Seilhaspel Starter alte Art.nr. 774-06097-20 | ||||
| 99 | 6693066 | 3.30 | 3.93 | |
| Stellschraube alte Art.nr. 839-02010-20 Till 7.20 | ||||
| 100 | 6693633 | 1.15 | 1.37 | |
| Starter Riemenscheibe alte Art.n.r798-06500-90 | ||||
| 101 | 6693405 | 4.45 | 5.30 | |
| Primäre Kabel-gummidichtung | ||||
| 102 | 6688049 | 1.15 | 1.37 | |
| Schnuranlasser alte Art.nr. 783-06097-20 Till 7.2 | ||||
| 103 | 6693168 | 2.31 | 2.75 | |
| Startergriff alte Art.nr. 785-06410-20 | ||||
| 104 | 6693237 | 1.15 | 1.37 | |
| Sechskantbolzen Cg24ekb alte Art.nr. 994-63040-15 | ||||
| 105 | 6684682 | 2.15 | 2.56 | |
| Keine Informationen verfügbar, nicht bestellbar | ||||
| 106 | 6692718 | |||
| Ring | ||||
| 108 | 6684661 | 2.15 | 2.56 | |
| Schraube 5x8/s alte Art.nr. 994-14050-081 Till G0 | ||||
| 110 | 6695332 | 1.05 | 1.25 | |
| Kupplung kpl. | ||||
| 111 | 6688494 | 9.74 | 11.59 | |
| Blechschraube 4.5x10 alte Art.nr. 990-73045-104 | ||||
| 112 | 6695104 | 1.15 | 1.37 | |
| Bolzen 4x12ps alte Art.nr. 994-25040-128 | ||||
| 113 | 6695441 | 1.15 | 1.37 | |
| Feder f. Startersperre Cg24ekb | ||||
| 114 | 6684684 | 4.29 | 5.10 | |
| Startersperre alte Art.nr. 788-06500-20 | ||||
| 115 | 6693319 | 2.31 | 2.75 | |
| Drosselschrauben Set Cg24ekb alte Art.nr. 548-251 | ||||
| 121 | 6684698 | 4.29 | 5.10 | |
| Spannschloss Cg24ekb alte Art.nr. 539-25120-20 | ||||
| 122 | 6684697 | 6.44 | 7.66 | |
| Anschlagring Cg24ekb alte Art.nr. 489-25100-20 | ||||
| 123 | 6684696 | 2.15 | 2.56 | |
| O-RING (ALT 550-25100-20) | ||||
| 124 | 6684695 | 4.29 | 5.10 | |
| Hauptdüse Nr. 35 alte Art.nr.599-2001w-35 | ||||
| 125 | 6691873 | 6.28 | 7.47 | |
| Pumpendichtung alte Art.nr.577-25100-20 | ||||
| 126 | 6691457 | 7.10 | 8.45 | |
| Membranabdeckung Cg24ekb alte Art.nr.576-25100-20 | ||||
| 127 | 6684693 | 8.58 | 10.20 | |
| Schutzsieb Cg24ekb | ||||
| 128 | 6684700 | 4.29 | 5.10 | |
| Pumpengehäuse alte Art.nr.575-25225-80 | ||||
| 129 | 6691435 | 15.26 | 18.16 | |
| Nicht mehr lieferbar, kein Ersatz | ||||
| 130 | 6685220 | |||
| Dosiermembrane alte Art.nr.474-25241-80 | ||||
| 131 | 6690830 | 11.88 | 14.13 | |
| Membranabdeckung | ||||
| 132 | 6685222 | 4.45 | 5.30 | |
| Schrauben Set alte Art.nr.548-25101-20 | ||||
| 133 | 6691312 | 1.15 | 1.37 | |
| Getriebegehäuse kpl. Till C230890 | ||||
| 151 | 6688671 | 28.14 | 33.48 | |
| Nicht mehr lieferbar, kein Ersatz | ||||
| 151A | 6688828 | |||
| Anschlagring außen C-15 alte Art.nr. 993-50015-00 | ||||
| 152 | 6695285 | 1.15 | 1.37 | |
| Kugellager #6002z | ||||
| 153 | 6695538 | 6.60 | 7.85 | |
| Kupplungszylinder kpl. | ||||
| 154 | 6688570 | 17.70 | 21.06 | |
| Getriebewelle alte Art.nr.305-33160-20 | ||||
| 155 | 6688960 | 2.31 | 2.75 | |
| Führungsplatte alte Art.nr. 075-33160-20 | ||||
| 156 | 6686612 | 1.15 | 1.37 | |
| Nockenstab alte Art.nr. 101-33190-20 | ||||
| 157 | 6686811 | 5.78 | 6.87 | |
| Getriebe 2 alte Art.nr. 307-33180-20 Till D175950 | ||||
| 158 | 6688974 | 26.16 | 31.13 | |
| Dichtung Getriebegehäuse alte Art.nr.303-33160-20 | ||||
| 159 | 6688909 | 1.15 | 1.37 | |
| Keine Informationen verfügbar, nicht bestellbar | ||||
| 160 | 6692100 | |||
| Nicht mehr lieferbar, kein Ersatz | ||||
| 161 | 6687135 | |||
| Messerführung 625.5l M6 alte 122-33178-20 | ||||
| 161A | 6687137 | 24.20 | 28.80 | |
| Sechskant-senkkopfschraube 6x16 alte Art.nr. 990- | ||||
| 162 | 6695073 | 1.15 | 1.37 | |
| Sechskant-senkkopfbolzen 6x25 alte Art.nr. 990-52 | ||||
| 162A | 6695075 | 1.15 | 1.37 | |
| Messer A (591.5l) alte Art.nr. 120-33160-22 | ||||
| 163 | 6687084 | 42.20 | 50.22 | |
| Nicht mehr lieferbar, kein Ersatz | ||||
| 164 | 6686654 | |||
| Nicht mehr lieferbar, kein Ersatz | ||||
| 165 | 6687187 | |||
| Bolzen | ||||
| 166 | 6687160 | 1.15 | 1.37 | |
| Bolzen | ||||
| 166A | 6687158 | 1.15 | 1.37 | |
| Flanschmutter 6 alte Art.nr. 991-82060-001 | ||||
| 167A | 6695170 | 1.15 | 1.37 | |
| Sechskantbolzen 4x10s alte Art.nr. 6695484 | ||||
| 168 | 6695484 | 1.15 | 1.37 | |
| Sechskantbolzen Cg24ekb | ||||
| 168A | 6684595 | 2.15 | 2.56 | |
| KOMPLETTER SCHMIERNIPPEL (ALT 300-32250-80) | ||||
| 169 | 6688643 | 1.15 | 1.37 | |
| Sechskantbolzen 6x14 alte Art.nr. 990-51060-143 T | ||||
| 170 | 6695058 | 1.15 | 1.37 | |
| Sechskantbolzen 6x18/s alte Art.nr. 994-61060-184 | ||||
| 170A | 6695495 | 1.15 | 1.37 | |
| Stützplatte seit C192401 | ||||
| 171 | 6690764 | 4.45 | 5.30 | |
| Ring | ||||
| 172 | 6684822 | 2.15 | 2.56 | |
| Mutter 6 Ups-p alte Art.nr. 991-87060-001 | ||||
| 173 | 6695175 | 1.15 | 1.37 | |
| Ring | ||||
| 174 | 6684639 | 2.15 | 2.56 | |
| Getriebegehäuse B | ||||
| 175 | 6688844 | 7.50 | 8.92 | |
| Messer Abdeckung alte Art.nr. 138-33168-20 | ||||
| 176 | 6687301 | 8.41 | 10.01 | |
| Federmutter 6 alte Art.nr. 994-40060-011 | ||||
| 177 | 6695475 | 1.15 | 1.37 | |
| Sechskantbolzen 4x10s alte Art.nr. 6695484 | ||||
| 178 | 6695484 | 1.15 | 1.37 | |
| Keine Informationen verfügbar, nicht bestellbar | ||||
| 179 | 6687285 | |||
| Ring | ||||
| 180 | 6695219 | 1.15 | 1.37 | |
| Kabelklemme kpl. | ||||
| 181 | 6688008 | 1.15 | 1.37 | |
| Ring | ||||
| 182 | 6684639 | 2.15 | 2.56 | |
| Griff A alte Art.nr. 050-33150-22 | ||||
| 201 | 6686270 | 9.08 | 10.80 | |
| Stoppschalter kpl.alte Art.nr. 170-3317a-80 | ||||
| 202 | 6687764 | 10.56 | 12.57 | |
| Halteknopf | ||||
| 203 | 6688366 | 1.15 | 1.37 | |
| Schraube Rb24e | ||||
| 204 | 6684913 | 2.15 | 2.56 | |
| Drosselklappenhebel | ||||
| 205 | 6688226 | 2.31 | 2.75 | |
| Sicherheithebel | ||||
| 206 | 6688235 | 2.31 | 2.75 | |
| Feder f. Drosselklappenhebel | ||||
| 207 | 6688243 | 2.31 | 2.75 | |
| Griff B alte Art.nr. 051-33150-23 | ||||
| 208 | 6686307 | 9.08 | 10.80 | |
| Kappe alte Art.nr. 765-32120-20 | ||||
| 209 | 6693002 | 1.15 | 1.37 | |
| Blechschraube 4x18 alte Art.nr. 993-11041-812 Til | ||||
| 210 | 6695246 | 1.15 | 1.37 | |
| Drosselklappen-seil alte Art.nr.885-0651c-80 Till | ||||
| 211 | 6693912 | 5.11 | 6.08 | |
| Halteknopf Markierung alte Art.nr. 925-32530-20 | ||||
| 212 | 6694585 | 1.15 | 1.37 | |
| Schraube 5x45/s alte Art.nr. 994-14050-451 | ||||
| 213 | 6695350 | 1.15 | 1.37 | |
| Keine Informationen verfügbar, nicht bestellbar | ||||
| 214 | 6696987 | |||
| kleine Unterlegscheibe Rb24e | ||||
| 216 | 6684864 | 2.15 | 2.56 | |
| Griff | ||||
| 217 | 6688097 | 9.90 | 11.78 | |
| Ring | ||||
| 218 | 6689680 | 1.15 | 1.37 | |
| Federscheibe Cg24ekd | ||||
| 219 | 6684834 | 2.15 | 2.56 | |
| Sechskantbolzen 5x40 alte Art.nr. 990-51050-403 | ||||
| 220 | 6695054 | 1.15 | 1.37 | |
| PROTECTION TUBE, 140L (OLD 164-07014-00) | ||||
| 221 | 6687522 | 1.00 | 1.19 | |
| Manschette 5.8 alte Art.nr.659-00801-20 Till G103 | ||||
| 222 | 6692244 | 1.15 | 1.37 | |
| Griff B alte Art.nr. 051-33290-20 Since C226131 F | ||||
| 231 | 6686314 | 5.11 | 6.08 | |
| Griff A alte Art.nr. 050-33290-20 Since C226131 F | ||||
| 232 | 6686279 | 5.11 | 6.08 | |
| Drosselklappenhebel Since C226131 For Usa | ||||
| 233 | 6688230 | 1.15 | 1.37 | |
| Sicherheitshebel | ||||
| 234 | 6688240 | 1.15 | 1.37 | |
| Feder f. Drosselklappenhebel | ||||
| 235 | 6688244 | 1.15 | 1.37 | |
| Stoppschalter kpl. alte Art.nr. 170-33253-80 Sinc | ||||
| 236 | 6687769 | 9.58 | 11.39 | |
| Blockierhebel Since C226131 For Usa | ||||
| 237 | 6688246 | 1.15 | 1.37 | |
| Feder Since C226131 For Usa | ||||
| 238 | 6688279 | 1.15 | 1.37 | |
| Ring | ||||
| 239 | 6685070 | 1.15 | 1.37 | |
| Schneidschraube | ||||
| 240 | 6685161 | 1.15 | 1.37 | |
| Schneidschraube Cg24ekb | ||||
| 241 | 6684636 | 2.15 | 2.56 | |
| Drosselklappenkabel alte Art.nr. 885-73110-80 Sin | ||||
| 242 | 6693993 | 4.45 | 5.30 | |
| Halteknopf | ||||
| 243 | 6688366 | 1.15 | 1.37 | |
| Schraube Rb24e | ||||
| 244 | 6684913 | 2.15 | 2.56 | |
| Halteknopf Markierung alte Art.nr. 925-33160-20 | ||||
| 245 | 6694588 | 1.15 | 1.37 | |
| Kurbelgehäuseverpackung | ||||
| 246 | 6696539 | 1.05 | 1.25 | |
| Griff | ||||
| 247 | 6688097 | 9.90 | 11.78 | |
| Ring | ||||
| 248 | 6689680 | 1.15 | 1.37 | |
| Federscheibe Cg24ekd | ||||
| 249 | 6684834 | 2.15 | 2.56 | |
| Sechskantbolzen 5x40 alte Art.nr. 990-51050-403 | ||||
| 250 | 6695054 | 1.15 | 1.37 | |
| Schutzrohr 130l alte Art.nr. 164-07013-01 | ||||
| 251 | 6687521 | 1.15 | 1.37 | |
| Keine Informationen verfügbar, nicht bestellbar | ||||
| 501 | 6684813 | |||
| Schraubenschlüssel Combi Box 10x19 plus alte Art. | ||||
| 502 | 6685997 | 4.45 | 5.30 | |
| Typenschild Htd 2522 Pf | ||||
| 601 | 6694122 | 2.10 | 2.50 | |