Hier finden Sie alle verfügbaren Teile und Zeichnungen der 'Hikoki HTD-2526PF'. Von hier aus können Sie alle gewünschten Teile direkt bestellen. Viele Teile müssen je nach Marke beim Hersteller bestellt werden, dies dauert ein bis vier Wochen. Alle Informationen, die wir haben, befinden sich auf unserer Website. Wir können Sie nicht beraten, was Sie benötigen. Dazu müssen Sie die Maschine zur Reparatur zurücksenden. Bitte beachten Sie bei der Bestellung Folgendes:
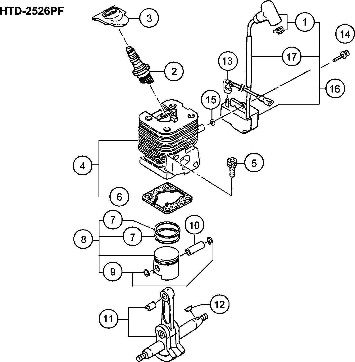
Zeichnungen der Hikoki HTD-2526PF
Teileliste der Hikoki HTD-2526PF
| Pos. | Beschreibung | Preis ohne MwSt | Preis inkl. MwSt | |
| Die angegebenen Preise enthalten die Mehrwertsteuer | ||||
| Steckerkappe Rb24e | ||||
| 1 | 6684894 | 8.58 | 10.20 | |
| Zündkerze Rcj8y | ||||
| 2 | 6699328 | 3.30 | 3.93 | |
| Keine Informationen verfügbar, nicht bestellbar | ||||
| 3 | 6688334 | |||
| Zylinder-set alte Art.nr. 001-03002-90 | ||||
| 4 | 6685462 | 66.40 | 79.02 | |
| Sechskantbolzen Cg24ekb | ||||
| 5 | 6684586 | 2.15 | 2.56 | |
| Zylinderdichtung alte Art.nr. 017-03002-21 | ||||
| 6 | 6685728 | 1.15 | 1.37 | |
| Kolbenring Cg24ekb | ||||
| 7 | 6684588 | 8.58 | 10.20 | |
| Kolben Set alte Art.nr. 030-01680-90 | ||||
| 8 | 6685877 | 28.14 | 33.48 | |
| Sicherungsring neue Art.nr. 039-00000-20 | ||||
| 9 | 6685078 | 1.15 | 1.37 | |
| Kolbenbolzen alte Art.nr. 037-07020-20 | ||||
| 10 | 6686016 | 2.31 | 2.75 | |
| Nicht mehr lieferbar, kein Ersatz | ||||
| 11 | 6686176 | |||
| Scheibenfeder 3x13x4.5 alte Art.nr. 068-10100-20 | ||||
| 12 | 6684899 | 2.15 | 2.56 | |
| Keine Informationen verfügbar, nicht bestellbar | ||||
| 13 | 6687840 | |||
| Sechskantbolzen Cg24ekb Till H124040 | ||||
| 14 | 6684599 | 2.15 | 2.56 | |
| Unterlegscheibe Cg24ekb | ||||
| 15 | 6684600 | 2.15 | 2.56 | |
| Keine Informationen verfügbar, nicht bestellbar | ||||
| 16 | 6687704 | |||
| Keine Informationen verfügbar, nicht bestellbar | ||||
| 17 | 6688316 | |||
| Getriebewelle Cg24ekb | ||||
| 31 | 6684604 | 2.15 | 2.56 | |
| Getriebewelle Cg24ekb | ||||
| 31 | 6684605 | 2.15 | 2.56 | |
| Ausgleich f. Getriebewelle 0.10 | ||||
| 31 | 6689177 | 1.15 | 1.37 | |
| Ausgleich f. Getriebewelle 0.15 | ||||
| 31 | 6689178 | 1.15 | 1.37 | |
| Nicht mehr lieferbar, kein Ersatz | ||||
| 32 | 6688047 | |||
| Nicht mehr lieferbar, kein Ersatz | ||||
| 33 | 6686529 | |||
| Öldichtung Cg24ekb | ||||
| 34 | 6684607 | 4.29 | 5.10 | |
| Kugellager Cg24ekb | ||||
| 35 | 6684608 | 3.80 | 4.52 | |
| Nicht mehr lieferbar, kein Ersatz | ||||
| 36 | 6686705 | |||
| Bolzen 6x22 alte Art.nr. 100-02100-20 | ||||
| 37 | 6686771 | 1.15 | 1.37 | |
| Sechskantbolzen Cg24ekb | ||||
| 38 | 6684786 | 2.15 | 2.56 | |
| Magnetzünder Rotor kpl Alte Art.nr.155-21744-80 | ||||
| 41 | 6687418 | 28.14 | 33.48 | |
| Ring | ||||
| 42 | 6684971 | 1.04 | 1.23 | |
| Unterlegscheibe Cg24ekb Neue Art.nr. 6684611 | ||||
| 43 | 6684611 | 2.15 | 2.56 | |
| Sechskantmutter Cg24ekb | ||||
| 44 | 6684612 | 2.15 | 2.56 | |
| Ansaugkrümmerdichtung | ||||
| 51 | 6689874 | 2.31 | 2.75 | |
| Keine Informationen verfügbar, nicht bestellbar | ||||
| 52 | 6689937 | |||
| Sechskantbolzen 5x25ws alte Art.nr. 994-64050-254 | ||||
| 53 | 6695515 | 1.15 | 1.37 | |
| Vergaserdichtung | ||||
| 54 | 6689828 | 3.30 | 3.93 | |
| O-Ring P-15 | ||||
| 55 | 6698966 | 1.04 | 1.23 | |
| Filtergehäuse kpl. alte Art.nr. 423-06500-81 | ||||
| 56 | 6690119 | 4.45 | 5.30 | |
| Manschette 7.5 | ||||
| 57 | 6690804 | 1.15 | 1.37 | |
| Keine Informationen verfügbar, nicht bestellbar | ||||
| 58 | 6691261 | |||
| Keine Informationen verfügbar, nicht bestellbar | ||||
| 59 | 6684658 | |||
| Kontrollschild alte Art.nr.476-01700-20 | ||||
| 60 | 6690843 | 1.15 | 1.37 | |
| Unterlegscheibe Cg24ekb alte Art.nr. 992-01050-01 | ||||
| 61 | 6684662 | 2.15 | 2.56 | |
| Schraube Cg24ekb nicht mehr lieferbar! alte Art.n | ||||
| 62 | 6684660 | 2.15 | 2.56 | |
| Filter Schwamm | ||||
| 63 | 6690364 | 1.15 | 1.37 | |
| Filterabdeckung | ||||
| 64 | 6690415 | 5.28 | 6.28 | |
| Spezialschraube | ||||
| 65 | 6689737 | 1.15 | 1.37 | |
| Vergaser Set Wyl139a | ||||
| 66 | 6690461 | 62.31 | 74.15 | |
| Röhrenschutz | ||||
| 67 | 6688174 | 2.31 | 2.75 | |
| Clip Cg24ekb | ||||
| 68 | 6684619 | 2.15 | 2.56 | |
| Keine Informationen verfügbar, nicht bestellbar | ||||
| 69 | 6684620 | |||
| Manschette 5.8 alte Art.nr.659-00801-20 Till G103 | ||||
| 73 | 6692244 | 1.15 | 1.37 | |
| Sechskantbolzen 5x18ps alte Art.nr. 994-63050-185 | ||||
| 75 | 6695505 | 1.15 | 1.37 | |
| Spannschlosskappe Since C026901 | ||||
| 76 | 6691337 | 1.15 | 1.37 | |
| Hauptpumpe | ||||
| 77 | 6685139 | 5.94 | 7.07 | |
| Kraftstoffleitung 2.5x4x80 alte Art.-nr.700-02504 | ||||
| 78 | 6692347 | 1.15 | 1.37 | |
| Kraftstoffleitung 2.5x4x70 alte Art.-nr.700-02504 | ||||
| 79 | 6692346 | 1.15 | 1.37 | |
| Rückkehr Dichtung (alt 6684627) | ||||
| 80 | 6697846 | 1.04 | 1.23 | |
| Keine Informationen verfügbar, nicht bestellbar | ||||
| 81 | 6699738 | |||
| Keine Informationen verfügbar, nicht bestellbar | ||||
| 82 | 6685049 | |||
| Keine Informationen verfügbar, nicht bestellbar | ||||
| 83 | 6684625 | |||
| Schalldämpferschutz alte Art.-nr.738-03002-21 | ||||
| 91 | 6692772 | 9.90 | 11.78 | |
| Sechskantschraube 6x55 alte Art.nr. 990-53060-553 | ||||
| 95 | 6695086 | 1.15 | 1.37 | |
| Keine Informationen verfügbar, nicht bestellbar | ||||
| 96 | 6692646 | |||
| Lüftergehäuse | ||||
| 97 | 6686957 | 16.79 | 19.98 | |
| Rückholfeder Cg24ekb alte Art.nr. 783-0720f-20 Ti | ||||
| 98 | 6684675 | 11.55 | 13.74 | |
| Seilhaspel Starter alte Art.nr. 774-06097-20 | ||||
| 99 | 6693066 | 3.30 | 3.93 | |
| Stellschraube alte Art.nr. 839-02010-20 Till 7.20 | ||||
| 100 | 6693633 | 1.15 | 1.37 | |
| Starter Riemenscheibe alte Art.n.r798-06500-90 | ||||
| 101 | 6693405 | 4.45 | 5.30 | |
| Primäre Kabel-gummidichtung | ||||
| 102 | 6688049 | 1.15 | 1.37 | |
| Schnuranlasser alte Art.nr. 783-06097-20 Till 7.2 | ||||
| 103 | 6693168 | 2.31 | 2.75 | |
| Startergriff alte Art.nr. 785-06410-20 | ||||
| 104 | 6693237 | 1.15 | 1.37 | |
| Sechskantbolzen Cg24ekb alte Art.nr. 994-63040-15 | ||||
| 105 | 6684682 | 2.15 | 2.56 | |
| Keine Informationen verfügbar, nicht bestellbar | ||||
| 106 | 6692718 | |||
| Schalldämpferanschlag alte Art.-nr.732-04400-20 | ||||
| 107 | 6692696 | 2.31 | 2.75 | |
| Ring | ||||
| 108 | 6684661 | 2.15 | 2.56 | |
| Keine Informationen verfügbar, nicht bestellbar | ||||
| 109 | 6695471 | |||
| Schraube 5x8/s alte Art.nr. 994-14050-081 Till G0 | ||||
| 110 | 6695332 | 1.05 | 1.25 | |
| Kupplung kpl. | ||||
| 111 | 6688494 | 9.74 | 11.59 | |
| Blechschraube 4.5x10 alte Art.nr. 990-73045-104 | ||||
| 112 | 6695104 | 1.15 | 1.37 | |
| Bolzen 4x12ps alte Art.nr. 994-25040-128 | ||||
| 113 | 6695441 | 1.15 | 1.37 | |
| Feder f. Startersperre Cg24ekb | ||||
| 114 | 6684684 | 4.29 | 5.10 | |
| Startersperre alte Art.nr. 788-06500-20 | ||||
| 115 | 6693319 | 2.31 | 2.75 | |
| Auspuffdämpfer-set alte Art.nr.704-03014-91 For E | ||||
| 116 | 6692455 | 93.09 | 110.77 | |
| Ring | ||||
| 117 | 6684639 | 2.15 | 2.56 | |
| Drosselschrauben Set Cg24ekb alte Art.nr. 548-251 | ||||
| 121 | 6684698 | 4.29 | 5.10 | |
| Spannschloss Cg24ekb alte Art.nr. 539-25120-20 | ||||
| 122 | 6684697 | 6.44 | 7.66 | |
| Anschlagring Cg24ekb alte Art.nr. 489-25100-20 | ||||
| 123 | 6684696 | 2.15 | 2.56 | |
| O-RING (ALT 550-25100-20) | ||||
| 124 | 6684695 | 4.29 | 5.10 | |
| Hauptdüse Nr. 35 alte Art.nr.599-2001w-35 | ||||
| 125 | 6691873 | 6.28 | 7.47 | |
| Pumpendichtung alte Art.nr.577-25100-20 | ||||
| 126 | 6691457 | 7.10 | 8.45 | |
| Membranabdeckung Cg24ekb alte Art.nr.576-25100-20 | ||||
| 127 | 6684693 | 8.58 | 10.20 | |
| Schutzsieb Cg24ekb | ||||
| 128 | 6684700 | 4.29 | 5.10 | |
| Pumpengehäuse alte Art.nr.575-25225-80 | ||||
| 129 | 6691435 | 15.26 | 18.16 | |
| Nicht mehr lieferbar, kein Ersatz | ||||
| 130 | 6685220 | |||
| Dosiermembrane alte Art.nr.474-25241-80 | ||||
| 131 | 6690830 | 11.88 | 14.13 | |
| Membranabdeckung | ||||
| 132 | 6685222 | 4.45 | 5.30 | |
| Schrauben Set alte Art.nr.548-25101-20 | ||||
| 133 | 6691312 | 1.15 | 1.37 | |
| Anschlagring außen C-15 alte Art.nr. 993-50015-00 | ||||
| 252 | 6695285 | 1.15 | 1.37 | |
| Keine Informationen verfügbar, nicht bestellbar | ||||
| 253 | 6697745 | |||
| Kugellager #6002z | ||||
| 254 | 6695538 | 6.60 | 7.85 | |
| Kupplungszylinder kpl. | ||||
| 255 | 6688570 | 17.70 | 21.06 | |
| Führungsplatte alte Art.nr. 075-33160-20 | ||||
| 257 | 6686612 | 1.15 | 1.37 | |
| Nockenstab alte Art.nr. 101-33190-20 | ||||
| 258 | 6686811 | 5.78 | 6.87 | |
| Dichtung Getriebegehäuse alte Art.nr.303-33160-20 | ||||
| 260 | 6688909 | 1.15 | 1.37 | |
| Nicht mehr lieferbar, kein Ersatz | ||||
| 265 | 6687086 | |||
| Nicht mehr lieferbar, kein Ersatz | ||||
| 266 | 6686654 | |||
| Nicht mehr lieferbar, kein Ersatz | ||||
| 267 | 6687187 | |||
| KOMPLETTER SCHMIERNIPPEL (ALT 300-32250-80) | ||||
| 271 | 6688643 | 1.15 | 1.37 | |
| Schnitzelabdeckung (ALT 138-33171-20/6687300) | ||||
| 280 | 6687302 | 8.58 | 10.20 | |
| Federmutter 6 alte Art.nr. 994-40060-011 | ||||
| 282 | 6695475 | 1.15 | 1.37 | |
| Fixiermutter f. Messer alte Art.nr. 123-33202-20 | ||||
| 285 | 6687156 | 1.15 | 1.37 | |
| Flanschmutter 6 alte Art.nr. 991-82060-001 | ||||
| 285A | 6695170 | 1.15 | 1.37 | |
| Ring | ||||
| 286 | 6684639 | 2.15 | 2.56 | |
| Schutzblech alte Art.nr. 135-33191-20 | ||||
| 287 | 6687275 | 2.31 | 2.75 | |
| Keine Informationen verfügbar, nicht bestellbar | ||||
| 288 | 6687285 | |||
| Keine Informationen verfügbar, nicht bestellbar | ||||
| 501 | 6684813 | |||
| Schraubenschlüssel Combi Box 10x19 plus alte Art. | ||||
| 502 | 6685997 | 4.45 | 5.30 | |