Hier finden Sie alle verfügbaren Teile und Zeichnungen der 'Hikoki JCM4S'. Von hier aus können Sie alle gewünschten Teile direkt bestellen. Viele Teile müssen je nach Marke beim Hersteller bestellt werden, dies dauert ein bis vier Wochen. Alle Informationen, die wir haben, befinden sich auf unserer Website. Wir können Sie nicht beraten, was Sie benötigen. Dazu müssen Sie die Maschine zur Reparatur zurücksenden. Bitte beachten Sie bei der Bestellung Folgendes:
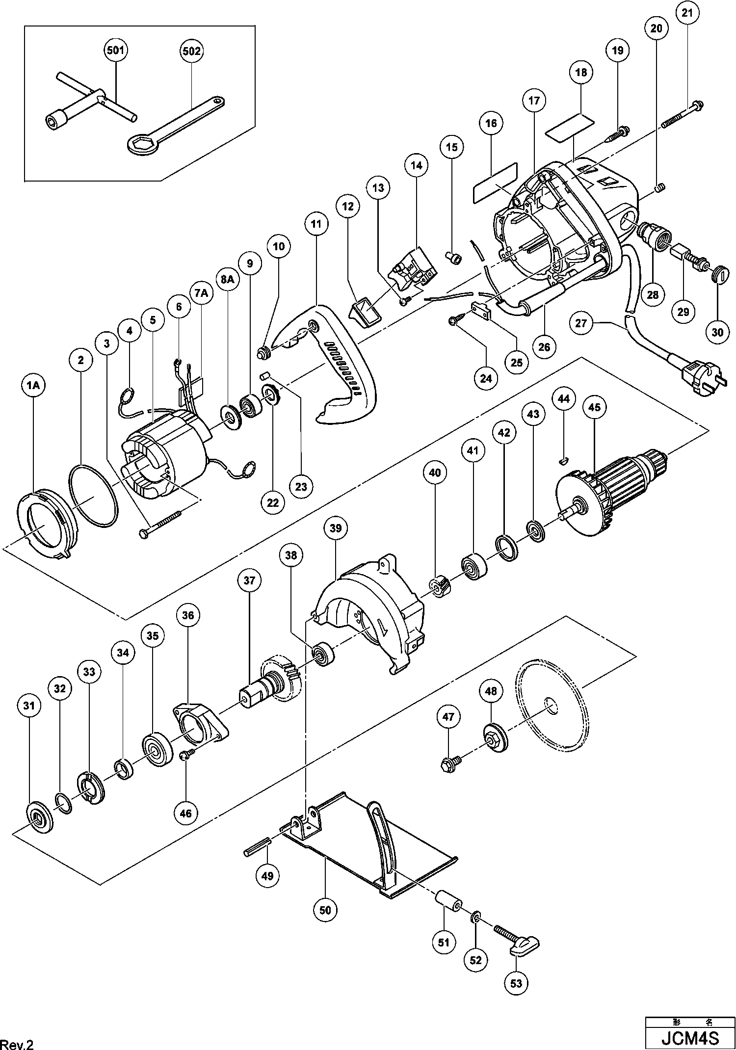
Zeichnungen der Hikoki JCM4S
Teileliste der Hikoki JCM4S
| Pos. | Beschreibung | Preis ohne MwSt | Preis inkl. MwSt | |
| Die angegebenen Preise enthalten die Mehrwertsteuer | ||||
| Keine Informationen verfügbar, nicht bestellbar | ||||
| 1A | 317758 | |||
| Keine Informationen verfügbar, nicht bestellbar | ||||
| 2 | 400257 | |||
| Schneidschraube D5x65 (div.typen) | ||||
| 3 | 960251 | 1.05 | 1.25 | |
| Kohlenhalterklemme Dh28y u.a. H30pv/vb16y/dh30pc/ | ||||
| 4 | 930703 | 2.40 | 2.86 | |
| Keine Informationen verfügbar, nicht bestellbar | ||||
| 5 | 400258 | |||
| Kabelschuh M4.0 (10st) G23ss | ||||
| 6 | 930804 | 3.00 | 3.57 | |
| SEAL PACKING | ||||
| 7A | 983858 | 1.00 | 1.19 | |
| Keine Informationen verfügbar, nicht bestellbar | ||||
| 8A | 317757 | |||
| Kugellager 608 Vvm, C8fshe, Cm5sb, C8fse, H41mb | ||||
| 9 | 608VVM | 5.70 | 6.78 | |
| Keine Informationen verfügbar, nicht bestellbar | ||||
| 10 | 400261 | |||
| Keine Informationen verfügbar, nicht bestellbar | ||||
| 11 | 400262 | |||
| Keine Informationen verfügbar, nicht bestellbar | ||||
| 12 | 400263 | |||
| Maschinenschraube (mit unterlegscheibe) M3.5x6 | ||||
| 13 | 305499 | 1.05 | 1.25 | |
| Keine Informationen verfügbar, nicht bestellbar | ||||
| 14 | 400264 | |||
| Verbinder 50092 (10st) Div.typen (usa, Can), C8fs | ||||
| 15 | 959141 | 3.75 | 4.46 | |
| Keine Informationen verfügbar, nicht bestellbar | ||||
| 17 | 400265 | |||
| Schneidschraube D4x20 M.flansch (schwarz) Cg18dal | ||||
| 19 | 302086 | 1.05 | 1.25 | |
| Inbusstiftschraube M5x8, C8fshe, C8fse, H41mb,g23 | ||||
| 20 | 938477 | 1.05 | 1.25 | |
| Kopfschraube Rb24e | ||||
| 21 | 317751 | 2.70 | 3.21 | |
| Keine Informationen verfügbar, nicht bestellbar | ||||
| 22 | 400266 | |||
| GUMMISTIFT | ||||
| 23 | 931701 | 1.05 | 1.25 | |
| Keine Informationen verfügbar, nicht bestellbar | ||||
| 24 | 984750 | |||
| Kabelklemme Div.typen, Cm9uby, G23ss | ||||
| 25 | 960266 | 1.04 | 1.23 | |
| Kabelknickschutz D8.8 Div.typen, Cm5sb | ||||
| 26 | 380090 | 1.04 | 1.24 | |
| Keine Informationen verfügbar, nicht bestellbar | ||||
| 27 | 500455Z | |||
| Kohlekasten Zsb | ||||
| 28 | 958900 | 6.45 | 7.68 | |
| Kohlenbürsten (paar) H41mb | ||||
| 29 | 999043 | 4.50 | 5.36 | |
| Kohlenkappe C6u/c7u u.a. H30pv/dh30pc/ H41mb/ G23 | ||||
| 30 | 945161 | 1.20 | 1.43 | |
| Keine Informationen verfügbar, nicht bestellbar | ||||
| 31 | 400267 | |||
| O-ring (iap-20) Cm6/wh16/vb16y | ||||
| 32 | 944486 | 1.05 | 1.25 | |
| Keine Informationen verfügbar, nicht bestellbar | ||||
| 33 | 400268 | |||
| Keine Informationen verfügbar, nicht bestellbar | ||||
| 34 | 400269 | |||
| Kugellager 6002 Vv C7mfa | ||||
| 35 | 6002VV | 7.35 | 8.75 | |
| Keine Informationen verfügbar, nicht bestellbar | ||||
| 36 | 400270 | |||
| Keine Informationen verfügbar, nicht bestellbar | ||||
| 37 | 400282 | |||
| Kugellager 606zzm, C8fse | ||||
| 38 | 606ZZM | 15.40 | 18.33 | |
| Keine Informationen verfügbar, nicht bestellbar | ||||
| 39 | 400271 | |||
| Keine Informationen verfügbar, nicht bestellbar | ||||
| 40 | 400272 | |||
| Kugellager 629 Vvm | ||||
| 41 | 629VVM | 5.85 | 6.96 | |
| Keine Informationen verfügbar, nicht bestellbar | ||||
| 42 | 400273 | |||
| Keine Informationen verfügbar, nicht bestellbar | ||||
| 43 | 400274 | |||
| EINLEGEKEIL 2,5X8 | ||||
| 44 | 940220 | 1.35 | 1.61 | |
| Keine Informationen verfügbar, nicht bestellbar | ||||
| 45 | 400275 | |||
| Keine Informationen verfügbar, nicht bestellbar | ||||
| 46 | 303327 | |||
| Keine Informationen verfügbar, nicht bestellbar | ||||
| 47 | 400276 | |||
| Keine Informationen verfügbar, nicht bestellbar | ||||
| 48 | 400277 | |||
| ROL PIN D6X32 (10 STUKS) | ||||
| 49 | 949576 | 3.06 | 3.64 | |
| Keine Informationen verfügbar, nicht bestellbar | ||||
| 50 | 400278 | |||
| Keine Informationen verfügbar, nicht bestellbar | ||||
| 51 | 400279 | |||
| Federscheibe M6 (10st), C8fshe, C8fse, Cg18dal, C | ||||
| 52 | 949455 | 1.05 | 1.25 | |
| Keine Informationen verfügbar, nicht bestellbar | ||||
| 53 | 400283 | |||
| Keine Informationen verfügbar, nicht bestellbar | ||||
| 501 | 400280 | |||
| Keine Informationen verfügbar, nicht bestellbar | ||||
| 502 | 400281 | |||