Hier finden Sie alle verfügbaren Teile und Zeichnungen der 'Hikoki LDU4'. Von hier aus können Sie alle gewünschten Teile direkt bestellen. Viele Teile müssen je nach Marke beim Hersteller bestellt werden, dies dauert ein bis vier Wochen. Alle Informationen, die wir haben, befinden sich auf unserer Website. Wir können Sie nicht beraten, was Sie benötigen. Dazu müssen Sie die Maschine zur Reparatur zurücksenden. Bitte beachten Sie bei der Bestellung Folgendes:
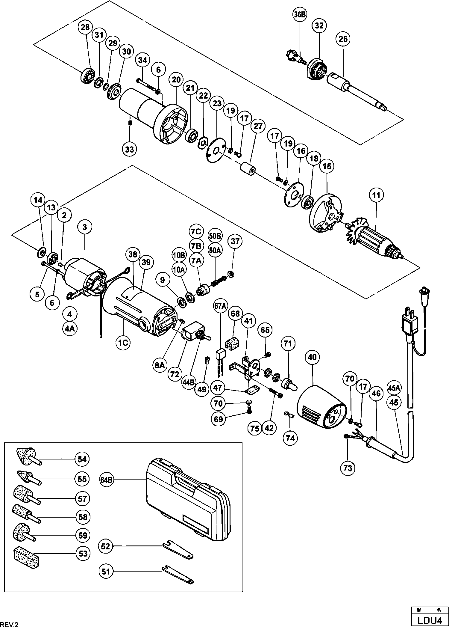
Zeichnungen der Hikoki LDU4
Teileliste der Hikoki LDU4
| Pos. | Beschreibung | Preis ohne MwSt | Preis inkl. MwSt | |
| Die angegebenen Preise enthalten die Mehrwertsteuer | ||||
| Keine Informationen verfügbar, nicht bestellbar | ||||
| *11 | 932658C | |||
| Keine Informationen verfügbar, nicht bestellbar | ||||
| *3 | 932656F | |||
| Keine Informationen verfügbar, nicht bestellbar | ||||
| *45 | 500429Z | |||
| Kabelknickschutz D10.2 Till 11.1982 For Aus | ||||
| *46 | 930026 | 3.00 | 3.57 | |
| Keine Informationen verfügbar, nicht bestellbar | ||||
| 1C | 983161 | |||
| GUMMISTIFT (ALT 976441) | ||||
| 2 | 946362 | 1.05 | 1.25 | |
| Keine Informationen verfügbar, nicht bestellbar | ||||
| 3 | 932656F | |||
| Keine Informationen verfügbar, nicht bestellbar | ||||
| 4 | 930003 | |||
| Kohlenhalterklemme Cn16 u.a. For Aus | ||||
| 4A | 930630 | 1.35 | 1.61 | |
| MACHINESCHROEF M4X60 | ||||
| 5 | 936502 | 1.00 | 1.19 | |
| Federscheibe M4 (10st) | ||||
| 6 | 949453 | 1.05 | 1.25 | |
| Keine Informationen verfügbar, nicht bestellbar | ||||
| 7A | 936530 | |||
| Keine Informationen verfügbar, nicht bestellbar | ||||
| 7B | 936904 | |||
| BRUSH HOLDER | ||||
| 7C | 937701 | 1.74 | 2.07 | |
| Inbusstiftschraube M4x6 Since 3.1986 | ||||
| 8A | 985114 | 1.05 | 1.25 | |
| Stoppplatte | ||||
| 9 | 936906 | 1.05 | 1.25 | |
| Keine Informationen verfügbar, nicht bestellbar | ||||
| 10A | 936579 | |||
| Keine Informationen verfügbar, nicht bestellbar | ||||
| 10B | 936907 | |||
| Keine Informationen verfügbar, nicht bestellbar | ||||
| 11 | 932658F | |||
| Kugellager 626 Ddm | ||||
| 13 | 626DDM | 5.55 | 6.60 | |
| Keine Informationen verfügbar, nicht bestellbar | ||||
| 14 | 936535 | |||
| Keine Informationen verfügbar, nicht bestellbar | ||||
| 15 | 932631 | |||
| LAGERDEKSEL | ||||
| 16 | 937125 | 1.62 | 1.93 | |
| Maschinenschraube M4x10 (10 Stück) (ALT 949216Z) | ||||
| 17 | 949216 | 1.05 | 1.25 | |
| Kugellager 608 Vvm, C8fshe, Cm5sb, C8fse, H41mb | ||||
| 18 | 608VVM | 5.70 | 6.78 | |
| Federscheibe M4 (10st) | ||||
| 19 | 949453 | 1.05 | 1.25 | |
| Vordergehäuse | ||||
| 20 | 932635 | 25.16 | 29.94 | |
| Kugellager 6000 Vv, Cm9by, C8fse, G23ss | ||||
| 21 | 6000VV | 6.15 | 7.32 | |
| WAVE WASHER | ||||
| 22 | 932636 | 1.00 | 1.19 | |
| Keine Informationen verfügbar, nicht bestellbar | ||||
| 23 | 932615 | |||
| Keine Informationen verfügbar, nicht bestellbar | ||||
| 26 | 932659 | |||
| Keine Informationen verfügbar, nicht bestellbar | ||||
| 27 | 933572 | |||
| Kugellager 6001 Vv | ||||
| 28 | 6001VV | 6.60 | 7.85 | |
| Unterlegscheibe | ||||
| 29 | 932617 | 1.05 | 1.25 | |
| Distanzscheibe G18u/ua/ub u.a. | ||||
| 30 | 932638 | 1.05 | 1.25 | |
| Scheibe (b) Ds9dva/ds12dva/ds14dv Ds14dva/ds14dvb | ||||
| 31 | 932639 | 1.04 | 1.23 | |
| Keine Informationen verfügbar, nicht bestellbar | ||||
| 32 | 932640 | |||
| Inbusschraube M4x5 | ||||
| 33 | 961681 | 1.04 | 1.23 | |
| MACHINESCHROEF M4X45 (10 STUKS) | ||||
| 34 | 949229 | 1.08 | 1.29 | |
| Keine Informationen verfügbar, nicht bestellbar | ||||
| 36B | 332812 | |||
| Kohlenkappe D10yb | ||||
| 37 | 936551 | 1.05 | 1.25 | |
| PIN D2.5X2.8 *TD5-3-2* | ||||
| 39 | 932642 | 1.00 | 1.19 | |
| Keine Informationen verfügbar, nicht bestellbar | ||||
| 40 | 932663 | |||
| Keine Informationen verfügbar, nicht bestellbar | ||||
| 41 | 936688 | |||
| Kopfschraube M4x25 (10st) | ||||
| 42 | 949223 | 1.05 | 1.25 | |
| Keine Informationen verfügbar, nicht bestellbar | ||||
| 44B | 932670 | |||
| Keine Informationen verfügbar, nicht bestellbar | ||||
| 45 | 500429Z | |||
| Keine Informationen verfügbar, nicht bestellbar | ||||
| 45A | 500427Z | |||
| Kabelknickschutz D10.2 Till 11.1982 For Aus | ||||
| 46 | 930026 | 3.00 | 3.57 | |
| Kabelknickschutz D8.2 | ||||
| 46 | 930487 | 2.25 | 2.68 | |
| CORD CLIP | ||||
| 47 | 930108 | 1.00 | 1.19 | |
| Verbinder 50092 (10st) Div.typen (usa, Can), C8fs | ||||
| 49 | 959141 | 3.75 | 4.46 | |
| Kohlebürste (2 Stücke) | ||||
| 50A | 999011 | 2.85 | 3.39 | |
| Nicht mehr lieferbar, kein Ersatz | ||||
| 50B | 999021 | |||
| Keine Informationen verfügbar, nicht bestellbar | ||||
| 51 | 936553 | |||
| Keine Informationen verfügbar, nicht bestellbar | ||||
| 52 | 936638 | |||
| Keine Informationen verfügbar, nicht bestellbar | ||||
| 53 | 939120 | |||
| Keine Informationen verfügbar, nicht bestellbar | ||||
| 64B | 310905 | |||
| Keine Informationen verfügbar, nicht bestellbar | ||||
| 65 | 949292 | |||
| Kopfschraube M4x12 (10st),c8fshe, C8fse | ||||
| 69 | 949217 | 1.05 | 1.25 | |
| Federscheibe M4 (10st) | ||||
| 70 | 949453 | 1.05 | 1.25 | |
| Keine Informationen verfügbar, nicht bestellbar | ||||
| 71 | 936696 | |||
| Keine Informationen verfügbar, nicht bestellbar | ||||
| 72 | 936697 | |||
| Kabelschuh 50051 (10st) Div.typen For Noise Suppr | ||||
| 73 | 959144 | 3.00 | 3.57 | |
| Inbusschraube M4x12 Selbsts. For Switch Holder (t | ||||
| 75 | 983162 | 1.05 | 1.25 | |
| Keine Informationen verfügbar, nicht bestellbar | ||||
| 601 | 932624 | |||
| Keine Informationen verfügbar, nicht bestellbar | ||||
| 602 | 939100 | |||
| Keine Informationen verfügbar, nicht bestellbar | ||||
| 603 | 939101 | |||
| Keine Informationen verfügbar, nicht bestellbar | ||||
| 604 | 939102 | |||
| Keine Informationen verfügbar, nicht bestellbar | ||||
| 605 | 939103 | |||
| Keine Informationen verfügbar, nicht bestellbar | ||||
| 606 | 939104 | |||
| Keine Informationen verfügbar, nicht bestellbar | ||||
| 607 | 939105 | |||
| Keine Informationen verfügbar, nicht bestellbar | ||||
| 608 | 939106 | |||
| Keine Informationen verfügbar, nicht bestellbar | ||||
| 609 | 939107 | |||
| Keine Informationen verfügbar, nicht bestellbar | ||||
| 610 | 939108 | |||
| Keine Informationen verfügbar, nicht bestellbar | ||||
| 611 | 939109 | |||
| Keine Informationen verfügbar, nicht bestellbar | ||||
| 612 | 939110 | |||
| Keine Informationen verfügbar, nicht bestellbar | ||||
| 613 | 939111 | |||
| Keine Informationen verfügbar, nicht bestellbar | ||||
| 614 | 939112 | |||
| Keine Informationen verfügbar, nicht bestellbar | ||||
| 615 | 939113 | |||
| Keine Informationen verfügbar, nicht bestellbar | ||||
| 616 | 939114 | |||
| Keine Informationen verfügbar, nicht bestellbar | ||||
| 617 | 939115 | |||
| Keine Informationen verfügbar, nicht bestellbar | ||||
| 618 | 939116 | |||
| Keine Informationen verfügbar, nicht bestellbar | ||||
| 619 | 939117 | |||
| Keine Informationen verfügbar, nicht bestellbar | ||||
| 620 | 939118 | |||
| Keine Informationen verfügbar, nicht bestellbar | ||||
| 621 | 939119 | |||
| Keine Informationen verfügbar, nicht bestellbar | ||||
| 622 | 932671 | |||