Hier finden Sie alle verfügbaren Teile und Zeichnungen der 'Hikoki M12SA2'. Von hier aus können Sie alle gewünschten Teile direkt bestellen. Viele Teile müssen je nach Marke beim Hersteller bestellt werden, dies dauert ein bis vier Wochen. Alle Informationen, die wir haben, befinden sich auf unserer Website. Wir können Sie nicht beraten, was Sie benötigen. Dazu müssen Sie die Maschine zur Reparatur zurücksenden. Bitte beachten Sie bei der Bestellung Folgendes:
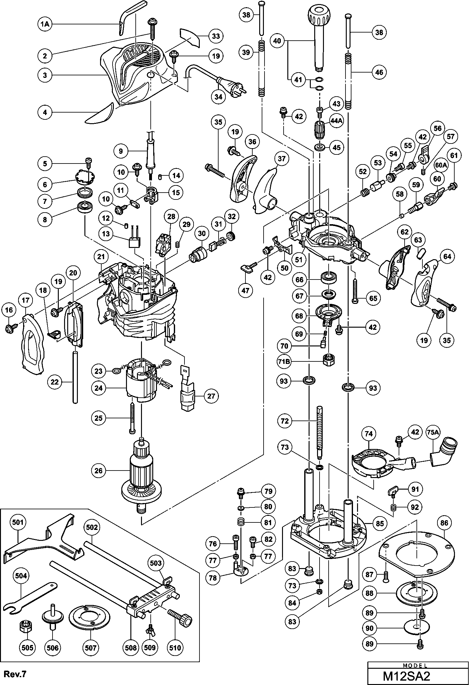
Zeichnungen der Hikoki M12SA2
Teileliste der Hikoki M12SA2
| Pos. | Beschreibung | Preis ohne MwSt | Preis inkl. MwSt | |
| Die angegebenen Preise enthalten die Mehrwertsteuer | ||||
| Kanalhülse für Kabel (d) Div.typen, Cm9uby, G23ss | ||||
| *14 | 981373 | 1.05 | 1.25 | |
| Stator 230v M12sa2 Includ.23 | ||||
| *24 | 340668G | 61.40 | 73.07 | |
| ANKER 110-120 VOLT | ||||
| *26 | 360750U | 139.32 | 165.79 | |
| Anker 230v | ||||
| *26 | 360750E | 131.59 | 156.59 | |
| SNOER 2.5M 2 X 1.0 H05VV-F W/PLUG 13A/250V (OLD 50 | ||||
| *34 | 500423Z | 12.87 | 15.32 | |
| SNOER 10.7 (USE 714500=2X1 5M) | ||||
| *34 | 500247Z | 6.18 | 7.35 | |
| Keine Informationen verfügbar, nicht bestellbar | ||||
| *505 | 325212 | |||
| Keine Informationen verfügbar, nicht bestellbar | ||||
| *506 | 325213 | |||
| Keine Informationen verfügbar, nicht bestellbar | ||||
| *625 | 303351 | |||
| Keine Informationen verfügbar, nicht bestellbar | ||||
| *71B | 325199 | |||
| Kabelknickschutz D8.8 Div.typen, Cm5sb | ||||
| *9 | 380090 | 1.04 | 1.24 | |
| Kabelknickschutz D10.1 Div.typen, C8fshe, C8fse | ||||
| *9 | 938051 | 1.04 | 1.23 | |
| Schneidschraube D4x30 M.flansch (schwarz) | ||||
| 2 | 305490 | 1.04 | 1.23 | |
| Kopfabdeckung M12sa2 | ||||
| 3 | 325168 | 22.83 | 27.16 | |
| Schraube | ||||
| 5 | 954017 | 1.04 | 1.23 | |
| Lagerbuchse | ||||
| 6 | 325226 | 7.35 | 8.75 | |
| Gummiring (1) | ||||
| 7 | 325184 | 1.05 | 1.25 | |
| Kugellager 6200 Vv | ||||
| 8 | 6200VV | 6.15 | 7.32 | |
| Kabelknickschutz D8.8 Div.typen, Cm5sb | ||||
| 9 | 380090 | 1.04 | 1.24 | |
| Kabelknickschutz D10.1 Div.typen, C8fshe, C8fse | ||||
| 9 | 938051 | 1.04 | 1.23 | |
| Keine Informationen verfügbar, nicht bestellbar | ||||
| 10 | 984750 | |||
| Kabelklemme Div.typen, C8fshe, Cm5sb, C8fse | ||||
| 11 | 937631 | 1.04 | 1.23 | |
| Aderendhülse (d) (div.typen) G23ss For Usa,can,me | ||||
| 12 | 961820 | 1.05 | 1.25 | |
| Kondensator C6u-c13u u.a., C 8fshe | ||||
| 13 | 930039 | 1.95 | 2.32 | |
| Kanalhülse für Kabel (d) Div.typen, Cm9uby, G23ss | ||||
| 14 | 981373 | 1.05 | 1.25 | |
| Keine Informationen verfügbar, nicht bestellbar | ||||
| 15 | 325203 | |||
| Schneidschraube D4x20 M.flansch (schwarz) Cg18dal | ||||
| 16 | 302086 | 1.05 | 1.25 | |
| Vordere Abdeckung M12sa2 | ||||
| 17 | 325170 | 3.90 | 4.64 | |
| Markierung M12s2 | ||||
| 18 | 325198 | 1.05 | 1.25 | |
| Schneidschraube D4x16 Mit Flansch (schwarz), Cm9b | ||||
| 19 | 305812 | 1.04 | 1.23 | |
| Schafthalter M12sa2 | ||||
| 20 | 325197 | 1.95 | 2.32 | |
| Gehaeuse | ||||
| 21 | 325219 | 61.46 | 73.14 | |
| Tiefenanschlag | ||||
| 22 | 325196 | 3.90 | 4.64 | |
| Kohlebürstenverbinder | ||||
| 23 | 958032 | 1.04 | 1.23 | |
| Stator 230v M12sa2 Includ.23 | ||||
| 24 | 340668G | 61.40 | 73.07 | |
| Schneidschraube D5x70 | ||||
| 25 | 961400 | 1.04 | 1.23 | |
| ANKER 110-120 VOLT | ||||
| 26 | 360750U | 139.32 | 165.79 | |
| Anker 230v | ||||
| 26 | 360750E | 131.59 | 156.59 | |
| Hebel M12sa2 | ||||
| 27 | 325960 | 3.90 | 4.64 | |
| Schalter | ||||
| 28 | 301821 | 18.43 | 21.93 | |
| Inbusstiftschraube M5x8, C8fshe, C8fse, H41mb,g23 | ||||
| 29 | 938477 | 1.05 | 1.25 | |
| Kohlenhalter C13u/cm12y u.a. | ||||
| 30 | 980487 | 5.68 | 6.75 | |
| Kohlenbürsten (paar) | ||||
| 31 | 999044 | 4.50 | 5.36 | |
| Kohlenkappe C13u/m12v/div.typen H70sa | ||||
| 32 | 940540 | 1.04 | 1.23 | |
| Kabel G13va (cord Armor D8.8) For Gbr (110v) | ||||
| 34 | 500461Z | 17.88 | 21.27 | |
| SNOER 2.5M 2 X 1.0 H05VV-F W/PLUG 13A/250V (OLD 50 | ||||
| 34 | 500423Z | 12.87 | 15.32 | |
| SNOER 10.7 (USE 714500=2X1 5M) | ||||
| 34 | 500247Z | 6.18 | 7.35 | |
| Maschinenschraube (mit Scheiben) M6x30 (schwarz) | ||||
| 35 | 307443 | 1.05 | 1.25 | |
| Handgrif (links) (b) M12sa2 | ||||
| 36 | 325220 | 6.15 | 7.32 | |
| Handgrif (links) (a) M12sa2 | ||||
| 37 | 325171 | 3.00 | 3.57 | |
| Federfuhrung | ||||
| 38 | 325180 | 1.95 | 2.32 | |
| Tauchkolbenfeder (r) M12sa2 | ||||
| 39 | 325177 | 14.85 | 17.67 | |
| Feststellknopf M12sa2 Includ.43 | ||||
| 40 | 325214 | 4.35 | 5.18 | |
| Nicht mehr lieferbar, kein Ersatz | ||||
| 41 | 872654 | |||
| Kopfschraube M4x12 M.u-scheibe (schwarz), C 8fshe | ||||
| 42 | 935196 | 1.04 | 1.23 | |
| Inbusschraube M5x14 Selbstsich., Cm9uby | ||||
| 43 | 984509 | 1.05 | 1.25 | |
| Knopf (c) M12sa2 | ||||
| 44A | 325194 | 1.05 | 1.25 | |
| Fuehrungshuelse | ||||
| 45 | 325195 | 1.05 | 1.25 | |
| Tauchkolbenfeder (l) | ||||
| 46 | 325176 | 1.95 | 2.32 | |
| Flügelmutter M6x27 M12sa/v/m8/m8v | ||||
| 47 | 301801 | 1.05 | 1.25 | |
| Vordere Abdeckung(c) M12sa2 | ||||
| 50 | 325173 | 4.80 | 5.71 | |
| Keine Informationen verfügbar, nicht bestellbar | ||||
| 51 | 325228 | |||
| Feder M12sa2 | ||||
| 52 | 325193 | 1.05 | 1.25 | |
| Mutter | ||||
| 53 | 325192 | 7.95 | 9.46 | |
| Spezialbolzen M12sa2 | ||||
| 54 | 325191 | 3.00 | 3.57 | |
| Inbusschraube M4x 8 (10st) | ||||
| 55 | 949811 | 1.50 | 1.78 | |
| Knopf | ||||
| 56 | 325190 | 4.35 | 5.18 | |
| Inbusstiftschraube M6x5 | ||||
| 57 | 985033 | 1.05 | 1.25 | |
| Blockierung | ||||
| 58 | 971848 | 1.05 | 1.25 | |
| Sperrschraube M12sa2 | ||||
| 59 | 325187 | 5.40 | 6.43 | |
| Knopf | ||||
| 60 | 326042 | 6.75 | 8.03 | |
| Hebel C7mfa For Usa,can | ||||
| 60A | 323923 | 1.05 | 1.25 | |
| Kopfschraube M6x10 M.u-scheibe | ||||
| 61 | 997314 | 1.05 | 1.25 | |
| Handgrif (rechts) (a) M12sa2 | ||||
| 62 | 325172 | 3.00 | 3.57 | |
| Abdeckung M12sa2 | ||||
| 63 | 325227 | 3.00 | 3.57 | |
| Handgrif (rechts) (b) M12sa2 | ||||
| 64 | 325221 | 6.15 | 7.32 | |
| Schneidschraube D5x50 Bm25y | ||||
| 65 | 307100 | 1.05 | 1.25 | |
| Kugellager 6004 Vv | ||||
| 66 | 6004VV | 8.55 | 10.17 | |
| Druckmutter M12sa2 | ||||
| 67 | 325186 | 5.40 | 6.43 | |
| Lagerdeckel | ||||
| 68 | 325185 | 12.75 | 15.17 | |
| LAGER DEKSEL | ||||
| 68A | 379689 | 2.94 | 3.50 | |
| Haltefeder | ||||
| 69 | 325183 | 1.05 | 1.25 | |
| Druckknopf | ||||
| 70 | 325182 | 1.95 | 2.32 | |
| Keine Informationen verfügbar, nicht bestellbar | ||||
| 71 | 325199 | |||
| Keine Informationen verfügbar, nicht bestellbar | ||||
| 71B | 325199 | |||
| Spezialbolzen M12sa2 | ||||
| 72 | 325189 | 7.95 | 9.46 | |
| Ring | ||||
| 73 | 325188 | 1.05 | 1.25 | |
| Keine Informationen verfügbar, nicht bestellbar | ||||
| 74 | 325210 | |||
| Keine Informationen verfügbar, nicht bestellbar | ||||
| 75 | 325215 | |||
| Keine Informationen verfügbar, nicht bestellbar | ||||
| 75A | 339381 | |||
| Inbusschraube M5x25 (10st) | ||||
| 76 | 949662 | 2.10 | 2.50 | |
| Mutter M5 (schwarz) C13u/m8v/m12v | ||||
| 77 | 302012 | 1.05 | 1.25 | |
| Anschlag M12sa2 | ||||
| 78 | 325181 | 4.80 | 5.71 | |
| Kopfschraube M4x8 M.u-scheibe (schwarz) | ||||
| 79 | 317200 | 1.65 | 1.96 | |
| Scheibe (b) C6dd/vb13y/vb16y | ||||
| 80 | 962569 | 1.05 | 1.25 | |
| Feder (a) M8/m8v/m12sa7m12v | ||||
| 81 | 971858 | 1.05 | 1.25 | |
| Inbusschraube M5x12 (10st) | ||||
| 82 | 949765 | 2.55 | 3.03 | |
| Bolzen | ||||
| 83 | 325178 | 3.90 | 4.64 | |
| Mutter M8 (10st) | ||||
| 84 | 949558 | 1.05 | 1.25 | |
| Grundplatte | ||||
| 85 | 325206 | 43.86 | 52.20 | |
| Gleitplatte M12sa2 | ||||
| 86 | 325179 | 6.75 | 8.03 | |
| Senkkopfschraube M5x14 Selbstsi. Nicht mehr liefe | ||||
| 87 | 992013 | 1.05 | 1.25 | |
| Führungshülse M12sa2 | ||||
| 88 | 325211 | 12.75 | 15.17 | |
| Kopfschraube M5x 6 (10st) | ||||
| 89 | 949234 | 1.05 | 1.25 | |
| Keine Informationen verfügbar, nicht bestellbar | ||||
| 90 | 956790 | |||
| Flügelschraube M6x15, C8fshe, C8fse | ||||
| 91 | 301806 | 1.05 | 1.25 | |
| Feder M8/m8v/m12sa/m12v, C8fse | ||||
| 92 | 947859 | 1.04 | 1.23 | |
| Filzring | ||||
| 93 | 323426 | 1.50 | 1.78 | |
| Keine Informationen verfügbar, nicht bestellbar | ||||
| 501 | 956797 | |||
| Keine Informationen verfügbar, nicht bestellbar | ||||
| 502 | 325216 | |||
| Flügelschraube M6x15, C8fshe, C8fse | ||||
| 503 | 301806 | 1.05 | 1.25 | |
| Keine Informationen verfügbar, nicht bestellbar | ||||
| 504 | 323295 | |||
| Keine Informationen verfügbar, nicht bestellbar | ||||
| 505 | 325212 | |||
| Keine Informationen verfügbar, nicht bestellbar | ||||
| 506 | 325223 | |||
| Keine Informationen verfügbar, nicht bestellbar | ||||
| 507 | 325224 | |||
| Keine Informationen verfügbar, nicht bestellbar | ||||
| 508 | 325217 | |||
| STAAFHOUDER (OUD 325217) | ||||
| 508A | 382120 | 4.56 | 5.43 | |
| Flügelschraube M6x10 (10st) | ||||
| 509 | 949394 | 7.05 | 8.39 | |
| Schraube | ||||
| 510 | 956793 | 5.25 | 6.25 | |
| Keine Informationen verfügbar, nicht bestellbar | ||||
| 601 | 956803 | |||
| Keine Informationen verfügbar, nicht bestellbar | ||||
| 602 | 956802 | |||
| Keine Informationen verfügbar, nicht bestellbar | ||||
| 603 | 956801 | |||
| Keine Informationen verfügbar, nicht bestellbar | ||||
| 604 | 956806 | |||
| Keine Informationen verfügbar, nicht bestellbar | ||||
| 605 | 956805 | |||
| Keine Informationen verfügbar, nicht bestellbar | ||||
| 606 | 956804 | |||
| Keine Informationen verfügbar, nicht bestellbar | ||||
| 607 | 312273 | |||
| Keine Informationen verfügbar, nicht bestellbar | ||||
| 608 | 956810 | |||
| Keine Informationen verfügbar, nicht bestellbar | ||||
| 609 | 956809 | |||
| Keine Informationen verfügbar, nicht bestellbar | ||||
| 610 | 313765 | |||
| Keine Informationen verfügbar, nicht bestellbar | ||||
| 611 | 956813 | |||
| Keine Informationen verfügbar, nicht bestellbar | ||||
| 612 | 956812 | |||
| Keine Informationen verfügbar, nicht bestellbar | ||||
| 613 | 956811 | |||
| Keine Informationen verfügbar, nicht bestellbar | ||||
| 614 | 956814 | |||
| Keine Informationen verfügbar, nicht bestellbar | ||||
| 615 | 956816 | |||
| Keine Informationen verfügbar, nicht bestellbar | ||||
| 616 | 956815 | |||
| Keine Informationen verfügbar, nicht bestellbar | ||||
| 617 | 956928Z | |||
| Keine Informationen verfügbar, nicht bestellbar | ||||
| 618 | 956931Z | |||
| Keine Informationen verfügbar, nicht bestellbar | ||||
| 619 | 956759 | |||
| Keine Informationen verfügbar, nicht bestellbar | ||||
| 620 | 323298 | |||
| Keine Informationen verfügbar, nicht bestellbar | ||||
| 621 | 323299 | |||
| Keine Informationen verfügbar, nicht bestellbar | ||||
| 622 | 303348 | |||
| Keine Informationen verfügbar, nicht bestellbar | ||||
| 623 | 303349 | |||
| Keine Informationen verfügbar, nicht bestellbar | ||||
| 624 | 303350 | |||
| Keine Informationen verfügbar, nicht bestellbar | ||||
| 625 | 323301 | |||
| Keine Informationen verfügbar, nicht bestellbar | ||||
| 626 | 303352 | |||
| Keine Informationen verfügbar, nicht bestellbar | ||||
| 627 | 323302 | |||
| Keine Informationen verfügbar, nicht bestellbar | ||||
| 628 | 303353 | |||
| Keine Informationen verfügbar, nicht bestellbar | ||||
| 629 | 956932 | |||
| Keine Informationen verfügbar, nicht bestellbar | ||||
| 630 | 323303 | |||
| Keine Informationen verfügbar, nicht bestellbar | ||||
| 631 | 323304 | |||
| Keine Informationen verfügbar, nicht bestellbar | ||||
| 632 | 303354 | |||
| Keine Informationen verfügbar, nicht bestellbar | ||||
| 633 | 956933 | |||
| Keine Informationen verfügbar, nicht bestellbar | ||||
| 634 | 956934 | |||
| Keine Informationen verfügbar, nicht bestellbar | ||||
| 635 | 303355 | |||
| Keine Informationen verfügbar, nicht bestellbar | ||||
| 636 | 956794 | |||
| Keine Informationen verfügbar, nicht bestellbar | ||||
| 637 | 307801 | |||