Hier finden Sie alle verfügbaren Teile und Zeichnungen der 'Hikoki M6SB'. Von hier aus können Sie alle gewünschten Teile direkt bestellen. Viele Teile müssen je nach Marke beim Hersteller bestellt werden, dies dauert ein bis vier Wochen. Alle Informationen, die wir haben, befinden sich auf unserer Website. Wir können Sie nicht beraten, was Sie benötigen. Dazu müssen Sie die Maschine zur Reparatur zurücksenden. Bitte beachten Sie bei der Bestellung Folgendes:
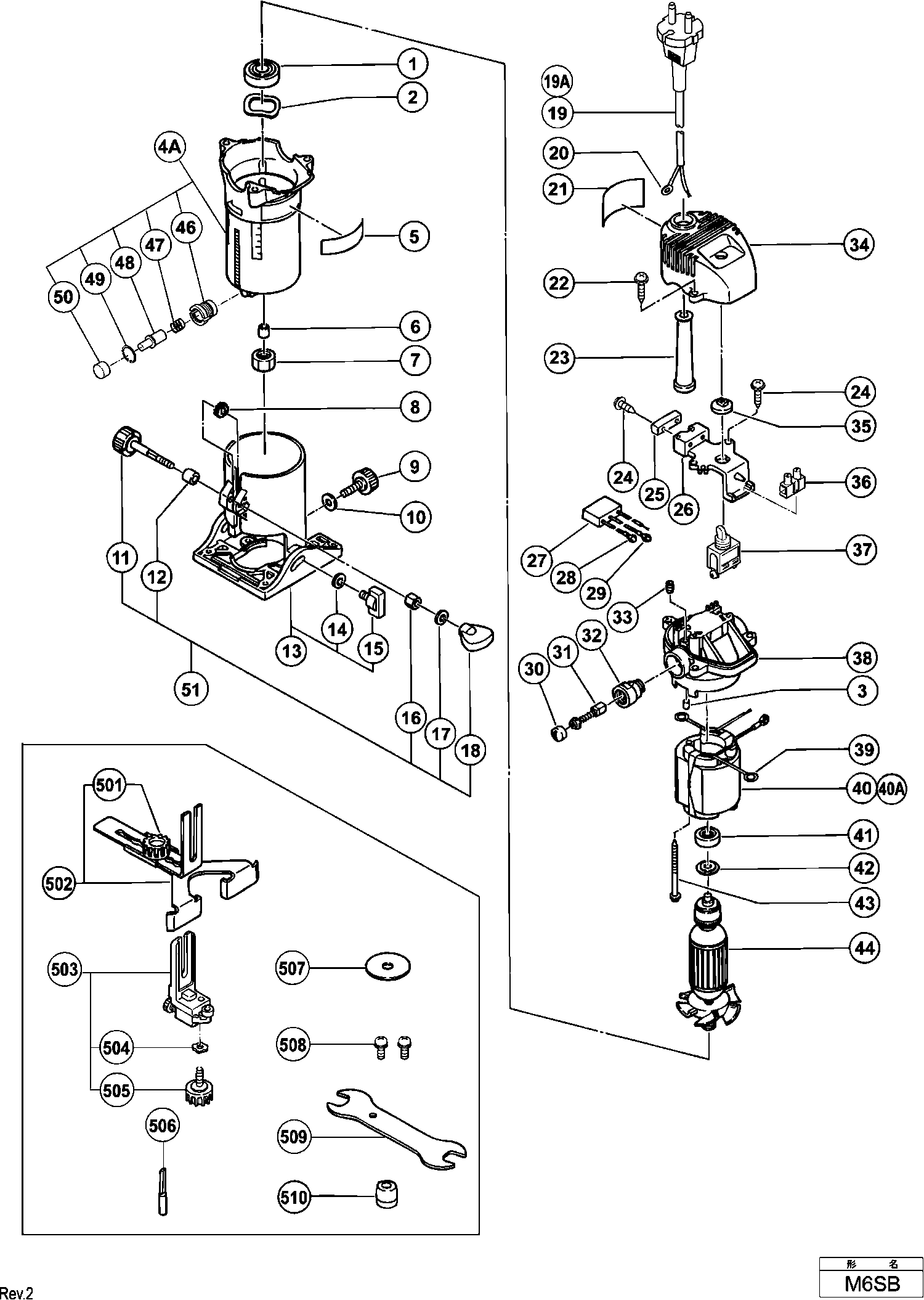
Zeichnungen der Hikoki M6SB
Teileliste der Hikoki M6SB
| Pos. | Beschreibung | Preis ohne MwSt | Preis inkl. MwSt | |
| Die angegebenen Preise enthalten die Mehrwertsteuer | ||||
| Keine Informationen verfügbar, nicht bestellbar | ||||
| *19 | 500439Z | |||
| Keine Informationen verfügbar, nicht bestellbar | ||||
| *19A | 500455Z | |||
| Kabelknickschutz D8.8 Div.typen, Cm5sb | ||||
| *23 | 380090 | 1.04 | 1.24 | |
| Kabelknickschutz D10.1 Div.typen, C8fshe, C8fse | ||||
| *23 | 938051 | 1.04 | 1.23 | |
| Nicht mehr lieferbar, kein Ersatz | ||||
| *37 | 955509 | |||
| Stator 220v-230v H90sa Includ.103 Für Nzl,saf | ||||
| *40 | 340374L | 67.10 | 79.85 | |
| Stator Ass'y 240v Includ.103 | ||||
| *40 | 340374H | 61.05 | 72.65 | |
| Anker 230v | ||||
| *44 | 360428E | 148.78 | 177.04 | |
| Keine Informationen verfügbar, nicht bestellbar | ||||
| *6 | 960114 | |||
| Kugellager 6002 Dd | ||||
| 1 | 6002DD | 7.05 | 8.39 | |
| Scheibe (1) | ||||
| 2 | 961489 | 1.05 | 1.25 | |
| GUMMISTIFT | ||||
| 3 | 931701 | 1.05 | 1.25 | |
| Gehäusebaugruppe einschl.46-50 | ||||
| 4A | 314026 | 52.53 | 62.50 | |
| Keine Informationen verfügbar, nicht bestellbar | ||||
| 6 | 960114 | |||
| Mutter | ||||
| 7 | 960096 | 3.30 | 3.93 | |
| Ritzel | ||||
| 8 | 314019 | 2.55 | 3.03 | |
| Knopfbolzen M6x11 | ||||
| 9 | 993609 | 1.65 | 1.96 | |
| Ring | ||||
| 10 | 961482 | 1.05 | 1.25 | |
| Knopfbolzen (b) | ||||
| 11 | 314018 | 5.25 | 6.25 | |
| Distanzbuchse | ||||
| 12 | 961469 | 1.80 | 2.14 | |
| Basisplattenbaugruppe einschl.14,15 | ||||
| 13 | 314017 | 67.10 | 79.85 | |
| Unterlegscheibe M6 (10st), C 8fshe, C8fse, Cg18dl | ||||
| 14 | 949432 | 1.05 | 1.25 | |
| Flügelschraube (a) C18dmr | ||||
| 15 | 308364 | 1.05 | 1.25 | |
| Sechskantbuchse | ||||
| 16 | 314029 | 1.95 | 2.32 | |
| Unterlegscheibe M5.5 | ||||
| 17 | 310386 | 1.05 | 1.25 | |
| Flügelmutter M5 | ||||
| 18 | 314020 | 2.40 | 2.86 | |
| Kabel 2,5 M C7mfa (cord Armor D8.8) For Gbr (110v | ||||
| 19 | 500237Z | 11.40 | 13.57 | |
| Kabel G13va (cord Armor D8.8) For Gbr (110v) | ||||
| 19A | 500461Z | 17.88 | 21.27 | |
| Anschlussklemme | ||||
| 20 | 980063 | 1.04 | 1.23 | |
| Schneidschraube D4x25 Mit Flansch (schwarz), H41m | ||||
| 22 | 307028 | 1.05 | 1.25 | |
| Kabelknickschutz D8.8 Div.typen, Cm5sb | ||||
| 23 | 380090 | 1.04 | 1.24 | |
| Kabelknickschutz D10.1 Div.typen, C8fshe, C8fse | ||||
| 23 | 938051 | 1.04 | 1.23 | |
| Keine Informationen verfügbar, nicht bestellbar | ||||
| 24 | 984750 | |||
| Kabelklemme Div.typen, C8fshe, Cm5sb, C8fse | ||||
| 25 | 937631 | 1.04 | 1.23 | |
| Keine Informationen verfügbar, nicht bestellbar | ||||
| 26 | 314021 | |||
| Kondensator Div.typen | ||||
| 27 | 994273 | 4.29 | 5.10 | |
| Anschlussklemme | ||||
| 28 | 980063 | 1.04 | 1.23 | |
| Kabelschuh 50051 (10st) Div.typen For Noise Suppr | ||||
| 29 | 959144 | 3.00 | 3.57 | |
| Kohlenkappe Cn16/d10ya/dh20v u.a. | ||||
| 30 | 937847 | 1.65 | 1.96 | |
| Nicht mehr lieferbar, kein Ersatz | ||||
| 31 | 999021 | |||
| Kohlekasten Zsb | ||||
| 32 | 937846 | 3.30 | 3.93 | |
| Inbusstiftschraube M5x8, C8fshe, C8fse, H41mb,g23 | ||||
| 33 | 938477 | 1.05 | 1.25 | |
| Kopfabdeckung | ||||
| 34 | 314028 | 15.81 | 18.82 | |
| Gummikappe Dh22vd/dh24pd/vd | ||||
| 35 | 314016 | 1.05 | 1.25 | |
| Schraubklemme 1-reihig Div.typen Till 10.1999 For | ||||
| 36 | 938307 | 2.13 | 2.53 | |
| SCHAKELAAR | ||||
| 37 | 314603 | 11.88 | 14.14 | |
| Stator Halter Including Parts 32, 33 | ||||
| 38 | 314027 | 25.44 | 30.27 | |
| Kohlenhalterklemme Cn16 u.a. For Aus | ||||
| 39 | 930630 | 1.35 | 1.61 | |
| Stator 220v-230v H90sa Includ.103 Für Nzl,saf | ||||
| 40 | 340374L | 67.10 | 79.85 | |
| Stator Ass'y 240v Includ.103 | ||||
| 40 | 340374H | 61.05 | 72.65 | |
| STATOR ASS'Y 110 VOLT | ||||
| 40A | 340374M | 62.64 | 74.54 | |
| Kugellager 627 Vvm | ||||
| 41 | 627VVM | 5.55 | 6.60 | |
| Unterlegscheibe | ||||
| 42 | 960111 | 1.50 | 1.78 | |
| Keine Informationen verfügbar, nicht bestellbar | ||||
| 43 | 963388 | |||
| Anker 230v | ||||
| 44 | 360428E | 148.78 | 177.04 | |
| Hülse (a) M8 | ||||
| 46 | 321207 | 4.80 | 5.71 | |
| Feder (1) | ||||
| 47 | 321206 | 1.65 | 1.96 | |
| Spannstift | ||||
| 48 | 321204 | 3.30 | 3.93 | |
| Federscheibe | ||||
| 49 | 321205 | 1.65 | 1.96 | |
| Drucktaste | ||||
| 50 | 321203 | 1.65 | 1.96 | |
| Knopfbolzen (b) Ass'y Inkl.11,12,16-18 | ||||
| 51 | 325506 | 17.05 | 20.29 | |
| Knopfbolzen M6x17 M8/m8v/m12sa/v | ||||
| 501 | 960058 | 1.65 | 1.96 | |
| Keine Informationen verfügbar, nicht bestellbar | ||||
| 502 | 960104 | |||
| Keine Informationen verfügbar, nicht bestellbar | ||||
| 503 | 314613 | |||
| Keine Informationen verfügbar, nicht bestellbar | ||||
| 503A | 377127 | |||
| Unterlegscheibe | ||||
| 504 | 960092 | 1.05 | 1.25 | |
| Knopfbolzen M6x17 M8/m8v/m12sa/v | ||||
| 505 | 960058 | 1.65 | 1.96 | |
| Keine Informationen verfügbar, nicht bestellbar | ||||
| 506 | 971878 | |||
| Keine Informationen verfügbar, nicht bestellbar | ||||
| 507 | 961478 | |||
| Kopfschraube M4x8 M.u-scheibe For Ind | ||||
| 508 | 976815 | 1.05 | 1.25 | |
| Keine Informationen verfügbar, nicht bestellbar | ||||
| 509 | 931161 | |||
| Keine Informationen verfügbar, nicht bestellbar | ||||
| 510 | 960095 | |||
| Keine Informationen verfügbar, nicht bestellbar | ||||
| 601 | 314626 | |||