Hier finden Sie alle verfügbaren Teile und Zeichnungen der 'Hikoki RB36DA'. Von hier aus können Sie alle gewünschten Teile direkt bestellen. Viele Teile müssen je nach Marke beim Hersteller bestellt werden, dies dauert ein bis vier Wochen. Alle Informationen, die wir haben, befinden sich auf unserer Website. Wir können Sie nicht beraten, was Sie benötigen. Dazu müssen Sie die Maschine zur Reparatur zurücksenden. Bitte beachten Sie bei der Bestellung Folgendes:
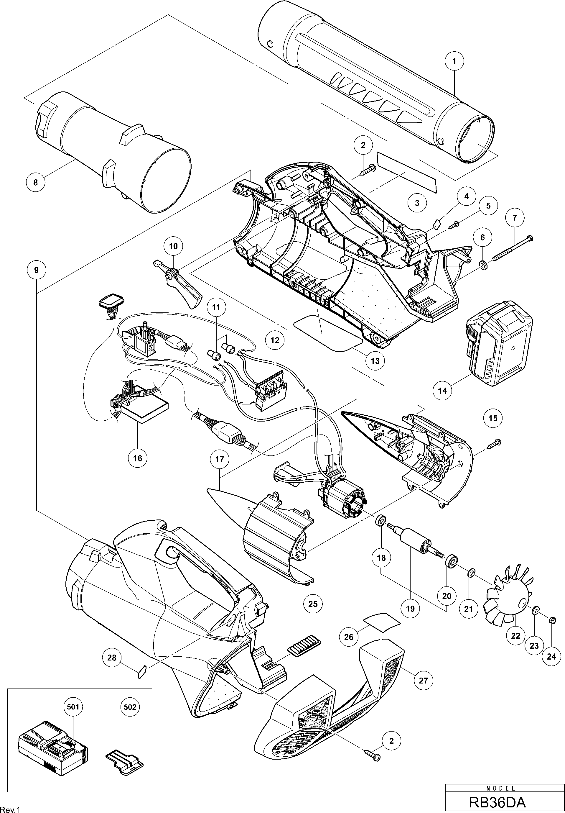
Zeichnungen der Hikoki RB36DA
Teileliste der Hikoki RB36DA
| Pos. | Beschreibung | Preis ohne MwSt | Preis inkl. MwSt | |
| Die angegebenen Preise enthalten die Mehrwertsteuer | ||||
| Abdeckkappe für Batterie | ||||
| *502 | 329897 | 1.80 | 2.14 | |
| Blaspistole | ||||
| 1 | 6698393 | 10.35 | 12.32 | |
| Schneidschraube D5x20 M.flansch H41mb | ||||
| 2 | 302089 | 1.05 | 1.25 | |
| Schneidschraube D3x16 Mit Flansch (schwarz) Dv18d | ||||
| 5 | 313687 | 1.04 | 1.23 | |
| Unterlegscheibe M5 (10st) | ||||
| 6 | 949424 | 1.05 | 1.25 | |
| Schneidschraube D5x70 | ||||
| 7 | 961400 | 1.04 | 1.23 | |
| Rohr | ||||
| 8 | 335198 | 4.20 | 5.00 | |
| Gehäuse (a)+(b) Set | ||||
| 9 | 373163 | 56.93 | 67.74 | |
| Gehäuse (a)+(b) Set | ||||
| 9A | 373163 | 56.93 | 67.74 | |
| Keine Informationen verfügbar, nicht bestellbar | ||||
| 10 | 335199 | |||
| Verbinder 50092 (10st) Div.typen (usa, Can), C8fs | ||||
| 11 | 959141 | 3.75 | 4.46 | |
| BATTERIEANSCHLUSS | ||||
| 12 | 372228 | 8.25 | 9.82 | |
| BATTERY TERMINAL NEW | ||||
| 12A | 379931 | 5.28 | 6.28 | |
| Keine Informationen verfügbar, nicht bestellbar | ||||
| 14 | 371750 | |||
| Schneidschraube D4x20 Mit Flansch (schwarz), C8fs | ||||
| 15 | 301653 | 1.04 | 1.23 | |
| Keine Informationen verfügbar, nicht bestellbar | ||||
| 16 | 373113 | |||
| STATOR FET PCB ASS'Y (OUD 341056) | ||||
| 16B | 341213 | 148.61 | 176.85 | |
| Motorgehäuse-Set | ||||
| 17 | 336097 | 17.05 | 20.29 | |
| Kugellager 625dd | ||||
| 18 | 333826 | 5.10 | 6.07 | |
| Keine Informationen verfügbar, nicht bestellbar | ||||
| 19 | 335194 | |||
| ROTORVERSAMMLUNG (ALT 335194) | ||||
| 19B | 375677 | 41.66 | 49.58 | |
| Kugellager 607vvc | ||||
| 20 | 607VVC | 5.70 | 6.78 | |
| KOGELLAGER 607VVC2 | ||||
| 20A | 381409 | 1.00 | 1.19 | |
| Bolzen Unterlegscheibe D7 | ||||
| 21 | 6696880 | 1.05 | 1.25 | |
| Ventilator (1) | ||||
| 22 | 335195 | 2.40 | 2.86 | |
| Distanzscheibe G18u/ua/ub u.a. | ||||
| 23 | 329929 | 1.80 | 2.14 | |
| Mutter M5 | ||||
| 24 | 308387 | 1.05 | 1.25 | |
| Batterie-Gummi (b) | ||||
| 25 | 370328 | 1.95 | 2.32 | |
| Keine Informationen verfügbar, nicht bestellbar | ||||
| 26 | 336099 | |||
| Frontgrill | ||||
| 27 | 335196 | 12.45 | 14.82 | |
| WIRING ASS'Y SET (OUD 375678) | ||||
| 29A | 382862 | 162.96 | 193.92 | |
| Abdeckkappe für Batterie | ||||
| 502 | 329897 | 1.80 | 2.14 | |
| Keine Informationen verfügbar, nicht bestellbar | ||||
| 601 | 6699184 | |||