Hier finden Sie alle verfügbaren Teile und Zeichnungen der 'Hikoki RB40SA'. Von hier aus können Sie alle gewünschten Teile direkt bestellen. Viele Teile müssen je nach Marke beim Hersteller bestellt werden, dies dauert ein bis vier Wochen. Alle Informationen, die wir haben, befinden sich auf unserer Website. Wir können Sie nicht beraten, was Sie benötigen. Dazu müssen Sie die Maschine zur Reparatur zurücksenden. Bitte beachten Sie bei der Bestellung Folgendes:
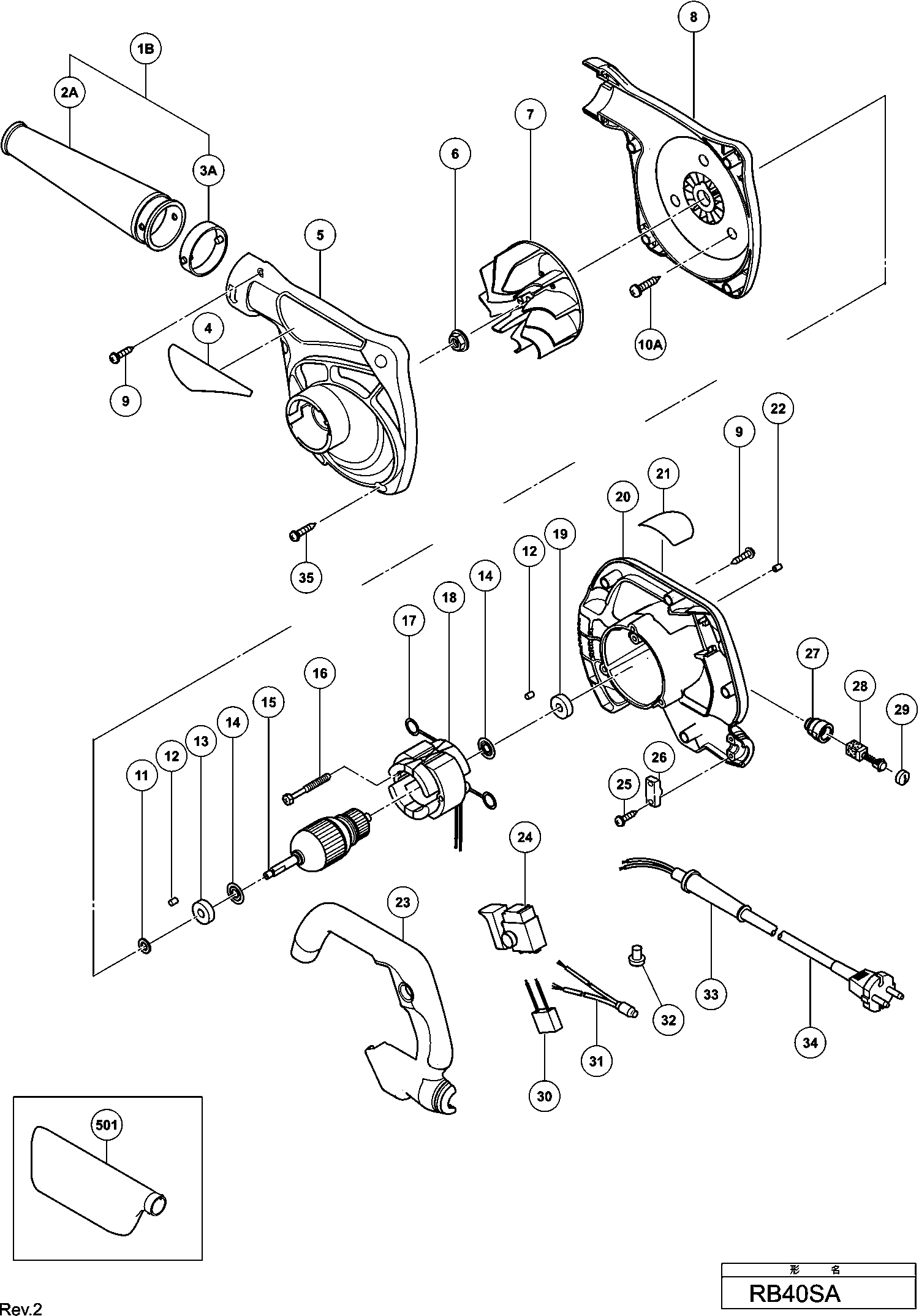
Zeichnungen der Hikoki RB40SA
Teileliste der Hikoki RB40SA
| Pos. | Beschreibung | Preis ohne MwSt | Preis inkl. MwSt | |
| Die angegebenen Preise enthalten die Mehrwertsteuer | ||||
| Anker 230v | ||||
| *15 | 360683E | 64.63 | 76.90 | |
| Stator 220v-230v H90sa Includ.103 Für Nzl,saf | ||||
| *18 | 340602H | 64.63 | 76.90 | |
| SNOER 2.5M 2 X 1.0 H05VV-F W/PLUG 13A/250V (OLD 50 | ||||
| *34 | 500423Z | 12.87 | 15.32 | |
| Anschlusskabel (cord Armor D8.8) For Pan | ||||
| *34 | 500447Z | 6.60 | 7.85 | |
| Keine Informationen verfügbar, nicht bestellbar | ||||
| *34A | 334187 | |||
| Keine Informationen verfügbar, nicht bestellbar | ||||
| *501 | 323587M | |||
| Keine Informationen verfügbar, nicht bestellbar | ||||
| 1B | 323582 | |||
| Halter (a) Rb40va | ||||
| 3A | 323583 | 2.10 | 2.50 | |
| Keine Informationen verfügbar, nicht bestellbar | ||||
| 5 | 323573 | |||
| U-Mutter M6 | ||||
| 6 | 323572 | 4.35 | 5.18 | |
| Luefter | ||||
| 7 | 323571 | 28.60 | 34.03 | |
| Gehäuse Für Lüfter (rechts) | ||||
| 8 | 323570 | 28.60 | 34.03 | |
| Schneidschraube D4x20 Mit Flansch (schwarz), C8fs | ||||
| 9 | 301653 | 1.04 | 1.23 | |
| Blechschraube (mit Flansch) D5x30 (schwarz) | ||||
| 10A | 333713 | 1.80 | 2.14 | |
| Nicht mehr lieferbar, kein Ersatz | ||||
| 11 | 930079 | |||
| GUMMISTIFT | ||||
| 12 | 931701 | 1.05 | 1.25 | |
| Kugellager 608ddw | ||||
| 13 | 608DDW | 7.95 | 9.46 | |
| Unterlegscheibe (a) Cr17y/dh20pb H30pv/dh30pc/h45 | ||||
| 14 | 982631 | 1.04 | 1.23 | |
| Anker 230v | ||||
| 15 | 360683E | 64.63 | 76.90 | |
| HEX.HD. TAPSCHROEF D5X40 | ||||
| 16 | 980864 | 1.00 | 1.19 | |
| Kohlenhalterklemme Cn16 u.a. For Aus | ||||
| 17 | 930630 | 1.35 | 1.61 | |
| Keine Informationen verfügbar, nicht bestellbar | ||||
| 18 | 340602L | |||
| Kugellager 608ddw | ||||
| 19 | 608DDW | 7.95 | 9.46 | |
| Gehäuse | ||||
| 20 | 323576 | 70.40 | 83.78 | |
| Inbusstiftschraube M5x8, C8fshe, C8fse, H41mb,g23 | ||||
| 22 | 938477 | 1.05 | 1.25 | |
| Handgriffabdeckung Rb40va | ||||
| 23 | 324054 | 40.35 | 48.02 | |
| Schalter | ||||
| 24 | 323575 | 27.50 | 32.72 | |
| Keine Informationen verfügbar, nicht bestellbar | ||||
| 25 | 984750 | |||
| Kabelklemme Div.typen, Cm9uby, G23ss | ||||
| 26 | 960266 | 1.04 | 1.23 | |
| Kohlekasten Zsb | ||||
| 27 | 957571 | 2.40 | 2.86 | |
| Nicht mehr lieferbar, kein Ersatz | ||||
| 28 | 999021 | |||
| Kohlekappe G12sa/g13sb u.a. Cl10sa, C8fshe, C8fse | ||||
| 29 | 931266 | 1.04 | 1.23 | |
| Kondensator C6u-c13u u.a., C 8fshe | ||||
| 30 | 930039 | 1.95 | 2.32 | |
| Keine Informationen verfügbar, nicht bestellbar | ||||
| 31 | 303837 | |||
| Verbinder 50092 (10st) Div.typen (usa, Can), C8fs | ||||
| 32 | 959141 | 3.75 | 4.46 | |
| Kabelknickschutz D7.2 Fdv15v u.a. | ||||
| 33 | 307217 | 1.05 | 1.25 | |
| SNOER 2.5M 2 X 1.0 H05VV-F W/PLUG 13A/250V (OLD 50 | ||||
| 34 | 500423Z | 12.87 | 15.32 | |
| Anschlusskabel (cord Armor D8.8) For Pan | ||||
| 34 | 500447Z | 6.60 | 7.85 | |
| Keine Informationen verfügbar, nicht bestellbar | ||||
| 34A | 334187 | |||
| Schneidschraube D4x25 M.flansch | ||||
| 35 | 306999 | 1.04 | 1.23 | |
| Keine Informationen verfügbar, nicht bestellbar | ||||
| 501 | 323587 | |||
| Keine Informationen verfügbar, nicht bestellbar | ||||
| 601 | 323588 | |||
| Keine Informationen verfügbar, nicht bestellbar | ||||
| 602 | 323584 | |||
| Keine Informationen verfügbar, nicht bestellbar | ||||
| 603 | 323585 | |||
| Keine Informationen verfügbar, nicht bestellbar | ||||
| 604 | 323586 | |||
| Keine Informationen verfügbar, nicht bestellbar | ||||
| 605 | 317124 | |||
| Keine Informationen verfügbar, nicht bestellbar | ||||
| 606 | 317123 | |||
| Ansatzrohr (b) | ||||
| 607 | 990046 | 3.75 | 4.46 | |