Hier finden Sie alle verfügbaren Teile und Zeichnungen der 'Hikoki SAT180'. Von hier aus können Sie alle gewünschten Teile direkt bestellen. Viele Teile müssen je nach Marke beim Hersteller bestellt werden, dies dauert ein bis vier Wochen. Alle Informationen, die wir haben, befinden sich auf unserer Website. Wir können Sie nicht beraten, was Sie benötigen. Dazu müssen Sie die Maschine zur Reparatur zurücksenden. Bitte beachten Sie bei der Bestellung Folgendes:
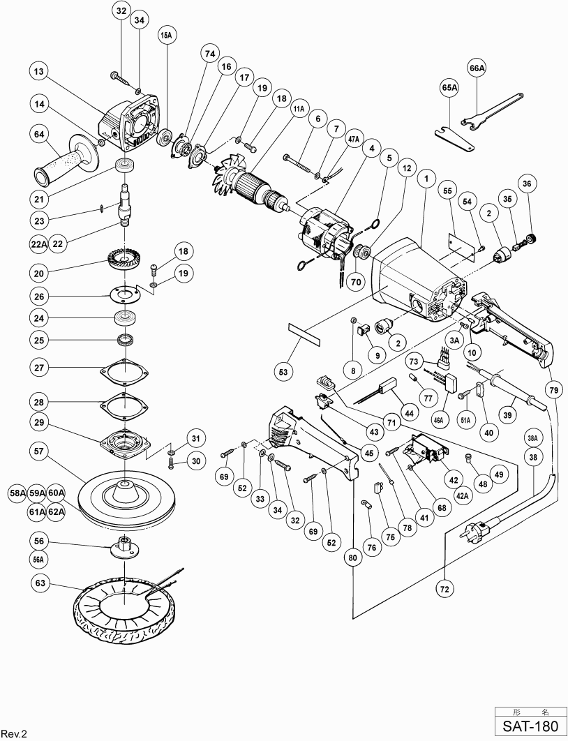
Zeichnungen der Hikoki SAT180
Teileliste der Hikoki SAT180
| Pos. | Beschreibung | Preis ohne MwSt | Preis inkl. MwSt | |
| Die angegebenen Preise enthalten die Mehrwertsteuer | ||||
| Gehaeuse | ||||
| 1 | 953230 | 24.61 | 29.29 | |
| Kohlekasten Zsb | ||||
| 2 | 958900 | 6.45 | 7.68 | |
| Kohlekasten Zsb | ||||
| 2 | 981586 | 6.45 | 7.68 | |
| Inbusschraube M4x5 | ||||
| 3A | 961681 | 1.04 | 1.23 | |
| Stator 230v Sat180 Includ.5 For Europe | ||||
| 4 | 953231L | 21.18 | 25.20 | |
| Stator 220v-230v H90sa Includ.103 Für Nzl,saf | ||||
| 4 | 953231E | 21.04 | 25.03 | |
| Stator Ass'y 240v Includ.103 | ||||
| 4 | 953231F | 21.04 | 25.03 | |
| Kohlenhalterklemme Dh28y u.a. H30pv/vb16y/dh30pc/ | ||||
| 5 | 930703 | 2.40 | 2.86 | |
| MACHINESCHROEF M5X55 (10 STUKS) | ||||
| 6 | 949233 | 1.62 | 1.93 | |
| Mutter M5 (10 Stück) (ALT 949555Z | ||||
| 8 | 949555 | 1.05 | 1.25 | |
| Mutterabdeckung Sat180 | ||||
| 9 | 953232 | 1.05 | 1.25 | |
| GUMMISTIFT | ||||
| 10 | 931701 | 1.05 | 1.25 | |
| Anker 230v Sat180 Includ.12,15a,70 | ||||
| 11A | 953297E | 63.25 | 75.27 | |
| Anker Ass'y 240 Volt (alte 953262f) | ||||
| 11A | 953297F | 62.98 | 74.94 | |
| Kugellager 608 Vvm, C8fshe, Cm5sb, C8fse, H41mb | ||||
| 12 | 608VVM | 5.70 | 6.78 | |
| Getriebedeckel | ||||
| 13 | 953234 | 12.00 | 14.28 | |
| Filzscheibe G18sc/g23sa/u.a G23ss | ||||
| 14 | 937033 | 1.04 | 1.23 | |
| Kugellager 6002 Vv C7mfa | ||||
| 15A | 6002VV | 7.35 | 8.75 | |
| Filzpackung (a) Sat180/g13sc | ||||
| 16 | 953235 | 1.04 | 1.23 | |
| Ring | ||||
| 17 | 953236 | 1.04 | 1.23 | |
| Kopfschraube M4x12 (10st),c8fshe, C8fse | ||||
| 18 | 949217 | 1.05 | 1.25 | |
| Federscheibe M4 (10st) | ||||
| 19 | 949453 | 1.05 | 1.25 | |
| Getriebe Sat180 | ||||
| 20 | 953237 | 35.06 | 41.72 | |
| Kugellager 6200 Vv | ||||
| 21 | 6200VV | 6.15 | 7.32 | |
| Gelenkwelle (a) | ||||
| 22 | 953238Z | 11.58 | 13.77 | |
| Keine Informationen verfügbar, nicht bestellbar | ||||
| 22A | 953380 | |||
| Keil 3x3x10 G13sc/g15sa u.a. | ||||
| 23 | 940533 | 1.20 | 1.43 | |
| Kugellager 6202 Vv | ||||
| 24 | 6202VV | 7.05 | 8.39 | |
| Filzdichtung G13sc/g15sa | ||||
| 25 | 938403 | 1.04 | 1.23 | |
| Lagerdeckel | ||||
| 26 | 937077 | 2.78 | 3.30 | |
| Dichtung | ||||
| 27 | 953239 | 1.05 | 1.25 | |
| Unterlegscheibe Sat180 | ||||
| 28 | 953240 | 1.05 | 1.25 | |
| Getriebedeckel Sat180 | ||||
| 29 | 953241 | 7.30 | 8.69 | |
| Maschinenschraube M5X16 (10 Stücke) | ||||
| 30 | 949239 | 1.05 | 1.25 | |
| Keine Informationen verfügbar, nicht bestellbar | ||||
| 32 | 937807 | |||
| Unterlegscheibe M5 (10st) | ||||
| 33 | 949424 | 1.05 | 1.25 | |
| Federscheibe M5 (10st), C8fshe, C8fse | ||||
| 34 | 949454 | 1.04 | 1.23 | |
| Kohlenbürsten (paar) H41mb | ||||
| 35 | 999043 | 4.50 | 5.36 | |
| Kohlenkappe C6u/cr12v u.a.. | ||||
| 36 | 961781 | 2.55 | 3.03 | |
| Kohlenkappe C6u/c7u u.a. H30pv/dh30pc/ H41mb/ G23 | ||||
| 36 | 945161 | 1.20 | 1.43 | |
| Schnur | ||||
| 38 | 500240Z | 13.18 | 15.68 | |
| SNOER 2.5M 2 X 1.0 H05VV-F W/PLUG 13A/250V (OLD 50 | ||||
| 38 | 500423Z | 12.87 | 15.32 | |
| Anschlusskabel (cord Armor D8.8) For Pan | ||||
| 38 | 500447Z | 6.60 | 7.85 | |
| Nicht mehr lieferbar, kein Ersatz | ||||
| 38A | 500435Z | |||
| Kabelknickschutz D10.7 Div.typen, Cm9by, H41mb, G | ||||
| 39 | 940778 | 2.10 | 2.50 | |
| Kabelknickschutz D8.2 Div.typen H41mb, G23ss | ||||
| 39 | 958049 | 1.04 | 1.23 | |
| Kabelklemme Div.typen, C8fshe, Cm5sb, C8fse | ||||
| 40 | 937631 | 1.04 | 1.23 | |
| Schraube | ||||
| 41 | 954017 | 1.04 | 1.23 | |
| Schalter F30a/g13sc/p50 u.a For Ita,hol,swe,aut,n | ||||
| 42 | 931573 | 40.43 | 48.11 | |
| Schalter F30a (ab 5.1996) For Can | ||||
| 42 | 953249P | 23.93 | 28.47 | |
| Schalter (a) für G18y/f30a | ||||
| 42 | 986201 | 16.64 | 19.80 | |
| Schalter (alt 956632H) | ||||
| 42A | 956632 | 16.64 | 19.80 | |
| Schalter | ||||
| 43 | 953261 | 13.50 | 16.06 | |
| Schiebeschalter Ass'y (1p Löten Typ | ||||
| 43 | 953266Z | 10.95 | 13.03 | |
| Diodeneinheit Sat180 | ||||
| 44 | 957556 | 17.88 | 21.27 | |
| DIODE 100V-127V | ||||
| 44 | 956613 | 14.90 | 17.73 | |
| Verbinderkabel | ||||
| 45 | 953243 | 1.04 | 1.23 | |
| Kondensator Div.typen | ||||
| 46A | 994273 | 4.29 | 5.10 | |
| BEDRADING | ||||
| 47A | 981010 | 1.00 | 1.19 | |
| Verbinder 50091 (10st) Div.typen | ||||
| 48 | 959140 | 3.30 | 3.93 | |
| Verbinder 50092 (10st) Div.typen (usa, Can), C8fs | ||||
| 49 | 959141 | 3.75 | 4.46 | |
| Keine Informationen verfügbar, nicht bestellbar | ||||
| 51A | 984750 | |||
| Unterlegscheibe M4 (10st) | ||||
| 52 | 949423 | 1.05 | 1.25 | |
| Keine Informationen verfügbar, nicht bestellbar | ||||
| 53 | 957561 | |||
| NAGEL D2.5X3.2 (10 STKS.) | ||||
| 54 | 949509 | 1.00 | 1.19 | |
| Keine Informationen verfügbar, nicht bestellbar | ||||
| 56 | 953254P | |||
| Keine Informationen verfügbar, nicht bestellbar | ||||
| 56A | 953381 | |||
| Keine Informationen verfügbar, nicht bestellbar | ||||
| 57 | 953255 | |||
| Keine Informationen verfügbar, nicht bestellbar | ||||
| 58A | 314086 | |||
| Keine Informationen verfügbar, nicht bestellbar | ||||
| 59A | 314087 | |||
| Keine Informationen verfügbar, nicht bestellbar | ||||
| 60A | 314090 | |||
| Keine Informationen verfügbar, nicht bestellbar | ||||
| 63 | 949103 | |||
| Keine Informationen verfügbar, nicht bestellbar | ||||
| 64 | 956633 | |||
| Keine Informationen verfügbar, nicht bestellbar | ||||
| 65A | 936638 | |||
| Keine Informationen verfügbar, nicht bestellbar | ||||
| 66A | 325491 | |||
| RING | ||||
| 68 | 949440 | 1.00 | 1.19 | |
| Schneidschraube D4x20 Cg18dal, Cg18dl | ||||
| 69 | 956384 | 1.05 | 1.25 | |
| Staubdichtung (a) Cm6/cr10v u.a. Till 2.1995 | ||||
| 70 | 956387 | 2.10 | 2.50 | |
| Schalterdeckel | ||||
| 71 | 971792 | 1.65 | 1.96 | |
| Handgriff (a+b) Komplett Sat180 (alte Art.nr.9532 | ||||
| 72 | 953260 | 13.05 | 15.53 | |
| Funkentstoerdrossel | ||||
| 73 | 958263 | 24.89 | 29.62 | |
| Abstandstück Sat180 | ||||
| 74 | 953265 | 1.05 | 1.25 | |
| Schraubklemme 1-reihig Div.typen Till 10.1999 For | ||||
| 75 | 938307 | 2.13 | 2.53 | |
| Anschlussklemme | ||||
| 76 | 980063 | 1.04 | 1.23 | |
| Kanalhülse für Kabel (d) Div.typen, Cm9uby, G23ss | ||||
| 77 | 981373 | 1.05 | 1.25 | |
| BAND | ||||
| 78 | 983684 | 1.00 | 1.19 | |
| Keine Informationen verfügbar, nicht bestellbar | ||||
| 79 | 953258 | |||
| Keine Informationen verfügbar, nicht bestellbar | ||||
| 80 | 953263P | |||
| Keine Informationen verfügbar, nicht bestellbar | ||||
| 601 | 314084 | |||
| Keine Informationen verfügbar, nicht bestellbar | ||||
| 602 | 314085 | |||
| Keine Informationen verfügbar, nicht bestellbar | ||||
| 603 | 314088 | |||
| Keine Informationen verfügbar, nicht bestellbar | ||||
| 604 | 314089 | |||
| Keine Informationen verfügbar, nicht bestellbar | ||||
| 605 | 314091 | |||
| Keine Informationen verfügbar, nicht bestellbar | ||||
| 606 | 314093 | |||
| Keine Informationen verfügbar, nicht bestellbar | ||||
| 607 | 953256Z | |||
| Keine Informationen verfügbar, nicht bestellbar | ||||
| 610 | 314092 | |||
| Keine Informationen verfügbar, nicht bestellbar | ||||
| 612 | 314094 | |||