Hier finden Sie alle verfügbaren Teile und Zeichnungen der 'Hikoki TBC-225'. Von hier aus können Sie alle gewünschten Teile direkt bestellen. Viele Teile müssen je nach Marke beim Hersteller bestellt werden, dies dauert ein bis vier Wochen. Alle Informationen, die wir haben, befinden sich auf unserer Website. Wir können Sie nicht beraten, was Sie benötigen. Dazu müssen Sie die Maschine zur Reparatur zurücksenden. Bitte beachten Sie bei der Bestellung Folgendes:
Zeichnungen der Hikoki TBC-225
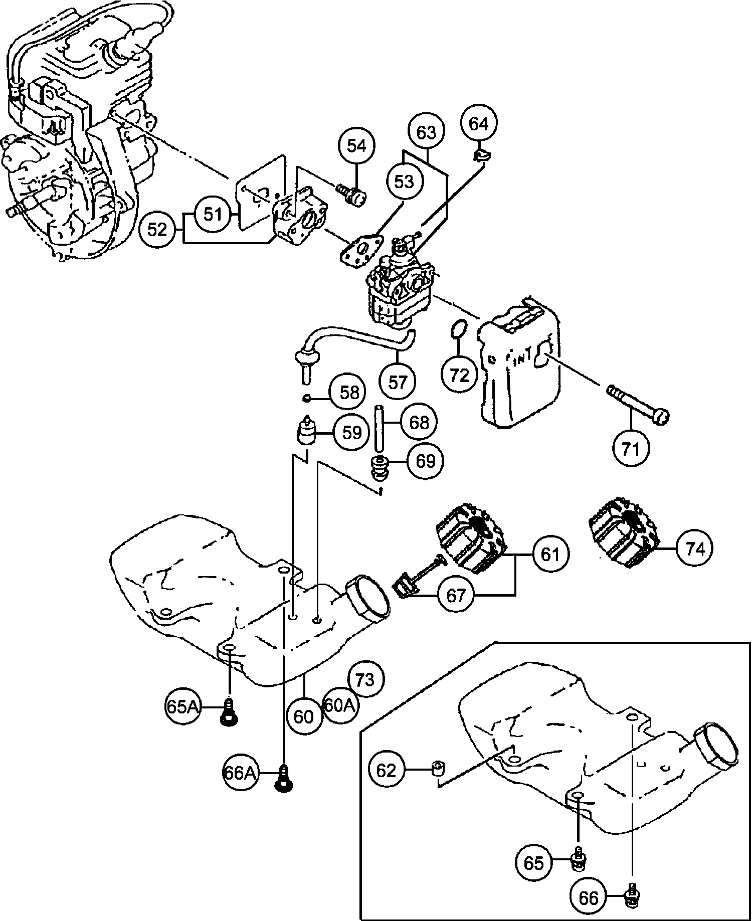
Teileliste der Hikoki TBC-225
| Pos. | Beschreibung | Preis ohne MwSt | Preis inkl. MwSt | |
| Die angegebenen Preise enthalten die Mehrwertsteuer | ||||
| Zündkerzenkappe kpl. alte Art.nr. 157-01570-90 Ti | ||||
| 1 | 6687468 | 2.31 | 2.75 | |
| Zündkerzenbaugruppe (alt 6685085) | ||||
| 2 | 6699317 | 6.76 | 8.05 | |
| Zündkerze Rcj8y | ||||
| 2 | 6699328 | 3.30 | 3.93 | |
| Zylinder-set | ||||
| 3 | 6685489 | 34.19 | 40.68 | |
| Sechskantbolzen Cg24ekb | ||||
| 4 | 6684586 | 2.15 | 2.56 | |
| Zylinderdichtung alte Art.nr. 017-00980-20 | ||||
| 5 | 6685709 | 1.15 | 1.37 | |
| Kolbenring | ||||
| 6 | 6686118 | 4.45 | 5.30 | |
| Kolbenset alte Art.nr. 030-00070-90 | ||||
| 7 | 6685869 | 15.58 | 18.53 | |
| Kolbenstift Cg24ekb | ||||
| 8 | 6684590 | 2.15 | 2.56 | |
| Kolbenstift | ||||
| 9 | 6696944 | 3.33 | 3.96 | |
| Kurbelwelle kpl. | ||||
| 10 | 6686217 | 42.20 | 50.22 | |
| Hochspannungskabel 140l Till G165840 | ||||
| 11 | 6687888 | 2.31 | 2.75 | |
| Sechskantbolzen Cg24ekb alte Art.nr. 994-63040-15 | ||||
| 13 | 6684682 | 2.15 | 2.56 | |
| Keine Informationen verfügbar, nicht bestellbar | ||||
| 14 | 6699772 | |||
| Keine Informationen verfügbar, nicht bestellbar | ||||
| 14A | 6697638 | |||
| Gummikappe Cg24ekb Till G165840 | ||||
| 15 | 6684602 | 2.15 | 2.56 | |
| Kabelstopper kpl. Till F061750 | ||||
| 18 | 6687826 | 2.31 | 2.75 | |
| Bleidrahtbaugruppe | ||||
| 19 | 6697836 | 5.45 | 6.49 | |
| Getriebewelle Cg24ekb | ||||
| 31 | 6684604 | 2.15 | 2.56 | |
| Getriebewelle Cg24ekb | ||||
| 31 | 6684605 | 2.15 | 2.56 | |
| Ausgleich f. Getriebewelle 0.10 | ||||
| 31 | 6689177 | 1.15 | 1.37 | |
| Ausgleich f. Getriebewelle 0.15 | ||||
| 31 | 6689178 | 1.15 | 1.37 | |
| Keine Informationen verfügbar, nicht bestellbar | ||||
| 32 | 6686585 | |||
| Öldichtung Cg24ekb | ||||
| 33 | 6684607 | 4.29 | 5.10 | |
| Kugellager Cg24ekb | ||||
| 34 | 6684608 | 3.80 | 4.52 | |
| Dichtung f. Kurbelgehäuse alte Art.nr. 090-06410- | ||||
| 35 | 6686719 | 1.15 | 1.37 | |
| Sechskantbolzen Cg24ekb | ||||
| 36 | 6684586 | 2.15 | 2.56 | |
| Magneto-Rotor-Komp. | ||||
| 37 | 6601171 | 22.99 | 27.36 | |
| Keine Informationen verfügbar, nicht bestellbar | ||||
| 37A | 6696928 | |||
| Unterlegscheibe Cg24ekb Neue Art.nr. 6684611 | ||||
| 38 | 6684611 | 2.15 | 2.56 | |
| Sechskantmutter Cg24ekb | ||||
| 39 | 6684612 | 2.15 | 2.56 | |
| Ansaugkrümmerdichtung | ||||
| 51 | 6689890 | 1.15 | 1.37 | |
| Vergaser Isolator Set | ||||
| 52 | 6689914 | 5.94 | 7.07 | |
| Vergaserdichtung (ALT 402-0602K-21/6689836) | ||||
| 53 | 6684615 | 2.15 | 2.56 | |
| Sechskantbolzen 5x22/ws alte Art.nr. 994-64050-22 | ||||
| 54 | 6695514 | 1.15 | 1.37 | |
| Röhrenschutz | ||||
| 57 | 6688174 | 2.31 | 2.75 | |
| Clipd6new | ||||
| 58 | 6685198 | 1.15 | 1.37 | |
| Keine Informationen verfügbar, nicht bestellbar | ||||
| 59 | 6684620 | |||
| Tank weiss alte Art.nr.591-07120-21 | ||||
| 60 | 6691592 | 9.58 | 11.39 | |
| Tank (evapo) alte Art.nr.591-071f-20 Since D00100 | ||||
| 60A | 6691595 | 30.25 | 36.00 | |
| Keine Informationen verfügbar, nicht bestellbar | ||||
| 61 | 6685049 | |||
| Manschette 5.8 alte Art.nr.659-00801-20 Till G103 | ||||
| 62 | 6692244 | 1.15 | 1.37 | |
| Vergaser Set Wyl182 Since B023801 | ||||
| 63 | 6690512 | 66.40 | 79.02 | |
| Vergaser Set Wyl189 Till B023800 | ||||
| 63 | 6690513 | 50.21 | 59.75 | |
| Spannschlosskappe Since C026901 | ||||
| 64 | 6691337 | 1.15 | 1.37 | |
| Sechskantbolzen 5x16/ps alte Art.nr. 994-63050-16 | ||||
| 65 | 6695504 | 1.15 | 1.37 | |
| Bolzen (mit Flansch) | ||||
| 65A | 6696574 | 1.05 | 1.25 | |
| Schraube 5x20ws alte Art.nr. 994-65050-205 Till G | ||||
| 66 | 6695516 | 1.15 | 1.37 | |
| Bolzen L17.8 | ||||
| 66A | 6698511 | 1.05 | 1.25 | |
| Keine Informationen verfügbar, nicht bestellbar | ||||
| 67 | 6684625 | |||
| Nicht mehr lieferbar, kein Ersatz | ||||
| 68 | 6684880 | |||
| Rückkehr Dichtung (alt 6684627) | ||||
| 69 | 6697846 | 1.04 | 1.23 | |
| Schraube 5x60/ws alte Art.nr. 994-16050-601 Till | ||||
| 71 | 6695431 | 1.15 | 1.37 | |
| O-Ring P-15 | ||||
| 72 | 6698966 | 1.04 | 1.23 | |
| Tank weiss alte Art.nr.591-07120-21 | ||||
| 73 | 6691592 | 9.58 | 11.39 | |
| Tankdeckel alte Art.nr.595-03002-90 Since K032881 | ||||
| 74 | 6691748 | 7.59 | 9.03 | |
| Schalldämpferschutz schwarz alte Art.-nr.738-0716 | ||||
| 91 | 6692809 | 5.11 | 6.08 | |
| Schraube 4x15ps alte Art.nr. 994-15040-151 | ||||
| 92 | 6695373 | 1.15 | 1.37 | |
| Blechschraube Cg24ekb | ||||
| 94 | 6684637 | 2.15 | 2.56 | |
| Sechskantbolzen | ||||
| 95 | 6685114 | 1.15 | 1.37 | |
| Unterlegscheibe Rb24e | ||||
| 96 | 6684918 | 2.15 | 2.56 | |
| Schalldämpfer Set alte Art.-nr.704-07001-90 | ||||
| 98 | 6692487 | 11.88 | 14.13 | |
| Schalldämpfer Set alte Art.-nr.704-07139-90 For A | ||||
| 98A | 6692496 | 12.54 | 14.92 | |
| Schalldämpfer Set alte Art.-nr.704-07139-90 For A | ||||
| 99 | 6692496 | 12.54 | 14.92 | |
| Schalldämpferdichtung alte Art.-nr.737-07000-20 | ||||
| 100 | 6692745 | 1.15 | 1.37 | |
| Hitzeschutz 133-06540-20 | ||||
| 101 | 6687253 | 2.31 | 2.75 | |
| Keine Informationen verfügbar, nicht bestellbar | ||||
| 103 | 6697619 | |||
| Kupplungsschuh T-16 Till F113110 | ||||
| 104 | 6688616 | 7.59 | 9.03 | |
| KUPPLUNGSARM COMP 54 NEU | ||||
| 104A | 6697161 | 6.90 | 8.21 | |
| Kupplungsfeder Till F113110 | ||||
| 105 | 6689430 | 2.31 | 2.75 | |
| Keine Informationen verfügbar, nicht bestellbar | ||||
| 105A | 6697618 | |||
| Kupplungsscheibe A | ||||
| 106 | 6689528 | 1.15 | 1.37 | |
| Stufen Bolzen Till F113110 | ||||
| 107 | 6689627 | 1.15 | 1.37 | |
| Stufenbolzen Cg24ekb alte Art.nr. 357-0075t-20 | ||||
| 107A | 6684646 | 2.15 | 2.56 | |
| Ring | ||||
| 108 | 6684648 | 2.15 | 2.56 | |
| Keine Informationen verfügbar, nicht bestellbar | ||||
| 109 | 6696932 | |||
| Sechskantbolzen Cg24ekb alte Art.nr. 994-64050-18 | ||||
| 110 | 6684647 | 2.15 | 2.56 | |
| Sechskantbolzen Cg24eks, Dv14dvf, Cg18dl | ||||
| 112 | 6684973 | 2.15 | 2.56 | |
| Kabelklemme kpl. | ||||
| 113 | 6688011 | 1.15 | 1.37 | |
| Schalldämpfer Bolzen alte Art.nr. 751-04200-20 Fo | ||||
| 114 | 6692883 | 1.15 | 1.37 | |
| Auspuff Set Reserve alte Art.-nr.734-0099k-90 For | ||||
| 115 | 6692709 | 2.31 | 2.75 | |
| Ring | ||||
| 116 | 6685109 | 1.15 | 1.37 | |
| Schalldämpfer Draht alte Art.-nr.732-0099f-90 For | ||||
| 117 | 6692688 | 2.31 | 2.75 | |
| Seilzugstartergehäuse Rb24e Includ.183-190 Till E | ||||
| 131 | 6684938 | 23.45 | 27.91 | |
| Seilzugstarter Gehäuse Rb24e Since En90001(till 1 | ||||
| 132 | 6684944 | 17.24 | 20.51 | |
| Starter f. Seilhaspel Rb24e Since En90001(till 10 | ||||
| 133 | 6684941 | 6.44 | 7.66 | |
| Rückholfeder Rb24e Till Eo99999 | ||||
| 134 | 6684942 | 9.40 | 11.19 | |
| Schwenkhebel Rb24e Till Eo99999 | ||||
| 135 | 6684940 | 2.15 | 2.56 | |
| Einstellschraube (alte 839-03045-20) | ||||
| 136 | 6684679 | 2.15 | 2.56 | |
| Seilzug Strebe Rb24e Till Eo99999 | ||||
| 137 | 6684939 | 2.15 | 2.56 | |
| Seil Till Eo99999 | ||||
| 138 | 6684943 | 4.29 | 5.10 | |
| Startergriff Cg24ekb alte Art.nr. 785-03045-20 Fo | ||||
| 139 | 6684680 | 2.15 | 2.56 | |
| Nicht mehr lieferbar, kein Ersatz | ||||
| 140 | 6685000 | |||
| Starterscheibe Rb24e Till Eo99999 | ||||
| 141 | 6684937 | 6.44 | 7.66 | |
| Sechskantbolzen Cg24ekb alte Art.nr. 994-63040-15 | ||||
| 142 | 6684682 | 2.15 | 2.56 | |
| Luftfilter kpl. | ||||
| 171 | 6690005 | 9.58 | 11.39 | |
| Luftfilterkappe | ||||
| 172 | 6690139 | 4.45 | 5.30 | |
| Filter Element | ||||
| 173 | 6690347 | 4.45 | 5.30 | |
| Manschette | ||||
| 175 | 6690801 | 2.31 | 2.75 | |
| Keine Informationen verfügbar, nicht bestellbar | ||||
| 176 | 6690085 | |||
| Pumpengehäuse Rb24e | ||||
| 191 | 6684879 | 62.16 | 73.97 | |
| Entlüftungspumpe Cg24ekb alte Art.nr. 442-25151-8 | ||||
| 192 | 6684687 | 16.34 | 19.44 | |
| Membranabdeckung Cg24ekd alte Art.nr. 476-25151-2 | ||||
| 193 | 6684688 | 8.58 | 10.20 | |
| Grundgehäuse Cg24ekb alte Art.nr. 447-25108-20 | ||||
| 194 | 6684689 | 6.44 | 7.66 | |
| Dosiermembrane alte Art.nr.474-25241-80 | ||||
| 195 | 6690830 | 11.88 | 14.13 | |
| Membrandichtung Cg24ekb alte Art.nr.475-25153-20 | ||||
| 196 | 6684691 | 8.58 | 10.20 | |
| Membranabdeckung Cg24ekb alte Art.nr.576-25100-20 | ||||
| 197 | 6684693 | 8.58 | 10.20 | |
| Pumpendichtung alte Art.nr.577-25100-20 | ||||
| 198 | 6691457 | 7.10 | 8.45 | |
| Hauptdüse alte Art.nr.599-2000w-38 Since B023801 | ||||
| 199 | 6691844 | 4.45 | 5.30 | |
| Hauptdüse alte Art.nr.599-2000w-40 Till B023800 | ||||
| 199 | 6691845 | 4.45 | 5.30 | |
| O-RING (ALT 550-25100-20) | ||||
| 200 | 6684695 | 4.29 | 5.10 | |
| Anschlagring Cg24ekb alte Art.nr. 489-25100-20 | ||||
| 201 | 6684696 | 2.15 | 2.56 | |
| Spannschloss Cg24ekb alte Art.nr. 539-25120-20 | ||||
| 202 | 6684697 | 6.44 | 7.66 | |
| Drosselschrauben Set Cg24ekb alte Art.nr. 548-251 | ||||
| 203 | 6684698 | 4.29 | 5.10 | |
| Stellschraube Cg24ekb alte Art.nr. 548-25151-20 | ||||
| 204 | 6684699 | 2.15 | 2.56 | |
| Schutzsieb Cg24ekb | ||||
| 205 | 6684700 | 4.29 | 5.10 | |
| Drosselventil Till B023800 | ||||
| 206 | 6684883 | 18.75 | 22.31 | |
| Keine Informationen verfügbar, nicht bestellbar | ||||
| 221 | 6688604 | |||
| Schneidschraube | ||||
| 222 | 6685152 | 1.15 | 1.37 | |
| Sechskantbolzen Cg24eks, Dv14dvf, Cg18dl | ||||
| 223 | 6684973 | 2.15 | 2.56 | |
| Lüftergehäuse | ||||
| 224 | 6687031 | 14.53 | 17.28 | |
| Vierkantmutter 5 alte Art.nr. 991-91050-001 Till | ||||
| 225 | 6695176 | 1.15 | 1.37 | |
| Distanzstück | ||||
| 226 | 6688311 | 1.05 | 1.25 | |
| Begrenzungsring Cg24ekd | ||||
| 227 | 6684821 | 2.15 | 2.56 | |
| Getriebewelle 1480l alte Art.nr. 343-38379-20 | ||||
| 251 | 6696009 | 13.53 | 16.09 | |
| Getriebewelle Röhre | ||||
| 252 | 6689410 | 24.20 | 28.80 | |
| Keine Informationen verfügbar, nicht bestellbar | ||||
| 253 | 6684831 | |||
| Keine Informationen verfügbar, nicht bestellbar | ||||
| 254 | 6685075 | |||
| Front-griff alte Art.nr.500-38451-20 | ||||
| 255 | 6691057 | 8.41 | 10.01 | |
| Sechskantbolzen 5x30 S alte Art.nr. 994-16050-301 | ||||
| 256 | 6695426 | 1.15 | 1.37 | |
| Drosselklappen-seil alte Art.nr.885-38451-81 For | ||||
| 257 | 6693983 | 3.30 | 3.93 | |
| Gashebel alte Art.nr. 870-38452-90 | ||||
| 258 | 6693770 | 18.60 | 22.13 | |
| Drosselklappenhebel | ||||
| 259 | 6685006 | 1.15 | 1.37 | |
| Gegenfeder | ||||
| 260 | 6684998 | 1.15 | 1.37 | |
| Stoppschalter | ||||
| 261 | 6685009 | 2.31 | 2.75 | |
| Schaltermarkierung | ||||
| 262 | 6685003 | 1.15 | 1.37 | |
| Stoppschalter kpl. alte Art.nr. 156-38451-80 | ||||
| 263 | 6687462 | 9.40 | 11.19 | |
| Schraube M5x30 | ||||
| 264 | 6685076 | 1.15 | 1.37 | |
| Sechskantmutter 5 | ||||
| 265 | 6684965 | 1.04 | 1.23 | |
| Schutzrohr 7x170 | ||||
| 266 | 6685007 | 2.31 | 2.75 | |
| Stiel Griff alte Art-nr.509-38453-21 | ||||
| 267 | 6691183 | 4.45 | 5.30 | |
| Gashebel alte Art.nr. 870-38449-90 | ||||
| 268 | 6693769 | 36.15 | 43.02 | |
| Drosselklappen-seil alte Art.nr.885-38449-80 | ||||
| 269 | 6693982 | 19.96 | 23.76 | |
| Drosselklappen Draht alte Art.nr. 887-38449-80 | ||||
| 270 | 6694025 | 8.41 | 10.01 | |
| Keine Informationen verfügbar, nicht bestellbar | ||||
| 271 | 6687452 | |||
| Schutzrohr 7x145l alte Art.nr. 164-070014-50 | ||||
| 272 | 6687523 | 1.05 | 1.25 | |
| Nicht mehr lieferbar, kein Ersatz | ||||
| 273 | 6684721 | |||
| Rückholfeder Cg24ekb | ||||
| 274 | 6684722 | 2.15 | 2.56 | |
| Blind Stopfen Cg24ekb | ||||
| 275 | 6684724 | 2.15 | 2.56 | |
| Schraube Cg24ekb | ||||
| 276 | 6684803 | 2.15 | 2.56 | |
| Keine Informationen verfügbar, nicht bestellbar | ||||
| 277 | 6684727 | |||
| Schraube Cg24ekb | ||||
| 278 | 6684725 | 2.15 | 2.56 | |
| Drosselklappenhebel Cg24ekb | ||||
| 279 | 6684804 | 8.58 | 10.20 | |
| Getriebegehaeuse | ||||
| 301 | 6688822 | 60.35 | 71.82 | |
| Sechskantbolzen Cg24ekd, Cg18dal, Cg18dl | ||||
| 302 | 6684709 | 2.15 | 2.56 | |
| Stop Ring Cg24ekd, Cg18dal, Cg18dl | ||||
| 303 | 6684732 | 2.15 | 2.56 | |
| Anschlagring außen C-9 alte Art.nr. 993-50009-002 | ||||
| 304 | 6695281 | 1.15 | 1.37 | |
| Kugellager Cg24ekd | ||||
| 305 | 6684735 | 8.58 | 10.20 | |
| Getriebegehäuse 24 Dia | ||||
| 306 | 6688815 | 12.38 | 14.73 | |
| Schraube 5x12ws alte Art.nr. 994-16050-121 | ||||
| 307 | 6695414 | 1.15 | 1.37 | |
| Ölschraube | ||||
| 308 | 6689109 | 1.15 | 1.37 | |
| Kugellager 626 | ||||
| 309 | 6695567 | 4.45 | 5.30 | |
| Getriebewelle alte Art.nr. 304-38360-20 For Europ | ||||
| 310 | 6688948 | 9.74 | 11.59 | |
| Kugellager 6000d | ||||
| 311 | 6695527 | 6.60 | 7.85 | |
| STOPFENRING C-26, innen (ALT 993-51026-002) | ||||
| 312 | 6695294 | 1.15 | 1.37 | |
| Messerhalterung alte Art.nr.310-38360-20 | ||||
| 313 | 6689033 | 6.44 | 7.66 | |
| Zahnrad/ritzel Set alte Art.nr. 301-38360-00 | ||||
| 314 | 6688883 | 13.91 | 16.56 | |
| Getriebeabdeckung alte Art.nr.303-38360-20 | ||||
| 315 | 6688917 | 2.31 | 2.75 | |
| Ring | ||||
| 316 | 6695194 | 1.15 | 1.37 | |
| Ring | ||||
| 317 | 6684826 | 2.15 | 2.56 | |
| Keine Informationen verfügbar, nicht bestellbar | ||||
| 318 | 6693389 | |||
| Keine Informationen verfügbar, nicht bestellbar | ||||
| 319 | 6695157 | |||
| Ring | ||||
| 320 | 6684661 | 2.15 | 2.56 | |
| Nicht mehr lieferbar, kein Ersatz | ||||
| 321 | 6694888 | |||
| Sechskantschraube 6x30 alte Art.nr. 990-53060-303 | ||||
| 322 | 6695082 | 1.15 | 1.37 | |
| HEX. LOCHKNOPFSCHRAUBE 6X25S (ALT 994-81060-254) | ||||
| 322A | 6684714 | 2.15 | 2.56 | |
| Sicherheits Schutzhalterung (alt 442-38451-20) Neu | ||||
| 323 | 6690316 | 2.31 | 2.75 | |
| Halterung f. Abdeckung 24 Till D240050 For Europe | ||||
| 323A | 6690317 | 3.30 | 3.93 | |
| Halterung f. Abdeckung Since D240051 For Europe,a | ||||
| 323B | 6690318 | 5.11 | 6.08 | |
| Blattschutz 26 Ce Till D168500 For Europe | ||||
| 324 | 6690242 | 16.64 | 19.80 | |
| Blattschutz 26 Ce Till D168500 For Europe | ||||
| 324A | 6690242 | 16.64 | 19.80 | |
| Blattschutz Cg24ekd Since D240051 For Europe,aus, | ||||
| 324B | 6684747 | 30.70 | 36.53 | |
| Halterung f. Sicherheitsabdeckung For South Ameri | ||||
| 325 | 6690345 | 2.31 | 2.75 | |
| Sicherheitsabdeckung Cg24ekd, Cg18dal, Cg18dl | ||||
| 325A | 6684748 | 4.29 | 5.10 | |
| Nicht mehr lieferbar, kein Ersatz | ||||
| 326 | 6690372 | |||
| Sicherheitsabdeckung Cg24ekd Since D240051 For Eu | ||||
| 326A | 6684749 | 14.98 | 17.82 | |
| Messer Till D068890 Except For Usa | ||||
| 327 | 6693386 | 4.45 | 5.30 | |
| Messer Cg24ekd For Irl | ||||
| 327A | 6684750 | 4.29 | 5.10 | |
| Schraube 5x12/s alte Art.nr. 994-14050-121 Till D | ||||
| 328 | 6695334 | 1.15 | 1.37 | |
| Schneidschraube Cg24ekd | ||||
| 328A | 6684751 | 2.15 | 2.56 | |
| Sechskantmutter 5 | ||||
| 329 | 6684965 | 1.04 | 1.23 | |
| Keine Informationen verfügbar, nicht bestellbar | ||||
| 330 | 6690332 | |||
| Schneidschraube Cg24ekb, Cg18dal, Cg18dl For Aus | ||||
| 331 | 6684753 | 2.15 | 2.56 | |
| Messer Cg24ekb, Cg18dal, Cg18dl Till H130080 Exce | ||||
| 332 | 6684754 | 8.58 | 10.20 | |
| Inbusschraube M6x20 For Usa | ||||
| 341 | 6685064 | 1.15 | 1.37 | |
| Ring | ||||
| 342 | 6684826 | 2.15 | 2.56 | |
| Sicherheitsbügel (ALT 442-37417-20) | ||||
| 343 | 6685065 | 2.31 | 2.75 | |
| Sicherheitsabdeckung | ||||
| 344 | 6685066 | 14.53 | 17.28 | |
| Ring | ||||
| 345 | 6685068 | 1.15 | 1.37 | |
| Ring | ||||
| 346 | 6685070 | 1.15 | 1.37 | |
| Messer | ||||
| 347 | 6685067 | 5.28 | 6.28 | |
| Sechskantmutter M4 | ||||
| 348 | 6685069 | 1.15 | 1.37 | |
| Keine Informationen verfügbar, nicht bestellbar | ||||
| 501 | 6684813 | |||
| Combi Box Spanner 13x19 Plus Except For Usa,can | ||||
| 502 | 6684979 | 4.29 | 5.10 | |
| Ringschlüssel Kombi alte Art.nr.829-29005-2h | ||||
| 502 | 6693588 | 3.30 | 3.93 | |
| Keine Informationen verfügbar, nicht bestellbar | ||||
| 503 | 6693222 | |||
| Befestigungsmutter Lh For Irl | ||||
| 505 | 6689625 | 7.75 | 9.22 | |
| Keine Informationen verfügbar, nicht bestellbar | ||||
| 506 | 6693293 | |||
| Feder For Irl | ||||
| 507 | 6693379 | 1.15 | 1.37 | |
| Aufnahmespule For Irl | ||||
| 508 | 6689852 | 2.31 | 2.75 | |
| Kabelschuh For Irl | ||||
| 509 | 6693329 | 1.15 | 1.37 | |
| Gehäuseabdeckung For Irl | ||||
| 510 | 6693339 | 4.45 | 5.30 | |
| Scheibe For Irl | ||||
| 511 | 6689906 | 1.15 | 1.37 | |
| Keine Informationen verfügbar, nicht bestellbar | ||||
| 512 | 6695336 | |||